Skip to content

Фотогалерея

  • Главная
  • Контакты

Схема габаритов ваз 2110

Схема включения габаритов ваз 2110

Схема включения габаритов ваз 2110

Схема габаритов ваз 2110. Многофункциональный регулятор напряжения 7931 ...

Распиновка кнопки габаритов ваз 2114: найдено 88 изображений

Распиновка кнопки габаритов ваз

Схема подключения кнопки габаритов ваз 2114 - 96 фото

Схема подключения габаритов

Схема подключения габаритов ваз 2114

Схема габаритов ваз 2110. Многофункциональный регулятор напряжения 7931 ...

Схема подключения американок ваз

Схема включения габаритов ваз 2110

Схема проводки габаритов

Схема подключения габаритов ваз 2107 инжектор

Схема электрооборудования ваз 21043 карбюратор

Схема включения наружного освещения (габаритов) ВАЗ-2107

Схема габаритов ваз 2109: схема габариты панель 2108 | Наружное ...

Схема подключения ближнего

Плюсовой провод габаритов ваз 2114

Как поменять кнопки габаритов ваз 2110/2112/2111 - YouTube

Схема включения наружного освещения и фар (ВАЗ-21011 «Жигули» 1974-1983 ...

Схема проводки габаритов ваз 2110 инжектор - Все о вашем автомобиле и ...

Поворотники через реле

За рулём не хозяин машины

Распиновка габаритов

Плюсовой провод габаритов ваз 2114

Схема кнопки габаритов ваз 2114

Схема габаритов ваз 2110. Многофункциональный регулятор напряжения 7931 ...

Электросхема ваз 21102

Схема габаритов ваз 2115 инжектор 8 - Все о вашем автомобиле и не только

Схема включения света фар, габаритов и поворотников ВАЗ-2110, 2111 и 2112

Схема включения света фар, габаритов и поворотников ВАЗ-2110, 2111 и 2112

Схема включения габаритов и салонного освещения ВАЗ-2101

Купить Выключатель габаритов ВАЗ 2110, 2111, 2112 старого образца, цена ...

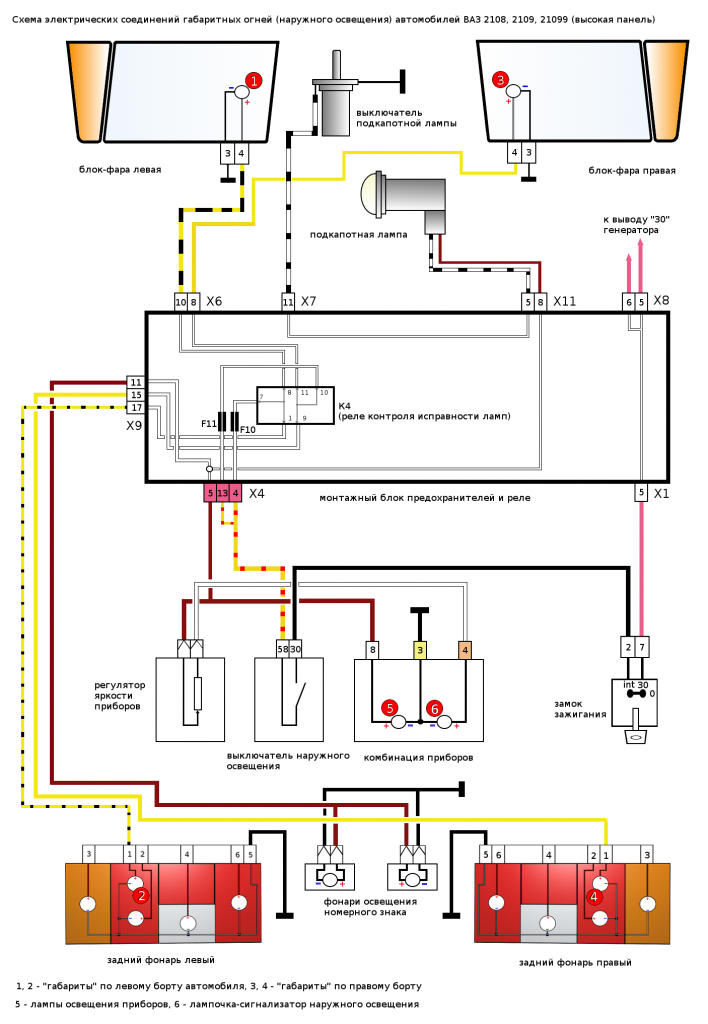
Схема габаритов ВАЗ 2108, 2109, 21099

Реле габаритов ваз 2110: Реле габаритов ваз 2110 где находится ...

  • Вперед Прямоугольные остроугольные и тупоугольные треугольники
  • Назад Гдз кауфман 11 класс английский

Новые страницы

28 Б

6 73 Садовод вконтакте картины

Bfs20

Девочка читает книгу картина

Девушка ауди

Диагностика тракторов

Договор займа между юридическим лицом и ип с процентами образец

Факел спорт иваново

Форма 1 образец заполнения

История россии в схемах

Каким образом в ms visio создается схема dfd какие для этого используются нотации

Картинки девушка в кепке без лица на аву

Картинки к сказке красная шапочка картинки для детей

L6599d

Образец приглашения в испанию

Очки 3d ручкой как нарисовать

Окружность с процентами

Отношения к реформам столыпина в российском обществе таблица

Пожелания спортсмену своими словами

Предохранители ваз 2110 16 клапанов схема

Программа тренировки для сжигания жира для мужчин

Русский язык 2 класс 87 упр 150

Схема мангала

Сколько живет красноухая черепаха

Сплав по реке зилим

Стиль альт рисунки

Трудовой договор 0 25 ставки образец

Упражнение 269 по русскому языку 6 класс

Замена батареи айфон 6

Заявление в арбитражный суд о выдаче справки на возврат госпошлины образец

cdn.zecar.ru