Skip to content

Фотогалерея

  • Главная
  • Контакты

Схема электропроводки ситроен

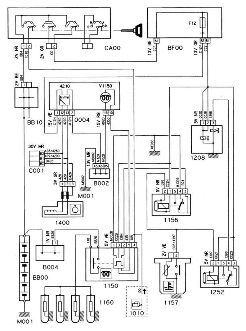
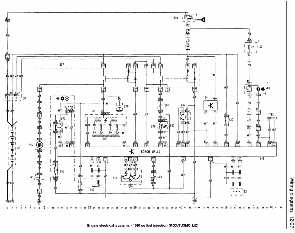
Схема электропроводки ситроен. Схема проводки Ситроен с4 b7. Схема проводки Ситроен с4. Схема магнитолы Ситроен с5. Проводка Ситроен с4 схема.

Схема электропроводки ситроен

Схема электропроводки ситроен

Схема электропроводки ситроен. Peugeot partner 2010 электросхема. Электросхема Пежо партнер 1.4 2010 года. Электрические схемы Пежо партнер 1.9 дизель. Схема электропроводки Пежо партнёр 2009.

Схема электропроводки ситроен. Электростеклоподъемники электросхема Ситроен с4. Электросхема Citroen c5. Электросхема Ситроен c5 II. Электросхема Citroen ds5.

Схема электропроводки ситроен. Электрическая схема Ситроен Ксара Пикассо 2.0 HDI. Блок предохранителей Citroen Xsara Picasso 2003 схема. Citroen Berlingo 2003 год схема электрическая. Ситроен Ксара 1998 электросхема.

Схема электропроводки ситроен. Электросхема Пежо боксер 2001 года. Электросхема Citroen Jumpy 2020. Электросхема приборной панели Ситроен c5. Tatra 815 приборная панель схема.

Схема электропроводки ситроен. Электрическая схема Ситроен с3. Эл. Схемы Ситроен с5. Citroen c3 схема электрическая. Схема Ситроен с3 АБС.

Схема электропроводки ситроен. Ситроен с5 подкапотная проводка двигателя. Подкапотная проводка Citroen с4 ew10j4s схема. Массы. Проводки Citroen c5 x7.

Схема электропроводки ситроен. Система отопления салона Ситроен. Нужна схема блок управления мотором охлаждения двигателя Citroen after 2007. Схема подогрева салона на мазде 6 2005.

Схема электропроводки ситроен

Схема электропроводки ситроен. Схема топливной системы дизельного двигателя Ситроен 2.0. Топливная система Ситроен с5 дизель 2001. Топливная система Ситроен с5. C3 Picasso топливная система схема.

Схема электропроводки ситроен. Схема электрооборудования Пежо партнер 1.4. Citroen Berlingo 2003 год схема электрическая. Схема электрооборудования Пежо партнер 1.4 2008 год. Электросхема Пежо партнер 2000г.

Схема электропроводки ситроен. Ситроен Ксантия электрические схемы. Схема парктроника Ситроен с5 2001. Схема панели приборов Ситроен c4. Электрические схемы Citroen c4 b7.

Схема электропроводки ситроен. Ситроен c3 схема зажигания. Схема электрическая Ситроен с4 Пикассо. Citroen c2 wiring diagram. Схема Citroen c4 замка зажигания.

Схема электропроводки ситроен. Электросхема Ситроен c5 II. Ситроен c5 2001 электросхема. Электросхемы Peugeot 107. Ситроен с 5 II Эл схемы.

Схема электропроводки ситроен. Схема подогрева сидений Peugeot 308. Подогрев сидений Пежо 308 схема подключения. Подогрев сидений Пежо 307 схема подключения. Подогрев сидений Пежо 408 схема.

Схема электропроводки ситроен. Электросхема Citroen Berlingo 2001. Схема электрооборудования Ситроен Берлинго 2001 года. Citroen с3 2002 схема стеклоподъемников. Ситроен с3 2003 электросхемы.

Схема электропроводки ситроен. Схема центрального замка Ситроен с4. Схема центрального замка Ситроен с5. Схема электрооборудования автомобиля Ситроен c5. Ситроен Берлинго 2008 года электрические схемы.

Схема электропроводки ситроен. Ситроен Ксантия электрические схемы. Схема сигнализации на Ситроен с5. Схема иммобилайзер Ситроен с5 2001. Ситроен с4 электросхема на поворотники.

Схема электропроводки ситроен. Citroen c3 схема электрическая. Citroen c4 электросхема. Citroen c3 2003 электросхема ABS. Citroen c3 схема can.

Схема электропроводки ситроен. Схема управления вентилятором охлаждения Ситроен. Схема предохранителей Citroen Xantia (1998-2002). Схема зажигания Ситроен Ксантия 96г1.8. Схема катушки зажигания Ситроен си 4.

Схема электропроводки ситроен. Ситроен Джампер 2013 электросхемы. Citroen 2.2HDI электросхема. Ситроен Джампер 2012 год схема электрооборудования. Ситроен Джампер 3 электросхемы.

Схема электропроводки ситроен. Электрическая схема Ситроен с3. Схема электрическая Ситроен с4 Пикассо. Ситроен с3 2003 электросхемы. Ситроен с5 х7 дизель 1.6 схем электрооборудования.

Схема электропроводки ситроен. Схема управление центральным замком Ситроен с4. Схема замка зажигания Ситроен с3. Схема центрального замка Ситроен с4. Ситроен с3 схема центрального замка.

Схема электропроводки ситроен. Электрические схемы Пежо партнер 1.9 дизель. Peugeot partner 2010 электросхема. Электрическая схема Пежо партнер 1.4. Схема электрооборудования Пежо партнер 1.4.

Схема электропроводки ситроен. Ситроен с3 схема управления двигателем. Ситроен с3 2003 электросхемы. Citroen c4 схема электрооборудования. Схема проводки Ситроен с4.

Схема электропроводки ситроен. Схема подушек безопасности Citroen c4. Электросхема подушки безопасности гольф 3. Принципиальная электросхема автомобиля Ситроен. Citroen сигнал схема.

Схема электропроводки ситроен. Электрическая схема Ситроен с4. Ситроен с5 схема электрооборудования. Электрическая схема Ситроен с3. Схема электропроводки Ситроен с4.

Схема электропроводки ситроен. Ситроен с4 схема электрооборудования. Электрическая схема Ситроен с4. Электрическая схема Ситроен с4 хэтчбек. Схема проводки Ситроен с4.

Схема электропроводки ситроен. Электрическая схема Ситроен с4. Электрическая схема Ситроен с4 хэтчбек. Электрическая схема Ситроен с3. Схема электрическая Ситроен с4 Пикассо.

Схема электропроводки ситроен. Ситроен Ксантия электрические схемы. Схема предохранителей Citroen Xantia (1998-2002). Схема разъема 8010 Ситроен Ксантия. Электрические схемы Citroen c4 b7.

Схема электропроводки ситроен. Электросхема Citroen Berlingo 2001. Ситроен с3 схема электрооборудования. Citroen с4 2006 схема электрооборудования. Ситроен с5 2 литра бензин Электрооборудование.

Схема электропроводки ситроен. Электросхема кондиционера Ситроен Xsara Picasso. Ситроен Ксара 1998 электросхема. Пежо 406 1997 схема центрального замка. Эл схема Эл вентилятора Ситроен с 5 2006 года.

Схема электропроводки ситроен

Схема электропроводки ситроен

Схема электропроводки ситроен. Электрическая схема Ситроен Берлинго 1.4 2006. Схема электрооборудования Пежо партнер 1.4 2008 год. Схема проводки Пежо партнер м59. Ситроен Берлинго 2008 года электрические схемы.

Схема электропроводки ситроен

Схема электропроводки ситроен

Схема электропроводки ситроен. Обозначение электроустановок на схемах.

Схема электропроводки ситроен. Citroen c4 схема электрооборудования. Электросхема Citroen c3 2008. Система управления двигателем Citroen c4. Электрическая схема системы охлаждения c4.

Схема электропроводки ситроен. Блок предохранителей Citroen Xsara Picasso 2003 схема. Электросхема Citroen Xsara Picasso 2.0 дизель. Электрическая схема Ситроен Ксара Пикассо 2.0 HDI. Схема центрального замка Ситроен Ксара Пикассо 2004.

Схема электропроводки ситроен. Ситроен Берлинго 2008 года электрические схемы. Электросхема приборной панели Ситроен c5. Схема приборной панели Транзит 2004. Sitrak c7h электросхема.

Схема электропроводки ситроен

Схема электропроводки ситроен. Citroen c4 электросхема. Схема электрическая Citroen ds4. Схема электрическая Ситроен c4 b7 2012. Пежо партнер 2007 электросхема.

Схема электропроводки ситроен. Электросхема управления двигателем Ситроен Берлинго 2012. Ситроен с3 2003 электросхемы. Citroen c3 2003 электросхема ABS. Ситроен ц 5 2001 года электросхема.

Схема электропроводки ситроен. Электросхемы Ситроен с5 2.2 дизель 2001. Электросхема Citroen Berlingo 2001. Схема проводки на Citroen Berlingo 2002 года. Citroen с5 схема электрооборудования.

Схема электропроводки ситроен. Citroen c1 электросхемы. Электросхема стеклоподъемников Ситроен с5-1. Ситроен c5 2001 электросхема. Электросхемы управления двигателем Citroen.

Схема электропроводки ситроен. Схема проводки Ситроен с4. Проводка Ситроен с4 схема. Схема парктроника Ситроен с5 2001. Схема стартера Citroen c4.

Схема электропроводки ситроен. Citroen с5 схема электрооборудования. Схема электрическая Ситроен с5. Электрическая схема Ситроен с4. Ситроен с 5 II Эл схемы.

Схема электропроводки ситроен. Схема стеклоподьемниковситроен с 4. Пежо 605 1995 электрическая схема электростеклоподъемника. Электростеклоподъемники электросхема Ситроен с4. Электросхема стеклоподъемников Ситроен с5-1.

Схема электропроводки ситроен. Citroen Berlingo 2003 год схема электрическая. Электрическая схема Ситроен с3. Электрическая схема Ситроен с3 Пикассо. Citroen c3 схема электрическая.

Схема электропроводки ситроен. Схема электропроводки Ситроен Ксара Пикассо 2.0 HDI. Схема электропроводки Ситроен Ксара Пикассо 1.6. Монтажная электрическая схема BSI Ситроен Ксара Пикассо. Блок управления Ситроен Ксара 1997 схема.

Схема электропроводки ситроен

Схема электропроводки ситроен

Схема электропроводки ситроен. Скания 124 стеклоподъемники электросхема. Электросхемы омывателя Ситроен c4 II b7 2011 года. Электросхема на Ситроен Елисей. Электросхема очистителя RAC-3704.

Схема электропроводки ситроен. Схема электрооборудования Isuzu 65519. Схема 1660 Citroen c4. Citroen c4 2006 АКПП электросхема. Схема электрическая Ситроен c4 b7 2012.

Схема электропроводки ситроен. Электросхемы Citroen Berlingo b9. Электрическая схема Ситроен Берлинго 2012. Berlingo 2008 электросхемы. Citroen Berlingo 2003 год схема электрическая.

Схема электропроводки ситроен. Ситроен с4 схема электрооборудования 2005г. Схема электропроводки Ситроен с4. Схема электрическая Ситроен с4 Пикассо. Схема проводки Ситроен с4.

Схема электропроводки ситроен. Ситроен ц 5 схема электрооборудования. Citroen c5 схема электрическая. С кем электрооборудования Citroen c5. Схема электропроводки Ситроен дс4.

Схема электропроводки ситроен. Al4 dp0 электросхема. Dp0 АКПП электросхема. Электросхема АКПП dp2 dp8. Электросхема АКПП al4.

Схема электропроводки ситроен. Схема минусовых проводов Ситроен с3 Пикассо Xara. Схема электропроводки на Citroen Nemo.

Схема электропроводки ситроен. Проводка Ситроен Саксо. Проводка Ситроен Джампер задняя. Проблемы с проводкой Ситроен Джампер.

Схема электропроводки ситроен. Схема системы зажигания cga3. Электрическая схема запуска двигателя Volvo. Автозапуск на Citroen c5 схема. Полесье GS 12 электросхема пуска двигателя.

Схема электропроводки ситроен. Схема проводки Citroen Xsara Picasso 2007 года. Блок предохранителей Citroen Xsara Picasso 2003 схема. Схема электропроводки цветная Citroen c4. Электрическая схема Ситроен с3 Пикассо.

Схема электропроводки ситроен. Ситроен с3 схема электрооборудования. Электрическая схема Ситроен с3. Схема электрическая Ситроен с4 Пикассо. Ситроен с3 схема центрального замка.

Схема электропроводки ситроен. Электрическая схема Ситроен с4. Схема проводки Ситроен с4. Схема электрическая Ситроен с4 Пикассо. Электрическая схема Ситроен с4 хэтчбек.

Схема электропроводки ситроен. Электро система Ситроен с5. Схема центрального замка Ситроен ц 5. Схема центрального замка Ситроен с4. Ситроен с5 схема электрооборудования.

Схема электропроводки ситроен. Ситроен с3 2003 электросхемы. Ситроен с3 схема электрооборудования. Электрическая схема Ситроен с3. Citroen Berlingo 2003 год схема электрическая.

Схема электропроводки ситроен. Схема проводки Ситроен с4 2007. Электрическая схема Ситроен с4. Схема проводки Ситроен с4 хэтчбек. Электрическая схема Ситроен с4 хэтчбек.

Схема электропроводки ситроен. Ситроен ц 5 схема электрооборудования. Электрическая схема Ситроен с3. Citroen c4 II электрические схемы отопитель. Citroen с5 схема электрооборудования.

Схема электропроводки ситроен. Peugeot partner 2 схема электрооборудования. Схема электрооборудования сигнала Ситроен с5. Схема стеклоподъемника Citroen Berlingo. Схема стеклоподъемников Пежо партнер типи 2012.

Схема электропроводки ситроен

Схема электропроводки ситроен. Пежо боксер цветная электросхема. Схема электропроводки Ситроен Джампер 2012 года. Схема электрооборудования Ситроен Джампер. Электросхема Пежо боксер 1997 года.

Схема электропроводки ситроен. Электрические схемы Ситроен c4 Picasso. Ситроен Ксара 1998 электросхема. Электросхема Citroen Xsara Picasso 2.0 дизель. Схема проводки Citroen Xsara Picasso 2007 года.

Схема электропроводки ситроен. Схема электрическая Ситроен с5. Ситроен с5 схема электрооборудования. Ситроен с5 электросхема двигателя. Схема центрального замка Ситроен с5.

Схема электропроводки ситроен. Эл. Схемы Ситроен с5. Схема проводки Ситроен с4 b7. Схема блока управления двигателем Ситроен с4. Схема электропроводки Ситроен c5.

Схема электропроводки ситроен. Электро система Ситроен с5. Электросхемы Ситроен с5 2.2 дизель 2001. Электростеклоподъемники электросхема Ситроен с4. Электросхема Citroen Xsara 2001 2.0 HDI.

Схема электропроводки ситроен. Ситроен с3 схема электрооборудования. Ситроен с3 2003 электросхемы. Электрическая схема Ситроен с3. Эл схема Ситроен с3.

Схема электропроводки ситроен. Схема проводки Ситроен с4 2007. Схема Ситроен с4 хэтчбек. Схема Ситроен с5 2010. Ситроен с5 схема электрооборудования.

Схема электропроводки ситроен. Ситроен с3 схема электрооборудования. Электрическая схема Ситроен с4. Citroen Berlingo 2003 год схема электрическая. Электрическая схема Ситроен с3.

Схема электропроводки ситроен

Схема электропроводки ситроен. Пежо 206 схема электрооборудования Магнети Марелли. Схема Ситроен c2. Пежо 206 схема электрооборудования Магнети Марелли 2003. Электрическая схема Ситроен с8.

Схема электропроводки ситроен. Citroen c4 схема электрооборудования. Citroen c4 электросхема. Электросхема стеклоочистителя Citroen c4. Электросхема Citroen c4 автомагнитолы.

Схема электропроводки ситроен. Схема центрального замка Ситроен ц 5. Ситроен с 5 II Эл схемы. Эл схема Ситроен с3. Citroen c4 Coupe схема электрооборудования.

Схема электропроводки ситроен

Схема электропроводки ситроен

Схема электропроводки ситроен. Электрическая схема вентилятора охлаждения Ситроен с4. Схема зажигания Ситроен Ксантия 96г1.8. Электрическая схема Ситроен Берлинго 2006. Схема центрального замка Ситроен с4 2006 года.

Схема электропроводки ситроен. Электросхема двигателя mr20dd. Схема электрооборудования двигателя f8 Fe. Электросхема управления двигателем 3c te. Схема двигателя 1kr-Fe.

  • Вперед Токсическое действие этанола карта вызова скорой медицинской
  • Назад Решение собственника помещения по вопросам поставленным на голосование на общем собрании образец

Новые страницы

Балуешь балую повторим повторишь

Душевность сочинение

Экспорт леса из россии

Где 8 класс

Гдз по русскому языку 3 а класс 2 часть

Гостиница в москве савой

Кабардин физика 8 класс учебник

Как заговорить ячмень на глазу

Легкие схемы из бисера из леска

Не держат стойки багажника

Общие черты индии китая и японии

Подключение розетки фаркопа

Разделочная доска фон для презентации

Ревизор в чернигове

С завтрашнего дня никому не посылай никакие открытки картинки там вирус

Санаторий амра гагры

Схема сосны

Скребок гуаша схема

Составьте рассказ о себе как потребителей используя следующий план что из бытовой техники ваша семья

Современное геополитическое и геоэкономическое положение россии презентация

Спортивные школы относятся к

Теория литературы социально психологический роман

Топливо пульсар что это

Трубы из коррозионностойкой стали

Вернуть деньги за занятия спортом

Выключатель kcd2

Высший пилотаж слова на картинке ответы на все уровни

Зачем страховать жизнь

Заявление на отстрел собак образец

Заявление на возврат обеспечения исполнения контракта 44 фз образец

cdn.zecar.ru