Skip to content

Фотогалерея

  • Главная
  • Контакты

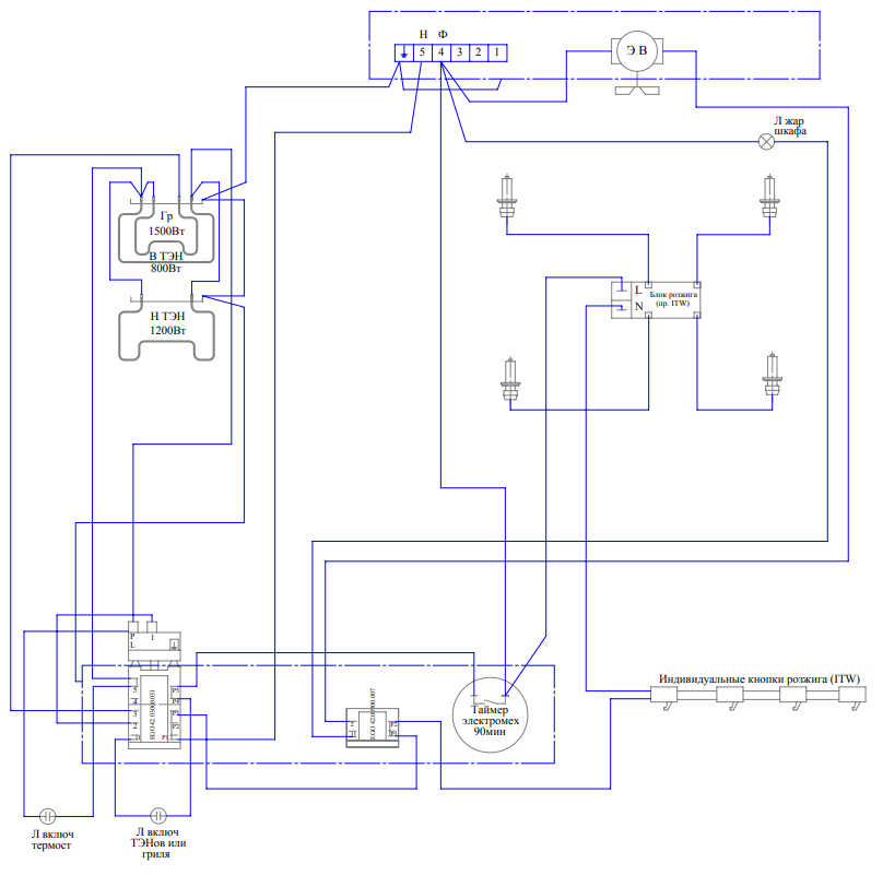
Схема электродуховки

Чтение Электрических Схем Для Начинающих - tokzamer.ru

Как провести электропроводку на даче — пошаговое руководство - Сам электрик

Установка газовой плиты: правила и требования

Все нюансы самостоятельного подключения газовой плиты

Электрическая Схема Плиты - tokzamer.ru

Схемы электроснабжения оборудования систем связи при использовании ...

Таймер для духового шкафа своими руками

Обозначения на схемах электрических - Всё об электрике в доме

Уго розетки на электрических схемах

Схема подключения переключателя электродуховки

Как подсоединить электродвигатель: Схема подключения электродвигателя ...

Буквенное обозначение на электрических схемах: Обозначения буквенно ...

Электрооборудование автомобиля включает в себя источники и потребители

Схема подключения переключателя электродуховки

Условные обозначения в электрических схемах по ГОСТ

Схема подключения переключателя электродуховки

Схема разводки и подключения электропроводки - Электропроект квартиры ...

Схема подключения модуля Samsung к сети 220 В

Обозначение розеток и выключателей: инструкция и фото

Условные обозначения на схемах электроснабжения - Всё о электрике в доме

Схемы Электрической Разводки - tokzamer.ru

Схема подключения переключателя электродуховки

официантKA: устройство управления трехфазным электродвигателем

Как подключить варочную панель и духовой шкаф к одной розетке: схема

Схема подключения переключателя электродуховки

Схема подключения переключателя электродуховки

Схема электрическая принципиальная цифровой мультиметр Щ4313 (Щ 4313) с ...

Схема подключения переключателя электродуховки

Схема подключения переключателя электродуховки

Схема электродуховки: Ремонт электрических духовых шкафов своими руками ...

Схема электрооборудования | УралМобиле

Однолинейные схемы электроснабжения условные обозначения ...

Розетка для электрического духового шкафа: какая нужна, сколько фаз

Электропроводка ваз 2106 схема эл проводки • Сам автоэлектрик

Программа составления электрических схем бесплатно

  • Вперед Воняет газом из выхлопной трубы
  • Назад Фенечки из мулине схемы

Новые страницы

3 Класс страница 61

Чудики читать шукшин краткое

Гдз по истории седьмой класс вторая часть история россии

Глубина протектора на зимней резине

Hcl тип

Изобразите схематически график функции y 2

Как сделать картину из пробок

Калининград глория джинс

Кубик 5х5х5 схема сборки

Лягушка рисунок эстетика kawaii

Маршрут 56 маршрутки ульяновск схема проезда с остановками

Механическая желтуха прогноз жизни

Образец горной породы

Образец отзыва на возражения ответчика по гражданскому делу

Обшивка балконов в набережных челнах

Обследование для занятия спортом

Опять дожди картинки смешные

Платежное поручение тинькофф банк образец

Проходной выключатель двухклавишный на две лампочки схема

Проверочное слово к слову ряд

Сдала экзамен

Схема акпп 3

Схема лампового усилителя звука

Схемы на средние амигуруми из бисера

Спортсмены олимпиады 2014 сочи

Тренировка 30 минут видео

Тропинка рисунок для детей

Труба стальная 45 мм

Воинские звания и знаки различия в вооруженных силах российской федерации презентация

Жидкость от окисления контактов

cdn.zecar.ru