Skip to content

Фотогалерея

  • Главная
  • Контакты

Схема 21124

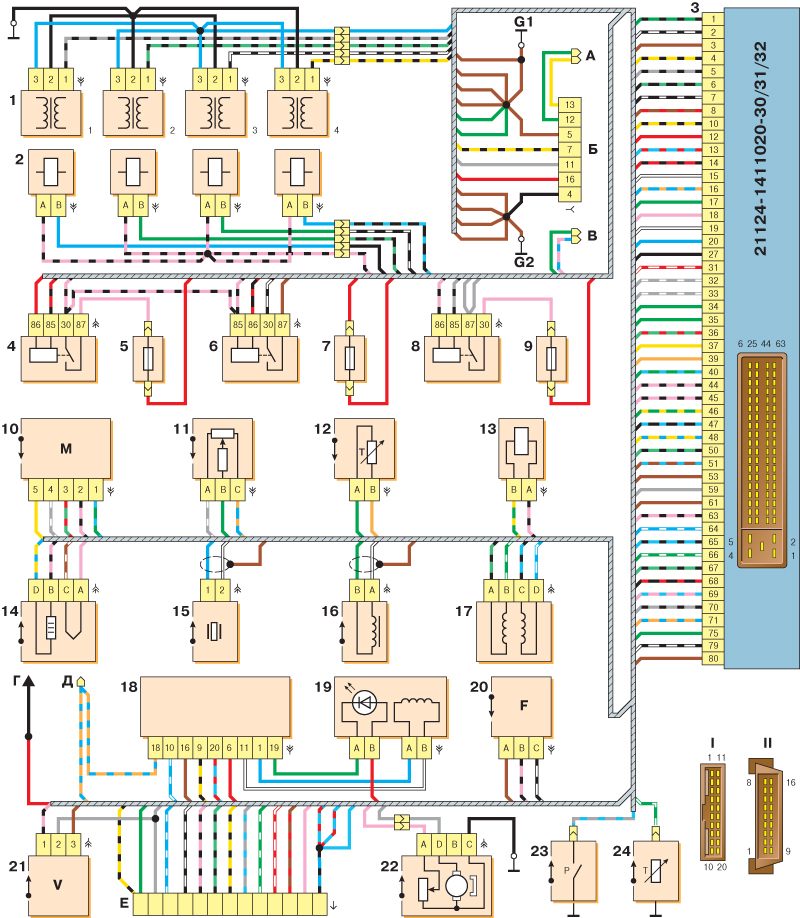
Схема системы управления двигателем (ЭСУД) ВАЗ-2113, 2114 и 2115

Двигатель ВАЗ 21124 16 клапанов: характеристики, устройство и схема

Двигатель ВАЗ 21124 16 клапанов: технические характеристики, устройство ...

Схема управления инжекторным двигателем 21124 (1,6i) ЕВРО III ВАЗ-2110 ...

Электрическая схема управления инжекторным двигателем ВАЗ 21124 (1,6i ...

Электросхема ВАЗ 21124 - схема электрооборудования

Электрическая схема автомобиля ВАЗ 21124 — wiCar

Ваз 21124 схема подключения генератора

Ваз 21124 схема подключения генератора

Двигатель ВАЗ 21124 16 клапанов: технические характеристики, устройство ...

Схема проводки ваз 21124 с европанелью

Схема проводки ваз 21124 с европанелью | Хитрости Жизни - Новый Logan

Электрическая схема ваз 21124

Схема ВАЗ 2110 16 клапанов

Электросхема ВАЗ 21124 - схема электрооборудования

Двигатель ВАЗ 21124 16 клапанов: технические характеристики, устройство ...

Электрическая схема ваз 21124

Схема проводки ВАЗ 21124, замена электропроводки своими руками ...

Схема электропроводки 2111

Схема проводки ваз 21124 с европанелью

Схема проводки ваз 21124 с европанелью

Заводская Схема Подключения Птф На Ваз 21124 С Европанелью - neonmarine

Предохранители ВАЗ 2110: схема блоков и реле на 2112, 2111, 21124 ...

Особенности устройства электронной системы управления двигателем 21124 ...

Схема системы охлаждения на ВАЗ-2112 16 клапанов инжектор: фото

Двигатель ВАЗ 21124 16 клапанов: технические характеристики, устройство ...

Tda8588aj схема включения - 92 фото

Схема аэропорта минеральные воды

Схема управления частотного преобразователя - 98 фото

Двигатель ваз 21124, технические характеристики, какое масло лить ...

Заказал вкусняшек) — ВАЗ-21124-28, 1,8 л, 2008 года | запчасти | DRIVE2

Сравнение характеристик 16-ти клапанных двигателей ВАЗ 21124 и ВАЗ ...

Особенности устройства электронной системы управления двигателем 21124 ...

Особенности устройства электронной системы управления двигателем 21124 ...

Особенности устройства электронной системы управления двигателем 21124 ...

  • Вперед Швеллер 8у гост 8240 97
  • Назад Травматизм при занятиях спортом

Новые страницы

Акт передачи печати организации образец

Алгебра 7 класс макарычев миндюк нешков суворова ответы гдз

Ariston pro1 r abs 120 v

Биография образец написания

Добрые дела картинки для презентации

Электросхема альбеа

Эстетичный зеленый фон для презентации

Франшиза каско что это

Гдз по математике 3 класс стр 26 задача 3

Гостиная венеция бтс

Из чего сшить чехол на чемодан

Как написать рецепт на лекарство образец на латинском

Картинка 6 в класс аватарка прикольная

Коклюш симптомы и лечение у взрослых

Кт837е характеристики

Куст малины картинка для детей на прозрачном фоне

Low washer fluid перевести

My money art картины

На дне бубнов прошлое

Обжалование протокола об административном правонарушении в рк образец

Odis engineering rus торрент

Онихэктомия цена

Пилот кафе рязань

Разводка электрики квартире работ

Рн47 расцепитель

Свияжские холмы гостиница маяк

Tda7851l datasheet

Тренировка кс 2

Три кота картинки пнг

Зарядить аккумулятор казань

cdn.zecar.ru