Skip to content

Фотогалерея

  • Главная
  • Контакты

Схема 18 6

Схема 18 6

Схема 18 6. Часы ив18 ардуино. Ив-18 индикатор схема подключения. Схемы на Ив-18. Ив-18 схема включения.

Схема 18 6. Локомотивный усилитель УК 25/50. Схема усилителя УК 25/50-МД. Усилитель кодов АЛСН УК 25/50 М. Схема локомотивного фильтра фл 25/75м.

Схема 18 6. Схема электрическая принципиальная тонометра Omron. Измеритель артериального давления ИАД 1 схема электрическая. Принципиальная схема цифрового устройства манометр. Схема измерителя LC-100a.

Схема 18 6. ТАДК-0.018 схема расположения.

Схема 18 6. Элементы и и или на МОП-транзисторах. Логическое и на диодах. ТЛНС – транзисторная логика с непосредственными связями. 6. Элементы МОП.

Схема 18 6. РСВ 13-18 схема подключения. Реле времени рсв18-13 схема подключения. Схема подключения реле рсв13-18 в Рза. Реле РСВ 13-18.

Схема 18 6. Золотая Орда государственный Строй население экономика культура. Золотая Орда государственный Строй экономика таблица. Схемы по истории. Экономика золотой орды схема.

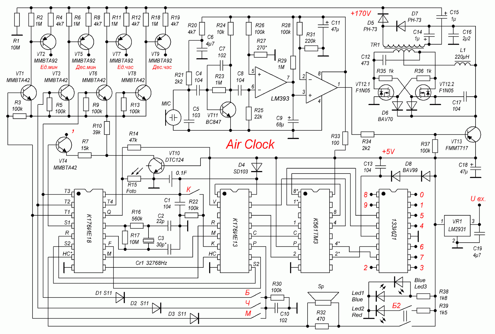
Схема 18 6. К176ие17 схема. К176ид2 схема. Микросхема к176ие12 Уго. Микросхема к176ие17 описание и схема включения.

Схема 18 6

Схема 18 6. Вл-54ухл4 схема. Рсв16-1-ухл4 схема подключения. Схема вл-6-11 ухл4. Реле времени вл-54 схема электрическая схема.

Схема 18 6. Схема подключения люминесцентных ламп 4х18. Схема подключения светильника с люминесцентными лампами 4х18. Светильник потолочный 4х18 схема подключения. Схема потолочного светильника с 4 люминесцентными лампами.

Схема 18 6. Схема организации рефлексии. Щедровицкого рефлексия. Схема рефлексии Щедровицкий. Схема мыследеятельности Щедровицкого рефлексия.

Схема 18 6. Регулятор напряжения на IGBT транзисторе схема. C3197 транзистор характеристики. Drv8801 схема включения. Схема управления IGBT транзистором.

Схема 18 6. Симметричные линии питания коротковолновых антенн. Симметричная линия питания антенны. Схемы коротковолновых антенн. Коротковолновые антенны схемы 2.

Схема 18 6

Схема 18 6

Схема 18 6

Схема 18 6. Схема электросоединений обмоток ЭМТ - 105. Секция обмотки в несколько параллелей. ДП соединение обмоток я1 н2 д2 н1. Ключи управления обмотками двигателя Тяни Толкай.

Схема 18 6. Часы на ив17 схема. Ив-22 схема включения. Ив 17 схема. Часы на Ив-22 схема.

Схема 18 6. V4a12 схема. Mid400 Datasheet. Wrb1212s-3wr2 схема включения. Amp-400lme схема.

Схема 18 6. Трансформатор т4-220-50вм схема. Трансформатор т2.2025.18 схема подключения. Трансформатор т4-220-50вм обмотки напряжение. Трансформатор т2.2025.05 схема подключения.

Схема 18 6. Интервальное голодание 18/6. Интервал голодания схема. Интервальное голодание схемы для начинающих. Интервальное голодание схемы для начинающих женщин.

Схема 18 6. ЭПРА 2х36 схема электрическая принципиальная. ЭПРА 2х18 схема электрическая принципиальная. Схема ЭПРА 4х18 принципиальная. Схема балансира для люминесцентных ламп.

Схема 18 6. Гарнитура ГСШ-А-18 схема электрическая. Схема подключения разъема 3.5. Гарнитура динамик микрофон Джек 3.5 схема. Схема подключения гарнитуры к штекеру 3,5.

Схема 18 6

Схема 18 6. Блок питания увлажнителя воздуха Polaris схема. Polaris PUH схема блока питания. Ультразвуковой увлажнитель воздуха NHL-200l схема. Увлажнитель воздуха UHB-205 схема электрическая.

Схема 18 6. Интервальное голодание 16/8 схема. Интервальное голодание схемы по часам 16/8 схема. Интервальное голодание для похудения схема. Интервальное голодание 16/8 схема по часам.

Схема 18 6. Морфемы схема. Морфемика схема. Корневые и служебные морфемы. Корневые морфемы.

Схема 18 6

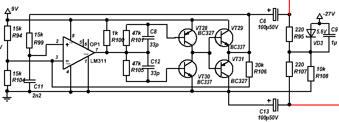
Схема 18 6. Электронные часы на к176ие18 к176ид3 на светодиодном индикаторе. Часы на к176ие18 и к176ид3. Микросхемы часы к176ие18 к176ие13 к176ид3. К176ие13 схема.

Схема 18 6. Схема укладки обмоток асинхронного двигателя 36 пазов. Схема обмотки статора 36 пазов. Схема соединений секций обмоток электродвигателя 1.5 КВТ. Схема обмоток электродвигателя 36 пазов 1000 оборотов.

Схема 18 6. 555ид4 схема включения. К555ид6 схема включения. Микросхема 555ид18. Преобразователи кодов155пр7.

Схема 18 6. Алгоритм поведения при радиационных авариях. Алгоритм действий при радиационной аварии. Алгоритм действий при радиационной аварии дома. Памятка "действия при аварии на радиационно опасном объекте.

Схема 18 6. Интервальное голодание 16/8 схема. Интервальное голодание 16/8 схема для начинающих. Интервальное голодание 16/8 схема Результаты. Интервальное голодание схемы питания.

Схема 18 6. Часы на лампах ин-18 схема. Ин-18. Ин-18 распиновка. Ин-18 схема включения.

Схема 18 6

Схема 18 6. Интервальное голодание схемы. Интервальное голодание 5/2 схема. Схема голодание интервальное голодание 16/8. Интервальное голодание 16/8 схема.

Схема 18 6. РП-18 реле. РП-16-1 схема реле. Реле РП-222 технические характеристики. Схема рп18-1 ЧЭАЗ.

Схема 18 6. Генератор импульсов из конденсатора. Генератор импульсов с длинной линией. Генератор частот. Генератор низкочастотный гамма.

Схема 18 6. Схема параллельного включения транзисторов. Последовательное включение биполярных транзисторов схема. Генератор импульсов на транзисторах. Генератор импульсов транзисторах MOSFET.

Схема 18 6. Шкаф дистанционной защиты ШДЭ 2801. Панель ШДЭ 2802. ШДЭ 2801. ШДЭ 2801 библиотека электромонтера.

Схема 18 6. Микросхемы часы к176ие18 к176ие13 к176ид3. Часы на к176ие12 к176ие3 к176ие4 со светодиодным индикатором. Схема часов на к176 электроника.

Схема 18 6. Зарядка al1814cv схема. Схема зарядное шуруповерта Bosch al1814cv. Схема зарядного устройства бош al1814cv. ЗУ Вымпел 20 принципиальная схема.

Схема 18 6. Схема радиодоступа. Системы фиксированного радиодоступа. Схема радиодоступа Информатика. Схема радиодоступа Старая.

Схема 18 6. ТТЛ микросхемы. Микромощные микросхемы. Схема проверки ТТЛ микросхем. Параметры ТТЛ И ТТЛШ.

Схема 18 6. Схема принципиальная электрическая блока питания ЖК телевизора. Блок питания телевизора Панасоник TC-21s1. Шасси TP.sk508s.pb802 service manual. Panasonic TC-21pm50r схема блока питания.

Схема 18 6. Когерер Попова схема. Когерерный приёмник Попова. Когерер в радио Попова. Схема приемника Попова.

Схема 18 6. Схема максимальной токовой защиты с реле РТ-40. Релейная защита кабельных линий 10 кв. Схема релейной токовой защиты на рт40. ЩАП-23 принципиальная схема.

Схема 18 6. Схема электрической цепи переменного тока разветвленная. Схема цепи синусоидального тока. Схема разветвленной цепи переменного тока. Расчет разветвленной цепи синусоидального тока.

Схема 18 6. ЭПРА для люминесцентных ламп 2х18 схема подключения. Схема ЭПРА 4х18. ЭПРА для люминесцентных ламп 4х18 схема. Схема подключения люминесцентных ламп 4х18.

Схема 18 6. Контроллер для инкубатора XM-18 схема подключения. XM 18s контроллер для инкубатора схема. Схема xm18. Инкубаторы с контроллером XM 18s.

Схема 18 6. Схема замедления срабатывания реле на 220в. Реле рп16-1-ухл4 схема принципиальная. РП 18 схема. Реле рп18 схема подключения.

Схема 18 6. Радиоприёмник а-18 ГАЗ 21 схема. Схема лампового авто приемника. Схема радиоприемника на ГАЗ 21. Схема лампового приемника Рига 6.

Схема 18 6. Гранит-навигатор-6.18 Эра-ГЛОНАСС распиновка. Гранит навигатор 2.07 схема подключения. Гранит навигатор 6.18 распиновка. Радиостанция гранит навигатор 6.18.

Схема 18 6. Зарядное устройство Интерскол уз 12-18/1.7 схема. Уз 12-18/1.8 Интерскол схема. Зарядное устройство Интерскол уз 12 18 18 схема. Зарядка шуруповерта Интерскол 12в.

Схема 18 6. Схемы расположения ограждающих конструкций и перегородок. Схема расположения конструкций на отм. 0,000. Схема ограждающей конструкции. План расположения ограждающих конструкций и перегородок.

Схема 18 6

Схема 18 6. Радиоприемник АТ 66 схема. Радиоприёмник а-18 ГАЗ 21 схема. Приемник Волга 21 схема. Схема радиоприемника на ГАЗ 21.

Схема 18 6. Схемы включения люминесцентных ламп с электронным балластом. Схема подключения светильника с люминесцентными лампами 4х18. Схема подключения люминесцентных ламп 4х18. Электронный балласт для люминесцентных ламп 4х18 схема.

Схема 18 6. Интервальное голодание 16/8 схема. Интервальное голодание схемы для начинающих. Интервальное голодание для похудения схема. Интервальное голодание схемы для начинающих женщин.

Схема 18 6. ЗУБР БЗУ-18 с1 схема. БЗУ-12 с1 схема. Структурная схема кодера MPEG-2. Структурная схема системы связи скремблер.

Схема 18 6. Схема часов на микросхеме к176 ие13. К176ие18. К176ид3. Часы на к176ие18 к176ие13 к176ид2 схема. Схемы часов на микросхемах к176. Схема электронных часов на микросхеме к176ие12.

Схема 18 6. К176ие18 без кварца. Часы на к176ие12 к176ие13 к176ид3 схема. К176ие12 схема. Делитель импульсов на к176ие8.

Схема 18 6. Радиотелефон РСВ-1. Схема реле РСВ 14. Ламповый радиотелефон РСВ-1. РСВ 18-11 схема.

Схема 18 6. Внутренняя схема счетчика электроэнергии. Принципиальная схема счетчика до 16. Схема счетчика электроэнергии Ленэлектро. Счетчик на принципиальной схеме.

Схема 18 6. Схема обмотки статора 36 пазов. Схема обмотки двигателя 3000 оборотов 24 пазов. Схема обмоток электродвигателя на 36 паза. Схемы соединения катушек электродвигателей 24 паза.

Схема 18 6. Часы на к176ие18 к176ие13 к176ид3 и светодиодах. Часы на 176ие18 схема. Часы на к176ие18 печатная плата. Часы на к176ие18 к176ие13 к176ид2 схема с ок.

Схема 18 6. К176ие18 схема включения. Часы на микросхеме ка1016хл1 на светодиодном индикаторе схема. Часы на микросхеме к176ие12. К176ие5 схема включения светодиодного индикатора.

Схема 18 6

Схема 18 6

Схема 18 6. Схема обмотки электродвигателя 380 вольт 36 пазов 750 об мин. Схема укладки обмоток асинхронного двигателя 36 пазов. Схема волновой обмотки 36 пазов. Схема обмотки однофазного электродвигателя sj160m 36 пазов 1000 об мин.

Схема 18 6. Реле РПУ-2м схема. Промежуточное реле 220в схема подключения. РП-16-1 схема реле. РПУ 1 реле схема подключения.

Схема 18 6. Feron el-19 схема. Feron светильники светодиодные схема. Светодиодный светильник Feron el14 схема. Схема лампы Feron.

Схема 18 6. Схема зарядки шуруповерта Калибр. ЗУ шуруповерта Калибр схема. Схема зарядки Интерскол уз9-18/1, 6. Интерскол уз 9-18/1.6 схема.

Схема 18 6. Интервальное голодание. Поинтервальное голодание. Индифириальное голодание. Интервальноегододание.

Схема 18 6. РСВ 13-18 схема подключения. Реле РСВ-13 схема подключения. Рсв16-1-ухл4 схема подключения. Реле РСВ-255.

Схема 18 6. Схема генератора г4-18а. Генератор ВЧ г4-18а схема. Генератор сигналов г4-18а схема. Электрическая схема генератора г4-18а.

Схема 18 6. РСВ 160 реле времени. Реле РСВ-160. Реле РСВ-255. РСВ 160 реле времени схема.

Схема 18 6. Интервальное голодание 16/8. Интервальное голодание схемы для начинающих. Интервальное голодание 16/8 схема. Интервальное голодание 20/4.

Схема 18 6

Схема 18 6. Схема оптико-акустический выключатель ва-11р. Датчик оптико-акустический ва-12 схема. Выключатель оптико-акустический ва-11р схема электрическая. Патрон оптико-акустический энергосберегающий са-20 схема.

Схема 18 6. ШИМ мультивибратор на транзисторах схема. ШИМ контроллер на мультивибраторе. Питание ШИМ без отдельной обмотки.

Схема 18 6. Схема ЭПРА для люминесцентных ламп 2х36. Электронный балласт 4х18 схема. Схема электрическая ЭПРА 2х18 ватт. Электронный балласт EB 2х36 схема.

  • Вперед Распечатать djvu
  • Назад Спасибо мария картинки

Новые страницы

337 Математика 6 класс виленкин

Алгебра 7 класс номер 870 мерзляк

Аутотренинг упражнения

Халва в турции

Изложение ледовое побоище

Как хранить керхер зимой в гараже

Как покрасить суппорта не снимая

Как поменять батарейку в ключе от лексуса

Карта даши путешественницы картинки

Карта осадков в новочеркасске

Картинки хищника шрама

Леонардо крючки для картин

Литературное чтение 3 класс рабочая тетрадь стр 47

Мальтоза реакция с бромной водой

Не срабатывает стартер при автозапуске

Обозначение швеллеров по гост 8240 97 на чертеже

Опель омега б масло в двигатель

Пропала искра рено логан причины

Размеры ступичного подшипника ваз 2109

Рэй чарльз слепой

Решебник английский 11 класс spotlight

Решебник по сусветной истории 9 класс

Рисунки по клеточкам в тетради легкие для 9 лет для девочек в тетради маленькие

Схема 18 6

Схема зубчатого механизма

Сид клаб

Уплотнение окон

Замена подшипника первичного вала ваз 2107

Замок турку финляндия

Зрительные тренировки

cdn.zecar.ru