Skip to content

Фотогалерея

  • Главная
  • Контакты

С2000 ethernet схема подключения

Инструкция использования с2000 бки

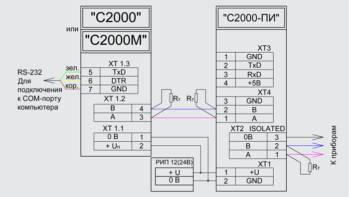
С2000 пи преобразователь интерфейса схема подключения

Преобразователи RS-232/485 в Ethernet, или как увидеть издалека

С2000 кдл настройка через uprog

С2000 2 подключение к компьютеру

С2000 пт инструкция для персонала обслуживающего

С2000-2 инструкция – Telegraph

С2000 ар1 исп 02 схема подключения

Организация канала интерфейса RS-232

Блок с2000 сп4 220 инструкция

С2000 2 Схема Подключения - tokzamer.ru

Организация канала интерфейса RS-232

С2000 Сп4 220 Схема Подключения - tokzamer.ru

С2000 кдл подключение к компьютеру

С2000-2 инструкция – Telegraph

Инструкция По Эксплуатации С2000-сп1 - Руководства, Инструкции, Бланки

С2000 Сп4 220 Схема Подключения - tokzamer.ru

С2000 2 Схема Подключения - tokzamer.ru

Удп 513 3м исп 01 схема подключения к с2000 2

Прибор с2000 пи инструкция схема подключения

Организация канала интерфейса RS-232

\"С2000-4 (-01, -02)\" / Pozhproekt.ru

С2000-кдл инструкция по эксплуатации – Telegraph

С2000 2 Схема Подключения - tokzamer.ru

Болид с2000 4 схема подключения

С2000 ар1 исп 02 схема подключения

С2000-2 Болид Контроллер доступа. Купить С2000-2 Болид со склада в ...

Скачать Шаблон C2000-Бки - canadianportal

Схемы подключения счетчиков по rs485

Преобразователи RS-232/485 в Ethernet, или как увидеть издалека

Настройка с2000 ethernet в режиме мастер слейв

Купить С2000-Ethernet - Преобразователь интерфейсов Болид

Организация канала интерфейса RS-485

С2000 2 Схема Подключения - tokzamer.ru

Инструкция Пульт С2000 - clanardens

  • Вперед Собрать пазлы фитнес для мозга
  • Назад Стартер не крутит двигатель

Новые страницы

48 Автобус маршрут схема

Автоэлектрик в южном бутово

Чем обработать лобовое от наледи

Что значит быть патриотом кратко 7 класс

Деми руссо италия

Фитнес хаус на савушкина

Форма экспорта

Гдз 3 класс вторая часть математика

Гдз по математике стр 61 номер 29

Гост р мэк 60617 db 12m 2015 графические символы для схем

Хохоев милан ахсарбекович травматолог

Кидзания в москве

Комод для бара

Массовые физкультурно оздоровительные спортивные мероприятия

Образец заявления в суд

Полис омс старого образца как выглядит

Просыпаюсь среди ночи вижу страшные картины текст песни

Простые электрические схемы для начинающих с пояснениями

Расчет клубочковой фильтрации

Ремонт квартир срочно

С2000 ethernet схема подключения

Сервисный центр делл

Спортсмены соперники

Стоматология в электростали

Татарские символы картинки

Uc3842 схема блока питания

Устройство топливного насоса инжекторного двигателя

Замена сайлентблоков солярис

Зарядка для батареек схема

Заявка поставщику на поставку товара образец

cdn.zecar.ru