Skip to content

Фотогалерея

  • Главная
  • Контакты

Рулевой механизм валдай устройство

Рулевое управление автомобиля

Рулевой механизм Гур Валдай | Festima.Ru – частные объявления

Рулевой механизм с гур Валдай (багу) | Festima.Ru - Мониторинг объявлений

Рулевой механизм: описание,виды,назначение,принцип работы ,устройство.

Рулевой механизм уаз патриот схема с описанием

Рулевой механизм с гидроусилителем — устройство (Хендай Туссан 1 2005 ...

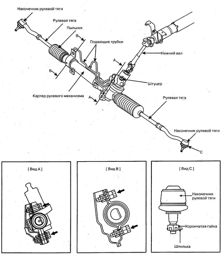
Рулевой механизм, карданный вал рулевого управления ГАЗ-33104 Валдай ...

Из чего состоит рулевой механизм: Рулевой механизм – назначение ...

ШНКФ 453461.200 Механизм рулевой ⋆ Купить в Беларуси по Лучшей Цене.

Купить Механизм рулевой Газ, Валдай в сборе с ГУР (дизельный двигатель ...

Рулевое управление, рулевой механизм: принцип действия, устройство, ремонт

Из чего состоит рулевой механизм: Рулевой механизм – назначение ...

Механизм рулевой газ-3310 Валдай с гидроусилителем купить в Москве БАГУ ...

Из чего состоит рулевой механизм: Рулевой механизм – назначение ...

Механизм рулевой с ГУР Г-33104 Валдай (БАГУ) ШНКФ 453461.200 купить в ...

Реечный рулевой механизм (винтореечный): устройство и принцип работы ...

Из чего состоит рулевой механизм: Рулевой механизм – назначение ...

Реечный рулевой механизм (винтореечный): устройство и принцип работы ...

Купить Механизм рулевой ГАЗ-3310 Валдай с гидроусилителем (ГАЗ, ГАЗЕЛЬ ...

Рулевой редуктор, гур, Газель, Соболь, Валдай ремо | Festima.Ru ...

Червячный рулевой механизм: устройство и принцип работы, тип управления ...

ВАЗ 2115 Рулевой механизм

Из чего состоит рулевой механизм: Рулевой механизм – назначение ...

Купить Механизм рулевой ГАЗель next (ГАЗ, ГАЗЕЛЬ,ВОЛГА,СОБОЛЬ,ВАЛДАЙ ...

Из чего состоит рулевой механизм: Рулевой механизм – назначение ...

Гур (механизм рулевой) камаз-4310 65115 с клапаном | Festima.Ru ...

Купить гидроусилитель руля ГУР Валдай ШНКФ 453461.200 | Renival

Реечный рулевой механизм – Рулевой механизм: описание,виды,назначение ...

Рулевой механизм зил 130 устройство: Рулевое управление автомобиля ЗИЛ-130

Рулевое управление легкового автомобиля - устройство, виды и назначение

Автомобиль ока устройство рулевой рейки

Механизм рулевого управления ГАЗ-3302 (ГАЗель) (Чертеж № 65: список ...

Механизм подъема 503

Купить Механизм рулевой ГАЗ-2217 с гидроусилителем ШНКФ.453461.120 (ГАЗ ...

Путин механизм войны № 4838 - YouTube

  • Вперед Заправка цветного лазерного принтера
  • Назад Акт внутреннего контроля качества медицинской помощи образец заполнения

Новые страницы

Брадикардия лечение в домашних условиях

Crm битрикс24 что это такое

Cx236ledm datasheet

Даташит на русском языке

Детекторный приемник своими руками схема

Дом отделанный сайдингом

Фитнес блоггеры девушки

Геоэкопроект

Гриспорт обувь купить

Хонда срв или ниссан кашкай

Исследователи равноускоренное движение и обработав данные получили представленную на рисунке

Как избавиться от бронхиальной астмы

Клещ демодекс лечение схема

Контракт чвк вагнера образец заполненный

Крона плита электрическая

На какой бирже лучше торговать акциями

Ночные бабочки москвы

Основные статьи экспорта россии

Печатка мужская на мизинец

Печатный бетон образцы

План производства работ на высоте по новым правилам образец 2023

Провод апв

Русский язык упр 292

Шурик тринадцатый подвиг геракла

Спорт без питания

Спортивные игры зимние и летние

Спортивный зал самбо

Теплосчетчик км 5 4

Упр 413 русский язык 8 класс

Волга сайбер описание

cdn.zecar.ru