Skip to content

Фотогалерея

  • Главная
  • Контакты

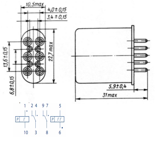
Рпс32а

РПС32А — купить в Красноярске. Состояние: Новое. Реле, тумблеры ...

Реле РПС-32Б п.220 РПС32А п.221 — купить в Красноярске. Состояние: Б/у ...

Реле рпс32А | Festima.Ru – частные объявления

Реле РПС32А РС4.520.219. Низкие цены. На складе в наличии.

Реле рпс32а радиодетали СССР | Festima.Ru – частные объявления

РПС32А РС4.520.221 реле >> 201 шт недорого купить

Рпс32А рс4.520.224 | Festima.Ru - Мониторинг объявлений

РЕЛЕ РПС32А, РПС32Б - Электро-Бум

Рпс32а купить в Москве | Электроника | Авито

Рпс32а купить в Москве | Электроника | Авито

Реле рпс32А времен СССР | Festima.Ru – частные объявления

РПС32А РС4.520.222 реле >> 215 шт недорого купить

РПС32А РС4.520.219 реле >> 193 шт недорого купить

РПС32А РС4.520.217 реле >> купить недорого

Реле РПС32А паспорт 221 купить в Энгельсе цена 200 Р на DIRECTLOT.RU ...

РПС32А РС4.520.212 реле >> 231 шт недорого купить

РПС32А РС4.520.217, цена, описание

РПС32А РС4.520.208 2 перекл. 27VDC Реле, 2020г (арт. KP-8235) купить в ...

Купить Реле рпс32А п.224, цена 80 грн — Prom.ua (ID#624468358)

رله روسی (RPS32A) РПС32А РС4.520.224 - روسی پارت

РПС32А РС4.520.224, цена, описание

Реле рпс32а купить в Новосибирске | Товары для дома и дачи | Авито

РПС32А РС4.520.224 /Реле. 1980/87г/ - Продажа авиационной ...

Купити РПС32а п.221 реле, ціна 90 грн - Prom.ua (ID# 1792643682)

Поляризоване Реле РПС32А пасп. 219 5,4 7,2 В..., ціна 114 грн — Prom.ua ...

رله | Relay РЭС8 РС4.590.050 - فروشگاه فناوران قلب تبریز

РПС32А-ОС РС4.520.224 реле купить в Москве - Биржа оборудования ProСтанки

Радиодетали Реле разные купить в Перми | Электроника | Авито

Реле типів РЕС, РЕН, РПС, РКН, ДП, РМ, РП,РНЕ, КНЕ, РПУ, РПГ, ТРТ, ТРН ...

Реле рпс32 купить | Хобби | Festima.Ru – частные объявления

Поляризованное реле DSP1a-L2-DC5V, рпс32 | Festima.Ru – частные объявления

Скупка Радиодеталей, приборов СССР, объявление в разделе Промышленность ...

Реле РПС32А паспорт 224 - купить Харьков Украина 3v3.com.ua

Реле — фото-каталог | скупка, покупка радиодеталей

РПС32А РС4.520.222 реле >> 215 шт недорого купить

  • Вперед Звуковая схема 2.1
  • Назад Синтез логических схем

Новые страницы

Анализ спортивных занятий

Чермен с днем рождения картинки

Датчик температуры всасываемого воздуха признаки неисправности

Дпр 42 н1 03 характеристики

Дверной замок edson устройство

Дворец трубецких

Электрический опрессовочный насос

Есть на ночь после тренировки

Гадальная карта ничто пое

Гдз контурная карта по географии 9 класс вентана граф таможняя

Карта вселенной 3d со всеми галактиками

Корпоративное питание компании москвы

Начальник юридического отдела

Образец заявления о расторжении брака в суде

Остекление балкона пластиковыми окнами

Отказ родителей от пмпк образец заявление

Отключился спидометр на гранте

Пляж активный

Показать схему зарядки аккумулятора

Прошивка приставки dvb t2

Психотерапевт тукаев рашит джаудатович

Раскраски про спорт для детей

Русич спортивные костюмы купить

Схема зала театра на ордынке

Шиномонтаж молодечно

Спорт развивает характер

Стеллажная карта в аптеке образец заполнения

Таблица по географии 8 класс восточно европейская равнина

Тн приложение 4 образец заполнения с печатями

Уничтожение тараканов в москве

cdn.zecar.ru