Skip to content

Фотогалерея

  • Главная
  • Контакты

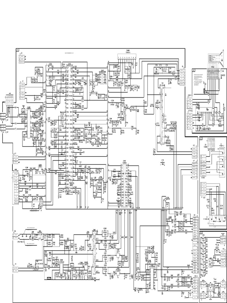
Rolsen c25r21 схема

China Rolsen-C2192 Tda9353ps, Lm317t, Tda8357j, Tda8944j, Tda9859 | PDF

Телевизор Rolsen – купить в Волжском, цена 2 000 руб., дата размещения ...

User manual Rolsen T-2084TSF (8 pages)

ROLSEN RL-26D50D Service Manual download, schematics, eeprom, repair ...

ROLSEN RL-26D50D SM Service Manual download, schematics, eeprom, repair ...

TCL DT-1406G ROLSEN C2160,C21R65,C2165,C21R65 SCH Service Manual ...

ROLSEN 21C19/PF21C19 SERVICE MANUAL Pdf Download | ManualsLib

Rolsen RL-32X11 Инструкция по эксплуатации онлайн [231/244] 26644

Rolsen RL-32X11 [119/244] Collegamento ad un apparec

Rolsen c25r21 схема

Парктроник Rolsen RPS-100B — 30 б.р. — AVTOTIME на DRIVE2

Rolsen C21sr Сервисная Инструкция - transmanager

Rolsen D29r55t Схема И Руководство Пользователя - zavodcookie

Rolsen RL-16L12 схема

Rolsen RL-22B01 схема

Rolsen 102G 4x45Вт Инструкция по эксплуатации онлайн [1/14] 310824

Блок питания ROLSEN 190 Вт схема

Rolsen RL-26X20 схема блока питания

Rolsen RL-26B01 схема и мануал

Пульт Rolsen K11F-C9 | Воронежпульт

Rolsen RL-32X20 схема и мануал

Rolsen RL-26D50D схема блока питания

Rolsen RL-24A09105F схема источника питания

ROLSEN C2135 Service Manual download, schematics, eeprom, repair info ...

Rolsen RL-22E1504FT2C схема источника питания

ROLSEN RC-752 Service Manual download, schematics, eeprom, repair info ...

пошагово

ROLSEN RL-19B01. Ремонт, схема, сервис

Rolsen D29r55t Схема И Руководство Пользователя - statyaready

Rolsen RL-42A700F3D схема и мануал

Rolsen RL-20D40 Инструкция по эксплуатации онлайн

Rolsen KS-2915 [3/8] Жк дисплей

ROLSEN C-2116 Service Manual download, schematics, eeprom, repair info ...

Rolsen C29R88 PLATINUM шасси PX20081

ROLSEN C1420 C2120 Service Manual download, schematics, eeprom, repair ...

  • Вперед Английская резинка схема
  • Назад Сканирование схем

Новые страницы

2Рмт22кпэ4г3в1в

Alpine cde 178bt настройка звука

Английский язык 5 класс учебник страница 69 номер 7

Числительные склоняются

Джентра или ниссан альмера

Эвлк вен нижних конечностей

Гомологами метанола являются

Коста рика кухня

Котенок васька сидел на полу и ловил

Новинки лукьяненко

От чего у верблюда горб читательский дневник

Отступник бурных наслаждений

После продажи квартиры нужно ли платить налог

Рассмотрите изображение и выполните задание укажите год когда произошло событие юбилею которого

Рассмотрите три изображения к какому виду искусства относятся изображения

Rolsen c25r21 схема

С днем рождения мужчине музыканту картинки с пожеланиями

Самый быстрый серийный автомобиль

Схема блока питания магнитолы

Схема оранжереи

Шов оверлок вручную схема

Сочинение печорин и бэла

Тату эскиз мишень

Теплосети аварийная

Уличная мойка для посуды на даче своими руками с расчетами и схемой

Вега эп 110 стерео схема электрическая принципиальная

Воспрянуть духом синоним

Занятие спортом в зале

Заявление на увольнение с последующим увольнением образец

Заявление о переводе в другое подразделение внутри организации образец

cdn.zecar.ru