Skip to content

Фотогалерея

  • Главная
  • Контакты

Ремонт зеркал заднего вида мазда

Ремонт зеркал заднего вида — Volvo XC60 (1G), 2,4 л, 2010 года | своими ...

Зеркало заднего вида перестало складываться автоматически? Ремонт ...

Ремонт зеркал заднего вида — Ford Focus II Hatchback, 1,6 л., 2008 года ...

ремонт зеркал заднего вида — KIA Retona, 2 л, 2003 года | кузовной ...

Ремонт зеркал заднего вида, часть 1 — Saab 9-5, 2,3 л, 2006 года ...

Зеркало заднего вида перестало складываться автоматически? Ремонт ...

Ремонт зеркал заднего вида, замена тормозных шлангов и цилиндров в ...

Ремонт зеркал заднего вида Volvo в Москве | Услуги | Авито

Ремонт зеркал заднего вида лада гранта

Ремонт зеркал заднего вида. Комплексный ремонт. Продолжение… — Peugeot ...

Ремонт зеркал Mazda, выездной ремонт в Москве | Услуги | Авито

Мазда СХ-5 камера заднего вида с динамическими линиями разметки - YouTube

Ремонт Зеркала заднего вида Мазда 6 GJ(болезнь ма6ек) - смотреть видео ...

Proč mají boční zrcátka v autě přihrádku?

Распиновка боковых зеркал заднего вида

Ремонт зеркал заднего вида. Часть 1. П.С. нужна помощь — KIA Soul (1G ...

Комплект зеркал AMG Лада Самара 2113 / 2114 / 2115 черные неокрашенные ...

Настройка зеркал заднего вида. — Центральная Раменская Автошкола

Поворотная втулка для бокового зеркала Hyundai KIA на KIA Ceed (2G ...

Установить, заменить, вклеить зеркало заднего вида | ТОО \"ЗСК\" | «Завод ...

Как поставить зеркало на мерседес

Прадо 150 - ремонт бокового зеркала

Зеркала заднего вида на грузовиках: требования к установке зеркал ...

Ремонт зеркал заднего вида: Ремонт зеркала заднего вида – как разобрать ...

Ремонт зеркал заднего вида: Ремонт зеркала заднего вида – как разобрать ...

Установка камеры заднего вида Мазда СХ-5 1 и 2 (КЕ, KF) к штатной ...

M. Схема включения электропривода наружных зеркал заднего вида (Мазда ...

Мазда 6. Регулировка зеркал заднего вида. Mazda 6 / f8f7e5

Поворотная втулка для бокового зеркала Hyundai KIA на KIA Ceed (2G ...

Не работает обогрев зеркала заднего вида причины

Установка врезной камеры заднего вида - 81 фото

как подключить камеру заднего вида к монитору компьютера напрямую

Зеркало заднего вида правое Mazda 6 Мазда 6 | Festima.Ru - Мониторинг ...

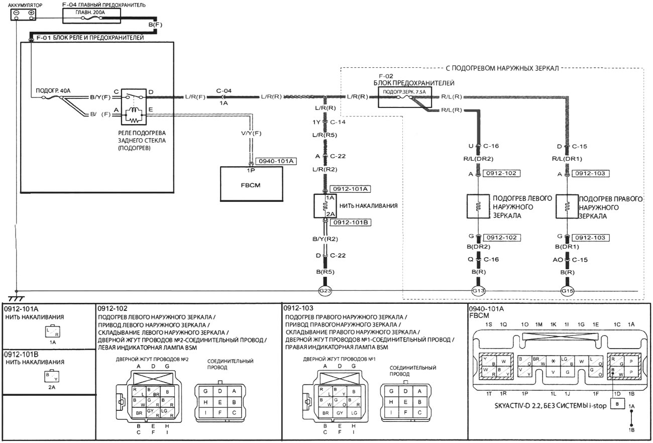
Подогрев заднего стекла и наружных зеркал (Мазда CX-5 KE 2012-2017 ...

Снятие и разборка бокового зеркала заднего вида на Киа Соренто II.(Kia ...

  • Вперед Как правильно заполнить резюме на работу образец бланк пример заполнения
  • Назад 6Кл математика мерзляк учебник гдз

Новые страницы

Аэратор для смесителя воды

Английский язык 3 класс тренажер ответы

Английский язык стр 106 номер 2

Бмв 8i

Чаки чиз пицца

Цикл развития хламидомонады схема развития

Электрик в колпино

Физика кирик 9 класс гдз

Гдз по инглишу 3 класс 2 часть

Gril ultra gel гель для чистки печей и грилей eco profchem

Грм паджеро спорт 2 дизель

Карта мира со странами и их столицами крупно на русском

Карта партнера скачать образец в word

Картинка самолайк со слоном

Картинки из игры сталкер тень чернобыля

Ква перевод в амперы

Математика 3 класс стр 68 2

Московский политехнический институт официальный сайт

Образец письма в суд о рассмотрении дела без моего участия

Образец заполнения опись представленных документов в фсс

Оранжерея таврического сада санкт петербург

Приказ о создании комиссии по закупкам по 44 фз образец на 2023 года

Проект птицы крыма

Ремень грм оригинал или аналог

Схема заслонок печки

Шумерские города государства 5 класс история картинки

Сколько весит фольксваген поло

Спортивные секции в московском

Труба электросварная гост 10704 91

Втб тамбов официальный сайт тамбов

cdn.zecar.ru