Skip to content

Фотогалерея

  • Главная
  • Контакты

Rda3118e28 datasheet

D类伴音功放芯片RDA3118E28 - 家电维修资料网

Купить RDA3118E28 стерео усилитель D-класса RDA3118 TSSOP-28 унч

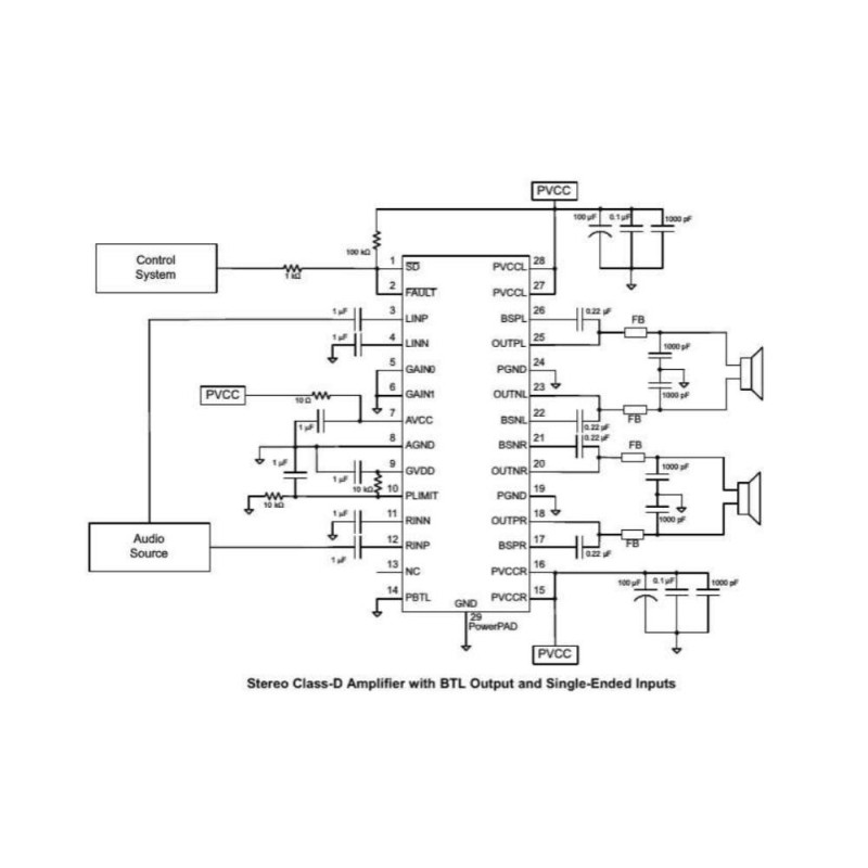
Tda4600 2 схема включения - 90 фото

Rda3118e28 Datasheet Pinout | idf555.com

Circuito Integrado Amplificador Audio RDA3118E28 - Circuito Integrado

Dr-15-24 Din Rail Power Supply 24v Buy Dve Switching Power, 50% OFF

Rda3118e28 Datasheet Pinout | idf555.com

Rda3118e28 Circuit Diagram

2pcs/lot Rda3118e28 Rda3118e Tssop28 New Original - Speaker Accessories ...

Rda3118e28 3118e28 Rda3118 | Meses sin intereses

short # audio amplifier IC Rda3118e28. - YouTube

Jual RDA3118E28 RDA3118 di Lapak omegaelektronik | Bukalapak

TAS5630 Project Prototype Schematic + DIY PCB from PDF - YouTube

Купить RDA3118E28 стерео усилитель D-класса RDA3118 TSSOP-28 унч

Reemplazo RDA3118E28 por TPA3110D2 - YouTube

RDA3118E28 CIRCUITO INTEGRADO SALIDA AUDIO PANTALLA TV

rda3118e28 | Niechanowo | Kup teraz na Allegro Lokalnie

Jual New Original RDA3118E28 RDA 3118 E28 RDA3118 TSSOP-28 IC ...

TPA3118 PBTL Mono Digital Power Amplifier Board 1X60W - Toko Komponen ...

tpa3116 amplifier circuit diagram - Wiring Diagram and Schematics

DFTV Service Shop - CIRCUITO INTEGRATO RDA3118E28

D类伴音功放芯片RDA3118E28 - 家电维修资料网

Jual RDA3118E28 RDA3118 RDA 3118 Tssop-28 IC SMD Audio Amplifier ...

D类伴音功放芯片RDA3118E28 - 家电维修资料网

Es8388 esp32

Telefunken tf-led24s48t2 нет звука Ремонт | Лайфхаки по ремонту ...

Telefunken tf-led24s48t2 нет звука Ремонт | Лайфхаки по ремонту ...

D类伴音功放芯片RDA3118E28 - 家电维修资料网

RDA3118E28 CIRCUITO INTEGRADO SALIDA AUDIO PANTALLA TV

RDA3118E28/ RDA3118E28 RDA3118 TSSOP-28 | Lazada.co.th

RDA3118E28 стерео усилитель RDA3118 TSSOP-28 (ID#1283611719), цена: 73. ...

5 cáilốc mới rda3118e28 Bộ khuếch đại công suất âm thanh RDA ...

D类伴音功放芯片RDA3118E28 - 家电维修资料网

Rda3118 Rda3118e28 5ชิ้น/ล็อต Tssop-28ชิป Ic ใหม่ | Lazada.co.th

RDA3118E28 RDA3118, 5pcs 새로운 재고|퓨즈| - AliExpress

  • Вперед Изготовление флагов с логотипом на заказ спб
  • Назад Карта лвпц вологодской области

Новые страницы

15 Дюймовый монитор

Бригада строительно монтажные работы

Частные объявления по уборке квартир в москве

Чем занимается психотерапевт

Что такое кривая толерантность в биологии

Флаеры на скидку образец

Гдз по алгебре 7 класс макарычев номер 373

Гдз по математике 5 класс упражнение 995

Горит панель приборов при выключенном зажигании

Как нумеровать рисунки в дипломе

Каметова милана кто ее родители

Канатная дорога в геленджике сафари парк

Карта пятерочки и перекрестка это одно и тоже или нет

Книга тяжелый песок

Контурная карта республики алтай

Лада калина или матиз

Логические таблицы для дошкольников в картинках

Маз 6403 насос заменить самостоятельно

Объявление на продажу дома образец

Пап мама я спортивная семья

Почему уголь активированный называется активированным

Предохранители ваз 2113 инжектор

Решение для ооо с одним учредителем образец

Схема предохранителей ваз 2115 инжектор 8

Сиденья приора схема

Тиристор 320

Тренировочный вариант 2 фипи математика огэ 2024

Турция кожаные куртки

Заходер джонни

Заключение сэс на помещение

cdn.zecar.ru