Skip to content

Фотогалерея

  • Главная
  • Контакты

Ремонт мотоблока мтз 05

Все доработки мотоблока МТЗ-05. - YouTube

Ремонт мотоблока МТЗ, оснастка и запчасти для мотоблоков

Ремонт мотоблока МТЗ / ЗАМЕНА СЦЕПЛЕНИЯ, ПОДШИПНИКОВ, ПОРШНЕВОЙ. - YouTube

Мотоблок МТЗ-05 - технические характеристики и устройство

РЕМОНТ МОТОБЛОКА ХА 31Е (які бувають різні мотоблоки) - YouTube

Мини трактор из мотоблока МТЗ 05. - YouTube

Продам фрезу мотоблока МТЗ-05-06: 17 000 грн. - Навісне та додаткове ...

Ремонт мотоблока: специфические особенности работы

Про плуг мотоблока МТЗ. Кривой с завода. Устранение проблем. - YouTube

Мотоблок каскад инструкция по ремонту – Telegraph

Мотоблок мтз 05 ремонт двигателя

Мотоблок МТЗ 05 технические характеристики, двигатель, цена, отзывы ...

Прицеп для мотоблока мтз - 05 | Festima.Ru - Мониторинг объявлений

Самосвальный прицеп для мотоблока МТЗ-05 . Своими руками . - YouTube

Фреза для мотоблока МТЗ 09Н пошагово

Minimehanik: Ремонт магнето для мотоблока МТЗ 05, 06, 12. Магнето М 151 ...

МОТОБЛОК МТЗ-05 ОТЗЫВЫ - nashikolesa.ru

Minimehanik: Ремонт сморгоньской фрезы фр-00010 для мотоблока МТЗ.

ремонт мотоблока Мотор Сич / не набирает обороты - YouTube

Мотоблок МТЗ-05 фрезеровка почвы . - YouTube

Сборка кпп мтз 82 крупным планом пошагово

Купить Комплект КПП для мотоблока МТЗ (4 шестерни, шток, вал) по ...

КОРОБКА ПЕРЕДАЧ МОТОБЛОКА МТЗ-05 ВИДЕО РЕМОНТ - MTZ-80.RU

Ремонт двигателя мотоблока в сервисе ZIP-Agro в Чишмах и Уфе

Мотоблок МТЗ-05. Ремонт КПП. Отвернулось крепление двигателя. - YouTube

КОРОБКА ПЕРЕДАЧ МОТОБЛОКА МТЗ-05 ВИДЕО РЕМОНТ - MTZ-80.RU

Мотоблок МТЗ-05: Муфта сцепления

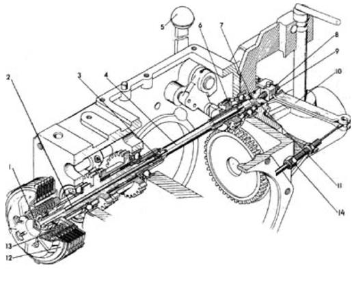
Мотоблок МТЗ-05: Устройство и работа мотоблока

Мотоблок МТЗ-05 - технические характеристики и устройство

Ремонт мотоблока МТЗ, оснастка и запчасти для мотоблоков

КОРОБКА ПЕРЕДАЧ МОТОБЛОКА МТЗ-05 ВИДЕО РЕМОНТ - MTZ-80.RU

Ремонт мотоблока каскад своими руками - YouTube

Схема ремонта КПП МТЗ 82. Самостоятельная разборка коробки

Замена двигателя мотоблока МТЗ 05 с переходной плитой на 13 л.с. - YouTube

Фрезы Гусиные Лапки Для Мотоблока МТЗ (Беларус) | Купить

  • Вперед Московская глазная клиника москва
  • Назад Квадратная скатерть крючком со схемами

Новые страницы

Черные спортивные брюки

Изложение рябинушка

Какая технология экрана смартфона лучше

Каковы основные преимущества электронной почты перед обычной почтой

Кд202ж характеристики

Китайская популярная музыка

Клеопатра картина гобелен

Конкурс рисунков вместе ярче

Квартиры посуточно в нижнем тагиле

Математика второй класс рудницкая вторая часть

Мерседес гтс

Металлические двери в балашихе с установкой

Мир головоломок смарт тренинг для дошкольников

Номер 760 по алгебре 8 класс

Поезд ласточка в нижний новгород из москвы

Презентация наш демографический портрет география 8 класс полярная звезда

Приказ о результатах проведения инвентаризации образец

Приора не заводится из за иммобилайзера

Регулировка редуктора ловато с одним винтом

Решение балансовой комиссии образец

Схема магнитного пускателя двигателя

Шкала либовица

Спортивный комплекс снежинка

Спотлайт 10 класс учебник гдз с переводом

Стартер киа спектра ижевск

Стр 62 номер 4

Ups 32 80 f

Ветреный 47 русском языке

Винт с гайкой кинематическая схема условное обозначение

Вулкан в исландии эйяфьятлайокудль последнее извержение

cdn.zecar.ru