Skip to content

Фотогалерея

  • Главная
  • Контакты

Ремонт двигателей тракторов

Капитальный ремонт двигателей тракторов и спецтехники

Капитальный ремонт дизельных двигателей тракторов

Капитальный ремонт двигателей тракторов и спецтехники

Капитальный ремонт двигателей для тракторов New Holland F3BFA613

Силтри-Агро, Минск – Возможности цен импортера! Цены на Шины ALLIANCE ...

Капитальный ремонт двигателей для тракторов New Holland F3BFA613

ФОП БОЖОК

СЭК - 23.02.07 Техническое обслуживание и ремонт двигателей, систем и ...

Статья на тему | Работы при капитальном ремонте скважин

Ремонт топливного насоса тракторов по цене от 20 рублей

Ремонт оборудования парогенераторного цеха

Тур 3 ГП-МФС - ГСП Ремонт

Ремонт сельхозтехники. CanAgro - технический ремонт тракторов и погрузчиков

Капитальный ремонт и модернизация тракторов Т-150К, Т-156, Т-16, Т-40 ...

Радиаторы для тракторов и комбайнов, погрузчиков и спецтехники - Силтри ...

Сочленение первичных двигателей с генераторами в агрегатах передвижных ...

Сочленение первичных двигателей с генераторами в агрегатах передвижных ...

Продажа авто-тракторных запчастей, ремонт дизельных двигателей - Home

Сочленение первичных двигателей с генераторами в агрегатах передвижных ...

Сочленение первичных двигателей с генераторами в агрегатах передвижных ...

Сочленение первичных двигателей с генераторами в агрегатах передвижных ...

Вал первичный в крышке 33106-1701022 на ГАЗ-33106 Евро 3 - Схема ...

Главный цилиндр тормоза педаль и привод на ГАЗ-66 (Каталог 1983 г ...

6520-3747001-24 Установка реле на КамАЗ-6522 (Euro-2, 3) - Схема ...

Раздаточная коробка на МЗКТ-74131 - Схема, каталог деталей, стоимость ...

Гидрораспределитель на КамАЗ-6522 - Схема, каталог деталей, стоимость ...

Делаем ремонт экскаваторов гусеничных в Няндоме

Крепление топливопроводов подогревателя 6501B5-1015004 на МАЗ-5440B5

Передние рессоры и амортизаторы передней подвески на ГАЗ-53 А - Схема ...

Установка переключателей на рулевой колонке 6430-3700084 на МАЗ-5440B5 ...

4310-4501014 Редуктор лебедки в сборе на КамАЗ-43501 (4х4) - Схема ...

5299-3718370 – Установка блока коммутации на НефАЗ-5299-10-42 - Схема ...

Установка панели приборов на УРАЛ-4320-6951-74

Привод стеклоочистителя 6430-5205500-010 на МАЗ-5440B5

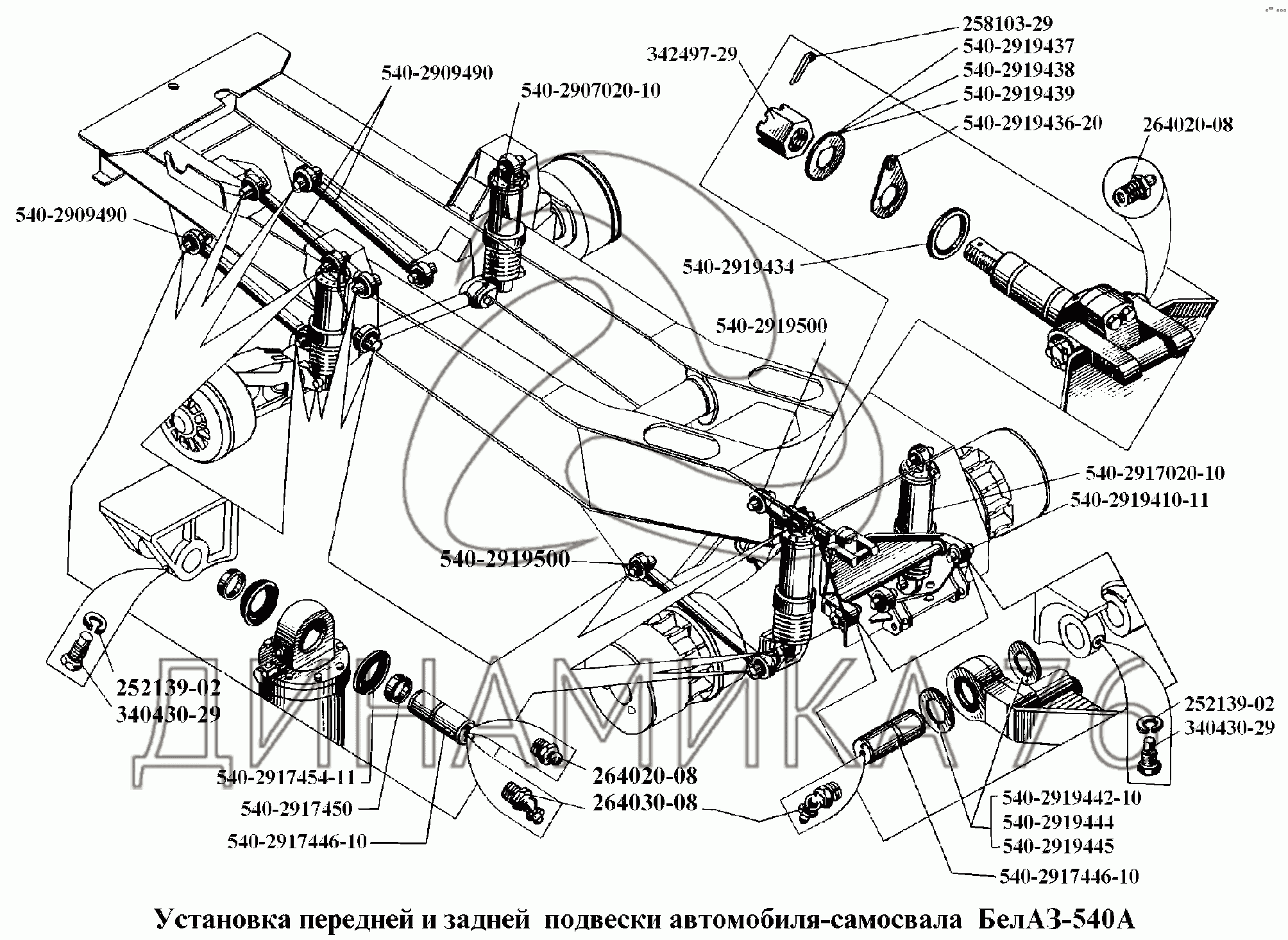
Установка передней и задней подвески автомобиля-самосвала БелАЗ-540А на ...

  • Вперед Братская гэс карта
  • Назад Фитнес хаус спб сколько стоит

Новые страницы

Автоцентр вист моторс киа на волгоградке

Что такое деление в математике

Фразеологизм верста

Гиперпрессованная плитка фасадная монтаж

Ирина махонина

Как называется пленка с пупырышками

Какие налоговые льготы предусмотрены

Китай острова

Курортное лечение

Longlife power

Номер 1128 по математике 6 класс

Норма гсм на газель

Пляж крылья балтики в адлере карта

Подшипники в генераторе

Презентация благотворительный фонд подари жизнь

Приказ о смене фамилии в связи с заключением брака образец

Рамка спорт

Распиновка датчика кислорода 4 контакта

Распиновка датчика коленвала ваз 21 10

Разбор прилагательных как часть речи 4 класс образец

Размещение рекламы на авто

Reebok производители спортивных товаров сша

Резина алл терран

Русский язык 5 класс номер 550

Схема отмотки спидометра

Схема подключения генератора москвич

Схемы больших предложений

Схемы генератора хонда

Строение атомов магния и кальция

Светильники айсберг

cdn.zecar.ru