Skip to content

Фотогалерея

  • Главная
  • Контакты

Релюшки

Релюшки в наличии! — Volkswagen Golf Mk3, 1,8 л, 1993 года | запчасти ...

Ремонт люка. Часть вторая — Audi 100 (C4), 2,3 л, 1991 года ...

Всегда в машине должны лежать релюшки и преды — Toyota Camry (XV10), 3 ...

Такие похожие релюшки. — DRIVE2

почти все уже стоит на своих местах — Lada 21033, 1,6 л, 1978 года ...

Релюшки — Volkswagen Jetta II, 1,3 л, 1984 года | своими руками | DRIVE2

Реле Задержки включения для доп. приборов РЕГТАЙМ1-12-(0-60 ...

Гнёздышко для релюшки — Suzuki Jimny, 1,3 л, 2013 года | электроника ...

Реле - Продам-Отдам, Услуги - Форум по радиоэлектронике

Всякие умные релюшки от "Автофишки" — Lada Ларгус, 1,6 л, 2014 года ...

Релюшки)) — ЗАЗ 965, 0,7 л, 1965 года | аксессуары | DRIVE2

Переделка китайского RF-реле в Sonoff RF - Sprut.AI

Борьба с перегревом. Замена неисправной релюшки. — Chevrolet Niva (1G ...

Засада с дворниками — Volkswagen Passat B3, 1,8 л, 1988 года | другое ...

Реле - Продам-Отдам, Услуги - Форум по радиоэлектронике

Реле мать их шлёп 😁 — Opel Astra G, 1,8 л, 2002 года | расходники | DRIVE2

= Opel Omega РЕЛЕ ЗАРЯДКИ ЗАМЕНА РЕЛЮШКИ®️ - YouTube

Реле люка и подьемников — Audi 80 (B4), 2 л, 1994 года | своими руками ...

Установка нового РР Астро, предов и релюшек на фары — ЗАЗ 968, 1,2 л ...

Ремонт реле "30" (блока управления двигателем) — Volkswagen Golf Mk3, 1 ...

Мастерская - магазин Ardu-Shop.ru (ЯрДуино) | Нам надоело ждать хорошие ...

#самодельничество замена релюшки поворотников на матиз, предохранители ...

Приятные моменты Часть №4 — ЛуАЗ 969, 1,6 л, 1991 года | запчасти | DRIVE2

Радиодетали СССР

"золотое правило" #18 — Lada 21124, 1,6 л, 2005 года | поломка | DRIVE2

Реле приоритета для управления нагрузкой: принцип работы, схема

Вежливое реле поворотов для Subaru (и не только) — Subaru Legacy (BL/BP ...

Фотореле своими руками. Ремонт фотореле. Сфера применения

ЗИП в Ниву или возимое барахло — Lada 4x4 3D, 1,6 л, 1981 года ...

Включение печки с сигнализации — Lada 21074, 1,6 л, 2010 года | тюнинг ...

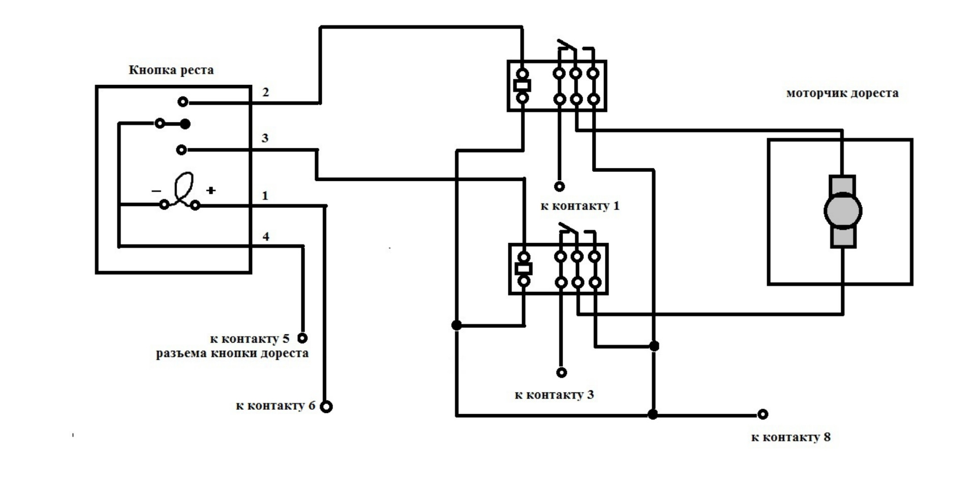
Рестайлинг дореста. Часть 1. Кнопки стеклоподьемников — Land Rover ...

Реле - Продам-Отдам, Услуги - Форум по радиоэлектронике

Нужна помощь по ЦЗ(РЕШЕНО) — Mazda 323 IV, 1,3 л., 1991 года | другое ...

О 4рёх контактном релле ))) — Lada 4x4 3D, 1,7 л, 1994 года | просто ...

самый дорогой ремонт реле поворотников — DRIVE2

  • Вперед Гдз по русскому языку стр 92 упр 3
  • Назад Гдз по русскому языку 3 класс гдз котэ

Новые страницы

6 Bit 1 jan ldvs кабель распиновка

Додж магнум википедия

Дождь звуковая схема

Гдз математика 6 класс мерзляк номер 769

Гдз по математике 6 класс 2 часть виленкин номер 224

Гдз по русскому 10 власенков рыбченкова

Как увеличить температуру срабатывания термостата

Картина спортивная школа сочинение

Катя и кирилл беременна в 16 после проекта саратов

Клинит втягивающее реле стартера

Королла или авенсис что экономичнее

Кран фланцевый ду25

Кто ваш любимый спортсмен

Неспелыми ягодами

Описание индийского океана и атлантического океана по плану 6 класс география

Папа сережи и нади нарисовал древних богов в честь которых названы планеты солнечной системы

Парень с москвы

Перо беркута

Предохранитель с плавкой вставкой

Работа на проектах в москве

Рисунки на свободную тему 6 класс легкие на изо карандашом поэтапно для начинающих

Схемы вышивки чайников

Служебная докладная записка образец

Soho rooms москва

Толмачево схема аэропорта внутренние рейсы

Укладка печи

Установка вентилятора в ванной комнате

Выздоравливайте поскорее картинки красивые для женщины с пожеланиями

Все на субботник картинки с призывом

Заявление в жкх о перерасчете коммунальных платежей образец

cdn.zecar.ru