Skip to content

Фотогалерея

  • Главная
  • Контакты

Регулировка карбюратора шкода фелиция

Регулировка Карбюратора Шкода Фелиция

Регулировка карбюратора и настройка

Устройство карбюратора ВАЗ 2107: от жиклера до поплавка

Купить На Алиэкспресс Карбюратор На Шкода Фелиция - YouTube

Регулировка холостого хода шкода фелиция 1998

РЕГУЛИРОВКА КАРБЮРАТОРА БЕНЗОКОСЫ! 100% - YouTube

Регулировка холостого хода шкода фелиция 1998

Регулировка карбюратора мотоблока: Личный опыт

Снятие карбюратора Шкода Фелиция и выкройки прокладок — Skoda Felicia ...

Регулировка холостого хода шкода фелиция 1998

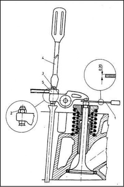
Проверка и регулировка клапанных зазоров (модели 1.3 л) (Шкода Фелиция ...

Снятие, установка и регулировка компонентов замка двери задка (Шкода ...

Skoda felicia карбюратор - общая информация, регулировки и обслуживание

Skoda felicia карбюратор - общая информация, регулировки и обслуживание

Регулировка карбюратора бензопилы echo

Холостые обороты двигателя шкода фелиция

Ремонт карбюратора Skoda, троит двигатель Skoda,

Регулировка холостого хода двигателя шкода

Ремкомплект карбюратора Шкода Фелиция купить в Москве MEAT & DORIA С44г ...

Skoda felicia карбюратор - общая информация, регулировки и обслуживание

Регулировка карбюратора своими руками, пусковое устройство

Холостые обороты двигателя шкода фелиция

Шкода фелиция замена карбюратора на солекс - 80 фото

Регулировка карбюратора бензопилы - советы знатоков, инструкция

Замена грм шкода фелиция своими руками

Регулировка карбюратора бензопилы - советы знатоков, инструкция

Регулировка карбюратора мотоблока: детальная инструкция

Шкода Фелиция экономайзер карбюратора китай купить в Москве VAG ...

Авто Шкода Фелиция 1997 года в Оёке, Продам фелицию на ходу но нужна ...

Шкода Фелиция карбюратор: особенности, эксплуатация, ремонт

Уплотнители карбюратора шкода фелиция 1,3 - Чертежи, 3D Модели, Проекты ...

Шкода фелиция замена карбюратора на солекс - 80 фото

Регулировка холостого хода шкода фелиция 1998

6.1.3 Карбюратор - общая информация, регулировки и обслуживание Skoda ...

Шкода фелиция замена карбюратора на солекс - 80 фото

  • Вперед Моссантехсервис
  • Назад Укажите схемой взаимосвязь глобальных проблем

Новые страницы

Английский язык 3 класс учебник 2021

Дюфалак как принимать детям

Химчистка в кузнецке

Карта йошкар олы панорама

Картинки вару из 12 карт

Кто такой сиреноголовый картинки

Курорты в кемере

Курозонт шип картинки

Музей во льве толстом

Найдите смежные углы если их градусные меры относятся как 17 19

Nanocad официальный сайт

Названия полевых цветов с картинками и названиями

Образец заполнения формы 0503123

Ольга константиновна с днем рождения картинки с пожеланиями

Основные виды подготовки спортсменов

Парк нелжа ру

Пьер огюст кот картины

Питбуль собака фото

Планшет вместо штатной магнитолы

Расчет по страховым взносам за 2 квартал 2019 года образец заполнения

Референсы лица рисунок

Регулировка карбюратора шкода фелиция

Сайт центр спортивной медицины

Съемка и монтаж видео

Схема прибора для электрофореза

Схема процессов энергетического обмена

Схемы общие понятия

Скифы карта обитания

Выберите схемы изображающие состав чистых веществ

Vitocell 100 v

cdn.zecar.ru