Skip to content

Фотогалерея

  • Главная
  • Контакты

Реактор электрический схема

Реактор электрический схема. Турбинный зал АЭС схема. Конденсатор турбины ВВЭР 1000. Устройство ядерного реактора схема. Схема охлаждения атомного реактора.

Реактор электрический схема. Схемы включения токоограничивающих реакторов. Токоограничивающий реактор схема подключения. Схема подстанции с токоограничительными реакторами. Токоограничивающий реактор 10 кв.

Реактор электрический схема. Реактор в-510 схема. Токоограничительные реакторы схема. Реактор РБА-6 1963 года. Токоограничивающий реактор на схеме.

Реактор электрический схема. Схема подключения реакторов 10кв. Электрическая схема реактора 500кв. Схема БСК 110 кв. Принципиальная схема БСК 110кв.

Реактор электрический схема. Схема АЭС С реакторами РБМК 1000. Тепловая схема АЭС РБМК 1000. Тепловая схема АЭС ВВЭР 1000. Упрощенная схема реактора РБМК-1000.

Реактор электрический схема. Схема ПС 220 кв. Схема одна секционированная система шин 110 кв. Структурная схема ТЭЦ. Блочная схема ТЭЦ 110/35 кв.

Реактор электрический схема. Токоограничивающего реактора 35-110 кв. Реакторы ограничивающие аппараты. Реактор бетонный токоограничивающий 10 кв. Конструкция токоограничивающего реактора.

Реактор электрический схема. Атомная электростанция реактор схема. Принцип работы атомной электростанции схема. Принцип работы электростанции схема. Схема АЭС С реакторами.

Реактор электрический схема. Реактор ВВЭР-1200 чертеж. Разрез реактора ВВЭР-440. Реактор ВВЭР 440 чертежи. Реактор ВВЭР 1200 схема.

Реактор электрический схема. ВЭДС-400 блок подмагничивания. Генератор стирания и подмагничивания схема. Бестрансформаторный Генератор стирания и подмагничивания схема. Импульсное подмагничивание в магнитофоне.

Реактор электрический схема. Схема подключения дугогасящего реактора 10 кв. Дугогасящая катушка 10 кв принцип работы Назначение. Заземление через дугогасящий реактор. Заземление нейтрали через дугогасящий реактор.

Реактор электрический схема. Генератор стирания и подмагничивания схема. Подмагничивание ротора. Управляемый реактор с подмагничиванием от постоянных магнитов. Реактор с экранированным электродвигателем: Мэд.

Реактор электрический схема. Позиции на бетонном реакторе РБ.

Реактор электрический схема. Токоограничивающий реактор 110 кв. Реакторы 110 кв схема. Токоограничивающий реактор 6 кв 2500а. Токоограничивающий реактор на 35кв.

Реактор электрический схема. Чертеж модель реактора БН-800. Парогенератор БН-800 чертёж. Корпус реактора БН-600. Реактор типа БН-800 чертеж.

Реактор электрический схема. Принципиальная схема трехконтурной АЭС. Тепловая схема двухконтурной АЭС. Принципиальная тепловая схема АЭС. Принципиальная схема атомной электростанции.

Реактор электрический схема. Схемы включения реакторов. Сдвоенный токоограничивающий реактор схема. Схемы включения токоограничивающих реакторов. Токоограничивающий реактор обозначение на схеме.

Реактор электрический схема. Каскадный трансформатор напряжения схема. Реактор электрический токоограничивающий схема. Токоограничивающего реактора 35-110 кв. Токоограничивающий реактор на 35кв.

Реактор электрический схема. Токоограничивающий реактор 10 кв. Токоограничивающий реактор 110 кв. Реактор токоограничивающий принцип работы. Токоограничивающий реактор схема подключения.

Реактор электрический схема. Химический реактор с якорной мешалкой. Реактор с паровой рубашкой и якорной мешалкой. Принцип действия реактора с мешалкой. Реактор с мешалкой и рубашкой схема.

Реактор электрический схема. Принцип действия ядерного реактора схема. Принцип работы атомной электростанции схема. Схема охлаждения атомного реактора. Схема охлаждения ядерного реактора.

Реактор электрический схема

Реактор электрический схема. Схема реактора БН 600. Принципиальная схема БН-600. Тепловая схема БН 600. Конструкция реактора БН-600.

Реактор электрический схема. Токоограничивающий реактор 10 кв. Токоограничивающий реактор 110 кв. Реакторы для ограничения токов короткого замыкания. Сдвоенный токоограничивающий реактор 6 кв.

Реактор электрический схема. Схема ядерного реактора на тепловых нейтронах. Гетерогенный ядерный реактор схема. Схематическое устройство ядерного реактора. Ядерный реактор на тепловых нейтронах.

Реактор электрический схема. Обозначения на электрических схемах подстанций. Обозначение подстанции на схеме. Обозначение на оперативных электрических схемах подстанций. Схема подстанции с токоограничивающими реакторами.

Реактор электрический схема

Реактор электрический схема. Схема электрических соединений ТЭЦ. Схема 6 кв. Схема подстанции с токоограничивающими реакторами. Токоограничивающий реактор на схеме.

Реактор электрический схема

Реактор электрический схема. Схема электроснабжения собственных нужд АЭС. Схема питания собственных нужд АЭС. Принципиальная электрическая схема собственных нужд АЭС. Схема собственных нужд АЭС – 600 МВТ.

Реактор электрический схема. Реактор на электрической схеме.

Реактор электрический схема. Принципиальная тепловая схема БН-600. Тепловая схема АЭС ВВЭР 1000. Тепловая схема БН 600. Тепловая схема АЭС ВВЭР 1200.

Реактор электрический схема. Атомный реактор схема. Принцип работы ядерного реактора схема. Схема работы атомного реактора. Устройство атомного реактора схема.

Реактор электрический схема. Токоограничивающий реактор 10 кв. Токоограничивающий реактор 10 кв схема подключения. Токоограничивающий реактор на схеме. Токоограничивающий реактор 10 кв на схеме.

Реактор электрический схема. Схема АЭС С реакторами. Ядерный реактор АЭС схема. Схема ядерного реактора физика принцип работы. Схема работы ядерной электростанции.

Реактор электрический схема. Схема систем безопасности АЭС-2006. Принципиальная схема ВВЭР 1200. Схема ядерного реактора ВВЭР. Тепловая схема АЭС ВВЭР 1000.

Реактор электрический схема. Водо-водяной энергетический реактор ВВЭР-1200. Реактор ВВЭР 1200 конструкция. Энергоблок ВВЭР 1000. Реактор ВВЭР 1200 схема.

Реактор электрический схема. Компенсирующее устройство на схеме. Тиристорные компенсаторы. Компенсирующие устройства 10 кв схема. Принципиальная схема компенсирующего устройства.

Реактор электрический схема. Схема ядерного реактора ВВЭР. Крышка реактора ВВЭР 1200. Реактор ВВЭР 1200 конструкция. Схема атомного реактора ВВЭР 1000.

Реактор электрический схема. Токоограничивающий реактор на схеме. Схема замещения токоограничивающего реактора. Схема замещения сдвоенного реактора. Схема замещения сдвоенного токоограничивающего реактора.

Реактор электрический схема. Схемы включения токоограничивающих реакторов. Токоограничивающий реактор на схеме. Токоограничивающий реактор обозначение на схеме. Схемы включения секционных реакторов.

Реактор электрический схема. Токоограничивающий реактор на 35кв. Токоограничивающий реактор 10 кв. Сдвоенный токоограничивающий реактор 6 кв. Схема бетонного токоограничивающего реактора.

Реактор электрический схема. Реактор на электрической схеме. ВТГР реактор схема. Принципиальная схема реактора типа ВТГР. Газоохлаждаемый реактор схема.

Реактор электрический схема. Токоограничивающие реакторы 6кв 1000а. Конструкция токоограничивающего реактора. Масляный токоограничивающий реактор. Масляный реактор конструкция.

Реактор электрический схема. Принцип работы ядерного реактора. Устройство ядерного реактора и принцип его работы. Макет атомного реактора. Работа ядерного реактора анимация.

Реактор электрический схема. Переходной реактор пра-48 вл80с. Переходной реактор пра-48 чертеж. Переходной реактор электровоза вл80с. Переходной реактор вл80с устройство.

Реактор электрический схема

Реактор электрический схема. Изготовление монтажных схем. Схема установки для диплома. Электромонтажный чертеж МЭ пример. Черчение аппарата химического ВКЭ.

Реактор электрический схема. Схема работы ядерной электростанции. Принцип работы атомной станции схема. Принцип действия атомной электростанции. Схема процессов в ядерном реакторе.

Реактор электрический схема. Схема атомного реактора РБМК 1000. Канальная схема реактора РБМК. Схема реактора ВВЭР 1000. Схема охлаждения реактора РБМК.

Реактор электрический схема. Графическая электрическая реактора, автотрансформатора схема. Маслонаполненный шунтирующий реактор конструкция. Маслонаполненное нагрузочнное устройство. Роторный высоковольтный реактор патент картинки видео.

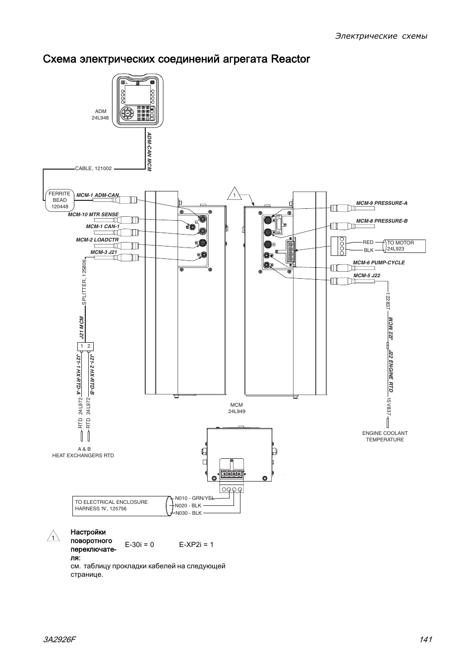
Реактор электрический схема. Плата управления Graco Reactor e10. Graco плата управления схема. Graco Reactor e-xp2 плата управления схема. Плата Graco Mark 5 плата управления.

Реактор электрический схема. Токоограничивающий реактор 10 кв. Схема бетонного токоограничивающего реактора. Реактор бетонный РБСДГ-10-2х2500-0,2. Реактор токоограничивающий сухой трехфазный.

Реактор электрический схема. Выработка электроэнергии на АЭС. Схема атомной электростанции. Производство электроэнео. Схема производства электроэнергии на атомной электростанции.

Реактор электрический схема. Схемы включения токоограничивающих реакторов. Токоограничивающий реактор схема подключения. Схемы включения секционных реакторов. Токоограничивающий реактор обозначение на схеме.

Реактор электрический схема. Схема автоматизации емкостного реактора. Функциональная схема автоматизации реактора. Автоматизация реактора с мешалкой. Химический реактор схема автоматизации.

Реактор электрический схема. Бестрансформаторный Генератор стирания и подмагничивания схема. Генератор стирания и подмагничивания схема. Импульсное подмагничивание в магнитофоне. ТНП С подмагничиванием.

Реактор электрический схема

Реактор электрический схема. Способы ограничения токов кз. Способы ограничения токов короткого замыкания. Методы ограничения тока короткого замыкания. Метод ограничения токов короткого замыкания.

Реактор электрический схема. Схема подключения дугогасящего реактора 10 кв. Дугогасительная катушка схема. Схема подключения реакторов 10кв. Дугогасящий реактор 35 кв.

Реактор электрический схема. Схема распредустройства 6-10 кв с одной системой сборных шин. Схема соединений 6кв. Первичная схема электрических соединений. Схема с 1 системой сборных шин.

Реактор электрический схема. Строение ядерного реактора схема. Ядерный реактор основные части схема. Как выглядит ядерный реактор схема. Принцип действия ядерного реактора схема.

Реактор электрический схема. Шунтирующий реактор 110 кв. Шунтирующий реактор 500 кв. Шунтирующий реактор 500 кв схема. Шунтирующий реактор схема.

Реактор электрический схема. Схема замещения воздушной линии электропередачи. Схема замещения кабельной линии. Схема замещения воздушной линии напряжением 110-220 кв. Схема замещения кабеля 10кв.

Реактор электрический схема. Mark 10 Graco схема электрическая. Graco 390 плата управления двигателем схема. Плата управления Graco Reactor e10. Graco плата управления схема.

Реактор электрический схема. Реактор вагона метрополитена. Задачи по расчету электрического реактора. Схема. Как рассчитать электрический реактор схема.

Реактор электрический схема. Схема замещения двухобмоточного трансформатора. Схема двухобмоточного трансформатора. Двухобмоточный трансформатор схема. Силовой трансформатор двухобмоточный на схеме.

Реактор электрический схема. Строение ядерного реактора 9 класс физика. Устройство и принцип действия ядерного реактора физика 9 класс. Принцип действия ядерного реактора схема. Принципы действия действия ядерного реактора.

Реактор электрический схема. Схема замещения шунтирующего реактора. Шунтирующие реакторы реактивная мощность. Шунтирующий реактор или конденсаторная батарея. Реактор компенсации реактивной мощности.

Реактор электрический схема. Гомогенный ядерный реактор схема. Легководный ядерный реактор схема. Гетерогенный ядерный реактор схема. Устройство атомного реактора схема.

Реактор электрический схема. Электромагнитный тормоз на принципиальной схеме. Токоограничивающий реактор обозначение на схеме. Обозначение электромагнита в схеме электрической принципиальной. Элементы принципиальной схемы электромагнит.

Реактор электрический схема. Принцип работы ядерного реактора. Схема действия атомного реактора. Принцип работы реактора схема. Принцип работы ядерного реактора гиф.

Реактор электрический схема. РОМБСМ реактор электрическая схема. ТНП С подмагничиванием.

  • Вперед Гранд витара или митсубиси аутлендер
  • Назад Ноль при делении схема

Новые страницы

4 Класс математика страница 46 номер 173

Английский язык рабочая тетрадь 4 класс биболетова денисенко трубанева

Авито вакансии сварщика

Бугульма такси номера телефонов межгород

Чистка замшевых кроссовок

Голуби на площади сан марко в венеции

Хлопочущий спряжение

Jetta или golf

Как правильно написать заявление на административный день образец

Литературное чтение 2 класс 2 часть стр 40

Неисправность заслонок впускного коллектора

Ниппель латунный

Паук человек паук картинки для торта

По горячим следам какой падеж прилагательного

Прыгают дворники по стеклу

Псж монако

Решебнік по геометріі 11

Рисунки на тему вредным привычкам нет

Схема мультиметра dt832

Схема тока физика

Склонять числительное

Сметчик удаленно вакансии по россии

Страшная месть пересказ

Теплосварка

Тока бока схемы

Толстый и тонкий картинки для детей

Уксусная кислота и глюкоза реакция

Вике с днем рождения поздравления вики картинки

Volkswagen viloran

Явочная карточка инкассатора образец

cdn.zecar.ru