Skip to content

Фотогалерея

  • Главная
  • Контакты

Рав 4 схема

Рав 4 схема

Рав 4 схема. Электрические схемы Toyota rav4 III. Схема Тойота рав 4. Тойота рав 4 схема электрооборудования 2011. Toyota rav4 2008 схема электрооборудования.

Рав 4 схема. Тойота рав 4 2001-2003г 2 поколение блок разъемов 78. Toyota rav4 1 схема ABS. Электросхемы Toyota rav4 с 2010 года). Блок управления зажиганием Toyota rav4 1998.

Рав 4 схема

Рав 4 схема. Электросхема парктроника Toyota rav4 2013. Тойота рав 4 2001 схема центрального замка. Тойота рав 4 2007 года электрическая схема. Электросхема Toyota rav4 2006.

Рав 4 схема. Схема электрооборудования rav4 первое поколение. Toyota rav4 1 поколение электрическая схема. Схема Тойота рав 4. Схема предохранителей электрическая Тойота рав 4.

Рав 4 схема. Тойота рав 4 2012 схема замка зажигания. Электросхема Toyota Camry 2002 год 2.4л.. Схема катушки зажигания Тойота Королла е150. Тойота рав 4 катушка схема.

Рав 4 схема. Схема центрального замка Тойота rav4 1997 года. Toyota rav4 1994-2000 гг Электрооборудование. Схема электрооборудования Тойота рав 4 2007. Схема электрооборудования rav4 первое поколение.

Рав 4 схема. Тойота рав 4 2001-2003г 2 поколение блок разъемов 78. Электросхема Тойота рав 4 2017 года. Электросхема парктроника Toyota rav4 2013. Электропривод Toyota rav4 схема.

Рав 4 схема

Рав 4 схема. Электропривод Toyota rav4 схема. Электрические схемы Тойота рав 4 2008 года. Электросхемы рав4 2 поколения. Электросхема электропривода багажника Toyota rav4.

Рав 4 схема. Электрические схемы Toyota rav4 III. Тойота рав 4 2007 года электрическая схема. Toyota rav4 2008 схема электрооборудования. Электросхема Тойота rav4 2002.

Рав 4 схема. Toyota rav4 2008 схема электрооборудования. Схема электрооборудования Тойота рав 4 2007. Схема предохранителей электрическая Тойота рав 4. Электросхема двигателя Тойота рав 4.

Рав 4 схема. Схема датчик дождя Toyota Camry 40. Рав 4 2013 схема подключения динамиков. Датчик включения стоп сигнала Тойота рав-4. Схема привода rav4 5g.

Рав 4 схема. Схема электрическая рав 4 2006 года схема сигналов. Электросхема сигнала рав 4 2011. Рав 4 2008 года схема стоп сигнала. Электросхемы rav4 2007.

Рав 4 схема. Рав 4 2013 схема подключения динамиков. Toyota RAV 4 2008 цвета проводов колонок. Схема подключения штатных динамиков рав4 5 поколения. Toyota rav4 2007 Doors Electric scheme.

Рав 4 схема. Электрические схемы Toyota rav4 III. Тойота рав 4 панель приборов схема. Тойота рав 4 2010 год электросхемы. Rav4 2010 схема электрооборудования.

Рав 4 схема. Toyota rav4 3 2.2 блок управления. Электросхема Тойота рав 4 2017 года. Электрическая схема ABS Toyota rav4 2. Тойота рав 4 электрическая схема системы кондиционирования.

Рав 4 схема. Схема электрическая Toyota rav4. Электрические схемы Тойота рав 4 2006 года. Электрические схемы Toyota rav4 III. Электрическая схема Тойота рав 4 3 поколения.

Рав 4 схема. Реле звукового сигнала Тойота рав 4 2011.

Рав 4 схема. Схема парктроников рав 4 2016. Электрические схемы Toyota rav4 III. Электропроводка Тойота рав 4 2004 г.

Рав 4 схема. Схема электрическая Toyota rav4. Рав 4 схема электрооборудования. Электрические схемы Toyota rav4 III. Электрическая схема Тойота рав 4.

Рав 4 схема. Тойота рав 4 2001-2003г 2 поколение блок разъемов 78. Электропроводка Тойота рав 4 2004 г. Схема электрооборудования Тойота рав 4. Toyota rav4 2007 Doors Electric scheme.

Рав 4 схема. Реле обогрева заднего стекла Тойота рав4 1 поколение. Схема центрального замка Тойота rav4 1997 года. Эл. Схема сигнала RAV 4 1998 года. Схема обогрева заднего стекла Тойота рав4 2006г.

Рав 4 схема. Тойота рав 4 электросхема. Электросхема Тойота рав 4 2013 года. Toyota Vitz 2001 схема электрооборудования. Электрические схемы Тойота рав 4 2006 года.

Рав 4 схема

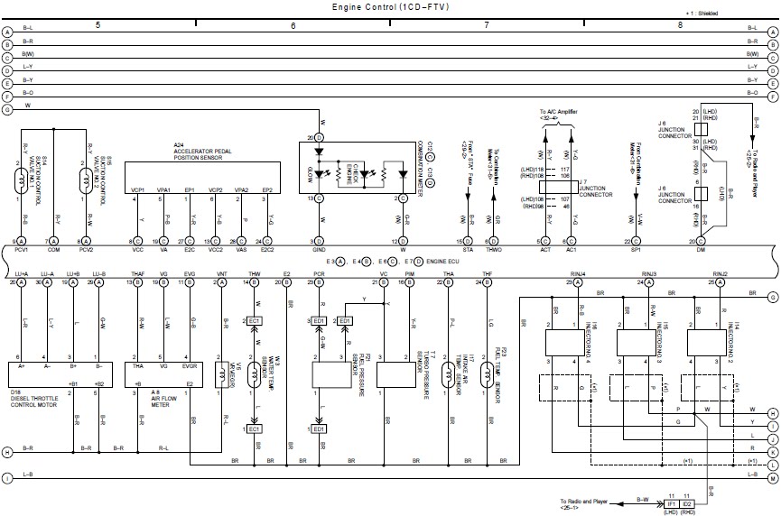
Рав 4 схема. Toyota rav4 схема системы управления. Тойота рав 4,1 поколение схема управления форсунками.. Тойота рав 4 схема системы кондиционирования. Схема двигателя 2gr-Fe.

Рав 4 схема. Электрические схемы Тойота рав 4 2006 года. Электросхема системы зажигания Toyota rav4 2003 1az Fe. Схема кнопок стеклоподъёмника Toyota rav4 5 поколение. 1az-Fe схема управления двигателем.

Рав 4 схема. Тойота рав 4 выхлопная система схема. Топливная система на Тойота рав 4 2012г. Топливная система рав 4 2007 года 2,4. Система кондиционирования Тойота рав 4 4 поколение.

Рав 4 схема. Схема парктроников рав 4 2016. Электрические схемы Toyota rav4 III. Противотуманные фары Тойота рав 4 2001г схема подключения. Электросхема парктроника Toyota rav4 2013.

Рав 4 схема. Тойота рав 4 2001-2005 расположение разъемов в моторном отсеке. Расположение датчиков рав 4 2004 года. Тойота рав 4 схема датчика температуры. Рав 4 2007 2.4 схема датчиков.

Рав 4 схема. Электрические схемы Toyota rav4 III. Схема электропроводки Тойота рав 4 2010 года. Электрические схемы Тойота рав 4 2006 года. Схема электропроводки Тойота рав 4 2001 года.

Рав 4 схема. Схема кнопки подогрева сидений Тойота рав 4. Схема подключения обогрева сидений Тойота. Тойота рав-4 схема подогрева сидений. Схема подключения подогрева сидений Тойота рав 4.

Рав 4 схема. Схема электрооборудования Тойота рав 4. Тойота рав 4 2007г электрическая схема. Электросхема аудиосистемы Тойота rav4 2009. Схема стеклоподъемников рав 4 2007.

Рав 4 схема

Рав 4 схема. Схема электрооборудования Toyota rav4 2010. Электрическая схема рав 4. Электрические схемы Toyota rav4 III. Схема электрооборудования rav4 первое поколение.

Рав 4 схема. Схема электрическая Toyota rav4. Схема электрооборудования Тойота рав 4. Toyota rav4 2011 схема электрическая. Электросхемы Toyota rav4 с 2010 года).

Рав 4 схема. Toyota rav4 2 Центральный замок схема. Тойота рав 4 2001 схема центрального замка. Схема комбинации приборов рав4 2004г. Rav4 схема панели приборов.

Рав 4 схема. Электрические схемы Toyota rav4 III. Схема электрическая Toyota rav4. Электросхема двигателя Тойота рав 4. Toyota rav4 1 поколение электрическая схема.

Рав 4 схема. Электросхема электропривода багажника Toyota rav4. Схема зарядки Тойота рав 4 2006-2012. Электрические схемы Toyota rav4 III. Схема Тойота рав 4.

Рав 4 схема. Схема электрическая Toyota rav4. Схема АБС Тойота рав 4 1996 год. Схема стеклоподъемников рав 4 2002 года. Схема стеклоподъемников рав 4 2007.

Рав 4 схема. Схема электрооборудования Тойота рав 4. Toyota rav4 2008 схема электрооборудования. Электросхемы рав 4 5 поколения. Электросхема Тойота рав 4 2008 года.

Рав 4 схема. Suzuki Grand Vitara чертеж. Судзуки Гранд Витара габариты. Длина Сузуки Гранд Витара. Suzuki Grand Vitara 2013 чертеж.

Рав 4 схема. Электрические схемы Тойота рав 4 2006 года. Toyota RAV 4 III реле обогрева зеркал. Тойота рав-4 схема подогрева сидений. Схема проводки Тойота рав 4.

Рав 4 схема. Tucson 2007 кузов схема. Чертежи передней части Hyundai Tucson. Схема передней части кузова Hyundai Tucson 2005. Запчасти Хундай Санте Фе 3.схема.

Рав 4 схема. Схема электрическая Toyota rav4. Электрические схемы Toyota rav4 III. Генератор rav4 схема. Тойота рав 4 стартер электрическая схема.

Рав 4 схема. Электрические схемы Toyota rav4 III. Toyota rav4 2008 схема электрооборудования. Схема электрооборудования Тойота рав 4 2012. Тойота рав 4 электросхема.

Рав 4 схема. Тойота рав 4 конструкция схема бампера переднего. Схема кузовных деталей Тойота рав-4 2006. Тойота рав 4 2010 года 3 поколение схема кузовных деталей. Тойота рав 4 название деталей кузова.

Рав 4 схема. Эл схема Тойота рав 4 1 поколения. Электросхема Тойота рав 4 2017 года. Электрические схемы Toyota rav4 III. Электрические схемы Тойота рав 4 2006 года.

Рав 4 схема. Схема электрооборудования Тойота рав 4. Тойота рав4 1 1996 года схема системы зажигания. Схема центрального замка Тойота rav4 1997 года. Toyota rav4 2008 схема электрооборудования.

Рав 4 схема. Реле поворотов Тойота рав4 3 поколение. Реле поворотников Toyota rav4 2015. Реле сигнала Toyota rav4-1. Рав 4 2008 реле автосвета.

Рав 4 схема. Система зарядки Тойота рав 4 2001. Схема электрооборудования rav4 первое поколение. Схема генератора Тойота рав 4 2004 года. Электросхема Тойота рав 4 2017 года.

Рав 4 схема. Система управления двигателем 1az-FSE схема. Электросхема системы зажигания Toyota rav4 2003 1az Fe. Тойота рав 4 2001-2003г 2 поколение блок разъемов 78. Тайота РАФ 1996система зажигания.

Рав 4 схема. Схема приборной панели RAV 4 2. Тойота рав 4 распиновка щитка приборов. Распиновка панели приборов Тойота рав 4. Тойота рав 4 панель приборов схема.

Рав 4 схема. Электрическая схема центрального замка рав4. Тойота Авенсис 2000 электросхема центрального замка. Схема центрального замка Тойота рав 4 2004 года. Схема стеклоподъемников Тойота Камри 2003г.

Рав 4 схема. Тойота рав-4 схема подогрева сидений. Схема парктроника Тойота рав 4. Электрические схемы Toyota rav4 III. Схема подогрева лобового стекла Тойота rav4 3.

Рав 4 схема. Toyota rav4 2008 elektroshema. Схема кнопок стеклоподъёмника Toyota rav4 5 поколение. Rav4 Toyota Генератор 2000 схема. Схема электрооборудования rav4 первое поколение.

Рав 4 схема

Рав 4 схема. Электрические схемы Toyota rav4 III. Электросхема body Toyota rav4. Тойота рав 4 электросхема. Схема предохранителей электрическая Тойота рав 4.

Рав 4 схема

Рав 4 схема. Схема электрооборудования rav4 первое поколение. Электрические схемы Toyota rav4 III. Электросхема Тойота рав 4 1 поколения. Схема электрооборудования рав4 3 поколение 2010 года.

Рав 4 схема

Рав 4 схема. Система зарядки Тойота RAV 4. Схема зарядки АКБ Тойота Королла 2002 года. Схема зарядки аккумулятора Toyota Toyota rav4 второго поколения. Пежо 308 схема зарядки аккумулятора.

Рав 4 схема. Схема системы охлаждения на 1az FSE. Двигатель рав 4 2014 года схема двигателя. Система охлаждения RAV 4 1az Fe. Rav4 2000-2005 1az Fe электрические схемы manual.

Рав 4 схема

Рав 4 схема

Рав 4 схема

Рав 4 схема

Рав 4 схема. Система зарядки Тойота рав 4 2001. Схема замка зажигания Тойота рав 4. Схема электрооборудования rav4 первое поколение. Электросхема Тойота рав 4 2017 года.

Рав 4 схема

Рав 4 схема. Электрические схемы Toyota rav4 III. Система зарядки Тойота рав 4 2001. Электрические схемы Toyota rav4 zca26. Тойота рав 4 2007 года электрическая схема.

Рав 4 схема. Электросхема управления двигателем 1az FSE. Схема блока управления двигателем 2az-Fe. 1az-Fe схема управления двигателем. Система зарядки Тойота RAV 4.

Рав 4 схема. Схема круиз контроля Toyota rav4. Ионизатор воздуха Toyota rav4. Схема парктроника Тойота рав 4. Rav4 2007 схема can-шины.

Рав 4 схема. Toyota rav4 1 поколение электрическая схема. Toyota rav4 30 схемы электрооборудования. Электрические схемы Toyota rav4 III. Электросхема двигателя Тойота рав 4.

Рав 4 схема

Рав 4 схема. Электросхема Тойота рав 4 2017 года. Тойота рав 4 электросхема. Тойота рав 4 2007 года электрическая схема. Схема электрическая Toyota rav4.

Рав 4 схема. Электросхема Тойота рав 4 2013 года. Электрическая схема освещения Toyota rav4 2013. Toyota rav4 2008 схема электрооборудования. Электрические схемы Toyota rav4 III.

Рав 4 схема

  • Вперед Тихуана граница с сша
  • Назад Мышц при занятиях спортом

Новые страницы

Алгебра 7 класс дорофеев учебник ответы гдз

Что общего между пенициллом и мукором

Форд фокус нет искры

Гдз по английскому языку 2 класс рабочая тетрадь афанасьева степ

Гдз по рабочей тетради математике 6 класс

Гдз по русскому языку третий класс моро учебник

Гдз русский язык учебник 3 класс 21 век

Gnd провод на магнитоле

Кабель пнг

Кадамовский полигон карта

Какие обои бывают

Калуга музей стекла

Карта подбора состава бетонной смеси образец

Колодки тормозные перевод на английский

Кузовной ремонт бибирево

Мартин джон картины в высоком разрешении

Обкатка тормозных дисков

Образец плана мероприятий по охране труда

Образец заявления на отмену судебного приказа о взыскании

Рав 4 схема

Рекламная полиграфия

Ss22

Тесты на личностные качества

Уборка квартир спб

Уфа схема

Уведомление о расторжении договора аренды нежилого помещения по инициативе арендатора образец

Ва 201

Вес болта м24

Все боги египта и их названия

Звуки буквы схемы слов

cdn.zecar.ru