Skip to content

Фотогалерея

  • Главная
  • Контакты

Распиновка проводов eberspacher d 1 ls

User manual Eberspacher D2L (15 pages)

Bedienungsanleitung Eberspacher D2L (15 Seiten)

Dieselheat - Eberspacher Airtronic S2 D2L Motor Gasket

16.02.2017 Новости Eberspacher | Вебасто Полоцк | Ремонт Ебер

Наличие товара Прокладка камеры сгорания Eberspacher D1LC/B1LC/D1LE ...

Manual Eberspacher AIRTRONIC D2 (page 1 of 29) (English)

Zestaw Eberspacher D 1 Dz.U. C 24 V (251831010000) - Ogrzewanie ...

Ремонт блока управления Eberspacher Hydronic D5WS/D5WZ заводская ...

EBERSPACHER AIRTRONIC D2 NOVO ( webasto )

Eberspacher D3 Series - Excalibur Auto Electrics

til eberspacher til webasto propex varmeapparat 75mm bilvarmer ...

Характеристики товара Прокладка нагнетателя Eberspacher D1LC/D1LC ...

Eberspacher D5WZ - Webasto Eberspacher D5WZ Hydronic - jak sprawdzic ...

Купить Плата блока управления Eberspacher Hydronic арт: 212, цена в Минске

Eberspacher D2 Airtronic kit 24 Volt

WEBASTO EBERSPACHER D3L DIESEL ON 3,2kW 12V 45W OGRZEWANIE POSTOJOWE ...

Eberspacher 12V D4 I.C.U Control Unit 225101003005

Eberspacher D5W Parts | Filters, Caps & More

Eberspacher Airtronic D2/D4 Fuel Pump 12v

Диагностический адаптер для отопителей Webasto и Eberspacher v4

Eberspacher D1LC servicing | Motorhome Builder

Наличие товара Фибра Eberspacher D3 LC

Купить EBERSPACHER 2221740310000A Гофра автономного отопителя D=60 (1 ...

Eberspacher Airtronic D2 - ile zuzywa pradu? | Sladem Wierzb

TheSamba.com :: Eberspacher Repair Manual

Sterownik eberspacher D1L przerobic z 24v na 12v - elektroda.pl

EBERSPACHER D3L C heaters for RENAULT truck for sale, autonomous heater ...

Eberspacher D2 12v Electronic Control | 225101003001 | 225101001001

Eberspacher Glow Pin D5S Hydronic II - 24v | 252507990111

Трос упр-я заслонкой воздушного клапана из кабины L 2000 мм Eberspacher

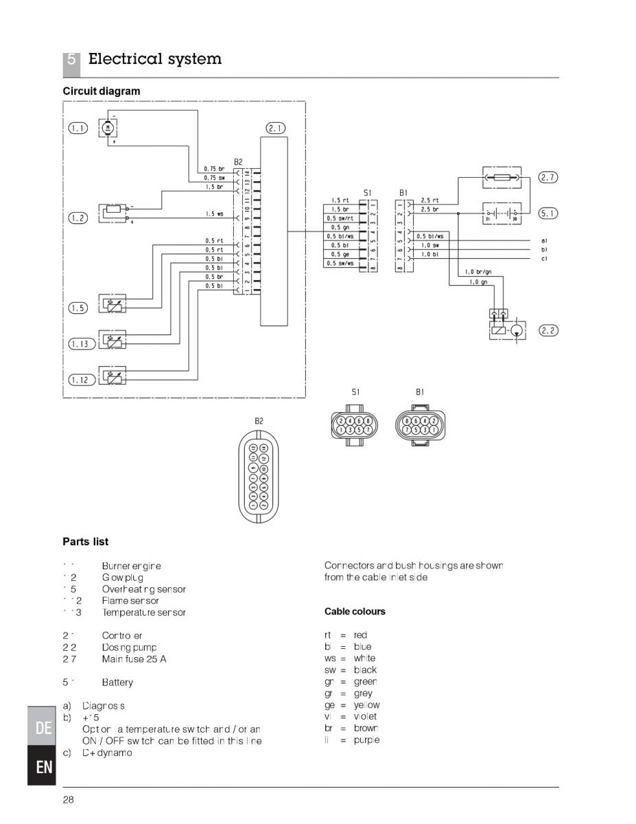
Schema electrique eberspacher - Combles isolation

Eberspacher Airtronic D4 Heater 12v Mk1 | Eberspacher Direct

Eberspacher D1LC servicing | Motorhome Builder

Bedienungsanleitung Eberspacher D1LC compact (Seite 2 von 21) (Deutsch)

T5 for 5: Eberspacher and central locking

  • Вперед Поменялись планы кончился вдруг воздух аккорды
  • Назад Прокат генератора

Новые страницы

4 Б класс математика 2 часть

Автосервисы в йошкар оле

Complete the sentences with your own ideas if i visit london

Дискавери спорт 2020

Дружбы народов институт москва официальный сайт

Эффекты наращивания ресниц 2д схемы

Экспорт в международной торговле

Фитнес ван цены

Глория плаза москва

История схема управления

Как делать доп соглашение к договору образец

Как настроить блютуз на магнитоле

Кижуч что за рыба фото цена

Лейбл счастье для волос

Математика 4 класс 2 часть страница 49 упражнение под чертой

Мд218

Обогреть палатку газовой горелкой

Ограждения для парков

Переходник для унитаза

При пробуксовке бьет колесо

Редуктор 1 к 3

Седан кадиллак

Шкафы купе на заказ расчет

Справка форма 086 у образец

Тетрис в газели некст на панели приборов

Traffic jams are possible this afternoon because of аудирование

Тренированность спортивная форма

Уфа спортивный город

Западная сибирь 9 класс география конспект

Заявление н отпуск образец

cdn.zecar.ru