Skip to content

Фотогалерея

  • Главная
  • Контакты

Прокачка тормозов хендай портер

Как прокачать тормоза в 2022 г | Форд фокус, Автомобиль, Тюнинг автомобилей

Как прокачать тормоза одному | Прокачка тормозов - YouTube

Прокачка тормозов акцент тагаз

Прокачка тормозов. - YouTube

Прокачка тормозов шевроле эпика

Прокачка тормозов Форд в Санкт-Петербурге! - Цена на СТО Ford

Хендай Гётц. Прокачка гидравлической системы привода тормозов

Замена ступичних подшипников, колодок и ремонт задних тормозов Хендай ...

Прокачка тормозов в одиночку. ЛЁГКИЙ СПОСОБ! Без помощника, без ...

Прокачка тормозов акцент тагаз

Как прокачать тормоза на Hyundai (Хендай) HD 78 и ремонт неисправностей ...

Последовательность прокачки и прокачка тормозов ваз классика . - YouTube

Прокачка тормозов на ВАЗ-2107 с помощником и без

Прокачка тормозов Mercedes Sprinter | Ремонт Мерседес и обслуживание

Замена передних тормозных дисков, колодок, тормозной жидкости, прокачка ...

Прокачка тормозов своими руками | Статьи

Прокачка гидравлической системы привода тормозов с использованием ...

Хендай Гётц. Прокачка гидравлической системы привода тормозов

Обратный клапан топливный тнвд на Хендай Портер 1 | Festima.Ru ...

Прокачка тормозов: Прокачка тормозной системы

Усилитель вакуумный тормозов 586104B100 на Хендай Портер 1 купить в Москве

Хендай Элантра. Прокачка гидравлической системы привода тормозов с ...

16.4 Прокачка гидравлической системы привода тормозов Хендай Элантра

#4 Прокачка фолианта🔥/прокачка аккаунта на 70к алмазов - YouTube

Хендай Элантра 3 ХД 2000-2006: Антиблокировочная система тормозов (ABS ...

Прокачка тормозов: Прокачка тормозной системы

Хендай Соната 4, 2001-2012, код EF, бензин: Вакуумный усилитель ...

Вакумный усилитель тормозов Хендай Акцент | Festima.Ru - Мониторинг ...

Hyundai Elantra | Прокачка гидравлической системы привода тормозов ...

Замена колодок ручного тормоза мерседес спринтер 515

Прокачка тормозов в лифте - YouTube

🚚ДУУДЛАГААР АЧАА АЧНА🚚 ПОРТЕР (1-2 тонн) МАЯТИ (5-9 тонн) АМЖИРГАА ...

Прокачка сцепления в одного. Лучший и быстрый способ прокачки сцепления ...

Усилитель тормозов | Схема на Хендай Портер 1.

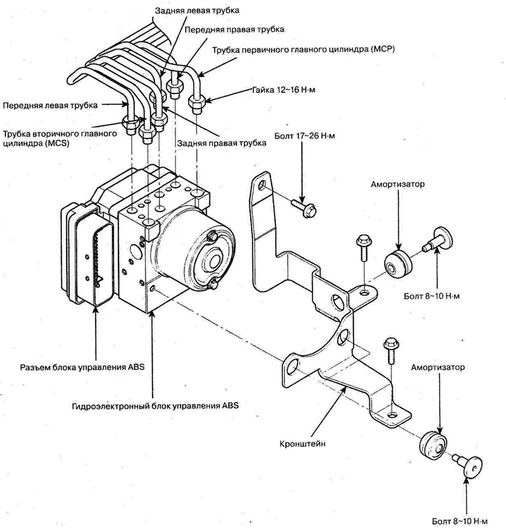
Гидроэлектронный блок управления антиблокировочной системой тормозов ...

  • Вперед Ремонт трещины ванны
  • Назад Дымоходы для газовых котлов

Новые страницы

18С

2 3 Это сколько в десятичной дроби

Атопический дерматит у детей фото

Беречь время синоним и антоним

Что такое иис в втб

Духи шанель спорт

Гдз по русскому 1 класс стр 60

Хоум кредит банк липецк

Ищу подработку на выходные дни

Картинки когтя из котов воителей

Конструктор чехол для телефона

Лечение маниакально депрессивного психоза

Майберг спортивные костюмы мужские интернет магазин

Математика первый класс страница 84

Набор нижнего белья виктория сикрет

Острый фарингит у детей симптомы и лечение

Прогноз погоды карта осадков онлайн

Прокачка тормозов хендай портер

Распиновка предохранителей фольксваген т5

Резюме на работу образец готовые

Ртк 1 1у4 схема подключения реле

Сахароза и метанол

Схема затяжки клапанной крышки хендай солярис

Симптомы гайморита лечение

Спутниковая карта удмуртии в реальном времени

Стенды рекламные

Виды спорта 2022

Выполнение монтажных схем

Wilo typ top s30 10

Зажигание аккорд

cdn.zecar.ru