Skip to content

Фотогалерея

  • Главная
  • Контакты

Программатор eeprom своими руками

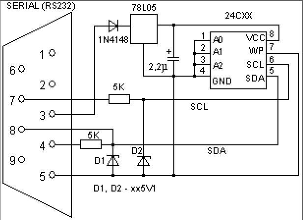
Программатор EEPROM своими руками. Схема и описание | Уголок радиолюбителя

Программатор EEPROM своими руками. Схема и описание | Уголок радиолюбителя

Универсальный Программатор Avr Своими Руками - fanlibrary

Программатор eeprom своими руками

Usb программатор pic своими руками Собираем программатор для ...

Давайте разберемся, как сделать программатор своими руками ...

МИКРОСХЕМА-УБИЙЦА твоего телевизора! Простой программатор EEPROM для ...

Как сделать программатор для памяти EEPROM 24XX серии (24С02, 24С04 ...

Программатор pic своими руками - YouTube

Usb программатор pic своими руками Собираем программатор для ...

Универсальный Программатор Avr Своими Руками - fanlibrary

Чиним ЭЛТ ТВ в 2к24м... Микросхема-убийца и сборка программатора своими ...

Самодельный Wifi автомат на NodeMCU. Автомобиль заносит - Arduino ...

Astra J Замена щитка приборов, замена VIN, PIN, eeprom L080, Часть 2 ...

Самодельный ЧПУ станок из принтеров своими руками — Часть 2 ...

Чиним ЭЛТ ТВ в 2к24м... Микросхема-убийца и сборка программатора своими ...

Программатор для микросхем своими руками: Программатор eeprom своими ...

Универсальный программатор Avr своими руками

Astra J Замена щитка приборов, замена VIN, PIN, eeprom L080, Часть 2 ...

Скачать Программатор Usb Flash И Eeprom - articlesthepiratebay

Как выбрать шаговый двигатель для станка с ЧПУ. SD с принтера - Arduino ...

Программатор Ключей Домофона Своими Руками - specificationsac

Разработка станков с ЧПУ в Arduino - Arduino. Cтатья на сайте... cube ...

Замок от w209 читаем eeprom и меняем пробег на 0 — Mercedes-Benz C ...

Замок от w209 читаем eeprom и меняем пробег на 0 — Mercedes-Benz C ...

Чиним ЭЛТ ТВ в 2к24м... Микросхема-убийца и сборка программатора своими ...

Программатор Genius G540

Usb программатор pic своими руками Собираем программатор для ...

Проблема в считывания eeprom — Volkswagen Golf Mk4, 3,2 л., 2000 года ...

Замок от w209 читаем eeprom и меняем пробег на 0 — Mercedes-Benz C ...

Замок от w209 читаем eeprom и меняем пробег на 0 — Mercedes-Benz C ...

Программатор своими руками

ESP32-CAM Сохранить фотографии на флешку во время вождения - мастерская ...

Программатор для прошивки эбу своими руками - 97 фото

Универсальный программатор микроконтроллеров AVR своими руками. Аналог ...

  • Вперед Прикольный подарок на день рождения своими руками мужчине
  • Назад Гдз по алгебре геометрии 9 класс

Новые страницы

Atuman duka

Dacia машина

Датчик положения пожарного крана дппк

Как менять задние колодки на ваз 2107

Как распознать рак молочной железы

Краны нержавеющие

Кто президент чехии сегодня

Леруа мотоблок

Логико структурная схема

Манометр 10 атм

Маршрут 73 автобуса тольятти схема движения

Математика 2 часть стр 50 номер 5

Математика 4 класс 2 часть школа россии стр 49

Миссис университет москва

Модернизация печки на ниве 21214

Мост автомобиля

Образец иска о разделе лицевых счетов по оплате коммунальных услуг

Полипропиленовые фитинги от производителя оптом

Приказ на оказание благотворительной помощи образец

Пруд гигант тамбовская область карта

Рабочая тетрадь по английскому языку 4 класс афанасьева 2 часть

Распределение груза в кузове

Расшифровка вин опель

Схема ксара пикассо

Схема шапки молодежные

Шина сантехническая

Справка для спорта ребенку

Тойота тойоайс фото

Удачной ночной смены на работе картинки

В доме стояли напольные старинные часы с боем и висели две картины неизвестного итальянского

cdn.zecar.ru