Skip to content

Фотогалерея

  • Главная
  • Контакты

Приора подтянуть рулевую рейку

Поменял рулевую рейку — Lada Приора седан, 1,6 л, 2009 года | визит на ...

Смазал рулевую рейку — Lada Приора седан, 1,6 л, 2011 года | своими ...

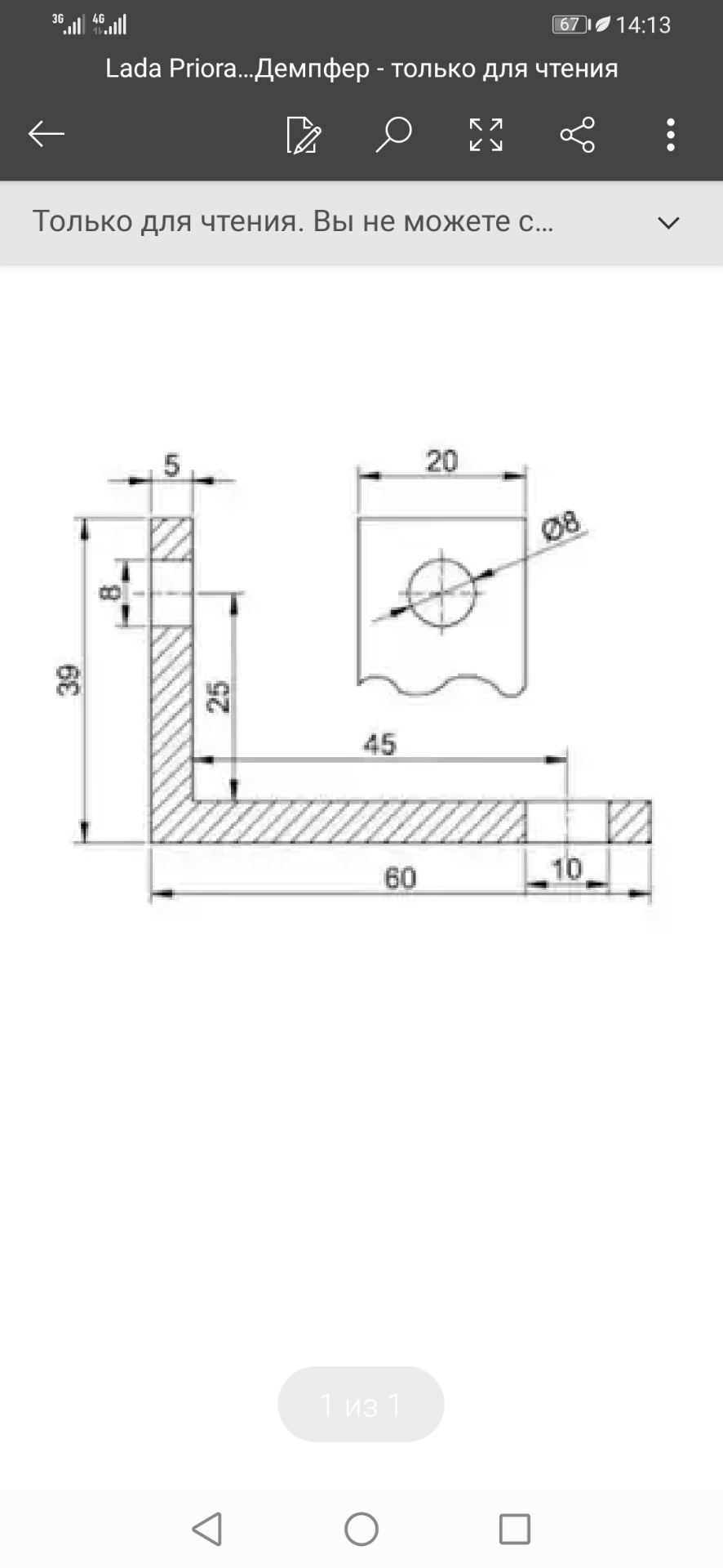
Демфер на рулевую рейку — Lada Приора седан, 1,6 л, 2010 года | тюнинг ...

Установил демпфер на рулевую рейку. — Lada Приора хэтчбек, 1,6 л, 2015 ...

Вот установил усилитель щитка передка на рулевую рейку — Lada Приора ...

Установил демпфер на рулевую рейку. — Lada Приора хэтчбек, 1,6 л, 2015 ...

Демпфер на рулевую рейку. — Lada Приора седан, 1,6 л, 2013 года ...

Смазал рулевую рейку — Lada Приора седан, 1,6 л, 2007 года | своими ...

Установил демпфер на рулевую рейку. — Lada Приора хэтчбек, 1,6 л, 2015 ...

Перебрал заново рулевую рейку 3,1оборота . капролоновая втулка+гайка ...

Решил подтянуть рулевую рейку, и тут понеслось… — Lada Приора седан, 1 ...

Заменил рулевую рейку — Lada Приора седан, 1,6 л, 2013 года | визит на ...

Втулка в рулевую рейку — Lada Приора седан, 1,6 л, 2007 года | запчасти ...

Продам рулевую рейку, подходит калина, приора, гранта, Датсун По цене ...

Решил подтянуть рулевую рейку, и тут понеслось… — Lada Приора седан, 1 ...

Как подтянуть рулевую рейку Рено Меган 2 Сценик 2 ..Стуки рулевого ...

Подтянуть рулевую рейку на тойота харриер - 94 фото

Как подтянуть рулевую рейку на гранте - YouTube

Как подтянуть рулевую рейку Honda civic 5d - YouTube

Как подтянуть рулевую рейку на шевроле эпика - 82 фото

Как подтянуть рулевую рейку на шевроле эпика - 82 фото

Как на Приоре подтянуть рулевую рейку. Ремкомплект рулевой рейки Лада ...

Как подтянуть рулевую рейку на «Калине» 🦈 avtoshark.com

Как подтянуть рулевую рейку. Иномарка + наши ВАЗ, также будет видео ...

Как подтянуть рулевую рейку на шевроле эпика - 82 фото

Лада Приора: Подтянуть ручник - YouTube

Как подтянуть рулевую рейку на «Приоре» 🦈 avtoshark.com

Как подтянуть рулевую рейку на «Приоре» 🦈 avtoshark.com

Как подтянуть рулевую рейку на ланосе - фото

Подтянуть рулевую рейку «Фольксавген Пассат Б5» 🦈 avtoshark.com

Как подтянуть рулевую рейку на фольксваген т4

Как подтянуть рулевую рейку рено симбол

Схема приборной панели ниссан альмера н15

Подтянуть рулевую рейку «Фольксавген Пассат Б5» 🦈 avtoshark.com

Как на Приоре подтянуть рулевую рейку. Ремкомплект рулевой рейки Лада ...

  • Вперед Образец сообщения на английском
  • Назад Устройство рулевого редуктора ваз

Новые страницы

3 Класс страница 111 упражнение 194

Ац беляево ауди

Акваланг спорт

Бухгалтер на удаленную работу резюме

Доставка еды вязьма

Гдз по английскому языку старлайн

Горох многосемянный или односемянный

Как написать информационное письмо о деятельности компании образец

Камни в желчном пузыре симптомы

Кухня враг женской красоты страшнее кухни только огород картинки юмор

Миома что это лечение

Mt22 sm24 звонок с подсветкой

Найти букву а среди других букв на картинке для дошкольников

Найти слово соответствующее схеме корень суффикс окончание

Образец решения комиссии по трудовым спорам

Ответы по математике 4 класс учебник 3 часть петерсон

Приглашение в группу ватсап текст красивый образец

Приора подтянуть рулевую рейку

Продажа готового бизнеса в тюмени

Рецепты варки пива из солода

Реклама велосипедов

Реставрация глянцевой мебели

Сколько стоит заниматься конным спортом

Составить схему предложения гриша разлил зелье

Создать план схему

Структура системы спорта

Технологическая схема сливок

Язык тела и жестов психология

Замена поперечной тяги ваз 2106

Заявление об отмене судебного приказа и восстановлении пропущенного срока образец мировой суд

cdn.zecar.ru