Skip to content

Фотогалерея

  • Главная
  • Контакты

Приора электросхемы

Цветные электросхемы и электрооборудование Лада Приора | Ваз 2170 с ...

Скачать LADA 2170 PRIORA ( Лада 2170 Приора): Схемы электрических ...

Приора

Скачать LADA 2170 PRIORA ( Лада 2170 Приора): Схемы электрических ...

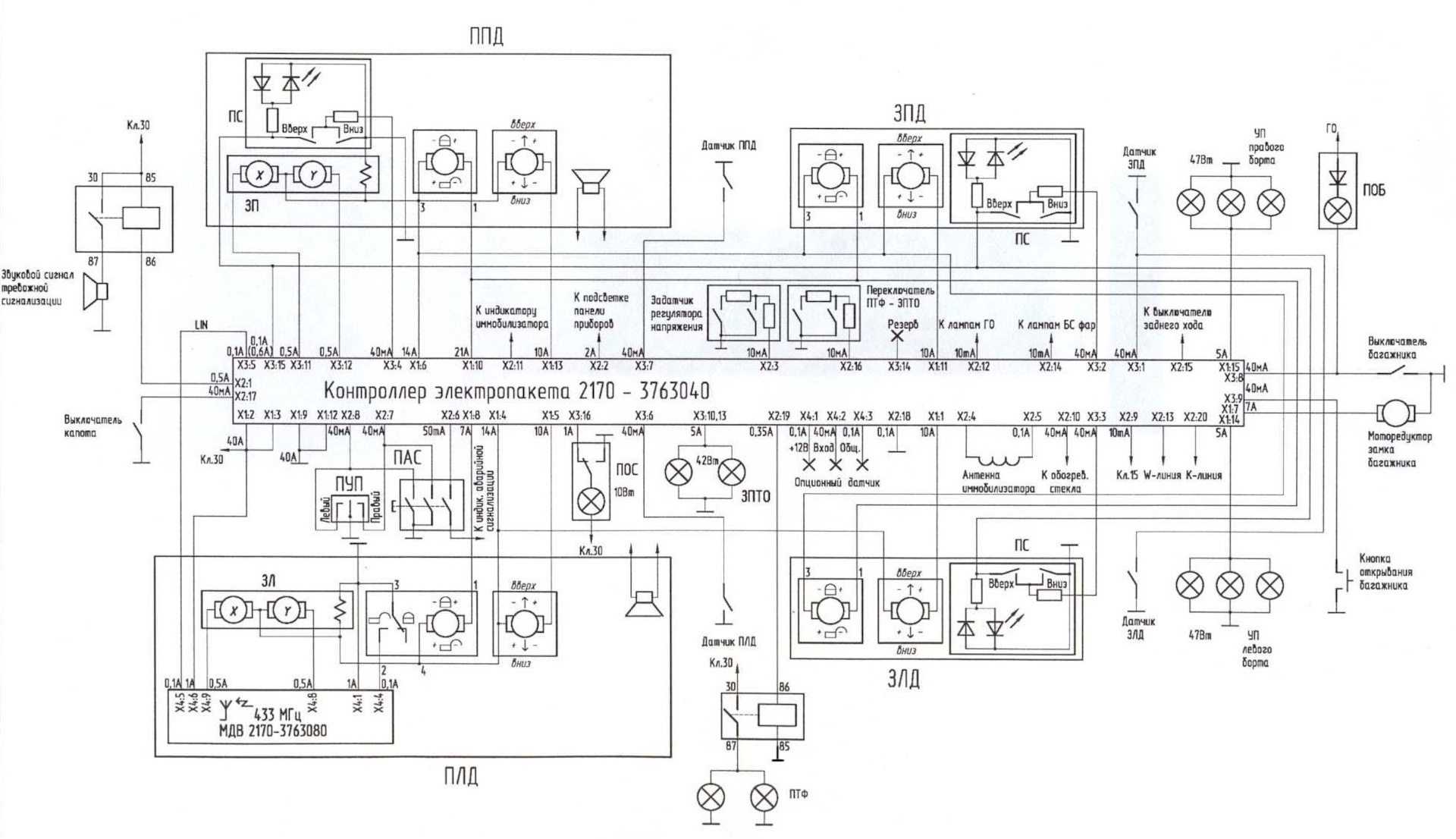
Электросхемы ваз-2170 (приора)

0.1. Электросхемы. Распиновка Блока Комфорт — Lada Приора седан, 1,6 л ...

Радиатор печки Приора с кондиционером Панасоник | МагАвто

Электросхемы ваз-2170 (приора)

How to Wire the Headlights of Your EG Civic: A Comprehensive Diagram

Заклёпки решетки радиатора для Приора - арт. 2648-ZAK-10 - купить по ...

Схема подключения блока комфорта Лада Приора. | Автотема

Схема электрических соединений жгута проводов панели приборов ВАЗ 2170 ...

Схема электрических соединений жгута проводов переднего ВАЗ 2170 ...

я вам не приора - YouTube

Схема электрических соединений жгута проводов заднего 21713 - 3724210 ...

Электросхемы ваз-2170 (приора)

Схема электрических соединений жгута проводов заднего дополнительного ...

Схема электрических соединений жгута проводов заднего ВАЗ 2170 (Приора ...

Схема электрических соединений жгута проводов панели приборов ВАЗ 2170 ...

Кожух вентилятора Ваз 2110, Приора | Festima.Ru - Мониторинг объявлений

Стеклоподъемник передний правый ВАЗ-2110,Приора электрич. без ...

Схема электрических соединений жгута проводов системы зажигания 21703 ...

Лада Приора Универсал Это жесть - YouTube

Электросхемы ваз-2170 (приора)

Электросхемы ваз-2170 (приора)

Шрус наружный ВАЗ 2108, 2114, ВАЗ 2110 ВАЗ 2170 ПРИОРА, ВАЗ 2190 Гранта ...

Комплект крепления кожуха рулевой колонки ВАЗ 2112, КАЛИНА, ПРИОРА ...

ВАЗ 2110/ЛАДА ПРИОРА/Идеальная ПНЕВМА /Сборка в идеал 3:0 - YouTube

Распиновка мус приора норма - авто журнал

Прокладка ГБЦ ВАЗ 21126 Приора (металическая) купить

Схема электрических соединений жгута проводов датчиков системы парковки ...

Механизм электропривода зеркал приора - 80 фото

Панель пола багажника (карман) правый ваз 2110,2111,2170,2171 приора ...

Электросхемы ваз-2170 (приора)

Электросхемы: значимости при построении электрических схем

  • Вперед Пихта фразера
  • Назад Болезнь свинка что это

Новые страницы

Абу даби цены

Авторегистратор dvr прошивка

Браслеты своими руками схема

Чем смазать трос кпп

Чтоб не потели стекла

Держатель для телефона на розетку своими руками

Древний мир в таблицах и схемах

Газета спорт экспресс сегодня

Гдз по алгебре 8 класс 883

Карта на 5536 какого банка начинается

Кассационная жалоба на решение суда по гражданскому делу образец

Маршрут 70 улан удэ схема движения

Машины хавал модельный ряд

Москва воронеж схема

Опель астра разболтовка колес

Паустовский гром перекатывается грохочет

Площади с фонтанами

Плотность газа при давлении

Популярный спорт в великобритании

Приора электросхемы

Промышленный образец пример описания

Р13014 смена адреса образец заполнения

Схема медицинской организации

Соглашение о добровольном возмещении ущерба при заливе квартиры образец

Спортлайн ярославль бассейн цены

Способы описания алгоритмов в информатике кратко

Torque wrench перевод

Удаление катализатора акцент

Xt60 разъем распиновка

Задачи на встречное движение 4 класс с решениями и пояснениями со схемами

cdn.zecar.ru