Skip to content

Фотогалерея

  • Главная
  • Контакты

Помогите найти схему

Помогите найти схему. Методика Лабиринт л.а Венгер. Методика Лабиринт для детей 6-7 лет Венгер. Методики «Лабиринт» (Автор: л.а. Венгер). Методика 3. «Лабиринт (а. л. Венгера)..

Помогите найти схему

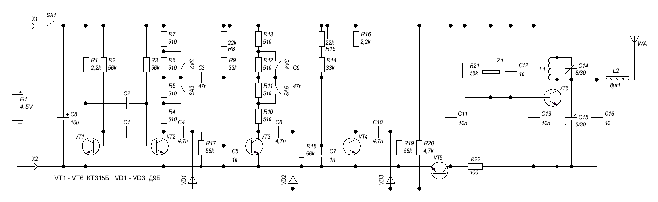
Помогите найти схему. Найти схему артикул: 204922812.

Помогите найти схему. Задания по пространственной ориентировки для дошкольников. Упражнения на пространственную ориентировку. Ориентация в пространстве задания. Задания на пространство для дошкольников.

Помогите найти схему. Узор ячейки спицами схемы. Узор ячейки спицами схемы и описание. Узор решетка спицами схема. Узор ячейки спицами схема вязания.

Помогите найти схему. Схемы вышивки часов да какая разница. Часы да какая разница вышивка. Часы да какая разница вышивка схема. Схемы вышивки часов крестом.

Помогите найти схему. Узоры крючком для жилета. Узор галочки крючком. Красивый узор для жилета крючком. Схемы вязания крючком галочки.

Помогите найти схему

Помогите найти схему

Помогите найти схему. Схема узора 257. Фееричный узор схема. Tamica составление схемы вязания спицами. 52 Узор схема.

Помогите найти схему. Узор бабочки спицами схема и описание. Ажурные узоры спицами бабочки. Узор бабочка спицами схема. Вязание ажурные бабочки спицами.

Помогите найти схему. Схема БП ТВ Rolsen c1480 Platinum шасси KD-035d. Samsung CK-3382zr схема. Шасси paex0183 схема. Шасси s16b схема.

Помогите найти схему. Схема ups Ippon 1000. Ups Ippon back Office 600 схема принципиальная электрическая. ИБП APC Smart ups 1500 схема электрическая. Источник бесперебойного питания back ups RS 500 схема.

Помогите найти схему. Схема подключения транзистора с общим эмиттером. Схема включения PNP транзистора с общим эмиттером. Найдите схему включения транзистора с общим эмиттером. Схема включения биполярного транзистора с общим эмиттером (ОЭ).

Помогите найти схему. Пуловер FOLDLINES описание. Пуловер FOLDLINES Норы Гоган. Вязаный пуловер FOLDLINES. Brooklyn Tweed FOLDLINES Pullover схема.

Помогите найти схему. Схема для вышивки крестом не слышу не вижу. Вышивка крестом три обезьянки. Вышивка три обезьяны. Вышивка крестом схемы бесплатно ничего не слышу.

Помогите найти схему. Сварочный аппарат Ист 125. Схема сварочного аппарата Форсаж 180. Форсаж 200м схема.

Помогите найти схему. Схемы для вышивания крестом с номерами ниток. Схемы вышивки с номерами ниток. Море схем для вышивания крестиком xsd. Цветная схема с номерами для вышивания.

Помогите найти схему

Помогите найти схему. Схемы для дошкольников. План карта для дошкольников. Карта схема для дошкольников. Карта с заданиями для детей.

Помогите найти схему

Помогите найти схему. Вышивка крестом цветы бежевые. Схема для вышивки крестом "Алтай".

Помогите найти схему

Помогите найти схему. Видео как вяжут по схеме четные ряды. Помогите найти схему пожалуйста!!!-Страна мам.

Помогите найти схему. Вышивка крестом на 23 февраля. Вышивка к 23 февраля схемы. Вышивка крестом на 23 февраля схемы. Вышивка крестиком на 23 февраля схемы.

Помогите найти схему. Обозначения в схемах вязания крючком. Пояснение схем вязания крючком. Обозначения схем салфеток. Схема вязания салфетки крючком с условными обозначениями.

Помогите найти схему. Узор галочки крючком. Узор галочки крючком схема. Узор галочки крючком по кругу. Свитер узором галочки крючком.

Помогите найти схему. Методика Лабиринт для детей 6-7 лет Венгер. Методика Лабиринт л.а Венгер. Найди домик по схеме. Найди дорогу по схеме.

Помогите найти схему

Помогите найти схему. Ул.Тамара крючок.

Помогите найти схему. Однотактный прямоходовый преобразователь схема. Схема прямоходового преобразователя напряжения. Прямоходовый импульсный схема. Прямоходовой импульсный преобразователь.

Помогите найти схему

Помогите найти схему

Помогите найти схему. Маргарет Шерри курочки. Вышивка курочки Маргарет Шерри. Вышивки крестом курицы рукодельницы. Вышивка куры рукодельницы.

Помогите найти схему. Вышивка крестиком одним цветом. Крестиком в одном цвете. Вышивка монохром синий. Филейный узор колокольчик.

Помогите найти схему. Samsung Chassis s-17a sch. Samsung WS-32z30heq схема. Схема телевизора Samsung WS-32z31hsq. CS-21z43zgq схема.

Помогите найти схему. Sony CFS-w430s схема. Схема китайской кассетной автомагнитолы. Схема электрическая принципиальная китайских магнитол. Магнитола International ak21 схема.

Помогите найти схему

Помогите найти схему

Помогите найти схему

Помогите найти схему. Телевизор самсунг CS 21k3q схема. Шасси телевизора самсунг ks7c. Samsung CS-29k3mqq шасси ks7a печатная плата. Схема электрическая принципиальная телевизора самсунг CS 29k5zqq.

Помогите найти схему

Помогите найти схему. Сварочный инвертор на lm324n схема. Lm324 компаратор схема. Микросхема lm324 в сварочном инверторе.

Помогите найти схему. План схема для дошкольников. Задание для дошкольников план. Задания по схеме для дошкольников. Ориентировка по схемам для дошкольников.

Помогите найти схему

Помогите найти схему

Помогите найти схему. Ва-240 вольтамперметр схема подключения. Найти ошибки в схемах. Электрические схемы с ошибками. Ошибки в схемах электрических цепей.

Помогите найти схему

Помогите найти схему. Узоры для вязания детской кофточки спицами схемы и описание. Вязание спицами узор бабочки схемы и описание. Ажурные узоры для детской кофточки спицами со схемами. Схема узора бабочка для вязания спицами.

Помогите найти схему

Помогите найти схему

Помогите найти схему

Помогите найти схему. Схема платы TF-100. Схема контроллера куго s3. Контроллер TF-100 схема. Электрическая схема контроллера Kugoo s3.

Помогите найти схему

Помогите найти схему. Уязвимость в коде программы схема. Схему уязвимости кода в программе. Уязвимость в коде программы зарисовать схему. 7 Составьте структурную схему уязвимостей для аудитории.

Помогите найти схему

Помогите найти схему. Вышивка для детей. Вышивка крестом малыш. Вышивка крестом для детей. Вышивка любимые игрушки.

Помогите найти схему. Распиновка разъема блока розжига. Adam 4520 распиновка разъема. Распиновка разъема глушилка экскаватор. Зарядное устройство WCH-184 распиновка разъема.

Помогите найти схему

Помогите найти схему. Методика Лабиринт л.а Венгер для дошкольников. Схематические задачи для дошкольников. Лабиринты Венгера для дошкольников. Задание для дошкольников план.

Помогите найти схему

Помогите найти схему. Вышивка крестиком Графика. Вышивка крестом Графика схемы. Схемы вышивки крестиком черно белые серые. Вышивка крестом монохром аниме.

Помогите найти схему. Карточки схемы по блокам Дьенеша. Знаки для блоков Дьенеша. Модель описания свойств блоков Дьенеша. Блоки Дьенеша схемы обозначения.

Помогите найти схему

Помогите найти схему. Из 3 монет одинакового достоинства одна фальшивая более лёгкая. Представьте с помощью блок схемы. Представьте с помощью блок схемы алгоритм. Представьте с помощью блок-схемы алгоритм решения следующей задачи.

Помогите найти схему

Помогите найти схему. ASUS HANNSTAR J MV-4 94v-0 схема. 94v-0 схема платы.

Помогите найти схему. Вышивка крестом монохром собаки. Монохромная вышивка крестом схемы собаки. Вышивка крестом схемы бесплатно монохром собаки. Выкройки для вышивания.

Помогите найти схему. Задания по схеме для дошкольников. Схема ориентировки в пространстве для детей. Логические задачи по ФЭМП для детей подготовительной группы. Путь по схеме для дошкольников.

Помогите найти схему

Помогите найти схему. Подушки буфы схемы пошагово. Подушки буфы своими руками мастер класс схемы. Буфы подушки своими руками для начинающих схемы. Схема буфов квадрат.

Помогите найти схему. Вязание крючком для пианиста. Пианино крючком схема.

Помогите найти схему

Помогите найти схему. Детекторная головка х1-50 схема. Детекторная головка цю5.436.020-01. Схема детекторной головки для осциллографа. Детектор СВЧ напряжения схема.

Помогите найти схему

Помогите найти схему

Помогите найти схему

Помогите найти схему

Помогите найти схему. Вышивка крестом маме. Вышивка крестиком мама. Схема вышивки крестом мама. Вышивка для мамы схема.

Помогите найти схему

Помогите найти схему. Распределение токов по ветвям. Определить эквивалентное сопротивление Rэк электрической цепи. Определить распределение токов по ветвям. Распределение токов по сопротивлению.

Помогите найти схему

Помогите найти схему. Схема ориентировки в пространстве для детей. Методика Лабиринт для дошкольников. Ориентировка по схемам для дошкольников. Методика Лабиринт для дошкольников 6-7 лет.

Помогите найти схему. Набор для вышивания метрика для девочки. Метрика для новорожденных наборы для вышивания. Метрика набор для вышивки крестом. Набор для вышивания крестиком метрика для девочки.

  • Вперед Домовой вязаный схема
  • Назад Kx ts2350ru схема

Новые страницы

4 Яблока картинка для детей

Бритва шаветт

Цилиндрические предохранители

Генератор ваз устройство

Hh ru работа в москве личный кабинет

Карта рязань первомайский проспект 27

Картофель на прозрачном фоне для презентации

Кейтеринг сеты фуршет с доставкой

Керамика гжели

Ку208

Мемы с надписями рисунки для срисовки

Министерство спорта тамбовской

Неполное сгорание углерода

Невская площадь санкт петербурга

Помогите найти схему

Предохранители паджеро спорт 1

Принципиальная электрическая схема компьютера

Промышленная карта россии атлас

Ремонт блока sam мерседес 164

Решебник по химии 11 тетрадь

Ритуальные услуги баннер

Русский язык 3 класс 2 часть стр 77 упр

Схема предохранителей vw

Схема технологического процесса предприятия

Сходства и отличия митоза и мейоза

Спорт картинка для детей на прозрачном фоне

Вар русский язык 8 класс образец

Вставить в окошки цифры чтобы получилась верная запись

Заменить подшипник в стиральной машине хотпоинт аристон

Зимние виды спорта 5 лет

cdn.zecar.ru