Skip to content

Фотогалерея

  • Главная
  • Контакты

Пневматическая электрическая схема

Пневматическая электрическая схема. Пневматическая схема электровоза вл11. Пневматическая схема вл11м. Схема вспомогательных цепей электровоза вл11. Пневматические цепи управления электровоза вл11.

Пневматическая электрическая схема. Пневматическая схема эп2д. Пневматическая схема эп2д моторвагонный. Пневматическая схема эп2д цветная. Пневматическая схема моторного вагона эп2д.

Пневматическая электрическая схема

Пневматическая электрическая схема

Пневматическая электрическая схема. Пневматическая схема электровоза 3эс5к. Пневматическая схема 3эс5к Ермак.

Пневматическая электрическая схема. Электрическая силовая схема электровоза чс4т. Электрическая схема электровоза чс4т. Схема пневматического тормозного оборудования электровоза чс4т. Пневматическая схема электровоза 2эс6.

Пневматическая электрическая схема. Пневматическая система электровоза вл80с. Пневматическая схема вл80с. Пневматическая схема электровоза вл80с. Пневматическая схема вл 65.

Пневматическая электрическая схема. Тяговый агрегат пэ2м чертеж. Электрическая схема тяговый агрегат пэ2м.

Пневматическая электрическая схема. Схема гидравлическая соединений г4. Схема гидравлическая принципиальная пум 500. Схема гидравлическая принципиальная чертеж. Схема гидравлическая структурная.

Пневматическая электрическая схема. Тормозное оборудование тепловоза 2тэ116. Пневматическая тормозная система тепловоза ТЭМ 18. Блокировочный клапан 2тэ116. Схема тормозного оборудования тепловоза тэм7.

Пневматическая электрическая схема. Пневматическая схема 2эс6. Электрическая низковольтная схема электровоза 2эс6. Пневмосхема 2эс6. УКТОЛ 2эс6 схема.

Пневматическая электрическая схема

Пневматическая электрическая схема

Пневматическая электрическая схема. Пневмопривод кинематическая схема. Пневматический привод схема. Пневматический привод схема подключения для станка. Принципиальная схема тормозной системы с пневматическим приводом.

Пневматическая электрическая схема

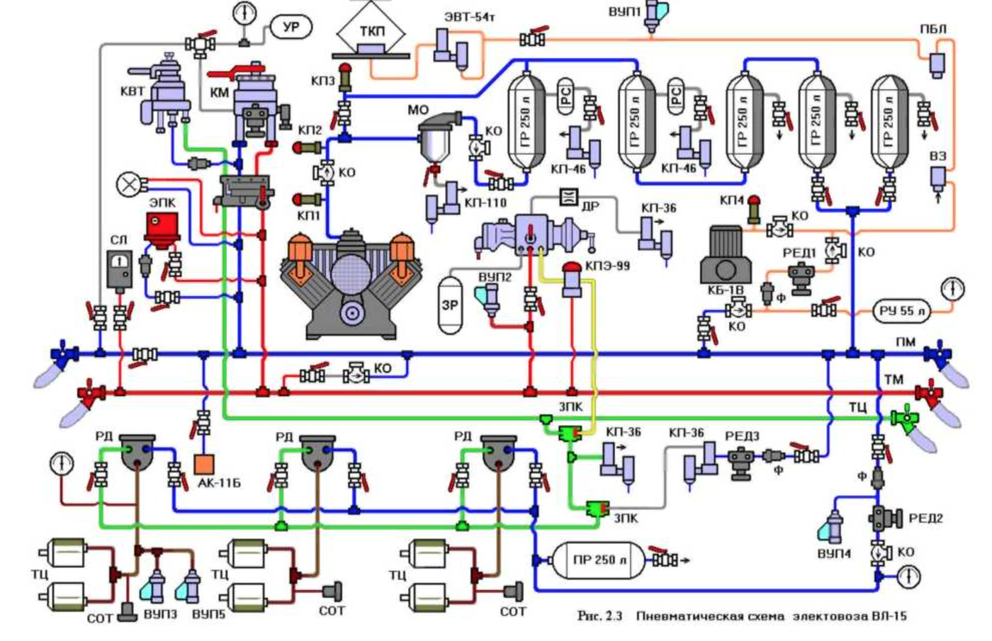
Пневматическая электрическая схема. Пневматическое оборудование электровозов эп2к. Пневматическая схема 2эс10. Пневматическая схема электровоза вл15. Пневматическая схема электровоза 2эс10.

Пневматическая электрическая схема. Пневматическая система электровоза вл10. Пневматическая система электровоза вл 85. Схема электровоза вл15. Пневматическая схема вл 65.

Пневматическая электрическая схема

Пневматическая электрическая схема. Силовая электрическая схема чс2т. Силовая электрическая схема чс2т протекание тока. Электрическая схема принципиальная чс2т. Схема электровоза чс2т.

Пневматическая электрическая схема. Тяговый агрегат пэ2м чертеж. ОПЭ-1 тяговый агрегат схема. Тяговый агрегат пэ2м схема силовая. Электрическая схема тяговый агрегат пэ2м.

Пневматическая электрическая схема. Пневмосхема электровоза вл65. Схема пневматического тормозного оборудования электровоза вл80с. Схема пневматического тормозного оборудования электровоза вл10. Пневматическая схема электровоза эп1.

Пневматическая электрическая схема. Схема гидравлическая принципиальная чертеж. Схема пневматическая принципиальная чертеж. Пневматика принципиальная схема. Принципиальная гидравлическая схема обозначения.

Пневматическая электрическая схема. Схема головного вагона эд4м. Схема эт2м моторного вагона. Электропоезд эд4м Электрооборудование. Силовая схема электропоезда эс1.

Пневматическая электрическая схема

Пневматическая электрическая схема

Пневматическая электрическая схема. Схемы тормозного оборудования электровозов 2эс10. Схема тормозного оборудования электровоза 2эс6. Пневматическая схема электровоза 2эс6. Пневматическая схема электровоза 2эс10.

Пневматическая электрическая схема. Пневматика обозначения на схемах. Пневмоцилиндр схема подключения. Пневматическая схема пневмоцилиндра. Расшифровка схемы пневмораспределителя.

Пневматическая электрическая схема. Принципиальная Пневмосхема станка. Пневматические схемы примеры. Схема соединений пневматическая пример. Электрическая схема распределения заготовок.

Пневматическая электрическая схема. Схема пневматического оборудования Эр 2 т. Схема тормозного оборудования электропоезда эр2. Тормозное оборудование электропоезда эд4м. Схема тормозного электропневматического оборудования вагона.

Пневматическая электрическая схема. Кинематические гидравлические и пневматические схемы. Пневмо гидравлическая электрическая схема. Электрическая (пневматическая, гидравлическая) схема ГСП П-201. Схема пневмогидрокинематическая.

Пневматическая электрическая схема. Пневматическая схема электровоза эп1. Схема пневматического оборудования электровоза эп1. Схема пневматического оборудования электровоза вл80с. Пневматическая схема электровоза эп 1 эм.

Пневматическая электрическая схема

Пневматическая электрическая схема. Распределитель пневматический схема подключения. Схемы пневматических распределителей. Пневматическая схема Camozzi. Пневматический распределитель схемы включения.

Пневматическая электрическая схема. Электрическая схема пескоподачи вл80с. Пневматическая схема 81717 принципиальная. Пневмосхема вл10. Эс1 пневматическая схема.

Пневматическая электрическая схема. Пневматическая система тепловоза чмэ3. Пневматическая схема тормозного оборудования 2тэ10м. Тормозная система тепловоза чмэ3. Пневматическая схема тепловоза 2тэ10мк.

Пневматическая электрическая схема. Схема электровоза 3эс5к Ермак. Электровоз Ермак 2эс5к панели управления. Силовая схема электровоза Ермак 3эс5к. Электрическая схема 3эс5к Ермак.

Пневматическая электрическая схема. Пневматический электропривод схема. Распределитель пневматический схема подключения. Схема пневматическая принципиальная. Схемы подключения электропневматических распределителей.

Пневматическая электрическая схема. Принципиальная гидравлическая схема обозначения. Схема гидравлическая принципиальная чертеж. Схема гидравлическая соединений г4. Обозначения на гидравлических схемах.

Пневматическая электрическая схема. Пневматическая схема эп2д. Электрическая схема пэ2м. НП-1 тяговый агрегат Пневмосхема. Пневмо схема эп 2д.

Пневматическая электрическая схема

Пневматическая электрическая схема

Пневматическая электрическая схема

Пневматическая электрическая схема. Схема гидравлическая 1м132. Принципиальная гидравлическая схема гидрооборудования. Гидравлическая схема гидропривода 1м88. Схема клапанов насоса гидравлического.

Пневматическая электрическая схема

Пневматическая электрическая схема. Пневматическая схема электропоезда эр2. Пневматическая схема электропоезда эд9м. Тормозная система эд9м. Тормозная схема эд9м.

Пневматическая электрическая схема. Пневматический привод тормозов схема упрощенная. Схема устройства пневматического тормоза. Электропневматический тормозной привод схема контуров. Гидропневматическая система тормозов схема.

Пневматическая электрическая схема. Пневматическая схема Camozzi. Camozzi 358-015-02 схема подключения Пневмораспределитель. Camozzi 358-015-02 схема подключения. Пневмораспределитель Camozzi схема.

Пневматическая электрическая схема. Пневматическая схема электровоза 2эс6. Схема пневматического тормозного оборудования электровоза вл80с. Пневматическая схема 2эс10. Схема пневматическая тормозного оборудования электровоза 2эс6.

Пневматическая электрическая схема. Пневматическая схема электровоза эп1. Пневматическая схема электровоза эп1м. Схема включения компрессора эп2д. Электрическая схема эп2д.

Пневматическая электрическая схема. Принципиальная схема гидравлического станка. П6330 пресс гидравлический схема. Принципиальная схема пневматической системы управления. Схема гидравлическая принципиальная г3.

Пневматическая электрическая схема. Пневмосхема 2эс5к. Пневмосхема 3 эс5к Ермак. Пневмосхема 2эс5к кран 130. Схема электровоза Ермак.

Пневматическая электрическая схема

Пневматическая электрическая схема. Схема пневматическая принципиальная вагона 81-765. Пневматическая схема вагона 81-765. Тормозная система 81-717. Схема электрическая принципиальная вагона 81-717.

Пневматическая электрическая схема

Пневматическая электрическая схема. Электрическая принципиальная схема для пневмоцилиндра. Пневмопривод схема принципиальная. Принципиальная схема пневматической системы управления. Принципиальная схема пневматическая с41r11 next.

Пневматическая электрическая схема

Пневматическая электрическая схема. Принципиальная схема станка-гексапода.. Автоматический отрезного станок плевмо схема. Гидравлическая принципиальная схема отрезного станка. Принципиальная пневматическая схема системы управления прессом.

Пневматическая электрическая схема

Пневматическая электрическая схема

Пневматическая электрическая схема. Пневматическая схема Camozzi. Схема пневматическая принципиальная. Принципиальная схема пневмопривода. Принципиальная монтажная схема пневматического оборудования.

Пневматическая электрическая схема. Пневматический исполнительный механизм схема. Позиционер исполнительного механизма схема. Схемы манометров с вращающимся поршнем. Поршневой исполнительный механизм схема.

Пневматическая электрическая схема. Тормозная система СДПМ. Электрическая схема системы торможения автомобиля. Пневмосистема вагона снегоочистителя гс4. Тормозная система адм 1.3.

Пневматическая электрическая схема. Пневматическая схема электровоза эп1м. Пневматическая схема электровоза эп20. Пневмосхема 3 эс5к Ермак. Пневматическая система эп2к.

Пневматическая электрическая схема. Схема пневматическая принципиальная чертеж. Схема гидравлическая принципиальная чертеж. Пример пневматической принципиальной схемы. Технологическая и гидравлическая схема.

Пневматическая электрическая схема

Пневматическая электрическая схема. Пневматическая схема тепловоза тэм2. Пневматическая тормозная система тепловоза ТЭМ 18. Пневматическая система тепловоза чмэ3. Пневматическая схема тепловоза тэ10м.

Пневматическая электрическая схема. Кинематическая схема пневмоцилиндра. Кинематическая схема подключения пневмодвигателя. Привод компрессора схема кинематическая принципиальная. Схема пневматических соединений п4.

Пневматическая электрическая схема. Тормозная система тепловоза ТМ 2. Тормозная система тепловоза ТЭМ 2. Пневматическая схема тепловоза тэм2. Воздушная система тепловоза тэм2.

Пневматическая электрическая схема

Пневматическая электрическая схема. Пневматическая схема электропоезда эр2. Схема пневматического оборудования Эр 2 т. Схема принципиальная пневматического оборудования трамвая. Пневматическая схема ра 1.

Пневматическая электрическая схема. Пневматическая схема тепловоза тэ10м. Пневматическая система тепловоза тэп70. Тормозная схема тепловоза тэп70. Схема тормозного оборудования тепловоза тэп70.

Пневматическая электрическая схема. Пневматика принципиальная схема. Принципиальная схема тормозной системы с пневматическим управлением. Принципиальная схема пневматической системы управления. Пневмопривод кинематическая схема.

Пневматическая электрическая схема. Принципиально гидравлическая схема. Устройство подачи эмульсии схема гидравлическая принципиальная. Схема электрогидравлическая принципиальная с3. Схема гидравлическая принципиальная пример.

Пневматическая электрическая схема

Пневматическая электрическая схема. Пневматическая система тепловоза 2тэ116у. Пневмосхема тепловоза 2тэ116у. Пневматическая система тепловоза тэп70. Тормозное оборудование тепловоза 2тэ116.

Пневматическая электрическая схема

Пневматическая электрическая схема. Пневматическая схема электровоза вл11м. Схема пневматического оборудования электровоза вл80с. Пневматическая цепь электровоза вл 85. Пневматическая система электровоза вл 85.

Пневматическая электрическая схема. Схема пневматического оборудования Эр 2 т. Пневматическая схема электропоезда эт2м. Пневматическая схема эп2д. Схема пневматического оборудования электропоезда эп2д.

Пневматическая электрическая схема. Пневматическая схема электропоезда эр2. Схема пневматическая принципиальная электропоезда эд9м. Тяговый электродвигатель электропоезда эд9м. Схема пневматическому оборудованию эд4м.

Пневматическая электрическая схема. Пневматическая схема тепловоза тэм18дм. Пневматическая тормозная система 2м62. Пневматическая схема электровоза тэм18дм. Пневмосхема тепловоза тэм18.

Пневматическая электрическая схема. Электрическая схема вагона 81 760. Схема бортовой сети 81 760. Схема пневматики вагона 81-717 общая. Силовая схема 81-760.

  • Вперед Как подключить автомагнитолу пионер схема
  • Назад Конкурс папа мама я спортивная семья

Новые страницы

Автоэлектрик наро фоминск

Автоматическая фотокамера производит растровые изображения размером 640 на 480 320 кбайт

Батарейки лр

Давление масла паджеро спорт

Диагностика ниссан икстрейл

Фитнес браслет xiaomi redmi smart

Гдз баранова 8 класс

Гдз математика 2 класс стр 75 номер 2

Картинки гиф нежность

Картинки обнимашки целовашки гифки

Лекарство литий

Масло в дроссельной заслонки акцент

Обменная карта после родов куда девается

Образец справки о применении усн

Окна в куровском

Операция на сердце прижигание при аритмии

Пневматическая электрическая схема

Подключение преобразователя 24 на 12 с тремя проводами схема

Подшито и пронумеровано образец

Протокол об административном правонарушении образец заполненный полицией

Протокол выемки заполненный образец

Распиновка блока абс

Ремонт холодильников liebherr в люберцах

Ремонт ноутбуков московский район

Сколько стоит залить ванну акрилом в москве

Транзистор мп41

Тренировка с гантелями для мышечной массы

Тренировочный вариант 28 фипи математика

Усиление нивы

Вот оно какое наше лето мультфильм

cdn.zecar.ru