Skip to content

Фотогалерея

  • Главная
  • Контакты

Philips принципиальные схемы

Philips принципиальные схемы. Телевизор Филипс схема электрическая. Филипс 20pf5121/58 блок питания ea1532a схема. Схема блока питания Филипс. Philips схема телевизора модель 29рт9020.

Philips принципиальные схемы. Схема блока питания Филипс. Mc44603p блок питания Philips. Mc44603p схема включения. Схема блока питания телевизора Philips.

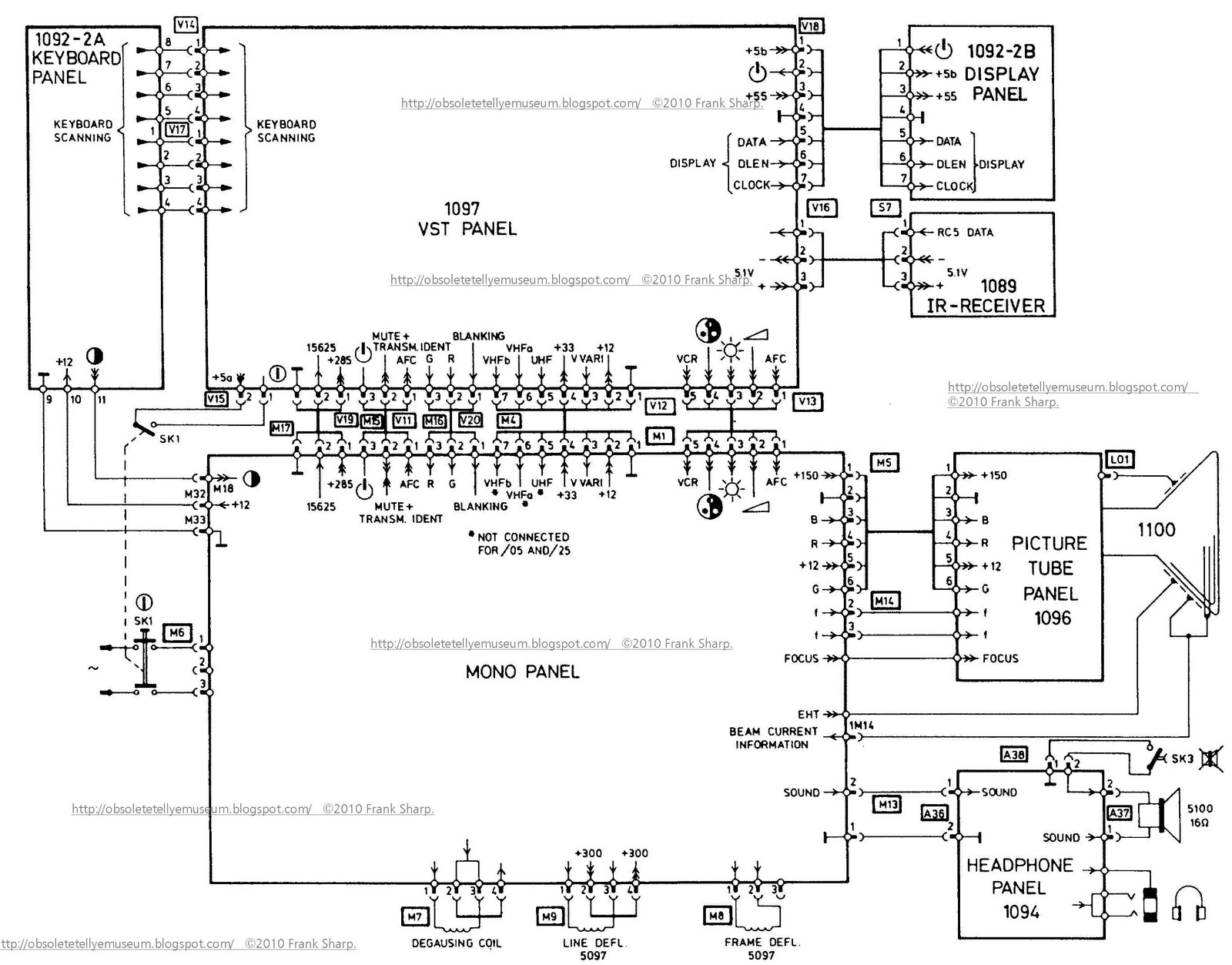
Philips принципиальные схемы. Схема строчной развертки телевизора Филипс. Схема строчной развертки телевизора самсунг. Схема телевизора Филипс 14рт138а/58r. Принципиальная схема телевизора Philips 14pt138a/58r.

Philips принципиальные схемы

Philips принципиальные схемы. Схема блок питания телевизора Филипс 21рт1354 58. Philips 14pt138a/58r схема. Принципиальная схема телевизора Philips 14pt138a/58r. Шасси ТВ Филипс 21рт133а/58r.

Philips принципиальные схемы. Philips Philetta схема. Мультиварка Филипс hd3039 схема электрическая принципиальная. Схема радиоприемника Philips ae2430/12. Радиоприемник Филипс 750 схема.

Philips принципиальные схемы. Схема монитора Philips 170s5. Схема блока питания Codegen 300w. Схема монитора Филипс 190cw. Схема блока питания монитора Philips 170s5.

Philips принципиальные схемы. Блок питания plcd190p1. Схема БП plcd190p3. Филипс 4311s10 блок питания. Схема блока питание Philips 32p404/60.

Philips принципиальные схемы

Philips принципиальные схемы. Филипс схема телевизора Филипс 14рт дюймов. Схемы телевизора Philips 14gr1239. Схема блок питания телевизора Филипс 21рт1354 58. Бл схема блока питания ТВ-Филипс 29рт522160.

Philips принципиальные схемы. 467-0101-23731g схема инвертора. Электробритва Филипс электрическая схема. Инверторы телевизоров Philips схемы. Bit3105p схема включения подсветки.

Philips принципиальные схемы

Philips принципиальные схемы. Plhc-a961b схема. Блок питания plhc-a961b 3pagc10030b-r. Схема БП Philips 20pf4121/58. 3pagc00001a-r схема.

Philips принципиальные схемы

Philips принципиальные схемы

Philips принципиальные схемы. Philips az1226/00c схема. Схема электрическая принципиальная телевизора Филипс. Схема Philips az1010. Схема телевизора Philips принципиальная схема.

Philips принципиальные схемы. Филипс схема телевизора Филипс 14рт дюймов. Схема телевизора Philips 21pt133a/58r. Схема телевизора Филипс 21рт137а 60r. Схема БП телевизора Филипс 14.

Philips принципиальные схемы

Philips принципиальные схемы

Philips принципиальные схемы. Схема телевизора Филипс 14pt138a/58r. Электрическая схема кинескопного телевизора Филипс. Схема телевизор Филипс 29pt5307. Телевизор Филипс схема электрическая.

Philips принципиальные схемы

Philips принципиальные схемы. Схемы автомагнитол Philips. Схема магнитолы Philips aq5150 схема электрическая принципиальная. Схема Филипс az1575. Philips aq5150 схема принципиальная.

Philips принципиальные схемы. Телевизор Philips 42pf5421. Блок питания телевизора Филипс схема. Телевизор Филипс схема электрическая. Телевизор Philips 42pf5421 42".

Philips принципиальные схемы

Philips принципиальные схемы. Схема монитора Philips 170s. Филипс 170s6 схема. Схема монитора Philips 107t6. Philips FL1.0 схема.

Philips принципиальные схемы

Philips принципиальные схемы

Philips принципиальные схемы. Принципиальная схема телевизора Philips 14pt138a/58r. Схема БП телевизора Филипс 14. Схема телевизора Филипс 21рт137а 60r. Схема телевизора Philips принципиальная схема.

Philips принципиальные схемы

Philips принципиальные схемы. Схема телевизора Филипс 14рт138а/58r. Схема электрическая принципиальная телевизора Филипс. Схема телевизора Филипс 14pt138a/58r. Блока питания Philips 14gx37a.

Philips принципиальные схемы. L01.02A шасси телевизора Филипс. Philips sq529.1e LC схема. Телевизор Филипс схема электрическая. Филипс 29pt8811s 60 принципиальная схема.

Philips принципиальные схемы. Схема телевизора Филипс 14рт138а/58r. Схема телевизора Филипс 14pt138a/58r. Схема телевизора Филипс 20gx8550/58r. Схема питания телевизора Филипс.

Philips принципиальные схемы. Блок-схема блока питания телевизора Филипс 42pfl4606h 60. Блок питания телевизора Филипс схема. Philips 42pfl5322s/60 схема блока питания. Схема блока питания телевизора Philips 42pfl320т.

Philips принципиальные схемы

Philips принципиальные схемы. Принципиальная схема телевизора Philips 14pt138a/58r. Схема телевизора Филипс 14pt138a/58r. Philips шасси s l01 2e AA. Philips,29pt5307/60,l01.1a AC защита строчной развертки.

Philips принципиальные схемы. Шасси телевизора Филипс 20gx51a. Philips 15pf4121/58 схема блока питания. Блок питания телевизора Филипс схема. Филипс 20pf5121/58 блок питания ea1532a схема.

Philips принципиальные схемы

Philips принципиальные схемы. Схема телевизора Филипс 21рт137а 60r. Схема ТВ Филипс 29рт8522/12. Схема строчной развертки телевизора Филипс 14rt138a. Схема телевизора Philips 29pt8841s/60.

Philips принципиальные схемы

Philips принципиальные схемы

Philips принципиальные схемы. Блок питания телевизора Филипс 32pfl3605. Схема блока питания Филипс. Схема блока питания TV Philips. Филипс ТВ схема блок питания.

Philips принципиальные схемы. Телевизор Philips 14pt1353 58 схема. Принципиальная схема телевизора Philips 14pt138a/58r. Philips схема телевизора модель 29рт9008/12. Схема ТВ Филипс рт29.

Philips принципиальные схемы. Блок питания телевизора Philips. Схема блока питания телевизора Philips. Схема блока питания телевизора Philips 431. Схема платы питания телевизора Филипс.

Philips принципиальные схемы

Philips принципиальные схемы

Philips принципиальные схемы. Шасси l01.1a AC. Шасси l01.1a AC схема. 21pt1727/60 схема шасси l01. Телевизор Philips 29pt8842s/60 схема c2456.

Philips принципиальные схемы

Philips принципиальные схемы. TP.ms3663s.pb801 блок питания. TP.ms3463t.pb755 схема. Шасси принципиальная схема TP.ms3463s.pb801. Ms3663s.pb801 схема.

Philips принципиальные схемы

Philips принципиальные схемы. ТВ Филипс 14рт138/58 r схема электрическая. 15pf4121/58 схема блока питания. Philips mx5700d схема. Схема телевизора Philips принципиальная схема.

Philips принципиальные схемы

Philips принципиальные схемы. Ap4310 блок питания. Pi-sb03 схема блока питания. Philips ТВ схема БП. Филипс 20pf5121/58 блок питания ea1532a схема.

Philips принципиальные схемы. Схема телевизора Филипс 21рт137а 60r. Телевизор Филипс схема электрическая. Принципиальная электрическая схема телевизора Philips. Схема телевизора Philips принципиальная схема.

Philips принципиальные схемы. Схемы автомагнитол Philips. Philips az1022/12. Philips az1316 00c схема. Магнитола Philips az 1310 c схема.

Philips принципиальные схемы. Структурная схема LCD телевизора. Принципиальная электрическая схема телевизора Philips. Структурная схема LСD телевизоров. Филипс ТВ схема блок питания.

Philips принципиальные схемы. Philips 15pf5121/58 схема блока питания. Блок питания телевизора Philips 14gr 1239/59h. Схема телевизора Филипс 14gx37a. Схема телевизора Филипс 15рт2767/60.

Philips принципиальные схемы. Philips mcd288/12 схема сабвуфера. Philips MCD 288/12 схема. Принципиальная схема mcd288/12. Блоке питания HTS схема.

Philips принципиальные схемы. Схема платы телевизора Филипс. Шасси телевизора Филипс 20gx51a. 21pt1727/60 схема шасси l01. Монитор CTX x762a схема.

Philips принципиальные схемы. 14pt1353/58 схема. Схема БП телевизора Филипс 14. 21pt1354/58 строчная схема.

Philips принципиальные схемы

Philips принципиальные схемы. Philips схема телевизора модель 29рт9020. Принципиальная схема телевизора Philips 14pt138a/58r. Филипс 20pf4121/58 схема блока питания.

Philips принципиальные схемы. Схема телевизора Philips принципиальная схема. Схема телевизора Филипс 14рт138а/58r. Схема БП телевизора Филипс 14. Схема телевизора Philips 58 принципиальная схема.

Philips принципиальные схемы. Телевизор Philips 29pt5507 29". Схема телевизора Philips шасси l7-1a. Philips схема телевизора модель 29рт9020. Philips,29pt5307/60,l01.1a AC защита строчной развертки.

Philips принципиальные схемы. Схема блок питания телевизора Филипс 32pfl3605. Телевизор Sitronics STV-2922f-s схема. Электрическая принципиальная схема LCD телевизора. Блок питания телевизора Филипс схема включения.

Philips принципиальные схемы

Philips принципиальные схемы

Philips принципиальные схемы

Philips принципиальные схемы

Philips принципиальные схемы. Philips шасси s l01 2e AA. L01.02A шасси телевизора Филипс. Схема телевизора Филипс 21рт137а 60r. Схема телевизора Philips LC4.9E.

Philips принципиальные схемы. Шасси l01.1a AC схема. Схема телевизора Philips шасси l7-1a. ИП Philips шасси l 0,4a схема. Шасси em2e неисправности.

Philips принципиальные схемы. Схемы автомагнитол Philips. Схема магнитофона Филипс az 1565. Philips az1050. Philips model MCM 166/12 Эл схемами.

Philips принципиальные схемы

Philips принципиальные схемы. Филипс aq 4150 принципиальная схема. Схема Philips az1010. Схема магнитолы Филипс aq 5150. Aq5150/14s схема.

Philips принципиальные схемы. Принципиальная схема телевизора Philips 14pt138a/58r. Philips схема телевизора модель 29рт9020.

Philips принципиальные схемы

Philips принципиальные схемы

  • Вперед Предохранитель каталог
  • Назад Полуостров схема

Новые страницы

Бородино гостиница

Доступный спорт

Электрическая схема шевроле круз

Гдз по математике в 5 класс виленкин

Гражданстройпроект

Как нарисовать кубок лиги чемпионов карандашом поэтапно

Как снять квартиру на час

Кардиганы фото схемы

Картины олег торопыгин

Легкие рисунки денег

Математика 3 класс страница номер 4

Математика 5 класс мерзляк учебник номер 915

Образец уведомления в мвд о приеме на работу иностранного гражданина

Обводим по точкам 3 4 года простые рисунки

Панельные батареи отопления

Распиновка кнопки стеклоподъемника приора

Распиновка провода зарядки телефона

Рецепт гювеча

Ремонт электроплит в минске на дому

С днем свадьбы 29 лет картинки с пожеланиями

Системы водоочистки воды

Техосмотр для осаго в свао

Укажите название войны которой посвящена карта балтийское море

Ультразвуковая чистка телефона

Until recently vegetarianism was fairly uncommon in britain

В каком году построили мост через вятку в советске

Влад и лиза из беременна в 16 после проекта санкт петербург

Внесение изменений в приказ образец

Загранпаспорт старый и новый образец

Заявление по собственному образец

cdn.zecar.ru