Skip to content

Фотогалерея

  • Главная
  • Контакты

Philips 32pfl3605 схема

Philips 32pfl3605 60 схема

PHILIPS PSU 32PFL3605D SCH Service Manual download, schematics, eeprom ...

Master Electronics Repair !: REPAIR / SERVICING TV PHILIPS 32PFL3605

PHILIPS 32PFL3605 Service Manual download, schematics, eeprom, repair ...

PHILIPS 32PFL3605/12 - TPM4.1E LA nie startuje podswietlenie

PHILIPS 32PFL3605H/12 TPM5.1E LA нет подцветки | TV Service

Philips 32PFL3605D LCD Esquema Fonte Tv32pfl3605d | Chess | Chess Theory

Master Electronics Repair !: REPAIR / SERVICING TV PHILIPS 32PFL3605

Philips 32pfl3605 - glosna praca inwertera - elektroda.pl

Philips 32pfl3605 - glosna praca inwertera - elektroda.pl

ТВБЫТСервис - Схемы телевизоров и д.р.

philips lcd tv manual

PHILIPS 32PFL3605/60 шасси TPM4.1E LA Блок питания | Форум по ремонту ...

Блок питания телевизора PHILIPS 32PFL5604/60 - Телевизоры и мониторы ...

Ремонт телевизора PHILIPS 32PFL3605/60 шасси TPM4.1E LA

LCD Philips: 32PFL3605/77 no arranca fuente

PHILIPS 32PFL3605/12 USER MANUAL Pdf Download | ManualsLib

Diagrama/Manual Televisor Philips 32PFL3605/D78 LC10.1

PHILIPS 32PFL3605/60; 42PFL3605/60 Шасси TPM4.1E LA

PHILIPS 32PFL3605/60; 42PFL3605/60 Шасси TPM4.1E LA

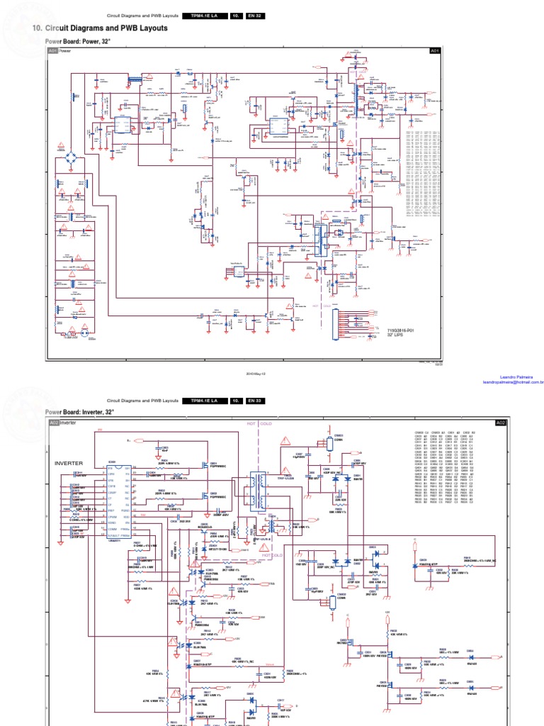
715G3656-M1C-000-005B , 996510033343 , 32PFL3605 , 42PFL3605 ...

PHILIPS 32PFL3605/60; 42PFL3605/60 Шасси TPM4.1E LA

PHILIPS 32PFL3605/12 - TPM4.1E LA nie startuje podswietlenie

Филипс 32PFL3605/60 - YouTube

Repair TV PHILIPS 32PFL3605/60chassis TPM4.1E LA

ремонт телевизора philips 32pfl3605/60 не включается - YouTube

PHILIPS 32PFL3605/60; 42PFL3605/60 Шасси TPM4.1E LA

715G3816-P03-H20-002U, PHILIPS 32PFL3605/12, POWER BOARD

[Brun] Pas de 24V ni 12V en sortie, alimentation TV Philips 32PFL3605/12

715G3656-M1A-000-005X , 715G3656-M1A-000-005B , (WK:953) , PHILIPS ...

Online FAQ over Philips - 32PFL3605/12

ТВБЫТСервис - Схемы телевизоров и д.р.

???? Philips 32???? ???? 32PFL3605/67 (How to Repair MT8222TMMU) - YouTube

PHILIPS 32PFL3605/60; 42PFL3605/60 Шасси TPM4.1E LA

PHILIPS 32PFL3605/77 SERVICE MANUAL Pdf Download | ManualsLib

  • Вперед Ргуп всф
  • Назад Гдз по математике г м капустина 6 класс

Новые страницы

81 Мотострелковый полк

Брендовые женские спортивные купить

Декларация усн образец заполнения

Динамометрический ключ стрелочный как пользоваться шкалой

Ефс 1 на гпх образец заполнения

Фитнес для детей 10

Гдз по русскому 6 класс ладыженская 2 часть упр 440

Ходатайство о награждении образец

Картинки ко дню россии раскраски для детей

Конденсаторы аксиальные

Круглая в плане постройка 7 букв сканворд

Куда можно сдать ноутбук за деньги

Мониторы российского производства

Образец договора дарения участка между близкими родственниками

Образец характеристики для работы

Обручальные кольца с гравировкой на заказ

Острава чехия

Паджеро спорт 3 дизель купить

Полная схема слов

Реклама мастера маникюра образец

Service engine soon mitsubishi

Схемы мотороллеров

Схемы пословиц

Спорт и личностные качества

Спорт ногами

Спортивные передачи на тв сегодня программа

Tl431a схема включения

Тренировка зумба в домашних условиях

Tridonic

Вывоз снега область

cdn.zecar.ru