Skip to content

Фотогалерея

  • Главная
  • Контакты

Переполюсовка зарядных устройств схемы

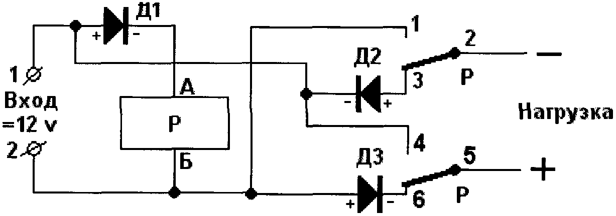
Переполюсовка зарядных устройств схемы. Схема защиты от переполюсовки и кз для зарядного устройства АКБ 12в. Схема зарядки аккумуляторов с защитой от кз. Тиристорное ЗУ для АКБ С защитой от переполюсовки. Схема зарядного устроиства с зашитой от короткого замикание.

Переполюсовка зарядных устройств схемы

Переполюсовка зарядных устройств схемы

Переполюсовка зарядных устройств схемы. Схема защиты от переполюсовки для зарядного устройства. Защита на реле блока питания от переполюсовки и короткого замыкания. Защита от кз для зарядного устройства на реле. Защита от переполюсовки зарядного устройства на реле схема.

Переполюсовка зарядных устройств схемы. Схема защиты от переполюсовки и кз для зарядного устройства АКБ. Схема от переполюсовки и короткого замыкания зарядного устройства. Схема защиты блока питания от короткого замыкания на транзисторе. Схема зарядки с защитой от переполюсовки.

Переполюсовка зарядных устройств схемы. Защита от переполюсовки зарядного устройства на реле схема. Защита от переполюсовки зарядного устройства на реле. Схема защиты от переполюсовки на автомобильное реле 12в. Защита блока питания от переполюсовки и короткого замыкания.

Переполюсовка зарядных устройств схемы. Схема защиты блока питания от короткого замыкания на транзисторе. Схема защиты от короткого замыкания на полевом транзисторе. ЗУ для АКБ на полевом транзисторе. Схемы зарядных устройств на полевом транзисторе.

Переполюсовка зарядных устройств схемы. Зарядное для аккумуляторов с защитой от короткого замыкания. Защита от короткого замыкания 12 вольт. Защита от кз и переполюсовки для зарядного устройства своими руками. Зарядка на ус3843 с защитой от переполюсовки.

Переполюсовка зарядных устройств схемы

Переполюсовка зарядных устройств схемы. Схему защиты переполюсовки зарядника авто аккумулятора. Схема защиты зарядного устройства от переполюсовки на аккумуляторе. Схема от переполюсовки и короткого замыкания аккумулятора. Схема реле контроля напряжения АКБ 12в.

Переполюсовка зарядных устройств схемы. Схема от переполюсовки и короткого замыкания зарядного устройства. Защита от переполюсовки на полевом транзисторе схема. Схема защиты от короткого замыкания на полевом транзисторе.

Переполюсовка зарядных устройств схемы. Схема защиты от короткого замыкания на тиристоре. Защита от переполюсовки и кз зарядного устройства на тиристоре. Схема тиристорного зарядного устройства с защитой от переполюсовки. Схема для ЗУ АКБ от переполюсовки..

Переполюсовка зарядных устройств схемы

Переполюсовка зарядных устройств схемы. Схема защиты от кз и переполюсовки зарядного устройства на реле.

Переполюсовка зарядных устройств схемы. Защита АКБ от переполюсовки схема. Схема защиты от переполюсовки и кз для зарядного устройства АКБ. Схема от переполюсовки и короткого замыкания аккумулятора.

Переполюсовка зарядных устройств схемы. ЗУ для автомобильного аккумулятора т-1021 схема. Схема зарядного устройства с защитой от кз. Схема защитного устройства от переполюсовки и короткого замыкания. Схема от переполюсовки и короткого замыкания аккумулятора.

Переполюсовка зарядных устройств схемы. Токовая триггерная защита блока питания. Схема от короткого замыкания зарядного устройства. Защита полевого транзистора от короткого замыкания. Защита от переполюсовки зарядного на полевом транзисторе.

Переполюсовка зарядных устройств схемы. Защита АКБ от переполюсовки схема. Защита зарядки от переполюсовки и короткого замыкания. Защита от переполюсовки на диоде. Схема защиты от переполюсовки для зарядного устройства.

Переполюсовка зарядных устройств схемы. Схема защиты от короткого замыкания на тиристоре. Защита блока питания от короткого замыкания на тиристоре. Схема защиты блока питания от короткого замыкания на реле. Схема защиты БП от кз и перегрузки на реле.

Переполюсовка зарядных устройств схемы

Переполюсовка зарядных устройств схемы. Защита от кз и переполюсовки на полевом транзисторе. Защита полевого транзистора от короткого замыкания. Защита от переполюсовки на полевом транзисторе. Защита от переполюсовки АКБ полевой транзистор.

Переполюсовка зарядных устройств схемы. Схема зарядного с защитой от кз и переполюсовки. Схема от переполюсовки и короткого замыкания зарядного устройства. Схема переполюсовки АКБ. Схема защиты от переполюсовки.

Переполюсовка зарядных устройств схемы

Переполюсовка зарядных устройств схемы

Переполюсовка зарядных устройств схемы. Защита от переполюсовки на полевом транзисторе схема. Защита от кз и переполюсовки на полевом транзисторе. Защита от переполюсовки на полевом транзисторе. Защита от переполюсовки на полевом транзисторе n-канальном.

Переполюсовка зарядных устройств схемы. Схема защиты от переполюсовки и кз для зарядного устройства АКБ. Защита от переполюсовки на диоде Шоттки. Защитный диод от переполюсовки схема. Защитный диод от переполюсовки.

Переполюсовка зарядных устройств схемы

Переполюсовка зарядных устройств схемы

Переполюсовка зарядных устройств схемы

Переполюсовка зарядных устройств схемы. Схема тиристорного зарядного устройства с защитой от переполюсовки. Защита на реле блока питания от переполюсовки и короткого замыкания. Схема зарядного с защитой от кз и переполюсовки. Схема защиты от превышения напряжения 12в.

Переполюсовка зарядных устройств схемы

Переполюсовка зарядных устройств схемы. Схема защиты от короткого замыкания на полевом транзисторе. Схема защиты от кз и переполюсовки зарядного устройства. Схема автомобильного зарядного устройства на полевом транзисторе. Схема зарядного с защитой от кз и переполюсовки.

Переполюсовка зарядных устройств схемы. Защита от переполюсовки на диоде Шоттки. Схема реле напряжения 12в. Защита от кз для блока питания на реле. Схема от переполюсовки и короткого замыкания зарядного устройства.

Переполюсовка зарядных устройств схемы. Защита БП от короткого замыкания на реле схема. Защита от кз для зарядного устройства на реле. Схема защиты от кз и переполюсовки зарядного устройства. Схема защиты от короткого замыкания для зарядного устройства.

Переполюсовка зарядных устройств схемы. Защита полевого транзистора от короткого замыкания. Защита от переполюсовки зарядного на полевом транзисторе. Защита от переполюсовки на полевом транзисторе схема. Схема защиты от кз и переполюсовки на полевом транзисторе.

Переполюсовка зарядных устройств схемы. Защита от переполюсовки зарядного устройства на полевом транзисторе. Защита от переполюсовки на полевом транзисторе схема. Схема зарядного устройства с защитой от кз. Схема защиты от кз и переполюсовки на полевом транзисторе.

Переполюсовка зарядных устройств схемы. Защита полевого транзистора от короткого замыкания. Схема электронного предохранителя для блока питания. Схема защиты по току на полевом транзисторе. Электронный предохранитель на полевом транзисторе схема.

Переполюсовка зарядных устройств схемы. Схема от переполюсовки и короткого замыкания зарядного устройства. Защита от переполюсовки зарядного устройства на реле схема. Схема зарядного устройства для аккумуляторов с защитой от кз. Схема защиты переполюсовки аккумулятора.

Переполюсовка зарядных устройств схемы. Схема зарядного устройства с защитой от кз. Защита от короткого замыкания в блоке питания на полевом транзисторе. Схема защиты от кз и переполюсовки для блока питания. Схема защиты от кз и переполюсовки зарядного устройства.

Переполюсовка зарядных устройств схемы. Защита от переполюсовки на полевом транзисторе схема. Схема защиты от переполюсовки MOSFET. Схема защиты от короткого замыкания на полевом транзисторе. Схема переполюсовки на полевом транзисторе.

Переполюсовка зарядных устройств схемы. Защита полевого транзистора от короткого замыкания. Схема защиты ЗУ от кз и переполюсовки. Защита от переполюсовки на полевом транзисторе схема. Схема переполюсовки АКБ.

Переполюсовка зарядных устройств схемы. Защита от переполюсовки на полевом транзисторе схема.

Переполюсовка зарядных устройств схемы. Схема защиты от переполюсовки для зарядного устройства. Защита от переполюсовки на полевом транзисторе схема. Схема зарядного устройства с защитой от кз. Схема зарядки АКБ на полевом транзисторе.

Переполюсовка зарядных устройств схемы. Схема защиты от переполюсовки. Схема постоянного тока защита от переполюсовки. Защита АКБ от переполюсовки схема. Схема защиты от переполюсовки на реле.

Переполюсовка зарядных устройств схемы. Схема защиты от переполюсовки. Защита зарядки диодом от переполюсовки. Электрическая схема ЗУ Катунь-510. Схема зарядки АКБ С защитой и от переполюсовки.

Переполюсовка зарядных устройств схемы. Защита от кз и переполюсовки на полевом транзисторе. Защита от переполюсовки на полевом транзисторе. Защита от кз и переполюсовки на реле. Схема защиты от перенапряжения и переполюсовки.

Переполюсовка зарядных устройств схемы. Схема от переполюсовки и короткого замыкания зарядного устройства. Схема защиты блока питания от короткого замыкания на реле. Схема защиты от переполюсовки на реле. Защита от кз и переполюсовки для зарядного на реле схема.

Переполюсовка зарядных устройств схемы

Переполюсовка зарядных устройств схемы

Переполюсовка зарядных устройств схемы

Переполюсовка зарядных устройств схемы

Переполюсовка зарядных устройств схемы. Схема защиты блока питания от короткого замыкания и переполюсовки. Схема зарядного с защитой от кз и переполюсовки. Схема защиты от короткого замыкания для зарядного устройства. Защита ЗУ от переполюсовки аккумулятора схема.

Переполюсовка зарядных устройств схемы. Защита АКБ от перезаряда схема. Схема защиты аккумулятора от перезаряда. Схема контроля напряжения на tl431. Защита АКБ от переполюсовки схема.

Переполюсовка зарядных устройств схемы. Схема зарядного с защитой от кз и переполюсовки. Схема тиристорного зарядного устройства с защитой от переполюсовки. Защита от кз для зарядного устройства на реле. Защита на реле блока питания от переполюсовки и короткого замыкания.

Переполюсовка зарядных устройств схемы

Переполюсовка зарядных устройств схемы. Защита БП от короткого замыкания на реле схема. Защита БП от кз на реле схема. Схема защиты БП от кз и перегрузки на реле. Схема защиты от кз на реле.

Переполюсовка зарядных устройств схемы. Защитный диод Шоттки от переполюсовки. Диод Шоттки в схеме защите. Защитные диоды Шоттки схема. Схема защиты от переполюсовки и кз для зарядного устройства АКБ 12в.

Переполюсовка зарядных устройств схемы

Переполюсовка зарядных устройств схемы

Переполюсовка зарядных устройств схемы

Переполюсовка зарядных устройств схемы

Переполюсовка зарядных устройств схемы. Схема защиты от короткого замыкания на полевом транзисторе. Схема защиты блока питания от короткого замыкания на транзисторе. Защита от переполюсовки на полевом транзисторе схема. Защита от кз на полевом транзисторе схема.

Переполюсовка зарядных устройств схемы. Схема от короткого замыкания зарядного устройства. Схема защиты блока питания от короткого замыкания на реле. Схема от переполюсовки и короткого замыкания зарядного устройства. Защита от переполюсовки зарядного устройства на реле схема.

Переполюсовка зарядных устройств схемы. Защита от кз для зарядного устройства на реле. Схема защиты от переполюсовки и кз для зарядного устройства АКБ 12в. Защита от кз и переполюсовки для зарядного устройства на реле. Схема зарядного устройства с защитой.

Переполюсовка зарядных устройств схемы. Схема зарядного устройства для аккумуляторов с защитой от кз. Защита от кз зарядного БП для автомобильного аккумулятора. Схема ЗУ-2м с защитой от переполюсовки. Схема зарядного устройства для АКБ С защитой от кз на реле.

Переполюсовка зарядных устройств схемы

Переполюсовка зарядных устройств схемы. Защита по току на полевом транзисторе. Защита от переполюсовки на полевом транзисторе схема. Схема от переполюсовки на полевом транзисторе. Схемы зарядных устройств на полевом транзисторе.

Переполюсовка зарядных устройств схемы. Защита зарядки от переполюсовки и короткого замыкания. Защита светодиода от переполюсовки. Защита зарядного от переполюсовки на реле. Релейная защита от переполюсовки.

Переполюсовка зарядных устройств схемы. Диодная защита от переполюсовки. Защита от переполюсовки зарядного устройства на реле. Защита блока питания от переполюсовки. Защита от переполюсовки 12 вольт на реле.

Переполюсовка зарядных устройств схемы. Схема защиты блока питания от короткого замыкания на транзисторе. Схема защиты от короткого замыкания на полевом транзисторе. Защита блока питания от переполюсовки и короткого замыкания. Схема защиты БП от кз и перегрузки на реле.

Переполюсовка зарядных устройств схемы. Схема зарядки с защитой от переполюсовки. Схема защиты от перенапряжения и переполюсовки. Простая схема защиты от переполюсовки. Защита зарядного устройства от короткого замыкания и переполюсовки.

Переполюсовка зарядных устройств схемы

Переполюсовка зарядных устройств схемы. Защита АКБ от переполюсовки схема. Защита от переполюсовки на диоде Шоттки. Схема защиты от переполюсовки на реле. Схема защиты от перенапряжения и переполюсовки.

Переполюсовка зарядных устройств схемы

Переполюсовка зарядных устройств схемы. Схема защиты от переполюсовки для зарядного устройства. Схема диодного моста для защиты от переполюсовки. Схема умной защиты АКБ от переполюсовки. БП-24 блок питания 9 вольт схема с защитой от переполюсовки.

Переполюсовка зарядных устройств схемы. Защита светодиода от переполюсовки. Защита от переполюсовки на полевом транзисторе схема. Схема зарядки с защитой от переполюсовки. Схема умной защиты АКБ от переполюсовки.

Переполюсовка зарядных устройств схемы. Защита от кз на полевом транзисторе схема. Защита от переполюсовки на полевом транзисторе схема. Схема зарядки АКБ на полевом транзисторе. Защита зарядки от переполюсовки и короткого замыкания.

Переполюсовка зарядных устройств схемы. Схема защиты зарядного устройства от переполюсовки на аккумуляторе. Защита блока питания от переполюсовки. Схема от переполюсовки и короткого замыкания зарядного устройства. Схема защиты от переполюсовки аккумулятора на диодах.

Переполюсовка зарядных устройств схемы. Схема зарядки с защитой от переполюсовки. Схема тиристорного зарядного устройства с защитой от переполюсовки. Схема автоматической регулировки тока заряда АКБ. Принципиальная схема зарядки аккумулятора.

Переполюсовка зарядных устройств схемы

Переполюсовка зарядных устройств схемы. Релейная защита от переполюсовки зарядного устройства. Схемы защиты от переполюсовки автомобильного зарядного устройства. Схема зарядки АКБ С защитой и от переполюсовки. Защита от кз и переполюсовки для зарядного устройства на реле.

Переполюсовка зарядных устройств схемы

Переполюсовка зарядных устройств схемы. Схема igp1 защита. Принципиальная схема защиты dlx12112601 0,5k. Eurosound d 900 схема защиты. Схема защиты от переполюсовки и кз для зарядного устройства АКБ.

Переполюсовка зарядных устройств схемы. Защита полевого транзистора от короткого замыкания. Схема защиты от короткого замыкания для зарядного устройства. Защита от переполюсовки на полевом транзисторе схема. Схема от переполюсовки и короткого замыкания аккумулятора.

  • Вперед Вентимилья италия
  • Назад Rem 16

Новые страницы

Английский язык учебник 4 класс стр 108 упр 1

Брасс техника плавания схема

Деливери клаб уфа

Доброе утро на таджикском языке картинки с надписями

Доверенность для росреестра для физических лиц образец

Единица измерения бод

Гдз по русскому 502

Гдз русский язык 8 класс упражнение 439

Исправление описки в решении суда гпк рф образец заявления

Кайраккумское море

Как реагирует дождевой червь на прикосновение

Как сдать с первого раза на права

Картинки про лицемерие и двуличие

Метро спортивная москва

Мороженое буэно

Оби волгоград каталог товаров

Отель райдерс лодж

Переполюсовка зарядных устройств схемы

Полировка фар в калуге

Простая программа для схем

Raspberry pi экран

Распиновка разъемов автомагнитол панасоник

Ремонт beats studio 3

Ресторан да винчи в старом осколе

Шкафы купе в химках на заказ

Тренировочный вариант 2 обществознание

Трудовой договор с инвалидом 2 группы образец 2023

Унитаз компакт нео

Ваз 2107 карбюратор дергается при разгоне

Ваз 2115 в тюмени

cdn.zecar.ru