Skip to content

Фотогалерея

  • Главная
  • Контакты

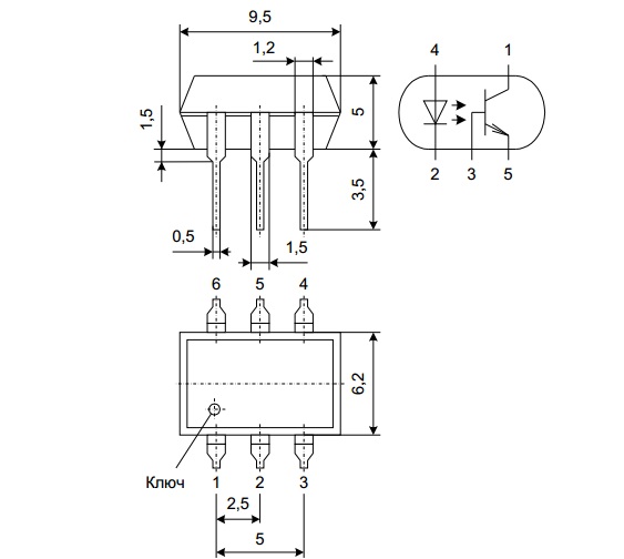
P627 оптопара технические характеристики

Ливгидромаш Мини Гном 7-7 [6/29] Технические характеристики

Оптопара TLP627

Optoma DS322e [70/72] Технические характеристики

原装正品 P627 TLP627-1 DIP-4直插光电耦合器隔离器三奕电子_虎窝淘

2022/10/25 அமெரிக்க கடற்படை கப்பல் இலங்கைக்கு வருகை…US Navy ship P627 ...

Оптрон схема фото

ACPL-C79A-000E оптопара >> недорого купить

⭐ Оптрон TLP627-2 (SMD). Низкие цены. На складе в наличии.

Оптрон (оптопара) PC817: datasheet, характеристики и схемы

Чохол для планшета BeCover for Samsung Tab S6 Lite 2024 P620/P625/P627 ...

Чохол для планшета BeCover for Samsung Tab S6 Lite 2024 P620/P625/P627 ...

TLP521-2 оптопара >> недорого купить

Гигантская оптопара / Хабр

Разбираемся что такое оптрон, оптопара или оптореле | Паяльник | Дзен

Чохол для планшета BeCover for Samsung Tab S6 Lite 2024 P620/P625/P627 ...

Оптопара PC817⭐2-4-8 Канальний Модуль Керування Напругою⭐Доставка

АОТ127Б DIP6 Оптопара транзисторная купить в интернет-магазине «Ай-Пи ...

Чохол для планшета BeCover for Samsung Tab S6 Lite 2024 P620/P625/P627 ...

Оптопара PC817C Sharp купить на OZON по низкой цене (1257619059)

История поддержки. Разбираем GPIO и Оптопара постоянного тока / РепкаБлог

Датчик оптический открытая оптопара для Ардуино H1005 Модуль

Оптрон (оптопара) PC817: datasheet, характеристики и схемы

Оптопара PC817 - купить с доставкой по выгодным ценам в интернет ...

Микросхема PC817C (PC817); Оптрон (оптопара), новый, в наличии. Цена ...

Оптопара pc817 схема включения, характеристики и datasheet

Оптрон (оптопара) транзистор PC817C (PC817-C), в корпусе DIP4 80В 50мА ...

Оптрон (оптопара) PC817: datasheet, характеристики и схемы

Оптопара pc817 схема включения, характеристики и datasheet

Оптопара PC817⭐2-х Канальний Модуль Керування Напругою⭐Доставка

Технические ресурсы | АССАП

Оптопара pc817 схема включения, характеристики и datasheet

P627 O Ptocoupler TLP627 TLP627 1 Optocouplersเปลอร์DIP 4|optocoupler ...

100pcs P627 TLP627 TLP627 1 optocoupler Chip SOP 4-in Integrated ...

Оптопара 817 datasheet. Оптопара PC817: характеристики, применение и ...

Оптопара ОЭП-12. Низкие цены. На складе в наличии.

  • Вперед Тематический тренинг по русскому
  • Назад Как заменить свечи накала

Новые страницы

День зимних видов спорта февраля 2024

Гарибальди 11 москва

Гдз форвард 8 класс рабочая тетрадь

Гдз по русскому 2 класс перспектива часть 2

Как почистить бак в бане

Как привязать ключ с алиэкспресс к сигнализации

Какие спортсмены выступали

Калибровка вариатора хонда фит скрепкой

Колледж николаева москва официальный сайт

Красивые картинки с днем рождения любимой свекрови

Крышка для унитаза с доводчиком

Майя с днем рождения картинки красивые с пожеланиями мерцающие

Нагреватель воды 10 литров

Не горят птф ланос

P627 оптопара технические характеристики

Построение биссектрисы треугольника

Работа в тобольске монтажник сантехник

Расчет синфазного дросселя

Северная америка в составе сша и канады занимает территорию с населением по размерам территории сша

Схема сеток

Спортивная игра с мячом 7

Спортклуб юный ястреб

Sports ua

Стабилизатор тл431

Ткань для спортивных штанов

Тренировочные задания по математике 2 класс

Уведомление родителям о двойке в четверти образец

Wb 6 класс spotlight

Замена переднего ступичного подшипника хонда фит

Зубная паста тюбик рисунок

cdn.zecar.ru