Skip to content

Фотогалерея

  • Главная
  • Контакты

Обжиг цинковой обманки

Красивые обманки от Гранкина и Каванны - YouTube

обзор на первую серию обжиг шоу в.л.о. - YouTube

Загадки обманки 2! Разминка мозга ?? #загадки #тайны #факты #наука - YouTube

Продам украшения для пирсинга и украшения-обманки ( клипсы). Так же ...

Продам украшения для пирсинга и украшения-обманки ( клипсы). Все новое ...

Установка обманки клапана ЕГР — Opel Astra G, 1,4 л, 1999 года | своими ...

Обманка синяя – купить в интернет-магазине | Формик

Обманка с кристаллом купить

Обманка на лямд.(Чертеж обманки). — Volvo V50, 1,6 л, 2006 года ...

Ионные кристаллы.

LED по кругу #2 …и все же обманки — KIA Rio X-Line, 1,6 л, 2020 года ...

Обманка лямбда-зонда, наболевшие темы… — Mazda 3 (1G) BK, 2 л, 2006 ...

Обжиг столешницы из дерева газовой горелкой 93 фото

Допускается ли выполнять вырезку отверстия в основной трубе для ...

Обманки в Габаритные огни и подключени их к ДХО — Volkswagen Jetta V, 1 ...

1 Вычислите объем сернистого газа (н.у.), который образуется при обжиге ...

Игра для праздника «Тосты-обманки на День рождения» | Карточная ...

1 Вычислите объем сернистого газа (н.у.), который образуется при обжиге ...

Загадки-обманки

Цинк. Описание, свойства, происхождение и применение металла ...

Сульфид цинка

Сульфид цинка

Ишак упрямый на морковь не ведется! — Toyota Avensis II, 2 л, 2008 года ...

Цинк

Обманка лямбда зонда. Электронные и механические обманки. — DRIVE2

Изразец Грифон одноцветный синий из керамики | ЯКМ

Допускается ли выполнять вырезку отверстия в основной трубе для ...

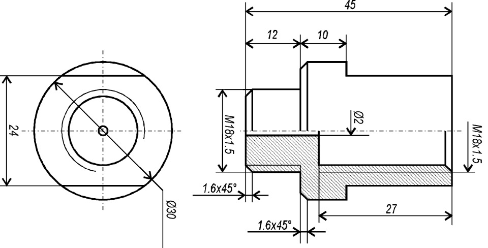
Обманка на кислородный датчик чертеж фото - PwCalc.ru

Обманки для LED лампочек своими руками — Opel Vectra C, 1,9 л, 2006 ...

Правила использования цинковой пасты

Загадки обманки для детей и взрослых - 1000___idey_i_sovetov

  • Вперед Перевод volkswagen
  • Назад Какие льготы предусмотрены инвалидам

Новые страницы

Акт подключения электроэнергии образец

Аш 433

Б5 источник питания схема

Бесплатные схемы больших вышивок крестом

Боковой склероз амиотрофический

Частота замены воздушного фильтра

Cortland rs 300

Этот фильм вовсе не интересен не прекращающиеся дожди нарушили все наши планы

Филиппины столица

Фрэнки ван пис рисунок

Гранд фитнес маяковская калуга

Картинка раскраска майский жук

Картинки спокойной ночи сыночек от мамы

Красное озеро горнолыжный курорт

Лукашик 1401

Николай 2 на фоне флага рисунок

Окрестности ялты достопримечательности

Пай дей 2

Песни вперемешку

Питер уоттс ложная слепота

Площадь перамоги минск

Презентация чтение слов с буквой с 1 класс школа россии

Приглашение в испанию для визы образец

Регулировка клапанов ваз 2121 нива карбюратор

Ремонт строительных инструментов

Сравнить октавию и короллу

Установка сцепления нива

Замена кулисы 2110

Заявление на алименты образец в мировой суд не в браке

Железные двери раменское

cdn.zecar.ru