Skip to content

Фотогалерея

  • Главная
  • Контакты

Нептун схема подключения

Нептун схема подключения. Датчик контроля протечки воды sw005 схема подключения. Нептун защита от протечек схема подключения на 2. Схема подключения системы протечки воды Нептун. Датчик sw005 контроля протечки схема.

Нептун схема подключения. Датчик протечки Нептун sw005 схема подключения. Схема подключения Нептун Base 220. Sw005 датчик протечки схема принципиальная. Схема датчика Нептун sw005.

Нептун схема подключения. Датчик протечки воды Нептун проводной схема подключения. Нептун защита от протечек схема подключения. Схема подключения Нептуна защита от протечек электрическая. Neptun Smart схема подключения.

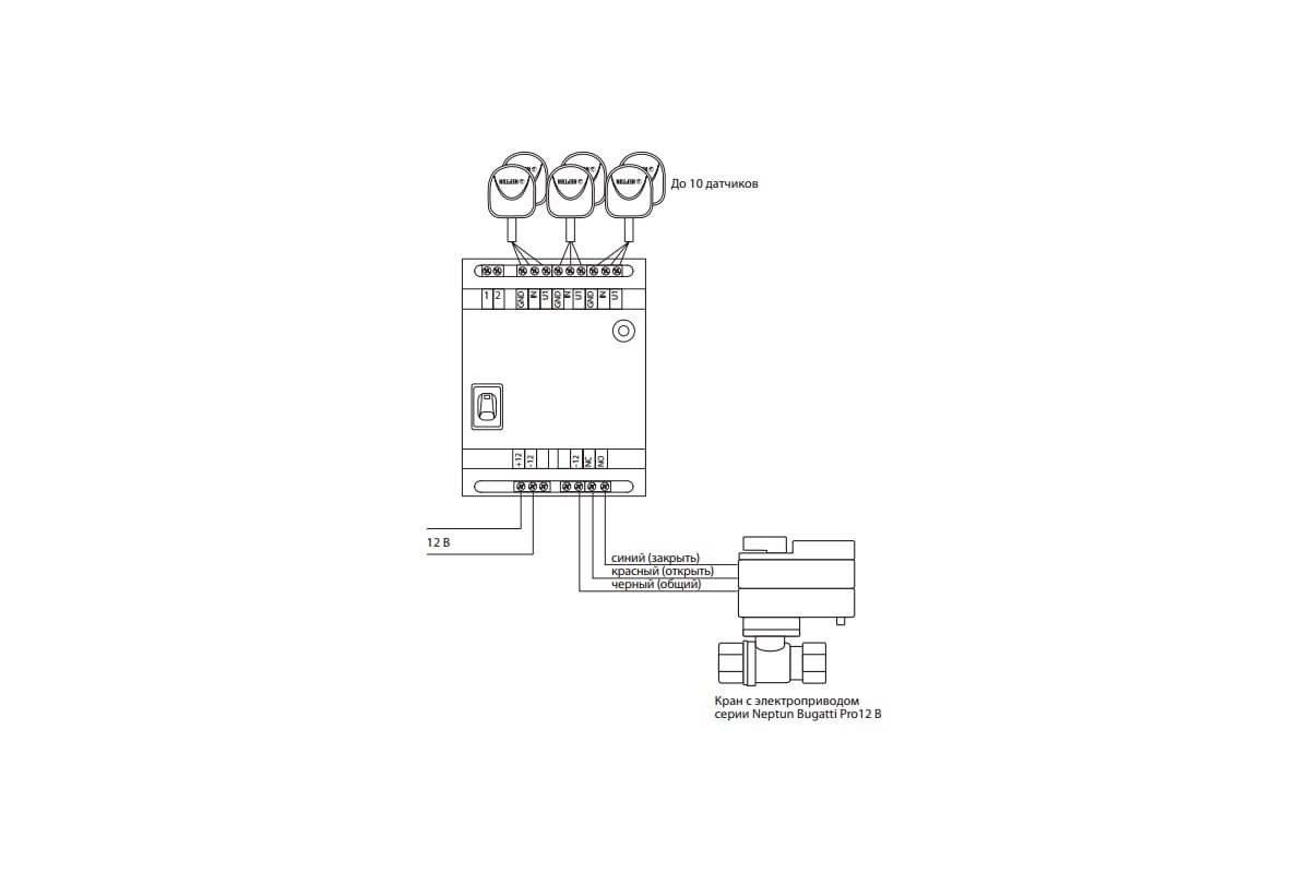
Нептун схема подключения. Контроллер скпв220в-din. Контроллер Neptun скпв12в-din. Шаровой кран с электроприводом 220в схема подключения. Краны Нептун 12в схема подключения.

Нептун схема подключения. Схема подключения Нептун. Neptun подключение. Подключаем систему Нептун схема. Neptun prow схема принципиальная электрическая.

Нептун схема подключения. Схема датчика протечки воды Нептун. Система от протечек Нептун схема подключения. Схема подключения системы контроля протечек воды Нептун. Схема подключения протечки воды Нептун.

Нептун схема подключения. Краны Гидролок схема подключения. Схема подключения блока Нептун. Блок подключения кранов Нептун схема подключения. Схема подключения Гидролок Бугатти.

Нептун схема подключения. Нептун смарт схема подключения кранов. Нептун схема подключения кранов prow 12. Схема подключения Нептун prow. Блок управления Нептун смарт.

Нептун схема подключения. Контроллер Нептун скпв220в стандарт. Контроллер скпв220в-din. Neptun схема подключения к 220в. Схема подключения кранов к модулю управления системы Нептун.

Нептун схема подключения. Кран шаровый с электроприводом 220в Нептун схема подключения. Шаровой кран с электроприводом Profi 12в. Схема включения крана Нептун 12 в. Кран Нептун с электроприводом схема подключения.

Нептун схема подключения. Датчик протечки Нептун схема подключения. Датчик утечки воды схема подключения. Датчик протечки Neptun sw005 схема. Нептун схема подключения датчиков протечки воды.

Нептун схема подключения. Система контроля протечек 1/2" Neptun Bugatti Base. Системы защиты от протечек воды схема монтажа. Нептун система защиты от протечек установлен. Датчик протечки Нептун схема подключения.

Нептун схема подключения. Схема подключения датчика протечки Нептун смарт. Схема подключения контроллера утечек воды Нептун-1. Модуль управления Neptun Smart схема подключения. Нептун схема подключения кранов prow 12.

Нептун схема подключения. Нептун шаровый кран с электроприводом. Схема подключения крана с электроприводом Нептун профи 12в. Кран с электроприводом Neptun МК 220в 1. Нептун кран с электроприводом про 220в2 схема.

Нептун схема подключения. 2153661 Модуль управления Neptun Base. Модуль управления Neptun Base схема. Модуль управления Neptun Base схема подключения. Схема подключения Нептун Base.

Нептун схема подключения. Схема установки датчика протечки воды. Датчик контроля протечки воды схема подключения. Схема подключения датчиков протечки Нептун беспроводные. Нептун схема подключения кранов prow 12.

Нептун схема подключения. Neptun Bugatti Smart tuya 1/2. Защита от протечек воды схема подключения. Нептун смарт схема подключения датчиков. Модуль управления Нептун смарт.

Нептун схема подключения

Нептун схема подключения. Нептун схема подключения кранов prow 12. Схема кранов Нептун на 220. Схема подключения системы Нептун профи. Нептун схема подключения датчиков и кранов.

Нептун схема подключения. Neptun sw005 схема подключения. Схема подключения Нептун смарт. Модуль управления Нептун Base схема подключения. Neptun Smart схема подключения.

Нептун схема подключения. Neptun Bugatti Base 1/2 установка на трубопроводе. Neptun Bugatti Pro инструкция по монтажу. Кран с электроприводом Нептун Бугатти про 220 1 1/2, 2 схема подключения. Схема подключения Нептун смарт.

Нептун схема подключения. Кран с электроприводом Neptun Aquacontrol 220в 1/2. Кран шаровый с электроприводом 220в Нептун схема подключения. Сервопривод Нептун 220. Кран шаровый с электроприводом нс220в 1/2 схема подключения.

Нептун схема подключения. Датчик протечки воды Нептун схема подключения 220 в. Схема подключения датчик воды Нептун. Датчик sw005 Neptun схема. Схема датчика протечки воды Нептун.

Нептун схема подключения. Датчик протечки Neptun sw005 схема. Схема подключения шарового крана к контроллеру. Sw005 датчик протечки схема подключения. Датчик sw005 Neptun схема.

Нептун схема подключения. Нептун система защиты схема подключения 4 6 кранов. Neptun Profi Wi-Fi 1/2. Модуль управления Neptun prow+ WIFI. Датчик протечки Gidrolock схема подключения.

Нептун схема подключения. Кран de Pala m6a2vn. Гидролок схема электрическая. Шаровый кран с электроприводом 220 в схема подключения. Схема подключения клапана Gidrolock.

Нептун схема подключения. Датчик контроля протечки воды sw005 схема подключения. Датчик контроля протечки воды Neptun sw007 схема подключения. Sw005 датчик протечки схема подключения. Датчик контроля протечки воды Neptun sw005 схема подключения.

Нептун схема подключения. Датчик sw005 Neptun схема. Sw005 датчик протечки схема. Датчик протечки Neptun sw005 схема. Датчик протечки воды схема подключения.

Нептун схема подключения. Датчик контроля протечки воды sw005 схема подключения. Кран Нептун с электроприводом схема подключения. Датчик протечки Нептун схема подключения. Нептун система защиты от протечек схема подключения.

Нептун схема подключения. Кран с электроприводом Neptun Bugatti Pro 220в 2 Нептун схема. - Кран шаровый с электроприводом Bugatti Pro ~220в схема подключения. Кран шаровый с электроприводом 220в Нептун схема подключения. Шаровый кран Нептун схема подключения 12в.

Нептун схема подключения. Кран с электроприводом Neptun Bugatti 220 схема подключения. Кран шаровый с электроприводом 220в Нептун схема подключения. Кран Нептун с электроприводом схема подключения. Датчик протечки Нептун схема.

Нептун схема подключения. Схема подключения системы протечки воды Нептун. Схема подключения протечка от воды. Датчик протечки Нептун схема. Схема подключения датчика протечки Гидролок.

Нептун схема подключения. Блок управления Нептун смарт. Блока управления Neptun Smart. Схема подключения блока подключения датчиков Нептун базе. Схема подключения Нептун Smart+.

Нептун схема подключения. Кран с электроприводом Neptun Bugatti Pro 12в. Шаровый кран с электроприводом Neptun Bugatti Pro 220в 1 1/2. Кран с электроприводом Neptun Bugatti Pro 12в 1/2 (2153566). Кран Neptun Bugatti Pro 12в схема.

Нептун схема подключения. Датчик протечки Neptun sw005 схема. Датчики от протечки воды проводной Нептун. Нептун схема подключения датчиков протечки воды. Датчик проводной Нептун sw005.

Нептун схема подключения. Схема подключения модуль Нептун. Датчик протечки Нептун схема подключения. Neptun Smart+ схема подключения. Схема подключения кранов к модулю управления системы Нептун.

Нептун схема подключения. Датчик протечки Нептун смарт. Модуль расширения Neptun Smart. Ethernet. Схема подключения Нептуна защита от протечек воды. Датчик протечки схема подключения.

Нептун схема подключения. Neptun модуль управления Neptun Base. Модуль управления Нептун Base схема подключения. Модуль управления Neptun Base схема. 2153661 Модуль управления Neptun Base.

Нептун схема подключения. Кран с электроприводом Neptun Bugatti Pro 220в. Шаровый кран с электроприводом 220 в схема подключения. Кран с электроприводом 220в схема подключения. Кран Нептун с электроприводом схема подключения 220в.

Нептун схема подключения. Датчик sw005 Neptun схема. Sw005 датчик протечки схема подключения. Neptun sw005 схема. Датчик Нептун SW 005 схема подключения.

Нептун схема подключения. Система контроля протечки воды Neptun Base Light 1/2". Нептун схема подключения датчиков протечки воды. Neptun Base схема подключения модуль. Датчик протечки Нептун схема подключения.

Нептун схема подключения. Система Neptun Profi Base 3/4. Нептун защита от протечек 1/2 Base. Система защиты от протечек 1/2" Neptun. Система контроля протечки 1/2 Neptun Base Profi 220в.

Нептун схема подключения. Нептун защита от протечек схема подключения на 2. Кран Нептун с электроприводом схема подключения. Нептун Gidrolock 12в схема. Схема подключения контроллера утечек воды Нептун-1.

Нептун схема подключения. Схема подключения датчиков Нептун prow. Модуль управления Neptun prow+2014. Схема подключения модуля Нептун prow. Модуль Нептун prow+ WIFI.

Нептун схема подключения. Контроллер скпв220в схема подключения. Контроллер системы протечки воды Нептун СКПВ 220. Схема подключения защиты от протечек фирмы Нептун. Схема подключения система защиты от протечек Нептун к 220.

Нептун схема подключения. Датчик контроля протечки воды Neptun sw005 схема подключения. Neptun sw005 схема. Нептун схема подключения датчиков. Датчик протечки воды Нептун sw005 схема подключения.

Нептун схема подключения

Нептун схема подключения. Схема установки датчика протечки воды. Схема подключения системы контроля протечки Нептун. Схема подключения система защиты от протечек воды Нептун. Схема подключения системы протечки воды Нептун.

Нептун схема подключения. Блок расширения проводных датчиков prow. Нептун блок расширения проводных датчиков. Sw005 датчик протечки схема. Датчик контроля протечки воды Neptun sw005 схема подключения.

Нептун схема подключения. 2153661 Модуль управления Neptun Base. Датчик контроля протечки воды sw005 схема подключения. Датчик протечки Neptun sw005 схема. Neptun sw005 схема.

Нептун схема подключения. Датчик протечки схема подключения. Датчик sw005 контроля протечки схема. Нептун защита от протечек схема подключения. Схема подключения протечки воды Нептун.

Нептун схема подключения. Система Нептун смарт плюс схема подключения. Нептун sw005 схема. Нептун sw005 схема подключения. Neptun sw005 схема.

Нептун схема подключения. Кран Нептун с электроприводом схема подключения. Кран защиты от протечек Гидролок схема подключения. Шаровый кран с электроприводом 220 в схема подключения. Gidrolock схема подключения кранов.

Нептун схема подключения. Кран шаровый с электроприводом 220в Нептун схема подключения. Датчик протечки воды схема подключения. Системы защиты от протечек воды схема монтажа. Датчик протечки схема подключения.

Нептун схема подключения. Sw005 датчик протечки схема. Нептун схема подключения кранов prow 12. Датчик контроля протечки воды sw005 схема подключения. Датчик Neptun sw005 чертеж.

Нептун схема подключения. Датчик контроля протечки воды Neptun sw005 схема подключения. Нептун защита от протечек схема подключения. Нептун схема подключения датчиков протечки воды. Схема подключения системы контроля протечки Нептун.

Нептун схема подключения

Нептун схема подключения. Модуль управления Neptun Smart+ tuya 2264866. Модуль расширения Neptun Smart tuya. Система защиты от протечек Neptun Profi Smart+ 1/2 tuya. Нептун смарт схема подключения кранов.

Нептун схема подключения. Схема установки датчика протечки воды. Нептун схема подключения датчиков протечки воды. Система от протечек Нептун схема подключения. Схема подключения системы контроля протечки Нептун.

Нептун схема подключения. Кран Нептун с электроприводом схема подключения 220в. Кран Нептун 1/2 схема подключения. Электропривод крана Нептун Аквастоп схема подключения. Схема подключения системы Нептун профи.

Нептун схема подключения. Кран Нептун с электроприводом схема подключения. Схема подключения датчиков Нептун Бугатти. Нептун схема подключения кранов. Neptun prow+ схема подключения.

Нептун схема подключения

Нептун схема подключения. Датчик контроля протечки воды sw005 схема подключения. Датчик протечки воды схема подключения. Схема подключения датчиков Нептун Бугатти. Схема подключения Нептуна защита от протечек электрическая 220в.

Нептун схема подключения. Блок управления Нептун система протечки воды схема подключения. Neptun Smart схема монтажа. Модуль расширения кранов Нептун схема. Кран Нептун 220 схема подключения.

Нептун схема подключения. Подключение Gidrolock схема подключения. Схема подключения Нептун Base 220. Модуль управления Нептун Base схема подключения. Gidrolock Premium схема подключения реле.

Нептун схема подключения. Датчик контроля протечки Нептун схема. Датчик протечки Neptun sw005 схема. Датчик контроля протечки воды sw005 схема подключения. Схема подключения системы протечки воды Нептун.

Нептун схема подключения

Нептун схема подключения. Схема подключения вентилятора приточной вентиляции. Вентилятор приточный схема подключения. Схема подключения вытяжного вентилятора. Электрическая схема подключения вытяжного вентилятора.

Нептун схема подключения. Модуль управления Нептун Base схема подключения. Модуль управления Neptun Base схема. Neptun Base схема подключения модуль. Neptun Base схема подключения.

Нептун схема подключения. Схема подключения кранов Нептун смарт плюс. Neptun Smart+ схема подключения. Схема подключения крана 220 к Нептун смарт. Нептун смарт плюс схема подключения датчиков.

Нептун схема подключения. Нептун защита от протечек схема подключения на 2. Датчик протечки Нептун схема принципиальная электрическая. Схема подключения системы Нептун смарт. Датчик протечки Нептун схема подключения.

Нептун схема подключения. Smart система защиты от протечки воды схема подключений датчика. Модуль управления Smart+. Модуль управления Neptun Smart схема. Neptun Smart + защита от протечек инструкция по подключению.

Нептун схема подключения. Нептун схема подключения кранов prow 12. Схема подключения датчиков Нептун prow. Кран Нептун 220 схема подключения. Модуль управления Нептун Base схема подключения 220в.

Нептун схема подключения. Датчик контроля протечки воды sw005 схема подключения. Sw005 датчик протечки схема. Датчик sw005 Neptun схема. Датчик протечки Нептун схема подключения.

Нептун схема подключения. Контроллер скпв220в схема подключения. Контроллер скпв220в-din. Схема подключения контроллера Нептун. Скпв220в-din схема.

Нептун схема подключения. Система Neptun Profi Base 3/4. Датчик sw005 контроля протечки схема. Датчик контроля протечки воды sw005 схема подключения. Neptun Profi Base 1/2.

Нептун схема подключения. Блок подключения кранов prow схема подключения. Схема подключения датчиков к Neptun prow. Схема подключения система защиты от протечек Нептун к 220. Блок подключения 12 v кранов Neptun prow.

Нептун схема подключения. Шаровый кран с электроприводом схема подключения. Кран шаровый с электроприводом 220в Нептун схема подключения. Кран шаровой с электроприводом нс220в 1 схема подключения. Схема подключения привода шарового крана.

Нептун схема подключения. Датчик протечки воды Нептун чертеж. Датчик контроля протечки Нептун схема. Датчик протечки Нептун БАСЕ схема подключения. Датчик от протечки воды Нептун 3 м.

Нептун схема подключения. Нептун схема подключения датчиков протечки воды. Датчик протечки воды Neptun схема. Нептун защита от протечек схема подключения датчика. Схема датчика протечки воды Нептун.

Нептун схема подключения. Блок управления Нептун система протечки воды схема подключения. Модуль расширения кранов Нептун схема. Блок подключения кранов prow Нептун. Блок подключения кранов Neptun.

Нептун схема подключения. Схема подключения Нептун Бугатти. Нептун защита от протечек схема подключения кранов. Схема подключения датчиков протечки воды Neptun Bugatti Base 1/2. Схема подключения системы Нептун Бугатти смарт 1/2.

  • Вперед Жакет в стиле шанель схема
  • Назад Стрекозы какие прилагательное

Новые страницы

Бесшумный болт замка двери своими руками

Букмекерская fonbet

Chevrolet кроссовер

Двухуровневый потолок из гипсокартона

Гдз математика 4 класс 2 часть 234

Гдз по русскому 4 класс упр 213

Гдз по русскому языку 8 класс ладыженская упр 285

Гостиные ряды в калуге карта

Как отличить пмс от беременности

Как рисуется реостат

Карта гродненской области подробная с деревнями и дорогами

Катрены создателя благая весть от маслова

Каждый из резисторов в схеме изображенной

Мв диапазон частот

На 3д принтере

Нептун схема подключения

Правила для 1 класса по русскому языку в таблицах и схемах

Простейшие схемы амигуруми

Работа в истре трактористом

Рианна umbrella

С днем рождения с тигренком картинки

Схема двухскоростного вентилятора

Схемы рисунки вышивки

Спокойной ночи светик картинки красивые

Спортивная игра с мячом кроссворд

Спортивная школа по легкой атлетике

Св москва тольятти

Требования к спортзалу

Виды дешевых заборов

Война и мир 1 2 том краткое содержание

cdn.zecar.ru