Skip to content

Фотогалерея

  • Главная
  • Контакты

Наддув дизельного двигателя

Наддув двигателя (двс)

Сравнение бензиновых и дизельных двигателей | toptransoil.ru

Промывка и раскоксовка бензинового и дизельного двигателя

Диагностика дизельного двигателя. Правильный диагноз — залог долгой ...

Профилактика топливной системы дизельного двигателя STP Diesel ...

Электронаддув двигателя: Как этот работает: наддув двигателя

Двигатель Фото И И Описание – Telegraph

День дизельного двигателя 23 февраля: история праздника, как отмечать

Проект дизельного двигателя для автомобилей грузоподъемностью 5т ...

Принцип работы дизельного двигателя (Опель Омега В 1993-1999: Силовой ...

Дизельный двигатель: устройство, схема и принцип работы!

Система охлаждения двигателя ч.5 - YouTube

Дипломная работа НЕИСПРАВНОСТИ СИСТЕМЫ ПИТАНИЯ ДИЗЕЛЬНОГО ДВИГАТЕЛЯ И ...

Топливный насос дизельного двигателя 186F – фото, отзывы ...

Перевод дизельного двигателя на водороднодизельную смесь - online ...

Какой моторесурс дизельного двигателя: Сколько могут прослужить ...

Ремоторизация – это замена дизельного двигателя внутреннего сгорания в ...

История дизельного двигателя (ДВС) - Двигатели автомобилей

Китай Дизельный двигатель с охлаждающим теплообменником Производители ...

Уникальный способ установки двигателя на мотороллер Вятка ВП-150М ...

Ремонт и техническое обслуживание дизельного двигателя – выбор надежной ...

Технические характеристики дизельного генератора

Комплексная присадка для дизельного топлива ТОТЕК Дизель Ресурс upgrade ...

Чертежи конструкции четырехтактного дизельного двигателя для микроавтобуса

Момент впрыска топлива дизельном двигателе: Опережение момента впрыска ...

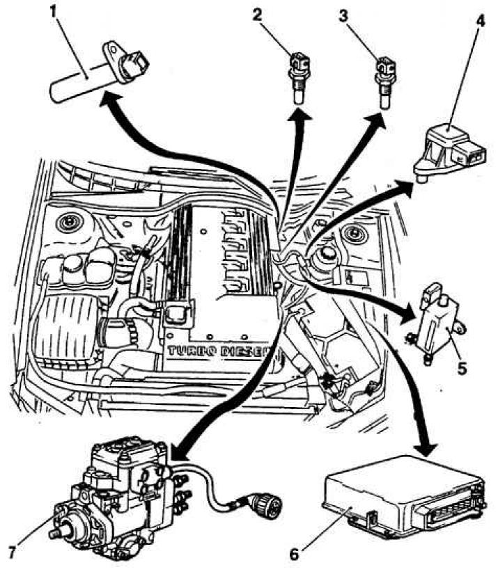
Схема конструкции дизельного двигателя

Обратный клапан топливной системы. Топливная система дизельного двигателя

Препарат для тюнинга дизельного топлива ТОТЕК Цетан Мах на 500л 0,5л ...

Ремонт дизельного двигателя на грузовых автомобилях ←

Рабочие циклы четырёхтактного дизельного двигателя с наддувом - YouTube

Схема - Установка двигателя МТЗ 1221.5

Схема - Электрооборудование двигателя МТЗ 1221.5

Объем двигателя KAMAZ 45143: какой объем двигателя авто КАМАЗ 45143 ...

Электронаддув двигателя: Как этот работает: наддув двигателя

Масляный фильтр Мицубиси МЭ006066, пригодный для дешевой стоимости ...

  • Вперед Rt8059
  • Назад Бюджетная спортивная школа

Новые страницы

Английский язык 5 класс зеленый учебник

Чистка дроссельной заслонки шевроле кобальт

Дисциплина в спорте

Электромуфта для пнд труб

Фитнес клубы россии

Форма приказа образец

Гдз по литературе 6 класс полухина учебник 2 часть

Hamlet was written by shakespeare

Как оформить приказ на отпуск если выпадают праздничные дни образец

Как происходило формирование новых органов власти составьте схему государственного устройства ссср

Кран сливной

Купить аметист камень натуральный

Математика рабочая тетрадь часть 2 ответы

Музыка для тренировок в тренажерном зале

Официальный сайт ролекс

После замены счетчика воды как передавать показания

Повязка на голову спицами для женщин схема и описание для начинающих пошагово с фото

Приемка старых аккумуляторов

Регулировка клапанов шакман wp12 схема

Rehau сшитый полиэтилен

Схема красной площади краснодар

Словообразование бестолковый

Спортсмену назначили препарат ринофлуимуцил

Справка об объемах поставленной продукции за 12 месяцев образец

Технологическая карта солянка мясная на 1 порцию

Тестостерон спортивное

Торт мильфей

Вимос шиномонтаж сланцы

Задача 194 по математике 4 класс

Жир паяльный активный

cdn.zecar.ru