Skip to content

Фотогалерея

  • Главная
  • Контакты

На рис 1 приведена схема установки

На рис 1 приведена схема установки. Поясните схему лабораторной установки.. Электронно-логическая схема лабораторной. Фото лабораторной схема с ключом. Лабораторная схема 2.0 правильные волны.

На рис 1 приведена схема установки. Схема электрическая принципиальная цепей переменного тока (схема э3.2). Электрические схемы переменного напряжения расчет. Схема электрической цепи данные для расчета. Рассчитать напряжения на всех элементах схемы электрической цепи..

На рис 1 приведена схема установки. На рисунке приведена схема. Lfyf c[TVF DRK.xtyyfz d ctnm jlyjafpyjuj gthtvtyyjuj njrf b cjcnjzofz BP gjcktljdfntkmyjuj. На рисунке приведена схема установки для?. На рисунке приведена схема восстановления (р - усилие) путем:.

На рис 1 приведена схема установки

На рис 1 приведена схема установки. Схема электрической цепи для исследования резонанса. Принципиальная электрическая схема для наблюдения резонанса тока. Резонанс токов лабораторная работа. Исследования резонанса напряжений лабораторная.

На рис 1 приведена схема установки

На рис 1 приведена схема установки

На рис 1 приведена схема установки. Исследование мощности от напряжения цепь лабораторная. Изучение зависимости силы тока от напряжения лабораторная работа. Лабораторная работа зависимость силы тока и напряжения. Зависимость силы тока от напряжения лабораторная работа.

На рис 1 приведена схема установки. Микроамперметр схема. Микроамперметр м244 схема. Микроамперметр для принципиальной схемы. Схема микроамперметром.

На рис 1 приведена схема установки. Лабораторная работа № 6. исследование резонанса напряжений. Нарисуйте принципиальную схему ру с одиночным контуром.

На рис 1 приведена схема установки

На рис 1 приведена схема установки. Экспериментальная установка электростатическое поле.

На рис 1 приведена схема установки. Исследовать движение механизма с одной степенью свободы. Исследование движения механической системы. Дифференциальный механизм с одной степенью свободы. Механическая система с одной степенью свободы.

На рис 1 приведена схема установки

На рис 1 приведена схема установки. Структурная схема следящей системы копировального станка. Исследование следящей системы управления лабораторная работа. 2. Структурная схема исследуемой системы.. Изучив схему работы прибора.

На рис 1 приведена схема установки. ЛАТР учебный школьный схема. Схема ЛАТРА С амперметром. Подключения лабораторного реостата в цепь схема. Графическая электрическая реактора, автотрансформатора схема.

На рис 1 приведена схема установки. Баланс мощности. Топографическая диаграмма. 3 Фазы из одной схема.

На рис 1 приведена схема установки. Т-образная схема замещения асинхронного двигателя. Т образная схема замещения ад. Эквивалентная схема асинхронного двигателя. Схема замещения синхронного двигателя.

На рис 1 приведена схема установки. Экспериментальная схема. Экспериментальная установка. Схема установки эксперимента. Структурная схема экспериментальной установки.

На рис 1 приведена схема установки

На рис 1 приведена схема установки. 3 Ом. В схеме приведенной на рисунке r1 2ом. В схеме представленной на рисунке r1 3 ом.

На рис 1 приведена схема установки. Схема замещения реальной катушки индуктивности. Цепь с реальным конденсатором схема. Конденсатор в цепи синусоидального тока схема. Синусоидный конденсатор схема.

На рис 1 приведена схема установки. Схема измерения сопротивления проводника. Измерение сопротивления проводника при помощи амперметра. «Сборка гальванического элемента и его испытание». Схема сопротивления проводника при помощи амперметра и вольтметра.

На рис 1 приведена схема установки

На рис 1 приведена схема установки. Схема замещения системы электроснабжения. Схема замещения для режима АЛС. Как чертится схема замещения системы электроснабжения. Рисунок 5.11 – электрическая схема замещения системы шир-д.

На рис 1 приведена схема установки. Конструктор электрических схем. B500 r реостат схема. Конструктор электросеть схемы игра. Электрический конструктор черно белый схема.

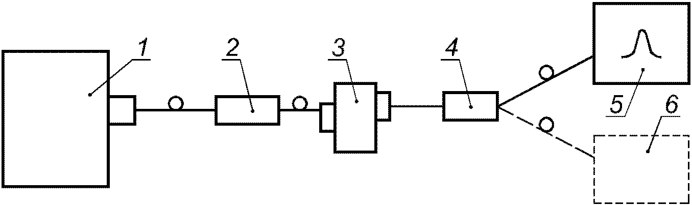
На рис 1 приведена схема установки. Измерения производятся по схеме, представленной на рис. 1.

На рис 1 приведена схема установки

На рис 1 приведена схема установки

На рис 1 приведена схема установки

На рис 1 приведена схема установки

На рис 1 приведена схема установки. На рисунке приведена схема. На рисунке приведена схема участка электрической цепи. Определите общее сопротивление цепи приведенной на рисунке 79. Рисунок 3.1 – схема участка цепи.

На рис 1 приведена схема установки. Вольтметр лампа накаливания. Исследование зависимости, мощности, потребляемой лампой накаливания. Измерение температуры нити лампы накаливания. Лабораторная работа лампа накаливания.

На рис 1 приведена схема установки. Трехфазный токовый орган ПЗ /5.

На рис 1 приведена схема установки. Схема датчика положения ротора. Схема измерений для исследования зависимости b f z датчик холла. Схема измерений для исследования зависимости b f z. Датчик положения ротора на эффекте холла.

На рис 1 приведена схема установки. Четыре конденсатора образуют цепь показанную на рисунке 1 2 3 4. На рисунке приведена схема процесса. С помощью элемента приведенного на рисунке. Цепь образована двумя последовательно Соединенными с рисунком.

На рис 1 приведена схема установки. Faraday Protocol.

На рис 1 приведена схема установки. Структурная схема сар. Расчетная схема сар. Схема регуляторов сар. Статическая сар структурная схема.

На рис 1 приведена схема установки. Файл Дейкстра.doc.. Линейное искание. Floyd vs Dijkstra.

На рис 1 приведена схема установки. На рисунке приведена схема электрической цепи. Приведенная схема. На рисунке приведена схема участка электрической цепи. На рисунке приведена схема электрической цепи и Показание вольтметра.

На рис 1 приведена схема установки

На рис 1 приведена схема установки

На рис 1 приведена схема установки

На рис 1 приведена схема установки. Исследование диода лабораторная работа схема. Исследование стабилитрона. Схема для исследования вах стабилитрона. Исследование выпрямительный диод лабораторная работа.

На рис 1 приведена схема установки

На рис 1 приведена схема установки. Комплексные схемы замещения источников напряжения и токов. Комплексная схема замещения. Схема замещения источника тока управ напряжения. Определить токи во всех ветвях схемы методом контурных токов.

На рис 1 приведена схема установки

На рис 1 приведена схема установки

На рис 1 приведена схема установки

На рис 1 приведена схема установки. Капля дождя падает с постоянной скоростью рисунок. Исследуя перемещение слона и мухи модель материальной точки.

На рис 1 приведена схема установки. Электрические цепи постоянного тока задачи. Схемы соединения токовых цепей. Задачи по Электротехнике резисторы. Задачи на постоянный ток с решением Электротехника.

На рис 1 приведена схема установки. Соберем цепь. Замыкаем цепь и отмечаем показания приборов.. Исследуя электрическая цепь  собранная по схеме, представлен. Определите показания приборов при двух положениях выключателя,. Смеха собранной цепи и запишите показания приборов.

На рис 1 приведена схема установки. На рисунке приведена схема электрической цепи. Приведенная схема. Электрическая цепь составлена по схеме приведенной на рисунке. Сила тока в лампочках изображенных на схеме равна.

На рис 1 приведена схема установки

На рис 1 приведена схема установки

На рис 1 приведена схема установки. Определить напряжение на конденсаторах с1 и с2( рис 12). Эквивалентная схема с частичным зарядом емкости. Определить Сэкв для схемы. Определить Сэкв и напряжение на каждом конденсаторе если дано рис 71.

На рис 1 приведена схема установки. Линейные электрические цепи. Лабораторная цепи постоянного тока схема. Линейные параметрические цепи схема. Распределительная цепь.

На рис 1 приведена схема установки

На рис 1 приведена схема установки

На рис 1 приведена схема установки. Ученик собрал электрическую цепь представленную на рисунке.

На рис 1 приведена схема установки

На рис 1 приведена схема установки. Методом узловых потенциалов для 5 узлов. Расчёт цепей постоянного тока методом двух узлов. Задачи по Электротехнике метод двух узлов. Схема метода двух узлов.

На рис 1 приведена схема установки. Исследуется электрическая цепь собранная по схеме. Собранная электрическая цепь по схеме представленной. На рисунке представлена схема электрической цепи. Ученик собрал электрическую цепь по схеме.

На рис 1 приведена схема установки

На рис 1 приведена схема установки

На рис 1 приведена схема установки. Схема измерения 3п. Схема вольтметр ц42302. Простые авометры схемы. Схема измерений для исследования зависимости b f z.

На рис 1 приведена схема установки

На рис 1 приведена схема установки

На рис 1 приведена схема установки

На рис 1 приведена схема установки. Два конденсатора и регулятор напрчжени. Фильтры для однофазной цепи. Фильтры для однофазной цепи 16а.

На рис 1 приведена схема установки. Принципиальная схема лабораторной установки. Построение замкнутых контуров. Потенциальная диаграмма электрической цепи с амперметром. Электротехника схема лабораторной установки для исследования цепи.

На рис 1 приведена схема установки. Представленной схеме соответствует Векторная диаграмма. Векторной диаграмме соответствует схема. Данной схеме электрической цепи соответствует Векторная диаграмма:. Какая схема соответствует данной векторной диаграмме.

На рис 1 приведена схема установки

На рис 1 приведена схема установки. Метод наложения схемы постоянного тока. Метод наложения для расчета электрических цепей. Расчет сложных электрических цепей методом наложения. Расчет сложной цепи постоянного тока методом наложения.

На рис 1 приведена схема установки. Схема замещения относительно точки короткого замыкания. Расчет кз схема замещения. Схема замещения для расчета токов кз. Эквивалентная цепь для короткого замыкания в точке а.

На рис 1 приведена схема установки. Разветвленная электрическая цепь. Схема разветвленной электрической цепи. Схема замещения цепи постоянного тока. Разветвление электрической цепи постоянного тока.

На рис 1 приведена схема установки. Идеальный амперметр схема. Амперметр на 10 ампер. Многопредельный амперметр схема 3а\6а\30а. На рисунке приведена схема.

На рис 1 приведена схема установки. График зависимости абсолютного удлинения от приложенной силы. График зависимости удлинения пружины от приложенной силы. На рисунке 4 изображен график зависимости удлинения. График удлинения стальной арматуры.

На рис 1 приведена схема установки. Вольтметр с напряжением вариант 1. Схема где вольтметр показывает напряжение на резисторе. Какая из схем соответствует цепи, изображённой на рисунке? Вольтметр. Какую работу совершит ток силой 3 а за 10 мин при напряжении в цепи 15 в.

На рис 1 приведена схема установки. 11 Определить с экв. Для схемы. Эквивалентный источник для представленных схем рассчитайте e экв. В схеме Rэ 5 ком EЭ 10 В.

На рис 1 приведена схема установки. Электрическая цепь собрана по схеме ЕГЭ по физике Демидова.

На рис 1 приведена схема установки. Дискретный наблюдатель. Система управления с наблюдателем. Дискретный объект с непрерывной частью схема.

На рис 1 приведена схема установки

На рис 1 приведена схема установки. Собрать электрическую цепь по схеме рис 1. Соберите электрическую цепь по схеме 3. Принципиальную схему исследуемой цепи. Схема цепи испытания.

На рис 1 приведена схема установки. ЭДС однофазного трансформатора.

На рис 1 приведена схема установки. Конденсатор в цепи однофазного синусоидального тока схема. Схема измерения силы постоянного тока и напряжения в цепи. Измерение индуктивности схема подключения. Электротехника схема лабораторной установки для исследования цепи.

На рис 1 приведена схема установки. 1 Собрать цепь по схеме:. Схема в 1 ом. Исследуется электрическая цепь собранная по схеме представленной. Чтобы построить кривые ф соберите цепь по схеме.

На рис 1 приведена схема установки. Математическая модель двухфазной электрической машины. Схема режима электрической цепи при холостом ходе. Режим холостого хода линии электропередачи. Режим холостого хода схема.

На рис 1 приведена схема установки. Смешанное соединение конденсаторов задачи. Задачи на соединение конденсаторов. Схемы соединения конденсаторов задачи. Задачи по соединению конденсаторов.

  • Вперед Схема реакции восстановления
  • Назад Скачать акт о затоплении квартиры образец

Новые страницы

Белеть это переходный глагол

Bt 16

Частота среза это

Что такое хронический тонзиллит фото

Дедушка легкого поведения фильм 2016

Эскорт услуги в севастополе

Гдз по английскому языку стр 113

Гдз по истории 6 класс контурная карта ведюшкин гусарова

Гдз по математике 5 класс номер 1114

Хендай туссан в иркутске

Ir2184 datasheet на русском

Как разблокировать руль на автомате

Какие травы снижают аппетит

Образец заполнения формы 6 воинского учета

Планы сада схемы

Площадь прямоугольника со сторонами 9 см и х

Пляжи санаторий

Правка дисков липецк

Предохранитель топливного насоса матиз

Презентация словарные слова 2 класс школа россии канакина

Приказ об отчислении образец

Решение о ликвидации нко образец минюст

Сельское хозяйство индии

Сетка на решетку радиатора

Схема интерпретации

Снятие тормозного барабана логан

Состязательные виды спорта

Спортивный спорт

Железноводск кисловодск электричка

Звания в армии по петлицам до 1943 года картинках

cdn.zecar.ru