Skip to content

Фотогалерея

  • Главная
  • Контакты

Mp3394

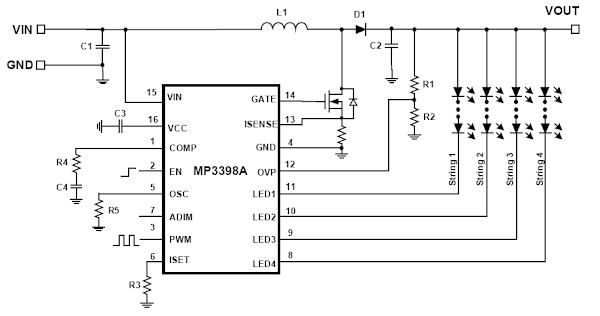
MP3394/MPS3394S LED Driver Diagnostic

MP3394 sop-16 5pcs/lot, www.iccfl.com

MP3394/MPS3394S LED Driver Diagnostic

MP3394/MPS3394S LED Driver Diagnostic

MP3394 datasheet | Все для ремонта электроники

Schematic Diagrams: LG FLATRON W1942S LCD MONITOR – AOCL32W831 ...

MP3394 | Backlight Drivers (WLED) | 4-Channel Boost WLED Controller ...

MP3394 datasheet(2/17 Pages) MPS | Step-up, 4-String Max 200mA/String ...

MP3394_7535880.PDF Datasheet Download --- IC-ON-LINE

Zaenal Electronic: IC driver backlight Samsung UA43K5002AK, aslinya ...

Zaenal Electronic: IC driver backlight Samsung UA43K5002AK, aslinya ...

MP3394S , MP3394 4 KANAL LED DRIVER IC ENTEGRE , mp3394s-mp3394-s-mp ...

Electro help: Philco LED LCD TV PH32F33DG – SMPS – LVDS – Audio ...

MP3394ES MP3394 MPS3394SOP16|MP3394ES MP3394 MPS3394SOP16| - AliExpress

MP3394 datasheet(1/17 Pages) MPS | Step-up, 4-String Max 200mA/String ...

Mp3394S Mp3394 4 Kanal Led Driver Ic Entegre Mp3394S-Mp3394- Fiyatları ...

芯片 MP3394 MP3398A MP3411 MP3389 MP9141ES MP44010芯片_虎窝淘

MP3394 MP3394ES MP3394S|mp3394s| - AliExpress

Linh kiện MP3394 MP3394S IC Led Driver 3394 SOP-16 mới chính hãng

CI Mp3394s Mp3394 S Mp 3394 S Original (4 unidades) | Shopee Brasil

MP3394 | Zutech.ro

Ci Mp3394s - Mp3394 S - Mp 3394 S - Original | MercadoLivre

Ci Mp3394s - Mp3394 S - Mp 3394 S - Original | MercadoLivre

MP3394 datasheet(4/17 Pages) MPS | Step-up, 4-String Max 200mA/String ...

AP3041M G1 AP3041MTR G1 LNK625DG MP3394 431AI TL431AI 7371 FAN7371 ...

Aliexpress.com : Buy MP3394S SOP16 MP3394 SOP MP3394ES LCD chip ...

10pcs MP3394S MP3394 SOP 16-in Integrated Circuits from Electronic ...

Circuito Integrado Mp3394s Mp3394 Mp 3394 Sop16 Smd Original | MercadoLivre

10pcs/lot MP3394 MP3394S SOP16 In Stock-in Integrated Circuits from ...

5PCS MP3394ES LF Z MP3394ES SOP16 SOP MP3394 SMD new original ...

MP3394 MP3394S IC chuyên dụng SOP16

IC Led Driver MP3394 3394 SOP-16 mới chính hãng 100%

5 pçs/lote MP3394ES LF Z SOP 16 MP3394ES = MP3394 MP3394SGS MP3394S ...

MP3394 MP3394S | arhiva Okazii.ro

MP3394S, MP3394SGS-Z, MP3394SGS, MP3394 encapsulado SOP16

  • Вперед Гдз по немецкому 6 класс горизонт учебник
  • Назад Схема хендай соната

Новые страницы

Аэробус а330 300 аэрофлот схема мест

Аниме картинки серые много

Что такое сухой контакт простыми словами

Домашний интернет в андреевке

Форум монитор samsung

Гдз по математике 6 класс виленкин упр 1255

Империя наполеона конспект

Как сделать объемный квадрат из бумаги а4 схема по сантиметрам

Казаков максим юрьевич репетитор

Коллектор из полипропилена

Куплю дом объявление образец

Математика 2 класс 2 часть школа россии страница 82

Море с волнами

Можно заниматься спортом во время простуды

Mp3394

Онлайн школа под ключ

Отрицательная характеристика на работника образец рб

Приказ на выдачу денег в подотчет образец

Прокат авто могилев

Распиновка реле заряда

Ремешок для фитнес браслета mi band

Ринофарингит острый

Схема предохранителей на пежо 3008

Smd транзистор 1am

Спортивная чуваш кубово

Телеграмма виновнику дтп о проведении независимой экспертизы образец

Виды озер схема

Виленкин 6 класс гдз 2 часть

Водонагреватель накопительный 100

Встряхнуть и стряхнуть паронимы

cdn.zecar.ru