Skip to content

Фотогалерея

  • Главная
  • Контакты

Митсубиси асх схемы

Митсубиси асх схемы. Mitsubishi Outlander 3 передний бампер схема. Колы деталей бампера Mitsubishi Outlander 3. Схема переднего бампера Mitsubishi Lancer 10. Кузовные детали Mitsubishi Outlander 1 схема.

Митсубиси асх схемы. Система охлаждения Мицубиси АСХ. Схема системы охлаждения Мицубиси АСХ 1.6. Система охлаждения Мицубиси АСХ 1.8 вариатор. Выхлопная система Митсубиси АСХ 1.8 схема.

Митсубиси асх схемы

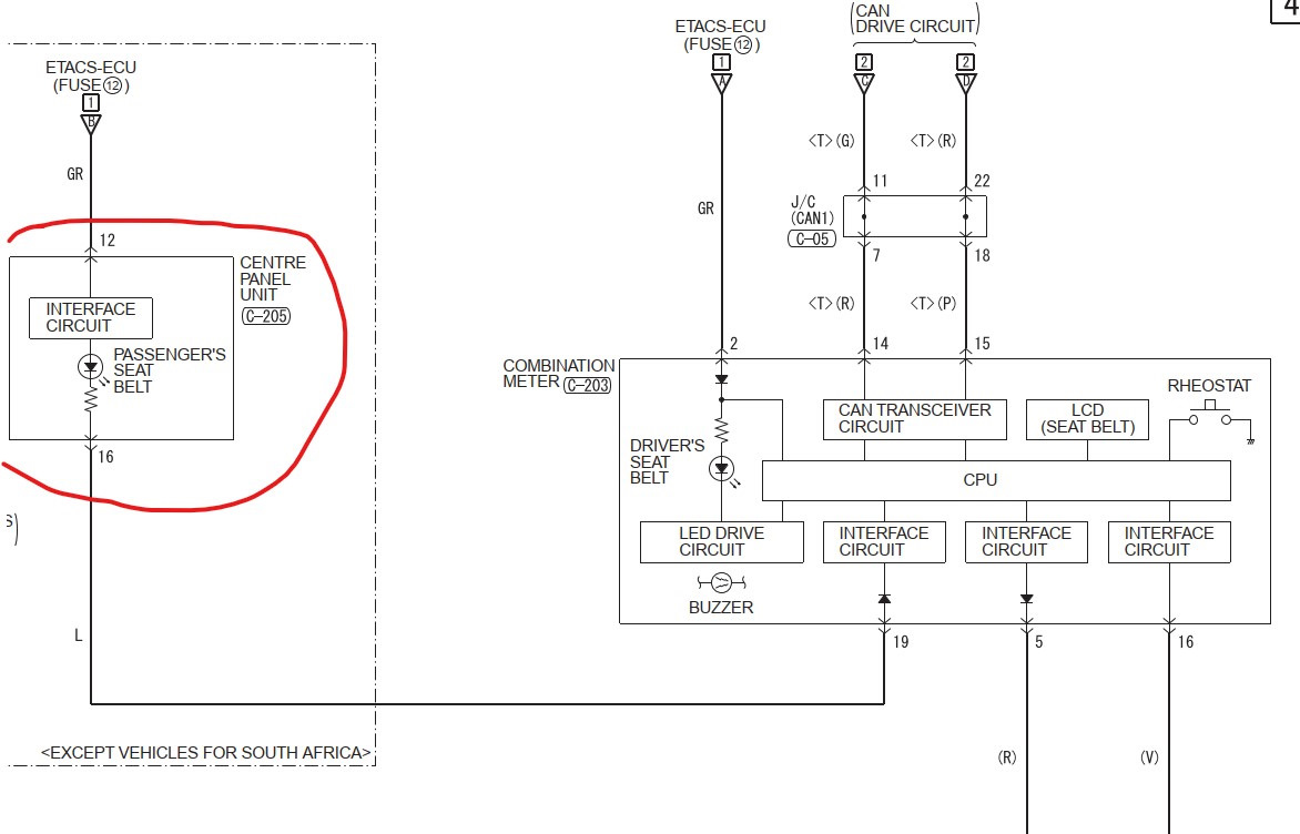
Митсубиси асх схемы. Схема подогрева сидений Митсубиси АСХ. Схема разъема платы аварийки с 205 ASX 2010.

Митсубиси асх схемы. Схема магнитолы Аутлендер. MMCS w12 схема. Распиновка усилителя Митсубиси Аутлендер XL. Схема подключения Рокфорд r03паджеро 4.

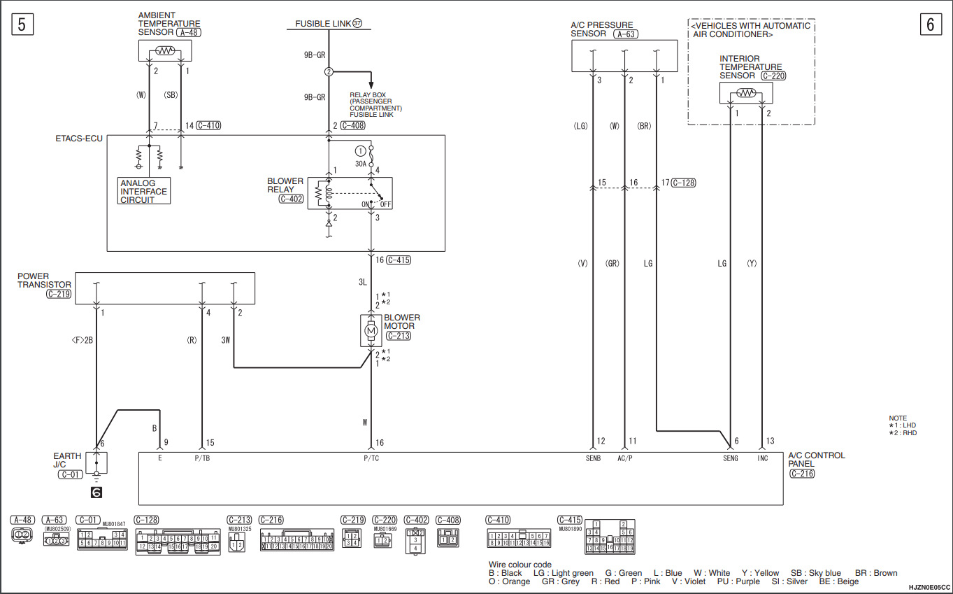
Митсубиси асх схемы. ДВС схема ASX 1.8. Схема жгутов Mitsubishi ASX. Схемы электрооборудования ASX 2019. Схема электрооборудования Mitsubishi ASX 2010.

Митсубиси асх схемы. Схема электрическая Mitsubishi ASX 2013 года. ASX Mitsubishi 2011 кнопки на руле схема. Электрическая схема Митсубиси АСХ. ASX 2014 года Mitsubishi схема ЭУР.

Митсубиси асх схемы

Митсубиси асх схемы

Митсубиси асх схемы. Схема блока предохранителей Mitsubishi ASX. Схема предохранителей Митсубиси ASX 2014. Схема предохранитель Митсубиси ASX 2013. Схема предохранителей Мицубиси АСХ 2014 года.

Митсубиси асх схемы. Mitsubishi ASX габариты ASX. Nissan Qashqai+2 габариты. Mitsubishi ASX 2012 габариты. Nissan Qashqai 2012 габариты.

Митсубиси асх схемы. Mitsubishi Outlander 2012 габариты. Mitsubishi Outlander III габариты. Mitsubishi Outlander 2015 чертеж. Mitsubishi Outlander чертеж.

Митсубиси асх схемы. Ширина салона Митсубиси АСХ. Габариты Мицубиси АСХ 2021. Габариты Митсубиси АСХ 2013. Габариты Митсубиси АСХ 2021.

Митсубиси асх схемы. Схема подогрева сидений Митсубиси АСХ. L200 схема подогрева сидений. Подогрев сидений схема Митсубиси Лансер 10. Схема обогрева сидений ASX.

Митсубиси асх схемы

Митсубиси асх схемы. Mitsubishi ASX 2010 схемы. Схемы Mitsubishi ASX 2019. Мицубиси ASX 2014 детали кузова. Митсубиси ASX 2010 кузовные детали схема.

Митсубиси асх схемы. Mitsubishi ASX схема кнопок. Mitsubishi ASX 2018 схема управления. Мицубиси ASX схема генератора. Схема штатной сирены VAG.

Митсубиси асх схемы

Митсубиси асх схемы. Mitsubishi ASX 2011 электрическая схема. Электросхема Mitsubishi ASX. Митсубиси ASX схема электрооборудования. Схема электрическая Mitsubishi ASX 2013 года.

Митсубиси асх схемы. Вариатор Митсубиси Аутлендер схема. Вариатор коробка Мицубиси АСХ схема. Вариатора схема ASX. Схему двигателя Mitsubishi ASX 1 И 6.

Митсубиси асх схемы. Mitsubishi ASX 2012 схема электропроводки. Схема магнитолы Mitsubishi ASX 2020. Митсубиси ASX схема электрооборудования. Схема подключения обогрева заднего стекла Лансер 10.

Митсубиси асх схемы

Митсубиси асх схемы. Колесная база АСХ. Колесная база Митсубиси АСХ. Mitsubishi ASX, 2014 габариты. Mitsubishi ASX заднее стекло чертеж.

Митсубиси асх схемы. Mitsubishi Outlander 2021 габариты. Mitsubishi ASX 2021 габариты. Митсубиси АСХ 2021 габариты габариты. Габариты Митсубиси АСХ 2012.

Митсубиси асх схемы

Митсубиси асх схемы. Mitsubishi ASX 2021 габариты.

Митсубиси асх схемы. Mitsubishi ASX схема передней панели. Передний бампер Mitsubishi ASX 2014 схема. Mitsubishi ASX крепление бампера переднего. ASX Митсубиси 2010 схема кузова.

Митсубиси асх схемы. Mitsubishi ASX 2012 1.6 схема центрального замка. Электрические схема Kos Mitsubishi ASX 2010. Mitsubishi Outlander 1 схема поворотников. Электрическая схема Митсубиси АСХ.

Митсубиси асх схемы. Электросхема Митсубиси ASX стеклоподъемников. Электросхема Mitsubishi ASX. Mitsubishi ASX 2011 электросхема стеклоочистителем. Электросхема Мицубиси ASX.

Митсубиси асх схемы. Габариты Митсубиси АСХ 2014. Mitsubishi ASX габариты. Габариты ASX 2020. Mitsubishi ASX 2022 габариты.

Митсубиси асх схемы. Схемы разъемов Mitsubishi ASX. Электрическая схема освещение салона Mitsubishi ASX 2013г. Схема габаритных огней Митсубиси ASX 2010.

Митсубиси асх схемы

Митсубиси асх схемы

Митсубиси асх схемы. Mitsubishi ASX 2013 передняя подвеска. Задняя подвеска Mitsubishi ASX схема. Задняя подвеска Mitsubishi ASX 1.8. Задняя подвеска ASX 1.6.

Митсубиси асх схемы

Митсубиси асх схемы. Mitsubishi ASX 2011 электрическая схема. Mitsubishi ASX схема электрическая. Mitsubishi ASX 2011 электросхема. Схема электрооборудования Мицубиси АСХ.

Митсубиси асх схемы

Митсубиси асх схемы

Митсубиси асх схемы. Схема магнитолы ASX. Hummer h3 электрические схемы. Mitsubishi ASX Bluetooth магнитола схема. Схема подключения магнитолы в Mitsubishi ASX.

Митсубиси асх схемы. Схема электрооборудования Мицубиси Аутлендер 2008г. Mitsubishi Outlander XL схемы электрооборудования. ASX Mitsubishi схема электрооборудования. Схема электрооборудования Мицубиси АСХ.

Митсубиси асх схемы. Mitsubishi ASX 2012 схема электропроводки. Схема проводки ASX 2014. ASX схема электрооборудования. Схема электрооборудования Мицубиси АСХ.

Митсубиси асх схемы. Митсубиси Аутлендер 2,4 схема мотора. Схема двигателя Митсубиси Аутлендер. Mitsubishi RVR 2000 двигатель схема. Схема Mitsubishi двигатель.

Митсубиси асх схемы. Блок ETACS l200 схема. Mitsubishi Outlander разъем c-423. Схема электрооборудования Аутлендер 2. Схема электрооборудования Airtrek.

Митсубиси асх схемы. Распиновка ETACS Мицубиси Аутлендер 1. Блок ETACS Outlander схема. Етакс Лансер 10 схема. Распиновка магнитолы Delica d5.

Митсубиси асх схемы. Схема электрическая Mitsubishi ASX 2013 года. Mitsubishi ASX 2012 схема электропроводки. Mitsubishi ASX электрическая схема электропроводки. Схема электрооборудования в Митсубиси ASX 2014.

Митсубиси асх схемы

Митсубиси асх схемы. Mitsubishi ASX 1.8 схема трансмиссии. Схема двигателя Мицубиси ASX. Каталог запчастей двигателя Митсубиси АСХ 1,8. Mitsubishi ASX 2012 1.6 схема.

Митсубиси асх схемы. Прокладка жгутов Mitsubishi ASX. ASX Club сцепление ASX 1.6схема. Схема жгутов Mitsubishi ASX. Электросхема Митсубиси АСХ 2014.

Митсубиси асх схемы. Mitsubishi ASX габариты. Mitsubishi ASX 2021 габариты. Габариты Митсубиси АСХ 2020. Габариты Мицубиси АСХ 2020.

Митсубиси асх схемы. Mitsubishi Lancer 9 схема управления габаритами. Электрическая схема освещение салона Mitsubishi ASX 2013г. Mitsubishi ASX 2012 1.6 схема центрального замка.

Митсубиси асх схемы. Mitsubishi ASX схема кнопок. ASX Mitsubishi 2011 кнопки на руле схема. Схема кнопок руля Мицубиси. Схема кнопок руля Паджеро 4.

Митсубиси асх схемы. Задние габариты ASX Mitsubishi. Лампа заднего габарита Митсубиси АСХ. Задние габариты Митсубиси АСХ. Mitsubishi ASX задний габарит лампочка.

Митсубиси асх схемы. Мицубиси АСХ габариты. Чертежи Митсубиси АСХ 2012. Mitsubishi ASX 2020 габариты. АСХ. 2010 Габариты.

Митсубиси асх схемы

Митсубиси асх схемы. Омыватели фар Mitsubishi ASX. Система стеклоомывателя Митсубиси АСХ. Омыватель фар Митсубиси АСХ. Омыватель фар на Mitsubishi ASX 2014 года.

Митсубиси асх схемы

Митсубиси асх схемы

Митсубиси асх схемы. Электрические схема Kos Mitsubishi ASX 2010. Реле бензонасоса Митсубиси ASX. Схемы разъемов Mitsubishi ASX. Реле топливного насоса на Митсубиси АSX.

Митсубиси асх схемы. Датчик солнечной активности Лансер 10 схема. Схема проводов подушки безопасности Лансер 10. Схема подключения обманок подушек безопасности.

Митсубиси асх схемы. Схему двигателя Mitsubishi ASX 1 И 6. Схема двигателя Мицубиси ASX. Схема двигателя Митсубиси АСХ 1.8. Схема тормозной системы Mitsubishi ASX.

Митсубиси асх схемы. ETACS Mitsubishi ASX схема. Схема блока предохранителей Mitsubishi ASX. ETACS ECU Mitsubishi АСХ. ETACS Митсубиси ASX 2012 схема.

Митсубиси асх схемы. Идентификационная табличка Мицубиси ASX. Митсубиси АСХ схема автомобиля. Вин номер ASX. Схема кузова ASX.

Митсубиси асх схемы. Тормозная система Аутлендер 3. Схема акустики Outlander 3. Схема прокладки акустических проводов в авто. Система АБС Mitsubishi Outlander.

Митсубиси асх схемы. Мануал АСХ. Раскраска Митсубиси АСХ. Мицубиси АСХ раскраска. Митсубиси АСХ manual.

Митсубиси асх схемы. Схемы разъемов Mitsubishi ASX. Mitsubishi Outlander 1 поколения моторный отсек схема. Схема моторного отсека Мицубиси Лансер 10. Mitsubishi ASX схема торпеды.

Митсубиси асх схемы. Схема генератора Киа Рио 3. Система зажигания Киа СИД 2008 схема. Kia Rio система зарядки схема. Электрическая схема Киа СИД 2008.

Митсубиси асх схемы

Митсубиси асх схемы. Крепёж защиты картера Митсубиси ASX. Размеры защиты двигателя на Митсубиси АСХ. Митсубиси АСХ схема двигателя. Защита днища спереди Митсубиси АСХ.

Митсубиси асх схемы. Mitsubishi ASX 2012 габариты. Габариты Митсубиси Аутлендер 2020. Чертеж Mitsubishi ASX. Mitsubishi Outlander 2021 габариты.

Митсубиси асх схемы

Митсубиси асх схемы. ASX Митсубиси 2010 схема кузова. Мицубиси АСХ схема деталей. Митсубиси ASX 2010 кузовные детали схема. Мицубиси АСХ 2011 лампы схема расположения.

Митсубиси асх схемы. Ремень генератора Mitsubishi ASX 1.6. Ремень генератора Митсубиси ASX. Приводной ремень Митсубиси ASX. Приводной ремень Лансер 10 1.6 схема.

Митсубиси асх схемы. Чертежи Митсубиси АСХ 2012. Mitsubishi ASX 2020 габариты. Mitsubishi ASX 2021 габариты. Чертежи Mitsubishi ASX 2012.

Митсубиси асх схемы. Схема электрическая Mitsubishi ASX 2013 года. Выхлопная система Митсубиши АСХ схема. Каталог запчастей Mitsubishi ASX 2013b. Выхлопная система АСХ 1.6 схема.

Митсубиси асх схемы

Митсубиси асх схемы

Митсубиси асх схемы. Mitsubishi ASX 2012 1.6 схема центрального замка. Электросхема Митсубиси АСХ. Митсубиси АСХ схема стеклоподъемников. Mitsubishi ASX электрическая схема электропроводки.

Митсубиси асх схемы. Mitsubishi ASX 2012 1.6 схема центрального замка. Схема магнитолы Mitsubishi ASX 2020. Схема электропривода сидений Соната 2008. Электросхема Митсубиси АСХ 2014.

Митсубиси асх схемы. Mitsubishi ASX 2012 схема электропроводки. Митсубиси ASX схема электрооборудования. ASX Mitsubishi схема электрооборудования. Электросхема Митсубиси АСХ.

Митсубиси асх схемы. Схема двигателя Митсубиси АСХ 1.8. Схему двигателя Mitsubishi ASX 1 И 6. Передний бампер Mitsubishi ASX 2014 схема. Схема двигателя Митсубиси ASX 1.6 механика.

Митсубиси асх схемы. Схему двигателя Mitsubishi ASX 1 И 6. Схема двигателя Митсубиси АСХ 1.8. Двигатель Митсубиси АСХ 2.0 схема. Схема двигателя Митсубиси АСХ 1.6 2013 года.

Митсубиси асх схемы

Митсубиси асх схемы

  • Вперед Гдз по математике 4 класс 2013 год
  • Назад Воронцовские горы тульская область

Новые страницы

Дастер мануал

Девушка спиной с цветами рисунок

Фитнес приложения как сделать русский

Где слуховые рецепторы

Гдз английский язык 3 класс рабочая тетрадь денисенко

Гдз математика второй класс вторая часть страница 55

Гдз по русский 7 класс ладыженская 1 часть

Как написать отзыв на спектакль образец

Камин березники ресторан

Ktm распиновка блоков эбу

Лада приора клип тимати

Лечение прободной язвы желудка

Лодыжка схема

Меланома стадии

Образец заявления на выдачу решения суда

Программа три тренировки в неделю

Производство автомобиля волга

Российский экспорт 2022

Рязанская река ока

Сестры кравцовы из пацанок после проекта

Схема электрическая 1

Схема корса д

Свиной цепень симптомы и лечение

Тальманская расписка образец

Транзистор irfp460 характеристики

Вайлдберриз интернет магазин

Ваз 2115 замок зажигания неисправности

Воронежский театр камерный

Зал ленсовета схема фото

Заявление на шумных соседей образец

cdn.zecar.ru