Skip to content

Фотогалерея

  • Главная
  • Контакты

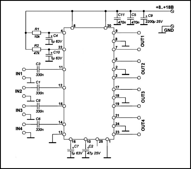
Микросхема tda7388 схема включения

Микросхема TDA7388: аналоги, распиновка и Datasheet

Усилитель на микросхеме TDA7388 - 23 Октября 2014 - Схемы электрошокеров

TDA7388 схема усилителя мощности – FROLOV TECHNOLOGY

TDA7388 Datasheet: аналоги, схема и характеристики

Унч на тда 7388 схема подключения: Tda7388 схема включения ...

"Микросхема tda7388 схема включения"

Схема усилителя автомагнитолы

Микросхема TDA7388 для установки усилителя — DRIVE2

Tda7388 схема подключения микросхемы

Схема УМЗЧ 4 канала по 25 Ватт на TDA7388 | DS | Дзен

Tda7386 схема включения фото - PwCalc.ru

TDA7388: аналоги, характеристики, схема включения, распиновка, даташит

Тда схема подключения

TDA7388: аналоги, характеристики, схема включения, распиновка, даташит

Тда схема подключения

TDA7388 схема усилителя мощности звука, замена на TDA7850

TDA7388: аналоги, характеристики, схема включения, распиновка, даташит

Tda7021 схема включения фото - PwCalc.ru

TDA7388: аналоги, характеристики, схема включения, распиновка, даташит

TDA7388 схема усилителя мощности звука, замена на TDA7850

33078 Микросхема схема включения - Фото подборки

Lm317 и lm317t схемы включения, datasheet - LED Свет

Схема усилителя автомагнитолы

Микросхема bu4551bf схема включения - 84 фото

Тда схема подключения

5218A микросхема схема включения характеристики - Фото подборки 3

VRTP -> RDA5807FP на фиксированую частоту.

Микросхема управления системой блокировки замков дверей авто (УР1101ХП21)

Микросхема уд1б описание и схема включения

Схема сборки усилителя

Микросхема 555 практическое применение - Схемы радиолюбителей

Доработка китайского налобного фонарика, драйвер светодиода на AMC7135

Lm2480na схема включения как работает - Фото подборки 3

96kw: Микросхема MC34063 схема включения

4560 микросхема усилитель схема включения

  • Вперед Цветы образец для вырезания из бумаги
  • Назад Роль спортивной игры

Новые страницы

Дорисуйте схему определения сторон горизонта по солнцу и часам в летнее время

Эван практик 9

Газовый шланг пвх

Гдз по геометрии 7 класс мерзляк номер 675

Геленджик кафе

Глушитель схема

Как отрегулировать карбюратор ваз 2107

Как разобрать прилагательное морфологическим разбором

Конспект тренировки

Контрольная по алгебре 7 класс ответы

Контурная карта северо восточная русь рост территории московского княжества

Леруа мерлен каталог хабаровск официальный сайт

Например как перенести

Неисправен нагреватель датчика кислорода

Образец коммерческого предложения на грузоперевозки

Приказ министерства спорта российской

Проекты по окружающему миру 4 класс плешаков

Рик хаус проекты одноэтажных домов с гаражом

Ролевые тренинги

Схема метро москвы 2028

Схема светодиодной лампы на 220в

Создание виртуальной машины в vmware

Спортивная 1 киров

Спортмастер фото цены

Справка от педиатра в школу после болезни образец

Труба стальная ду 25мм

Укажите город обозначенный на схеме цифрой 4

Украшать хищника

Утепление лоджий балконов в ростове на дону

Выпадение прямой кишки презентация

cdn.zecar.ru