Skip to content

Фотогалерея

  • Главная
  • Контакты

Меркурий принципиальная схема

Меркурий принципиальная схема. Схема Эл счетчика Меркурий 201. Схема счётчика Меркурий 201.5. Схема счетчика электроэнергии Меркурий 201. Схема подключения счетчика Меркурий 202.

Меркурий принципиальная схема. УСПД ce805m-pl03 ext1. УСПД см 160. УСПД се805м схема подключения. Энергомера се805м схема подключения.

Меркурий принципиальная схема. Схема Эл счетчика Меркурий 201. Счётчик электроэнергии Меркурий 201. 5 Схема принципиальная. Электрическая схема счетчика Меркурий. Принципиальная электрическая схема счетчика Меркурий 201.

Меркурий принципиальная схема. Схема косвенного включения электросчетчика. Схема подключения счетчика Меркурий 234 прямого включения. Схема подключения клеммной колодки трехфазного счетчика. Схема подключения импульсного электросчетчика.

Меркурий принципиальная схема. Электросчётчик Меркурий 201 схема принципиальная электрическая. Принципиальная схема счётчика Меркурий 230. Схема электрическая принципиальная счетчика Меркурий 230. Принципиальная электрическая схема счетчика Меркурий 201.

Меркурий принципиальная схема

Меркурий принципиальная схема. Кулон 405 схема электрическая принципиальная. Меркурий 180ф схема платы. Зарядное устройство кулон 105 схема электрическая. Кулон 715а схема принципиальная электрическая.

Меркурий принципиальная схема. Принципиальная электрическая схема счетчика Меркурий 201. Счётчик электроэнергии на микросхеме ade7755. Электрическая схема счетчика Энергомера се 101. Электросчетчик схема электрическая принципиальная.

Меркурий принципиальная схема. Схема подключения электросчетчика Меркурий 231. Схема включения - счетчик Меркурий 231. Схема подключения трёхфазного счётчика Меркурий 231. Схема подключения счётчика электроэнергии Меркурий 231.

Меркурий принципиальная схема. Схема электрическая принципиальная счетчика Меркурий 230. Схема платы Меркурий 230. Принципиальная электрическая схема счетчика Меркурий 201. Счётчик трёхфазный Меркурий 230 схема электрическая принципиальная.

Меркурий принципиальная схема. Схема электрическая принципиальная счетчика Меркурий 230. Принципиальная схема электросчетчика Меркурий 230. Электросчётчик Меркурий 201 схема принципиальная электрическая. Принципиальная схема электрического счетчика Меркурий 201 2.

Меркурий принципиальная схема. Схема подключения 3-х фазного счетчика Меркурий 231. Схема подключения счетчика Меркурий 231. Схема подключения трёхфазного счётчика Меркурий 231. Схема подключения счетчика Меркурий 380в.

Меркурий принципиальная схема

Меркурий принципиальная схема

Меркурий принципиальная схема. Схема подключения счетчика 3тт 2тн. Схема включения счетчика 10 кв. Схема подключения счетчика 2тт 2тн 10кв. Схема подключения ПКУ 10 кв 2тт 3тн.

Меркурий принципиальная схема. Схема подключения счетчика Меркурий 231. Меркурий 231 ам-01 схема принципиальная. Меркурий 231 схема электрическая. Меркурий 231 ам-01 схема электрическая.

Меркурий принципиальная схема

Меркурий принципиальная схема. Принципиальная схема счетчика электроэнергии. Электросчетчик схема электрическая принципиальная. Электрическая схема счетчика Меркурий 201.5. Принципиальная схема цифрового счетчика электроэнергии.

Меркурий принципиальная схема. Принципиальная схема счетчика Меркурий. Электрическая схема счетчика Меркурий. Принципиальная схема электросчетчика. Электросчетчик схема электрическая принципиальная.

Меркурий принципиальная схема. Sm160 контроллер. УСПД sm160-02m. Sm160-02 контроллер. SM 160 УСПД.

Меркурий принципиальная схема. Схема подключения счетчика Меркурий 200. Схема Эл счетчика Меркурий 201. Схема подключения счётчика электроэнергии Меркурий 200. Схема подключения счётчика электроэнергии Меркурий 201.

Меркурий принципиальная схема. Принципиальная схема видеокамеры g90b. УЗТ-1.07Ф схема. УЗТ-1.07Ф схема электрическая. Атол 91 ф схема электрическая принципиальная.

Меркурий принципиальная схема. Схема подключения счётчика электроэнергии Меркурий 200. Схема подключения счетчика Меркурий 200.02. Схема подключения электросчетчика Меркурий 200.02. Меркурий 200 электросчетчик схема подключения.

Меркурий принципиальная схема. Меркурий 115ф схема электрическая принципиальная. Меркурий 201 схема электрическая принципиальная. Принципиальная схема весов Меркурий 315. Электрическая схема Меркурий 200 02.

Меркурий принципиальная схема. Схема подключения трёхфазного счётчика Меркурий 230 прямого включения. Схема подключения 3 фазного счетчика прямого включения. Схема подключения счетчика Меркурий 234. Схема включения счетчика электроэнергии Меркурий 230.

Меркурий принципиальная схема. Схема соединения счетчика Меркурий 201. Подключение электросчетчика Меркурий 201 схема подключения. Эл счётчик Меркурий 201 схема подключения. Схема подключения счётчика электроэнергии Меркурий 201.5.

Меркурий принципиальная схема. Схема электрическая принципиальная счетчика Меркурий 230. Электрическая схема счетчика Меркурий 201.5. Схема счетчика Меркурий 231. Принципиальная электрическая схема счетчика Меркурий 201.

Меркурий принципиальная схема

Меркурий принципиальная схема. Принципиальная схема счетчика Меркурий. Ade7752a схема трехфазного электросчетчика. Электросчетчик схема электрическая принципиальная. Принципиальная электрическая схема электросчетчика Меркурий.

Меркурий принципиальная схема. Принципиальная электрическая схема цэ6803в. Меркурий 201.5 схема принципиальная ad71056. Меркурий 201.5 схема принципиальная. LTC 100 электросхема.

Меркурий принципиальная схема. GSM модем для счетчика Меркурий 230 схема подключения. Схема подключения модема к счетчику Меркурий 230. Меркурий 230 схема подключения интерфейса. Счетчик Меркурий 230 Art схема подключения rs485.

Меркурий принципиальная схема. Принципиальная электрическая схема счетчика Меркурий 201. Электросчетчик схема электрическая принципиальная. Схема счетчика электроэнергии Меркурий 201. Принципиальная схема цифрового счетчика электроэнергии.

Меркурий принципиальная схема

Меркурий принципиальная схема. Электрическая схема счетчика Меркурий 201.5. Электросчётчик Меркурий 201 схема принципиальная электрическая. Принципиальная схема электросчетчика Меркурий 230. Схема электросчетчика Меркурий 201.5.

Меркурий принципиальная схема. Схема подключения прибора учета Меркурий 234. Схема подключения электросчетчика Меркурий 234. Подключение счетчика 10 кв схема Меркурий. Схема подключения счетчика 2тт 2тн.

Меркурий принципиальная схема

Меркурий принципиальная схема

Меркурий принципиальная схема

Меркурий принципиальная схема. Схема электрическая принципиальная счетчика Меркурий 230. Однолинейная схема электроснабжения Меркурий 231ш. Меркурий 231 электрическая схема электрическая. Однолинейная схема счетчик Меркурий 201.

Меркурий принципиальная схема. Схема подключения счетчика Меркурий 230 с трансформаторами тока. Схема подключения счетчика Меркурий 230. Схема включения счетчика Меркурий 230 ам 01 трехфазный. Схема включения счетчика электроэнергии Меркурий 230.

Меркурий принципиальная схема

Меркурий принципиальная схема. Принципиальная схема счетчика электроэнергии Меркурий. Принципиальная электрическая схема счетчика Меркурий 201. Схема Эл счетчика Меркурий 201. Схема счётчика Меркурий 201.5.

Меркурий принципиальная схема

Меркурий принципиальная схема. Меркурий 250.12.gr.l (УСПД PLC-II). Схема подключения УСПД Меркурий 250grl 250 Grl.22. Шкаф УСПД схема. УСПД Меркурий 250 проект АСКУЭ.

Меркурий принципиальная схема. Схема подключения трансформаторов тока к счетчику Меркурий 234. Схема подключения счётчика электроэнергии Меркурий 230. Схема подключения счетчика Меркурий 230 с трансформаторами тока. Схема подключения счетчика Меркурий 230 ам-01.

Меркурий принципиальная схема. Счётчик электроэнергии Меркурий 201. 5 Схема принципиальная. Электросчётчик Меркурий 201 схема принципиальная электрическая. Меркурий 201.5 схема принципиальная электрическая. Принципиальная схема электрического счетчика Меркурий 201 2.

Меркурий принципиальная схема

Меркурий принципиальная схема. Схема включения трехфазного счетчика Меркурий 230. Схема подключения прибора учета Меркурий 230. Схема подключения Эл. Счетчика трансформаторного включения. Схема подключения трёхфазного счётчика Меркурий 230 прямого включения.

Меркурий принципиальная схема. Электросчетчик схема электрическая принципиальная. Схема электросчетчика Меркурий. Схема электросчетчика Меркурий 201.5 принципиальная. Схема Эл счетчика Меркурий 201.

Меркурий принципиальная схема. Электросчетчик схема электрическая принципиальная. Принципиальная схема электросчетчика Энергомера. Схема счётчика Меркурий 201 принципиальная схема. Схема платы ключ рыбка Мерседес.

Меркурий принципиальная схема. Схема подключения счётчика электроэнергии Меркурий 234. Схема включения счетчика электроэнергии Меркурий 230. Схема электрическая принципиальная счетчика Меркурий 230. Схема подключения счётчика электроэнергии Меркурий 230.

Меркурий принципиальная схема. Схема Эл счетчика Меркурий 201. Электросчетчик схема электрическая принципиальная. Принципиальная схема счетчика Меркурий. Схема цифрового счетчика электроэнергии.

Меркурий принципиальная схема

Меркурий принципиальная схема

Меркурий принципиальная схема. Схема подключения счетчика Меркурий 200. Схема подключения счётчика электроэнергии Меркурий 200. Меркурий 200 электросчетчик схема подключения. Схема подключения счетчика Меркурий 200.02.

Меркурий принципиальная схема. Схема подключения счётчика электроэнергии Меркурий 234. Схема соединения счетчиков с 2 трансформаторами тока. Схемы включения трехфазных счетчиков Меркурий. Схема подключения трёхфазного счётчика Меркурий.

Меркурий принципиальная схема

Меркурий принципиальная схема. Электрическая схема счетчика Меркурий 201.5. Электрическая схема электросчетчика Меркурий. Принципиальная схема счетчика электроэнергии Меркурий. Схема счётчика Меркурий 201 принципиальная.

Меркурий принципиальная схема

Меркурий принципиальная схема

Меркурий принципиальная схема

Меркурий принципиальная схема. Меркурий 115ф схема электрическая принципиальная. Меркурий 115 схема электрическая принципиальная. Схема кассового аппарата Меркурий. Принципиальная схема весов Меркурий 315.

Меркурий принципиальная схема. Счетчик Меркурий с интерфейсом RS-485. Схема соединения счетчиков по RS-485. Меркурий 230 с Интерфейс RS-485. Меркурий 230 схема подключения АСКУЭ.

Меркурий принципиальная схема. Выпрямитель ТВР 3150 схема. Выпрямитель твр1 1600/12т схема. Выпрямитель твр1 800/12т схема. Выпрямитель ВБВ схема.

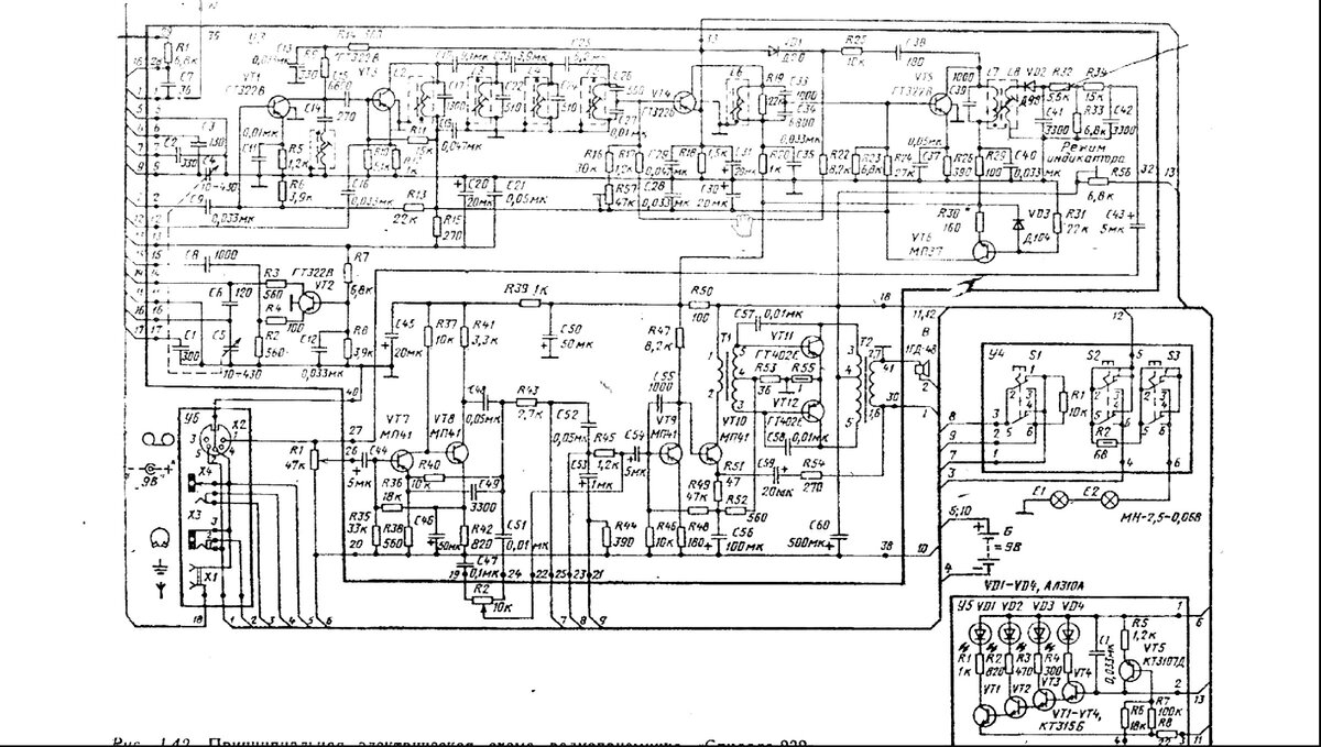
Меркурий принципиальная схема. Радиоприемник ВЭФ Спидола 232 схемы. Магнитола ВЭФ Сигма 260 схема. Spidola 232 схема. Радиоприемник VEF Spidola 232 схема.

Меркурий принципиальная схема

Меркурий принципиальная схема. Схема подключения однофазного счетчика Меркурий 201. Схема подключения однофазного электрического счётчика Меркурий 201. Схема подключения электрического счетчика Меркурий 201. Принципиальная схема однофазного счетчика.

Меркурий принципиальная схема. Схема включения трехфазного счетчика Меркурий 230. Схема включения счетчика электроэнергии Меркурий 230. Схема подключения электросчетчика Меркурий 231. Схема подключения счётчика Меркурий 230 Art.

Меркурий принципиальная схема. Принципиальная электрическая схема счетчика Меркурий 201. Схема Эл счетчика Меркурий 201. Счетчик Меркурий 201.5 схема принципиальная. Электросчетчик Меркурий 201.2 схема.

Меркурий принципиальная схема. Принципиальная схема счетчика Меркурий. Схема счётчика Меркурий 201 принципиальная. Меркурий 201 схема электрическая принципиальная. Принципиальная электрическая схема Меркурий 201.2.

Меркурий принципиальная схема. Счётчик электроэнергии на микросхеме ade7755. Электрическая схема счетчика Энергомера. Счетчик на схеме электрической принципиальной. Ade7752a схема трехфазного электросчетчика.

Меркурий принципиальная схема. Схема счётчика Меркурий 201. Схема Эл счетчика Меркурий 200. Принципиальная электрическая схема счетчика Меркурий 201. Электронная схема счетчика Меркурий 201.

Меркурий принципиальная схема. Схема включения счетчика электроэнергии Меркурий 230. Схема трехфазного счетчика Меркурий 230. Схема подключения счетчика Меркурий 230. Схема подключения трёхфазного счётчика Меркурий 230 прямого включения.

Меркурий принципиальная схема. Схема включения счетчика электроэнергии Меркурий 230. Схема подключения электросчетчика 380в. Схема подключения трёхфазного счётчика Меркурий. Схема подключения счётчика электроэнергии трехфазного Меркурий.

Меркурий принципиальная схема

Меркурий принципиальная схема. Принципиальная электрическая схема счетчика Меркурий 201. Электросчетчик Меркурий 200 схема принципиальная. Схема счетчика Меркурий 201.5 внутренняя. Электросчётчик Меркурий 201 схема принципиальная электрическая.

Меркурий принципиальная схема. Принципиальная схема счётчика Меркурий 230. Принципиальная электрическая схема счетчика Меркурий 201. Электрическая схема счетчика Меркурий 230. Меркурий 230 схема принципиальная электрическая.

Меркурий принципиальная схема. Электросчетчик схема электрическая принципиальная. Принципиальная схема счетчика электроэнергии. Принципиальная схема электросчетчика Энергомера. Принципиальная электрическая схема счетчика Меркурий 201.

Меркурий принципиальная схема. Структурная схема счетчика «Меркурий 230. Схема трехфазного электронного счетчика. Схема цифрового счетчика электроэнергии. Схема устройства электронного счетчика электроэнергии.

Меркурий принципиальная схема. Схема подключения счетчик Меркурий 230 Art 02. Трёхфазный счётчик Меркурий 230 схема подключения. Схема подключения счётчика Меркурий 230 Art 01rn. Подключение трёхфазного счётчика Меркурий 230 схема подключения.

Меркурий принципиальная схема. Принципиальная схема счетчика электроэнергии. Принципиальная схема счетчика Меркурий. Электросчетчик схема электрическая принципиальная. Принципиальная электрическая схема электросчетчика Меркурий.

Меркурий принципиальная схема. Схема устройства электронного счетчика электроэнергии. Схема цифрового счетчика электроэнергии. Блок схема цифрового счетчика электроэнергии. Структурная схема подключения счетчиков.

Меркурий принципиальная схема. Структурная схема счетчика Альфа. Структурная схема электронного счетчика. Структурная схема микропроцессорного счетчика. Блок схема цифрового счетчика электроэнергии.

Меркурий принципиальная схема. Схема подключения счетчика Меркурий 200.02. Схема подключения счётчика электроэнергии Меркурий 200. Меркурий 200 электросчетчик схема подключения. Принципиальная схема электросчетчика Меркурий 230.

  • Вперед Гдз по математике страница 45 номер 5
  • Назад Собаку укусил клещ последствия

Новые страницы

Бнт 150

Доброе утро с шоколадом и кофе картинки с надписями

Энцефалография головы

Эндокринолог что делает

Герпесная ангина симптомы и лечение у детей

Как стоматологи считают зубы

Лечение геморрагического инсульта

Математика 5 класс учебник виленкин жохов ответы 2 часть

Меркурий принципиальная схема

Морозова юлия сергеевна

На протокол разногласий пишется протокол согласования разногласий образец

Наконечник нки 6 0 6

Образец заявления на дни в счет отпуска

Обувь на прокат

Огневка восковая моль лечение

Окко спорт фигурное катание гран при

Печка нива шевроле устройство

Переходник com rs 232

Письмо подтверждение об участии в мероприятии образец

Приказы мастеров спорта 2023

Простатит как его лечить

С 87 русский язык 4 класс 2 часть

Схема театра эстрады москва

Шкафы купе раменское

Сигналы стропальщика крановщику в картинках мостового крана

Смешные картинки с надписями для стикеров в ватсапе

Соглашение о расторжении договора поставки по соглашению сторон образец

Список сотрудников для медосмотра по приказу 29н образец

Ул спортивная 15 1

Усилитель звука на одном транзисторе схема

cdn.zecar.ru