Skip to content

Фотогалерея

  • Главная
  • Контакты

Мазда капелла 1997 самодиагностика abs

Мазда капелла самодиагностика абс

Купить Блок управления двс Mazda Capella 4, GV8W Мазда Капелла Капела ...

Мазда капелла самодиагностика абс

Мазда капелла самодиагностика абс

Мазда капелла самодиагностика абс

Мазда капелла самодиагностика абс

Мазда капелла самодиагностика абс

Купить Блок управления двс Mazda Capella 4, GV8W Мазда Капелла Капела ...

Углы установки колес (Мазда Капелла 5 (626) 1991-1997: Шасси: Подвеска ...

Мазда капелла самодиагностика абс

Диагностика абс мазда капелла - 98 фото

Купить Мазда Капелла 1997 в Бердске, седан, серый, автомат at

Блок абс мазда капелла где находится - 84 фото

Эбу мазда капелла где находится - 82 фото

Дверь передняя левая Mazda Capella 4, GVFW Мазда Капелла Капела ...

Ремонт стеклоподъемника мазда капелла - фото

Ремонт передней и задней подвески автомобилей Мазда Капелла ГФ (6 ...

Панель приборов (Мазда Капелла 6 (626) 1997-2005, бензин: Общая ...

Эбу мазда капелла где находится - 82 фото

Купить Мазда Капелла 1997 в Новороссийске, Продам рабочую лошадку, акпп ...

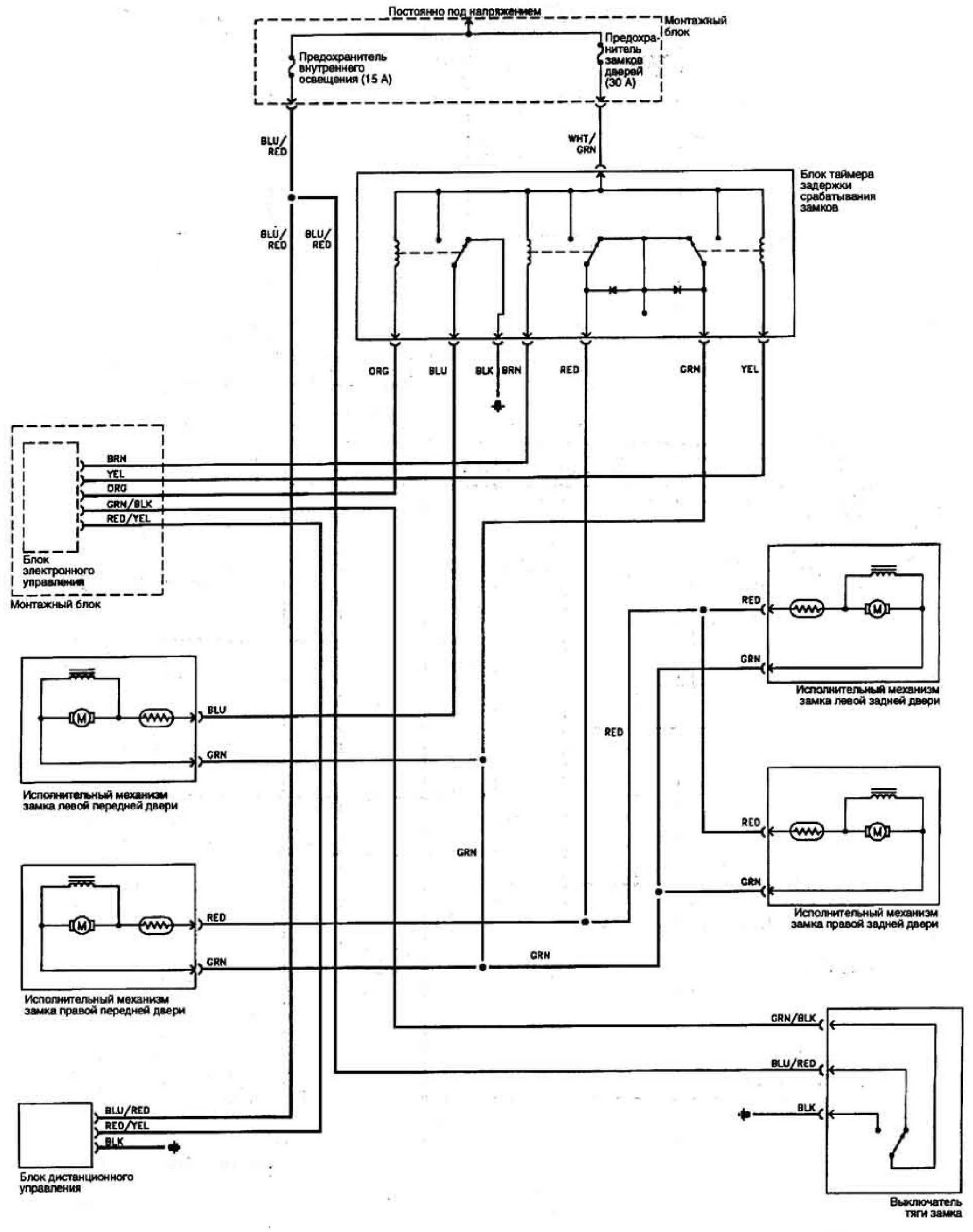
Система центральной блокировки — модели 1993-1997 г. (Мазда Капелла 6 ...

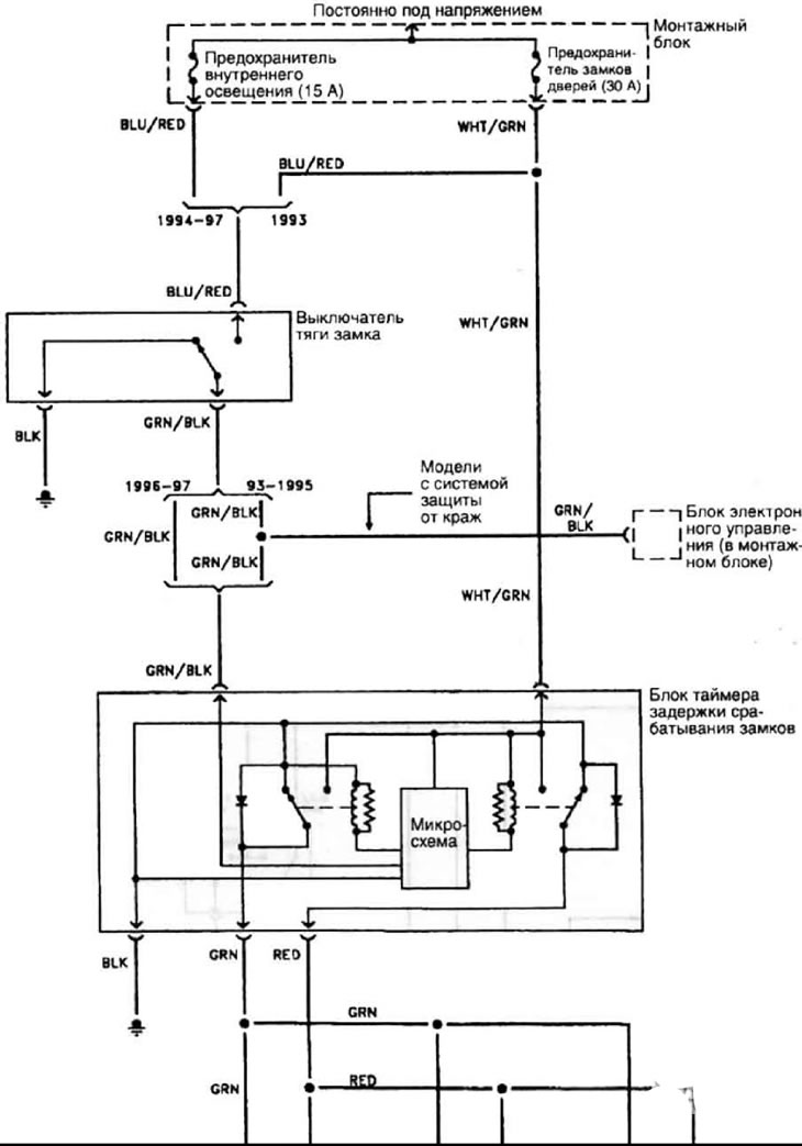
Система круиз-контроля — модели 1993-1994 г. (Мазда Капелла 6 (626 ...

Блок абс мазда капелла где находится - 84 фото

Блок абс мазда капелла где находится - 84 фото

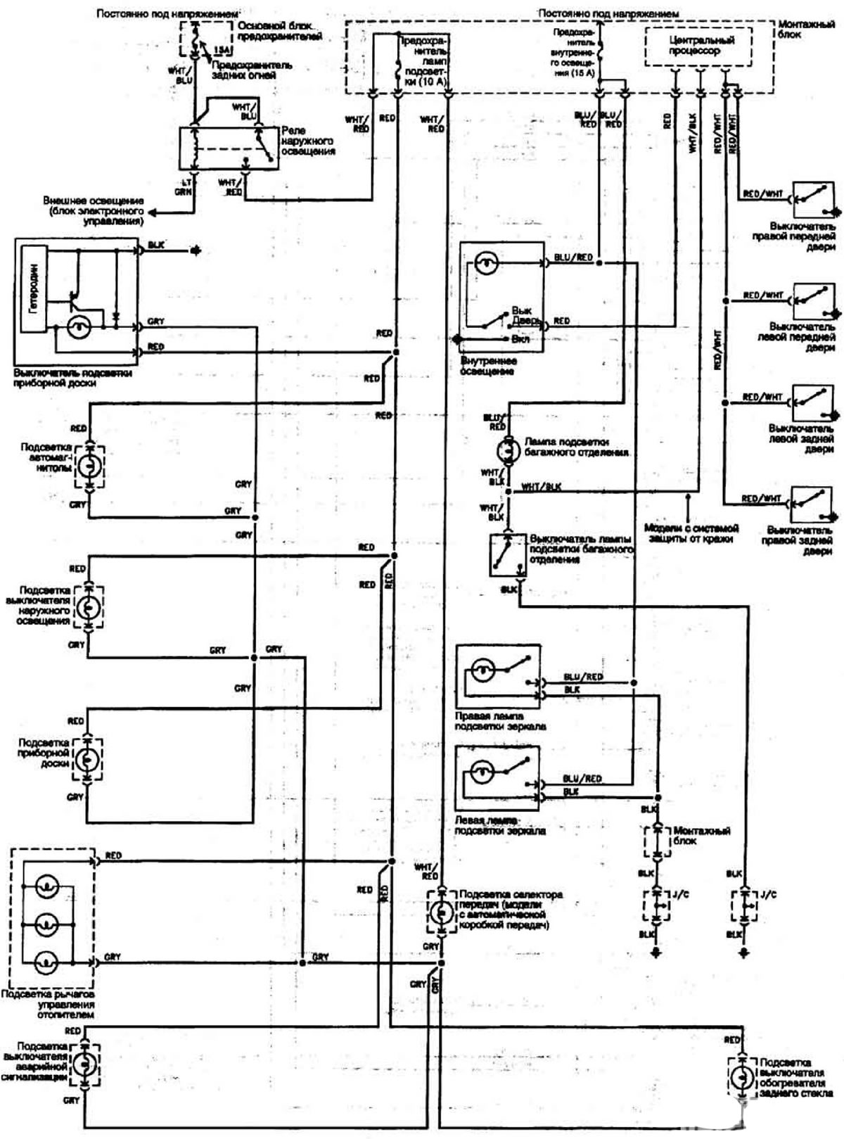
Подсветка приборов — модели выпуска с 1998 г. (Мазда Капелла 6 (626 ...

Типы системы кондиционирования воздуха (Мазда Капелла 5 (626) 1991-1997 ...

Блок абс мазда капелла где находится - 84 фото

Общие сведения об электрооборудовании двигателя (Мазда Капелла 6 (626 ...

Система дистанционного управления центральным замком — модели 1995-1997 ...

Блок абс мазда капелла где находится - 84 фото

Основные сведения о системе управления двигателем (Мазда Капелла 6 (626 ...

Блок абс мазда капелла где находится - 84 фото

Блок абс мазда капелла где находится - 84 фото

Блок абс мазда капелла где находится - 84 фото

Блок абс мазда капелла где находится - 84 фото

  • Вперед Доп соглашение к договору о продлении срока действия образец
  • Назад Чем проявляется доброта

Новые страницы

Акация с красными цветами фото и названия

Ав южные ворота метро

Cus cuo cu цепочка

Дисциплинированная ученица

Дизайн ванной комнаты с ламинатом на стене

Договор уступки доли в уставном капитале ооо образец

Драйвер elm327

Двудольные растения схема

Электросхемы ford focus

Формула такси телефон

Гдз по английскому языку 9 класс комарова рабочая тетрадка

Гдз по математике страница 85 номер 2

Как поменять масло в коробке хендай акцент

Кнопочный пост с фиксацией

Мазда капелла 1997 самодиагностика abs

Молчуна перемолчит крикуна перекричит что

Need for speed prostreet коды

Образец соглашения о задатке при покупке квартиры

Проект нива 4х4

Прямые спортивные трансляции спорт тв

Расклад на перспективу отношений таро схема

Распиновка контактов модулятор абс

Решебник алгебра 8 класс макарычев миндюк

Рыболов спортсмен рыболовный интернет магазин

Рулевая рейка перевод

Щипцы для удаления зубов мудрости

Слово обладает огромной силой и влиянием подбери подходящую пословицу

Тролли картинки тролли мировой тур

Ясный схема

Жарки санаторий красноярский край

cdn.zecar.ru