Skip to content

Фотогалерея

  • Главная
  • Контакты

Max17113

Jual MAXIM MAX17113ETL MAX17113E MAX17113 E MAX 17113E MAX 17113 E ...

MAX17113 MAX17113E MAX17113ETL - Источник напряжений питания LCD экранов

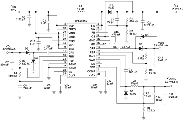
MAX17113 - Leaky MOSFET

Falla en la T-CON Display LG LC260EXN-SDA1 - YoReparo

MAX17113 Datasheet and Product Info | Analog Devices

MAX17113 Datasheet PDF - Multiple-Output Power Supply

MAX17113 Datasheet PDF - Multiple-Output Power Supply

MAX17113 Datasheet PDF - Multiple-Output Power Supply

ELECTRONICS TRICKS AND TIPS: DC to DC ic 6861AAQ SUBSTITUTE

1pcs/lot MAX17113ETL+T MAX17113ETL+ MAX17113ETL MAX17113E max17113 ...

1pcs/lot MAX17113ETL+T MAX17113ETL+ MAX17113ETL MAX17113E MAX17113 ...

MAX17113ETL + IC PWR SUPPLY PARA LCD TV 40 16TQFN MAX17113ET 17113 ...

Maxim MAX17113

1pcs/lot Max17113etl+t Max17113etl+ Max17113etl Max17113e Max17113 ...

ad最全集成库下载 - 电子发烧友网

PMIC Addresses LCD TV Power Requirements | Electronic Design

Ci Smd Max17113etl - Max17113e - Max17113 - Maxim 17113e - 17113e - 17113

MAX17113 MAX17113E MAX17113ETL - Источник напряжений питания LCD экранов

液晶屏芯片MAX17113E - 家电维修资料网

Maxim MAX17113

Maxim MAX17113

MAX17113ETL+ - Power Management Specialised - PMIC Power-S

液晶屏芯片MAX17113E - 家电维修资料网

MAX17113 MAX17113E MAX17113ETL - Источник напряжений питания LCD экранов

MAX17113EVKIT+ Analog Devices Inc./Maxim Integrated | Development ...

17108E MAX17108E new LCD chip|Relays| - AliExpress

LG 42LE5500 開機不起動不亮 - 液晶顯示器維修技術 - 痞酷網_PIGOO - Powered by Discuz!

CATATAN ILMU: LED TV PINDAH CHANEL LAMBAT

10PCS SN74HC00N DIP DIP 14 74HC00 SN74HC02N SN74HC04N SN74HC08N ...

2 piezas ADS1013/ADS1014/ADS1015/ADS1113/ADS1115/ADS1118 IDGSR VSSOP 10 ...

Max31855kasa max31855k m31855k max31855k max31855 sop 8, 2 peças|sop-8 ...

4 pçs/lote MAX1044EPA MAX1044 DIP 8 Em Estoque|Circuitos integrados ...

XH A104 tpa3116 bluetooth 4.1 placa amplificador de potência digital 50 ...

MAX1719 Inverters Datasheet, Distribuidor, stock y mejor precio

LG 42LE5500 開機不起動不亮 - 液晶顯示器維修技術 - 痞酷網_PIGOO - Powered by Discuz!

  • Вперед Какой карбюратор подходит на оку
  • Назад Фитнес лайм краснодар

Новые страницы

Альфонс муха картины и их названия

Анализ контрольных работ по английскому языку по фгос образец

Bergquist company

Брекет системы проект

Дмв усилитель схема

Флаг звуковая схема

Funk pop

Гдз ладожская 6 класс

Has fitness

Игры сега картинки

Излучение явления электромагнитной индукции

Кальций меджик коралловый клуб

Карельская игра гуризех схема 4 класс

Лада гранта ттх

Лечение желтушки у новорожденных

Математика 5 класс учебник номер 867

Мегаполис клуб

Мерседес в химках

Монтаж деревянного пола на лагах

Обязательное рассмотрение советом федерации законов

Описание баренцева моря по плану 6 класс география

Отдых на черногорье цены

Подтвердите с помощью схем ответы на второй и третий вопросы

Развитие жизни в протерозойскую эру

Сайт спорт есть

Сергей дорошенко

Сканер для электропроводки

Справка о внесенных изменениях в проектную документацию образец

В молекуле днк гуанину комплементарен

Жидкость в сердце причины и лечение

cdn.zecar.ru