Skip to content

Фотогалерея

  • Главная
  • Контакты

Мастер открыть авто

Обои Авто на рабочий стол

Кулинарная школа Мастер-повар for Android - Download

Как открыть авто, если сел аккумулятор. - YouTube

Как изменились АВТО после Обновления с Мастерской в Палето-Бей - YouTube

Профессиональное Вскрытие Замков

Схема 20. Подключение динамиков акустической системы (Рено Логан 1 ...

Как поменять батарейку в ключе на Тойота в разных ключах смарт мастер ...

Мастер Дом Мюнхен | Ваш мастер и перевозчик в Мюнхене

Вскрыть машину в Москве - приезд за 20 мин.

Мастер... история одной фотографии (Ольга Андрис) / Проза.ру

Открыть вскрытие авто автомобиля вскрыть дверь замок машину, ключ ...

крутые авто фото

Мастер-классы > Мастер-класс джемпер \"Паутинка\" купить в интернет-магазине

Обои авто, машины на рабочий стол

Как снять прикуриватель на гранте - Авто-мастер - Лада Гранта Фан-клуб

Тату мастер Анита Борщ | Москва, Россия | iNKPPL

Аварийное открывание 24/7 в Одессе| Фаворит ключ

Max Trawor | Что лучше минивен - автодом или Авто палатка | Дзен

Крафт мастер КМ-К2 | Еренджи

Кузовных дел мастера: как открыть бизнес на обклейке авто винилом и ...

Мастер класс по прическам для профессионалов - 85 фото

Мастер-класс «Бестиарий» — Культурный центр ЗИЛ (Москва)

Авто из Кореи. СЕУЛ АВТО ТРЕЙД снова в работе! Автомобили в порту перед ...

miralek

Сигнал сердца 7 - 4 серия (авто рус.саб) 1080p - Koreaшоу | Boosty

\"Нийтийн тээвэр зорчиход зориулж 3000 метрт хашаа, хайс тавиад байна\"

Аварийное открывание 24/7 в Одессе| Фаворит ключ

Тату мастер Eomway | Greenville, США | iNKPPL

Speed Control System (1995) (Nissan Maxima 4 A32, 1994-1999 ...

авто-леди :: Михаил Святов – Социальная сеть ФотоКто

Отопитель и кондиционер воздуха с автоматическим управлением (Хонда ...

Тату мастер Леонид Изгин | Москва, Россия | iNKPPL

Авто-ключи-Ford-Авто-ключи-Форд023 | Мастер открывать

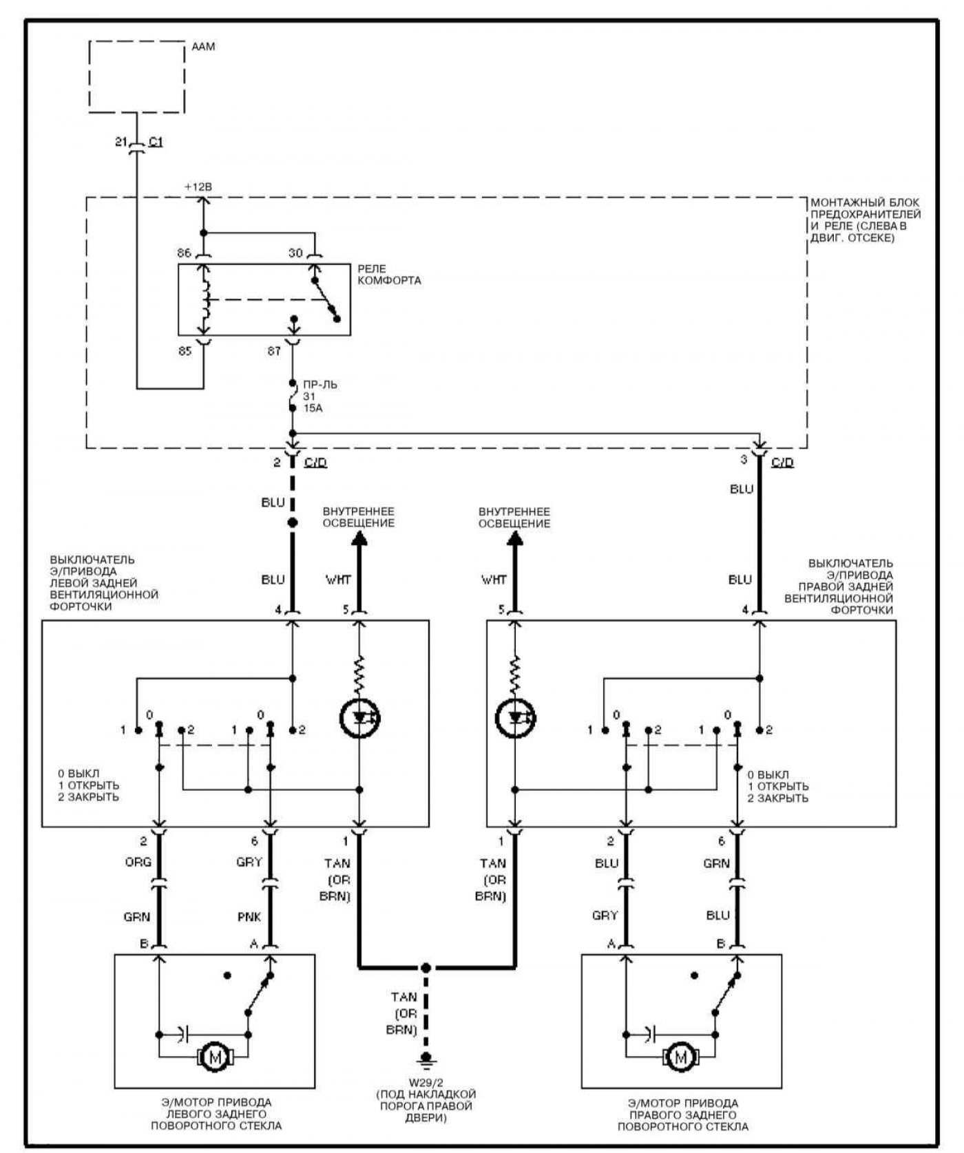
Elektricky ovládané zadné okná (ML 430) (Mercedes-Benz W163 (GLE-Class ...

Тату мастер artisttest | Россия, Беларусь, Казахстан | iNKPPL

  • Вперед Как лечит остеопат
  • Назад Парк на даче

Новые страницы

2 Din автомагнитола схема

4 Класс русский язык упражнение 188

Акт приемки квартиры после аренды образец

Английский язык 7 класс учебник стр 50

Дорожный просвет гранта лифтбек

Гдз русский 2 класс рабочая тетрадь кузнецова 2 часть

Iwub 4085 схема

Kailh silver speed

Как нарисовать жан пьер польнарефф

Как заменить поворотник на ваз 2114

Какого класса ниссан альмера классик

Карта районов новосибирской области с границами районов

Куклы схемы и описание на русском

Мастер открыть авто

Minecraft постройки домов в горе

Организацией труда схема

Отель цветы

Пляжи партенита отзывы

Подключение регулятора оборотов к двигателю от стиральной машины с алиэкспресс схема подключения

Ра1500 нилед

Серафима гостиница архангельск

Симптомы скарлатины у детей фото

Словосочетания с эпитетами

Спишите предложения определите значение подчинительных союзов их состав укажите границы частей

Ставки на спорт стратегия на теннис

Томск тусур

Веб новелла о моем перерождении в слизь с картинками

Виды хорватии

Вторжение динозавра фильм 2006

Замена wifi модуля в ноутбуке

cdn.zecar.ru