Skip to content

Фотогалерея

  • Главная
  • Контакты

Масса шевроле тахо

шевроле тахо 400 3 двери

Шевроле Тахо (2024) — цена, характеристики, фото

Джип Шевроле Тахо Фото – Telegraph

Шевроле Авео - технические характеристики

Схема топливной системы шевроле круз 1.8 с описанием - фото

Размеры и масса Шевроле Авео: показатели, описание

Масса шевроле лачетти седан - Автомобильный портал AutoMotoGid

Тюнинг на тахо 410 840 900 — Chevrolet Tahoe (GMT400), 5,7 л, 1997 года ...

Масса шевроле лачетти седан - Автомобильный портал AutoMotoGid

Шевроле | Фотосайт СуперСнимки.Ру

Купить б/у Chevrolet Tahoe IV 6.2 AT (426 л.с.) 4WD бензин автомат в ...

Купить Масса А.Ростагрокомплекс Особая творожная с изюмом 23%, 100г по ...

Пулевой патрон ТАХО Шершень кал. 12/70 масса 32.3 гр (25 шт./уп ...

Chevrolet Tahoe - технические характеристики, модельный ряд ...

Масса шевроле каптива: Технические характеристики Chevrolet Captiva ...

легендарный внедорожник Шевроле Тахо Гибрид - обои для рабочего стола ...

Масса шевроле каптива: Технические характеристики Chevrolet Captiva ...

Где в шевроле тахо находится домкрат - 93 фото

Размеры и масса Шевроле Авео: показатели, описание

Шевроле Тахо Характеристики И Цены Фото – Telegraph

шевроле тахо фото цена

Патрон Тахо кал. 12/70 пуля "Практика ДСК" масса 28 г купить в Сафари ...

Творожная масса РостАгроКомплекс с изюмом | отзывы

Самая большая масса убранного силоса одним комбайном за 8-часовую смену ...

Комплект масляных, гидравлических амортизаторов передней подвески Нива ...

Зеркальные элементы на Нива Шевроле, зеркало Нива Шевроле c обогревом ...

Машина Шевроле Тахо Фото — Mixyfotos.ru

Новая Шевроле Тахо 2023 Фото — Фото Картинки

ЗАМЕНА ШАРОВЫХ ОПОР НИВА ШЕВРОЛЕ - YouTube

Машина Шевроле Тахо Фото — Mixyfotos.ru

Чек-ап "Избыточная масса тела"

МАССА-К TB-5040N-32.2-RP3 Руководство по эксплуатации онлайн [1/15] 684805

Chevrolet Tahoe (2000-2006) характеристики, фотографии и обзор

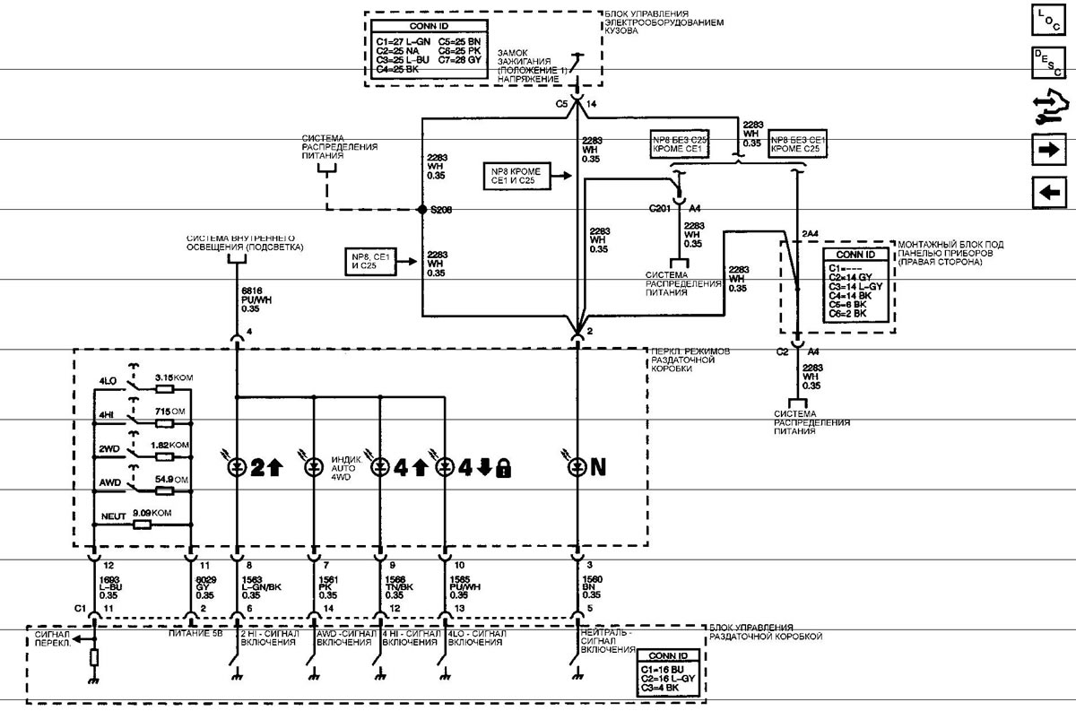
Система электронного управления раздаточной коробкой (Шевроле Тахо 2 и ...

Неисправности рабочего цилиндра сцепления шевроле нива - 82 фото

  • Вперед Тендеры на услуги
  • Назад Прога для диагностики ваз

Новые страницы

3414A datasheet

Быстросъем для проводов

Бракеражный журнал готовой продукции образец заполнения в доу

Чертежи паровозов для моделирования с размерами

Дракон тату эскиз для девушек маленький

Фильм костолом 2001

Фото суратлар картинка

Гдз по русскому языку 352

Гейнеобразное ударение

Калькулятор сопротивлений по цветам онлайн

Лечение розовый лишай

Люк инспекционный

Масса шевроле тахо

Образец отзыва на книгу 4 класс

Образец письма на оплату за другую организацию образец

Отмена приказа об отпуске образец

План зоопарка в москве на баррикадной

Пусть в каждом доме будет мир и хлеб а в сердце тихая молитва картинки

Рабочая тетрадь spotlight 6 класс

Рисунок детская карусель

Русский язык 6 класс 2 часть ладыженская упр 434

Схема правления руси

Simple wine санкт петербург

Стр 51 упр 5

Тесла модель s купить

В аккумуляторе черный электролит

Валерий анатольевич с днем рождения картинки с пожеланиями

Вкусвилл чебоксары

Возможность заниматься спортом

Вводный инструктаж по пожарной безопасности образец инструкции

cdn.zecar.ru