Skip to content

Фотогалерея

  • Главная
  • Контакты

Макита схемы сборки

Макита схемы сборки. Схема перфоратора Макита 2450. Схема запчастей на перфоратор Макита 2450. Схема редуктора перфоратора Макита 2450. Макита 2450 схема.

Макита схемы сборки. Макита 6281d схема. Схема шуруповерта Макита 6281d. 6281d Makita деталировка. Шуруповерт Макита "6281d" схема.

Макита схемы сборки. Макита hm1202c схема отбойный молоток. Схема сборки перфоратора Макита 5001. Макита hm1202c деталировка. Макита hm1202 схема.

Макита схемы сборки. Взрыв схема лобзика Макита 4329. 4329 Makita лобзик схема. Лобзик электрический Макита 4324 разборка. Электрическая схема лобзика Макита 4329.

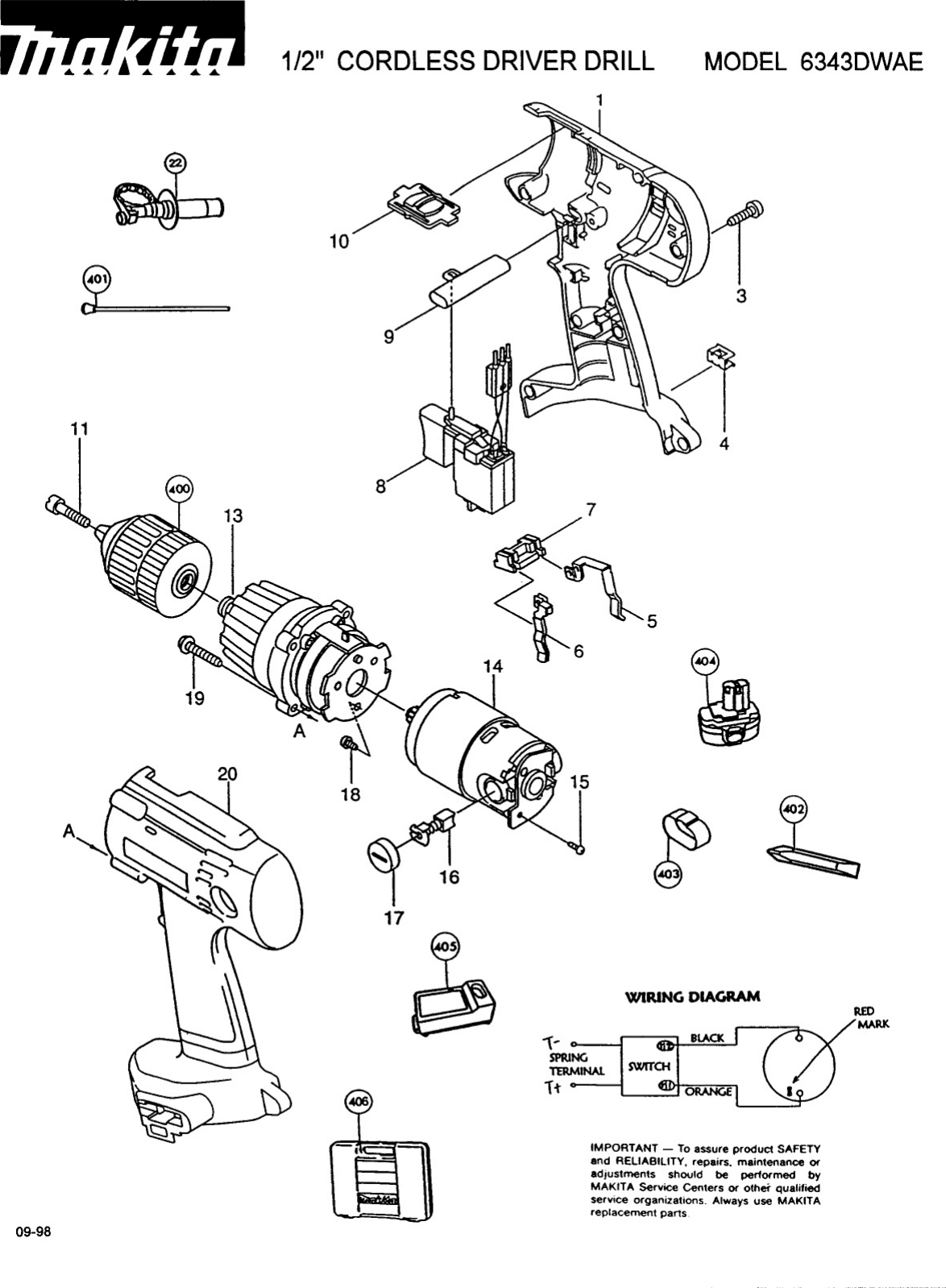
Макита схемы сборки. Чертеж шуруповерта макита331dw. Макита 331d редуктор. Шуруповерт Макита ДФ 457 Д схема. Схема шуруповерт Макита ddf453.

Макита схемы сборки. Схема ствола перфоратора Макита 2450. Схема сборки ствола перфоратора Макита 2470. Схема сборки перфоратора Макита 2450. Схема перфоратора Макита hr2470.

Макита схемы сборки. Схема перфоратора Макита 2470. Схема подключения перфоратора Макита 2450. Схема подключения кнопки Макита 2450. Сборка патрона Макита 2450.

Макита схемы сборки. Перфоратор Макита 2450 разборка редуктора. Взрыв схема Макита 2450. Схема для сборки перфоратора Makita hr2450. Схема перфоратора Макита hr2450.

Макита схемы сборки. Болгарка Макита 230 схема. Болгарка Макита ga5030 схема сборки. УШМ 230 Макита схема редуктора. Болгарка Макита 125 схема разборки.

Макита схемы сборки. Ленточная шлифовальная машинка Makita схема 9911. Макита 9910 схема сборки. Схема шлифмашинки Макита 9910. Схема ленточной шлифовальной машины Макита 9910.

Макита схемы сборки. Редуктор Макита 2450 схема сборки. Взрыв схема Макита 2450. Взрыв схема перфоратора Макита 2450. Ударный болт Макита 2450 схема сборки.

Макита схемы сборки. Схема сборки перфоратора Макита 5001. Перфоратор Макита hr5001c схема. Схема сборки перфоратора Макита hr5001c. Макита 5001с взрыв схема.

Макита схемы сборки. Редуктор УШМ Макита 125. Болгарка Макита 230 схема. Болгарка Макита 125 схема. Подшипник редуктора болгарки Макита 9565cvr.

Макита схемы сборки. Взрыв схема лобзика Макита 4329. Макита 4324 схема лобзик. Лобзик Макита 4324 деталировка. Электролобзик Makita 4324.

Макита схемы сборки. Деталировка бензопилы Макита dcs34. Макита dcs460 деталировка. Бензопила Макита еа3202s. Бензопила Макита запчасти 3202s карбюратор.

Макита схемы сборки. Схема сборки перфоратора Макита 2450. Схема редуктора перфоратора Макита 2450. Сборка редуктора перфоратора Макита 2450. Макита 2450 схема сборки ствола.

Макита схемы сборки. Макита BDF 453 схема сборки. Схема редуктора шуруповерта Макита ddf453. Сборка шуруповерта Макита BDF 343. Makita BDF 343 схема.

Макита схемы сборки. Makita BDF 343 схема. Макита схемы 9585. BDF 454 Makita запчасти. 5806b Макита схема.

Макита схемы сборки. Взрыв схема Макита hr4001c. Макита hr3200c ствол перфоратора. Перфоратор HR 5202с Makita деталировка. Makita hr4003c схема.

Макита схемы сборки. Дрель Макита 6413 взывсхема. Дрель сетевая Макита 6413. Шуруповерт Макита 4350 взрыв схема. Макита дрель 6413 детали.

Макита схемы сборки. Рейсмусовый станок Макита 2012 NB схема сборки. Схема рейсмуса Макита 2012nb. Рейсмус Макита 2012 NB схема запчастей. Рейсмус Jet 12 схема электрическая.

Макита схемы сборки. Схема перфоратора Макита 2450. Сборка редуктора перфоратора Макита 2450. Схема перфоратора Макита hr2450. Перфоратор Макита 2450 запчасти.

Макита схемы сборки. Сборка ствола перфоратора Макита 2450. Схема перфоратора Макита 2470. Схема редуктора перфоратора Макита 2450. Перфоратор Макита hr2450 схема сборки ударного механизма.

Макита схемы сборки. Схема сборки патрона перфоратора Макита 2450. Сборка редуктора перфоратора Макита 2450. Схема перфоратора Макита 2450. Сборка ствола перфоратора Макита 2450.

Макита схемы сборки. Схема сборки перфоратора Макита 5001. Отбойник Макита hr5001c. Makita hr5001c схема. Макита 5001с взрыв схема.

Макита схемы сборки. Схема перфоратора Макита 2450. Makita 4011 схема сборки. Схема узлов Макита hr4001c. Makita rp1110c схема.

Макита схемы сборки

Макита схемы сборки. Шуруповерт Макита 6281d чертеж. Схема шуруповерт Макита 6270d. Makita шуруповерт 6280 редуктор схема. Схема шуруповерта Макита 6270d.

Макита схемы сборки. Makita ddf453 service manual. 9032 Макита схема. Схема bl1840b Макита. Макита 9910 схема сборки.

Макита схемы сборки. Плоская пружина шуруповерта Макита 6271. Шуруповерт Макита 4350 взрыв схема. Схема шуруповерта Макита 6281d. Макита 6347d схема.

Макита схемы сборки. Перфоратор Макита hr4000c. Взрыв схема Макита hr4001c. Схема сборки перфоратора Макита 5001. Перфоратор Макита hr5001c.

Макита схемы сборки

Макита схемы сборки. Макита 5704 схема. Схема запчасти Makita 5704r. 5704r Makita деталировка. Циркулярная пила Макита 5704r чертеж.

Макита схемы сборки. Makita 9558hpg. УШМ 230 Макита схема редуктора. УШМ Макита запчасти чертеж. Макита 9565 сборка схема.

Макита схемы сборки. Сабельная пила Макита схема разборки. Схема сабельной пилы Макита. Деталировка запчастей для Макита jr3050t. Схема разборки редуктора сабельной пилы Makita gr 30 70.

Макита схемы сборки. Деталировка шуруповерта Макита 6271d. Шуруповерта Makita 6271d. Деталировка шуруповерта Макита ddf456. Схема сборки шуруповерта Макита 6271.

Макита схемы сборки. Болгарка Макита ga5030 схема сборки. УШМ 230 Макита схема редуктора. Болгарка Макита 230 схема. Болгарка Макита 125 схема.

Макита схемы сборки. Сборка шуруповерта Макита 8280d. Редуктор для Макита шуруповерт DF 457. Редуктор шуруповерта Макита df330d. Шуруповерт Макита схема 12в от.

Макита схемы сборки. Перфоратор Макита 2450 деталировка. Схема патрона перфоратора Макита hr2450. Схема перфоратора Макита 2450. Схема сборки патрона перфоратора Макита 2450.

Макита схемы сборки. Редуктор шуруповерта Макита 331. Шуруповерт Макита схема редуктора. Макита 331 d сборка редуктора. Схема шуруповерта Макита hp330d.

Макита схемы сборки. Перфоратор Макита HR 3000. Перфоратор Макита hr3200c деталировка. Makita hr3000c деталировка перфоратор. Перфоратор Макита hr3000c запчасти патрон.

Макита схемы сборки. Деталировка шуруповерта Макита 6271d. Схема шуруповерта Макита 6271d. Схема шуруповёрта Макита 6271d. Схема сборки шуруповерта Макита 6271.

Макита схемы сборки. Схема сборки перфоратора Макита 5001. Hr4001c Makita запчасти схема. Схема перфоратор Макита hr4001c. Makita hr4001c схема сборки.

Макита схемы сборки. Сборка патрона перфоратора Макита 2470. Схема сборки перфоратора Макита hr2470. Схема сборки патрона перфоратора Макита hr2611f. Сборка редуктора перфоратора Макита 2450.

Макита схемы сборки. Разобрать болгарку Интерскол 230. Деталировка (взрыв-схема) шлифовальной машины Makita gd0600. Болгарка Лепсе МШУ-2.2-230 схема. Болгарка Макита 9069 разборка редуктора.

Макита схемы сборки. Перфоратор Makita hr4001c характеристика. Макита перфоратор hr4001c характеристики. Hr4001c схема. Макита 4501с характеристики перфоратор.

Макита схемы сборки. Электросхема перфоратора Макита 2450. Перфоратор Макита 2450 деталировка. Макита 2470 схема. Перфоратор Макита 2450 сборка и разборка.

Макита схемы сборки. Схема сборки перфоратора Макита hr2470. Makita 2450 взрыв схема. Схема редуктора перфоратора Макита 2470. Разобрать перфоратор Макита 2450.

Макита схемы сборки. Шуруповерт Макита df457d сборка редуктора схема. Схема шуруповерта Макита df347d. Схема шуруповерта Макита ddf453. Схема редуктора Макита df330d.

Макита схемы сборки. Схема перфоратора Макита 2450. Схема редуктора перфоратора Макита 2450. Перфоратор Макита hr2450 деталировка. Редуктор Макита 2450 схема сборки.

Макита схемы сборки. Сборка редуктора перфоратора Макита 2450. Схема разбора перфоратора Макита 2450. Взрыв схема патрона Макита 2450. Разобрать перфоратор Макита 2450.

Макита схемы сборки. Предохранительная муфта перфоратора Макита 2810. Перфоратор Макита 2810 схема. Схема перфоратора Makita hr2810. Электросхема перфоратора Макита hr4511c.

Макита схемы сборки. Схема сборки перфоратора Макита hr5001c. Перфоратор Makita hr5001c схема. Деталировка перфоратор Макита hr4501c. Перфоратор Макита 4001 схема.

Макита схемы сборки. Макита 9020 запчасти схемасы. Взрыв схема Макита 9020. Макита 5030 запчасти схема. Ga9020s Makita схема электрическая.

Макита схемы сборки. Схема перфоратора Макита 2470. Перфоратор Makita hr2470 взрыв схема. Макита hr2470 схема сборки. Макита 2470 схема сборки.

Макита схемы сборки. Схема сборки редуктора Макита ddf343. Шуруповерт Макита BDF 343 схема. Схема сборки шуруповерта bdf343 , bhp343. Макита схемы 9585.

Макита схемы сборки. Сборка перфоратора Макита 2450. Схема разборки перфоратора Макита 2450. Схема перфоратора Макита hr2450. Схема сборки перфоратора Макита 2450.

Макита схемы сборки. Деталировка перфоратор Макита hr4501c. Схема перфоратор Макита 5001. Перфоратор Макита hr5001c деталировка. Деталировка патрона Макита hr5001.

Макита схемы сборки. Взрыв схема Макита 9565 CV. Схема Makita 9565h. УШМ Макита 230 мм чертеж. Деталировка (взрыв-схема) шлифовальной машины Makita gd0600.

Макита схемы сборки. Макита ddf343 схема. Makita ddf343 схема редуктора. Makita ddf481 схема редуктора. Схема редуктора шуруповерта Макита ddf481.

Макита схемы сборки. Деталировка шуруповерта Макита df331d. Макита 331 d сборка редуктора. Шуруповерт Макита 4350 взрыв схема. Шуруповёрт Makita df031d.

Макита схемы сборки. Сборка шуруповерта Макита BDF 343. Деталировка шуруповерта Макита. Макита ddf343 схема. Шуруповерт Макита 10,8 деталировка.

Макита схемы сборки. Сборка шуруповерта Макита BDF 343. Макита BDF 450 редуктор. Схема шуруповерт Макита ddf453. Схема шуруповерта Макита ddf453.

Макита схемы сборки. Болгарка Макита 230 схема. Болгарка Макита 9020 деталировка. Схема болгарки Макита 9020. Редуктор УШМ Макита 9020.

Макита схемы сборки. Перфоратор hr2450 ft схема. Схема перфоратора Макита 2450. Схема механизма Макита hr2450. Hr1030hpvc ремкомплект.

Макита схемы сборки. Редуктор для Макита шуруповерт DF 457. Деталировка редуктора шуруповерта Макита df457d. Деталировка шуруповерта Макита. Шуруповерт Макита df0300 схема.

Макита схемы сборки. Редуктор болгарки Makita ga6021c. Болгарка Макита ga6021c схема. Макита болгарка схема ga9020. Сборка болгарки Макита 5030.

Макита схемы сборки. Схема электрическая Макита 2450. Перфоратор модель 2450 Макита. Перфоратор Макита 2810 схема. Схема запчастей на перфоратор Макита 2450.

Макита схемы сборки. Шуруповёрт Интерскол 14.4 схема. Шуруповерт Интерскол 14в схема сборки. Шуруповёрт аккумуляторный Макита 12 вольт модели 6270д схема сборки. Шуруповёрт Интерскол 18 Эр деталировка.

Макита схемы сборки. Деталировка шуруповерта Макита. Makita шуруповерт df330d взрыв схема. Схема редуктора шуруповерта Макита df330d. Схема шуруповерта Макита df330d.

Макита схемы сборки

Макита схемы сборки. 9227cb Makita деталировка. Макита 9237св взрыв схема. Деталировка (взрыв-схема) шлифовальной машины Makita gd0600. Макита 9227 запчасти деталировка.

Макита схемы сборки. Подшипник УШМ Макита 5030. Болгарка Макита ga5030 схема сборки. Схема болгарки Макита 9020. Макита болгарка схема ga9020.

Макита схемы сборки. Перфоратор Макита hr2450 деталировка схема. Схема редуктора перфоратора Макита 2450. Перфоратор Макита 2450 деталировка. Makita hr3000c деталировка перфоратор.

Макита схемы сборки. Makita hr2610 деталировка. Схема редуктора Макита 2610. Схема перфоратора Макита 2610. Схема сборки перфоратора Макита 2450.

Макита схемы сборки. Отбойник Макита 4500. Схема перфоратора Макита 2450. Схема сборки перфоратора Макита 2450. Схема перфоратора Макита hr2450.

Макита схемы сборки. Деталировка аккумуляторной дрели acd145li Hammer. Шуруповерт Hammer acd18bs. Шуруповерт Интерскол схема редуктора. Шуруповёрт аккумуляторный Макита 12 вольт модели 6270д схема сборки.

Макита схемы сборки. Макита 6317d. Макита 6271d пружина. Плоская пружина шуруповерта Макита 6271. Шуруповёрт Макита 6317d.

Макита схемы сборки. Взрыв схема патрона Макита 2450. Разобрать перфоратор Макита 2450. Макита hr2450 2470. Схема перфоратора Макита 2470.

Макита схемы сборки. Макита отбойник 1203 схема сборки. Макита 1203 деталировка. Макита hm1203c схема. Сборка Макита hm1202c.

Макита схемы сборки. Макита hr4011c схема разборки. Схема перфоратора Макита hr4011c. Схема перфоратор Макита 5001. Схема сборки перфоратора Макита 5001.

  • Вперед Схема электропроводки камаз 55111
  • Назад Спортивный зал в петербурге

Новые страницы

7 Класс торкунов история россии 2 часть

Автобиография образец для личного дела

Бойлер накопительный 200 литров

Босс молокосос картинка на прозрачном фоне

Бюро ритуальных услуг брест

Гдз по англ 10 форвард

Гдз по математике страница 63 вторая часть четвертый класс

Как почистить дроссельную заслонку на пежо 308

Какие смазки для ступичных подшипников

Лада ларгус какой кузов

Макита схемы сборки

Масленица в лога парке

Математика 4 класс учебник стр 58 номер 214

Металлические двери в митино

Монтаж кондиционера в москве

Насос печки газель характеристики

Отделка деревом помещений

Отделка сруба внутри

Пороги на паджеро спорт

Пословицы про наблюдение

Рапорт о задержании лица образец

Схема электрооборудования ваз 21011

Схема предложения с прямой речью

Система школы схема

Спорткомплект хабаровск интернет магазин каталог

Виды посадок схемы

Воронеж нижний новгород маршрут на машине карта

Заглавие склонение

Заполните схему 3 балла

Заявление на алименты если не состояли в браке образец

cdn.zecar.ru