Skip to content

Фотогалерея

  • Главная
  • Контакты

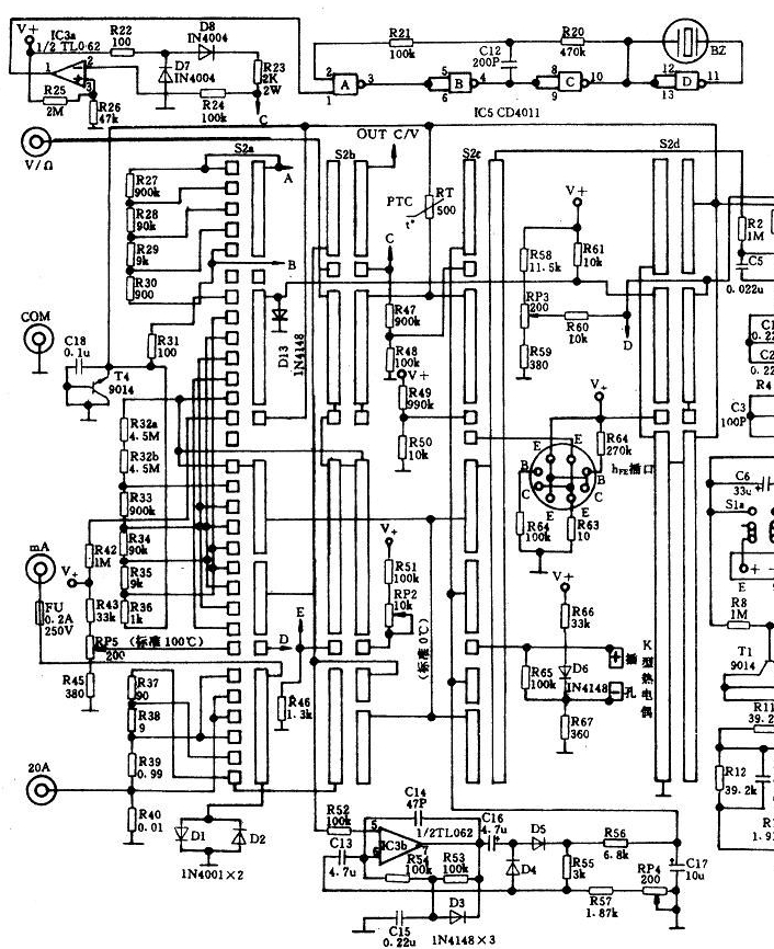
M890c схема ремонт

Схема мультиметра M890C, M890C+ - Форум

Мультиметр m890c схема

MASTECH M890c+ zle wskazania AC - elektroda.pl

Народ.Ру: Схемы мультиметров

Alokacja stykow przel. zakresow w mierniku m890c+

MASTECH M890c+ zle wskazania AC - elektroda.pl

MASTECH M890c+ zle wskazania AC - elektroda.pl

MASTECH M890c+ zle wskazania AC - elektroda.pl

MASTECH M890c+ zle wskazania AC - elektroda.pl

Alokacja stykow przel. zakresow w mierniku m890c+

МУЛЬТИМЕТР M890

Сгорел мультиметр M890G

M890C мультиметр цифровой купить в faza-0.ru

Схемы для ремонта телевизоров самсунг

Ремонт электросхем: Ремонт электросхем своими руками — БилдоМан — всё о ...

Мультиметр M890C+ с термопарой, 20 ампер: продажа, цена в Запорожье ...

M890C цифровой мультиметр

Мультиметр универсальный UNI-T M890C + термопара купить в Киеве и по ...

Мультиметр универсальный UNI-T M890C + термопара купить в Киеве и по ...

Ремонт электросхем: Ремонт электросхем своими руками — БилдоМан — всё о ...

Все о ремонте телевизора самсунг шасси

Мультиметр Mastech M890C+

Скачать Каталог типовых технологических схем ремонта подводных ...

Faq Усилитель Радиотехника У-101 Стерео - FAQ по заводским аппаратам ...

meganorm.ru

Ремонт светодиодных ламп своими руками: пошаговая инструкция

Микроволновая печь «Samsung RE890»

Центральный замок – схема, установка, подключение + видео » АвтоНоватор

Аз 2 аварийное зажигание схема. RILK - Аварийное зажигание АЗ-2 для ...

Цех Схема технологического процесса, ремонта - Энциклопедия по ...

Unboxing i prezentacja miernika elektronicznego M-890 C+ | www.FleszTECH.pl

МУЛЬТИМЕТР M890

Дверной замок - конструкция

M890C Uni-T мультиметр. M890C Uni-T цена в Киеве, Украине. M890C Uni-T ...

Ремонт старого аккумулятора шуруповерта своими руками (+ схема ...

  • Вперед Расчет коэффициента естественного освещения
  • Назад Схема эволюции кровеносной системы животных

Новые страницы

Аллергия на зеленку фото

Бюджетные полноприводные внедорожники

Доставка еды кириши

Где гуляет гиппопо

Гдз по английскому языку 5 класс стр 57 номер 3

Honda или toyota

Inchcape

Какими линиями диаграммы ограничивается температурный интервал первичной кристаллизации

Картинка пирамидка на прозрачном фоне для детей на прозрачном

Лестница на второй этаж дерево арт

M890c схема ремонт

Налоговая карточка по учету доходов и налога на доходы физических лиц образец

Остров в испании тенерифе

Отель на хайнане

Предохранители на инжекторной ниве

Реклама в метро

Русский язык 3 класс 2 часть упр 136 гдз

Счет фактура что это образец

Схема реки ангара

Схема розетки на прицеп стандартный

Штекер точка тире

Силинский парк

Sport t ru

Спортмастер великий новгород каталог

Туристическая карта владимира с достопримечательностями

Упр 582 по русскому 6 класс

Вертикальные картинки на телефон природа осень

Все картинки оружия из standoff 2

Зачем нужен переменный ток

Заглушки инвентарные металлические

cdn.zecar.ru