Skip to content

Фотогалерея

  • Главная
  • Контакты

Ля схема

Ля схема. Микросхема кадровой развертки la78041 схема включения. Микросхема кадровой развертки ta8403k. La78040n схема кадровой развертки. Кадровая la78041 даташит.

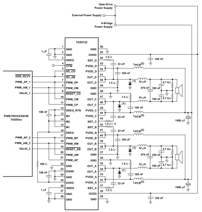
Ля схема. Tas5112a (5112ag4). Tas5112g4 схема усилителя звука. Tas5112dfd схема включения. Микросхема tas5612la усилитель.

Ля схема. Диезы и бемоли на нотном стане. Си диез на нотном стане.

Ля схема. Клермон-Ферранский собор план. Собор в Пуатье план. Нотр-дам ла Гранд в Пуатье план. Собор в Пуатье Франция план.

Ля схема

Ля схема. Dm5620k схема. Tas5342la схема включения. Dm5620 ver1.3 схема. Tas5342a схема усилителя.

Ля схема. La42152 схема усилителя. УНЧ на микросхеме 42152. La42071 схема усилителя. La42102 схема усилителя.

Ля схема. Микросхема la4507. Усилитель звука на la4508. Усилители la42210 схема. La42052 схема усилителя.

Ля схема. Amp-80sle 963703w300 схема. Tas5142 схема включения. Amp-80sle схема. Схема усилителя hap-65cm 6ch amp.

Ля схема. Es dur гамма. Es dur натуральный и гармонический. Гамма натурального вида в тональности es-dur. Гамма es dur гармонический.

Ля схема. Театр ла скала план. Ла скала план зала. Театр ла скала схема. Ла скала зал схема.

Ля схема. La4108 усилитель. Sm4108 схема включения.

Ля схема. План театра ла скала в Милане. Театр ла скала план. Венский оперный театр план здания. Венская государственная опера планы.

Ля схема. Teletronix la-2a схема. Схема лампового компрессора для вокала. La 2a компрессор. Компрессор la4 схема принципиальная.

Ля схема. Вышивка крестом схемы. Вышивка крестом ослик. Необычные схемы вышивки крестом. Эскизы для вышивания крестиком.

Ля схема. Ноты на гитаре расположение для новичков 6 струн. Таблица расположения нот на грифе гитары. Ноты на грифе 6 струнной гитары. Расположение нот на грифе гитары 6 струн для начинающих.

Ля схема. Tas5630b схема усилителя. Tas5112 схема включения. Усилитель на tas5707. Цифровой усилитель tas5112.

Ля схема. Мостовой усилитель на тда 2003. Усилитель звука на микросхеме tda2003.

Ля схема. Dell Latitude 620 схема. La 5911p Rev 1.0 схема. La-4602p Rev 1.0 схема. Boardview схемы материнских плат.

Ля схема. Tas 5614 la схема подключения. Edifier r2700 схема платы. Edifier 2700 схема. Edifier r2700 схема усилителя.

Ля схема. Даташит микросхемы la4285. Схема подключения усилителя la4285. Микросхема la4285 усилитель. La4285 схема усилителя звука.

Ля схема. MX-f630db схема. Smps70 v1.1 схема. SMPS 2410 схема. SMPS-2410 схема электрическая.

Ля схема. Знаки в тональностях в басовом Ключе. Ключевые знаки в фа мажоре. Ключевые знаки в соль мажоре. Тональность с си бемолем и ми бемолем при Ключе.

Ля схема. La3600 эквалайзер схема стерео. Схема эквалайзера на микросхеме ba3824ls. Эквалайзер на lm3600. La3600 эквалайзер печатная плата.

Ля схема. Гамма ля мажор. Гамма фа мажор на гитаре.

Ля схема. Микросхема к561ла7. Схема включения микросхемы к561ла7. Даташит на микросхему к561ле5. Микросхема к561ла9 цоколевка.

Ля схема. Микросхема la4192. La42052 схема усилителя. La4192 схема. Схема усилителя la4192.

Ля схема. Схема генератора прямоугольных импульсов на к155ла3. Схема мультивибратора на микросхеме к561тл1. Генератор на микросхеме к155ла3 схема. Генератор прямоугольных импульсов на микросхеме к155ла3.

Ля схема. Гамма до мажор на гитаре. Минорная гамма на гитаре. Соль мажорная гамма на грифе. До мажорная гамма на гитаре аппликатура.

Ля схема. Схема гирлянды на светодиодах 4 провода. Схема светодиодной гирлянды на 220 вольт с контроллером. Схема светодиодной гирлянды на 220 вольт без контроллера. Схема китайской гирлянды на светодиодах.

Ля схема. Схема подключения микросхемы la78041. Даташит микросхемы la78141. Ла78141 микросхема кадровой развертки. Схема кадровой развертки телевизора.

Ля схема. Ta7358p приёмник. УКВ приемник на ta7358. La1185 схема приемника. Ta7358apg fm радиоприемник.

Ля схема. Церковь Нотр дам дю пор в Клермоне план. Собор в Пуатье план. Клермон-Ферранский собор план. Романская базилика схема храма.

Ля схема. Гамма ля бемоль. Гамма ля бемоль мажор Ноты. Гамма ля бемоль мажор гармонический. Гамма ля бемоль мажор 2 вида.

Ля схема. Темброблок на la3600. Эквалайзер на микросхемах la3600. La3600 эквалайзер печатная плата. Схема эквалайзера на микросхеме la3600.

Ля схема. Схема включения микросхемы к561ла7. Микросхема к561ла7 даташит. 1к ла7 микросхема. Микросхема к155ла1 даташит.

Ля схема. Микросхема la4631. La4631 схема включения. La4631 схема усилителя. Схема подключения усилителя la4285.

Ля схема. Микросхема tda8362 схема включения. Микросхема tda8842 схема включения. La76818a схема подключения. Распиновка tda8842.

Ля схема. Микросхема la1265 схема включения. La1265 тюнер. La1260 схема приемника.

Ля схема. Глаголы с etre в passe compose во французском. Passe compose глаголы с etre. Глаголы спрягающиеся с etre во французском языке. Passe compose во французском языке глаголы с etre.

Ля схема. Схема fm тюнера автомагнитолы сони. Приёмник из тюнера автомагнитолы Sony. ФМ приемник из тюнера автомагнитолы своими руками. La1787 тюнер схема.

Ля схема. Вышивка крестом гуси. Вышивка крестом гуси схемы. Вышивка крестиком Примитивы. Вышивка крестиком гуси схема.

Ля схема. Аккорд ем на гитаре. Аккорд em на гитаре. Аккорд em на гитаре 6 струн. Аккорд е эм на гитаре.

Ля схема. Тон полутон строение мажорной гаммы. Структура минорной гаммы. Строение гаммы ля минор.

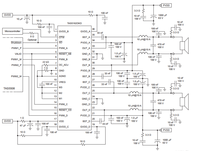
Ля схема. Tas5630b микросхема. Tas5142 схема усилителя. Tas5709 Datasheet. Tas5630 от Texas instruments.

Ля схема. Stv9302a la78040. Схема кадровой развертки на la78040. Даташит микросхемы la78141. Микросхема la78040b схема включения.

Ля схема. Собор в Пуатье план. Собор в Пуатье Франция план. Нотр-дам-ля-Гранд в Пуатье план. План собора Нотр дам ла Гранд в Пуатье.

Ля схема. Шоу ла Перла схема зала. Шоу ла Перла в Дубае схема зала. Схема зала в ла Перла в Дубае. La Perle by Dragone схема зала.

Ля схема. Вышивка крестом курочки схемы. Мини вышивка крестом. Схема вышивки корова. Вышивка корова крестиком.

Ля схема. Ре диез минор гамма. Гамма до диез мажор гармонический. Соль бемоль минор гамма. Гамма си бемоль мажор.

Ля схема. Vestel LCD TV 22850 el схема. Vestel 17ips20 схема. 17ips02-2 схема. Блок питания Vestel 17ips71 схема.

Ля схема. К155ла8 даташит. 133ла8 схема включения. К155ла3 даташит. Микросхема к155ла8 характеристики.

Ля схема. Операционный усилитель на17324а. Микросхема на 17324 даташит. Микросхема ha17324a аналог. Ha17324a схема включения микросхема.

Ля схема. La4261 схема усилителя. Даташит микросхема la4261 схема. Усилитель звука на микросхеме la4282.

Ля схема. Кварто квинтовый круг минорных тональностей. Кварто квинтовый круг параллельные тональности. Сольфеджио Кварто квинтовый круг тональностей. Квинтовый круг тональностей сольфеджио.

Ля схема. Боксы мажорной пентатоники. Боксы пентатоники ля минор. Пентатоника для гитары 6 струн боксы. Боксы минорной пентатоники на гитаре.

Ля схема. Микросхема la4285 усилитель. Ла 4285 усилитель. La4285 схема усилителя. La4285 схема усилителя мощности.

Ля схема

Ля схема. Em ми минор Аккорд гитара. Аккорд ми минор на гитаре. E минор на гитаре. Аккорд ля минор на гитаре.

Ля схема. Монохромная вышивка знаки зодиака. Вышивка крестом знаки зодиака. Вышивка крестиком знаки зодиака схемы. Схемы знаков зодиака для вязания.

Ля схема. Гамма до минор на пианино. Минорная гамма тон тон полутон. До мажор тон полутон. Строение мажорной гаммы и минорной гаммы.

Ля схема. 1 Собрать цепь по схеме:. Схема в 1 ом. Исследуется электрическая цепь собранная по схеме представленной. Чтобы построить кривые ф соберите цепь по схеме.

Ля схема. Соль бемоль мажор знаки при Ключе. Тональность с тремя бемолями при Ключе. Соль мажор ми минор знаки при Ключе. Параллельные тональности сольфеджио.

Ля схема. Ps9818 схема включения. Усилитель на tas5612l схема. Ps9860 схема включения. Cm108b схема.

Ля схема. Даташит микросхемы la7840. Телевизор LG микросхема la7840 схема. Микросхема la7840 схема подключения. La7840 схема.

Ля схема. Строение мажорной гаммы и минорной гаммы. Минор строение минорной гаммы. Строение мажорной и минорной гаммы. Строение мажорной и минорной гаммы сольфеджио.

Ля схема. Даташит микросхемы la7840. Схема кадровой развертки телевизора. Микросхема tda9302 схема включения. Микросхема la7840 схема подключения.

Ля схема. Боксы пентатоники ля минор. Ля мнорная пентатоники на грифе гитары. Ля мажорная пентатоника на грифе гитары. Гитарные боксы пентатоника.

Ля схема. Боксы пентатоники на бас гитаре. Боксы пентатоники ля минор. Мажорная гамма пентатоника. Пентатоника мажорная и минорная.

Ля схема. Самолёт ла-5 чертёж. Чертежи самолета ла-5 ФН. Ла-5фн истребитель чертежи. Ла-5фн чертежи.

Ля схема

Ля схема. Квинтовый круг минорных тональностей. Кварто квинтовый круг тональностей. Квинтовый круг тональностей бемоль мажорных. Кварто квинтовый круг таблица.

Ля схема. Lm317 внутренняя схема. Lm217 стабилизатор тока. Внутренняя схема лм 317. Lm317 схема принципиальная.

Ля схема. Ht1200-4 микросхема даташит. Tas 5614 la схема подключения. Tas5624a схема включения. Edifier c2 схема усилителя.

  • Вперед Эффект радио
  • Назад Красивые татуировки интимных мест

Новые страницы

3 Класс русский язык страница 122 упражнение 217

Аул кумыш карта

День зимней рыбалки 8 февраля

Эксбиционист в парке

Гдз по математике страница 32 номер 3

Гелий вид спектра

Gran turismo sport на пк

Характеристика для награды образец

Хвойный морфологический разбор

Карта астраханской области онлайн со спутника в реальном времени

Карта премия батон личный кабинет войти в личный кабинет по номеру телефона

Карта пробок в твери

Контрольные и самостоятельные работы по русскому языку 3 класс

Кремль карта схема

Ля схема

Маршрут 57 улан удэ схема движения остановки

Метро пекин станции

Найти диагонали прямоугольника авсд если сад 30 градусов сд 15 см с рисунком

Ниссан патфайндер сброс сервисного интервала

Плейлист питер фм

Пнг картинки аниме тян

Схема формирования информации

Скачать образец табеля учета рабочего времени в ворде

Составьте схему оксида азота

Спортивно минеральный комплекс

Спорткомплекс арена

Тренировочный вариант математика профиль

Трубогиб для профильной трубы своими руками без токарных работ простейший с размерами и чертежи фото

Вибрация в кузов при наборе скорости

Внутренней отделки

cdn.zecar.ru