Skip to content

Фотогалерея

  • Главная
  • Контакты

Ly2nj

Omron Relay LY2NJ-AC110/120

Omron Relay Ly2nj 24vdc

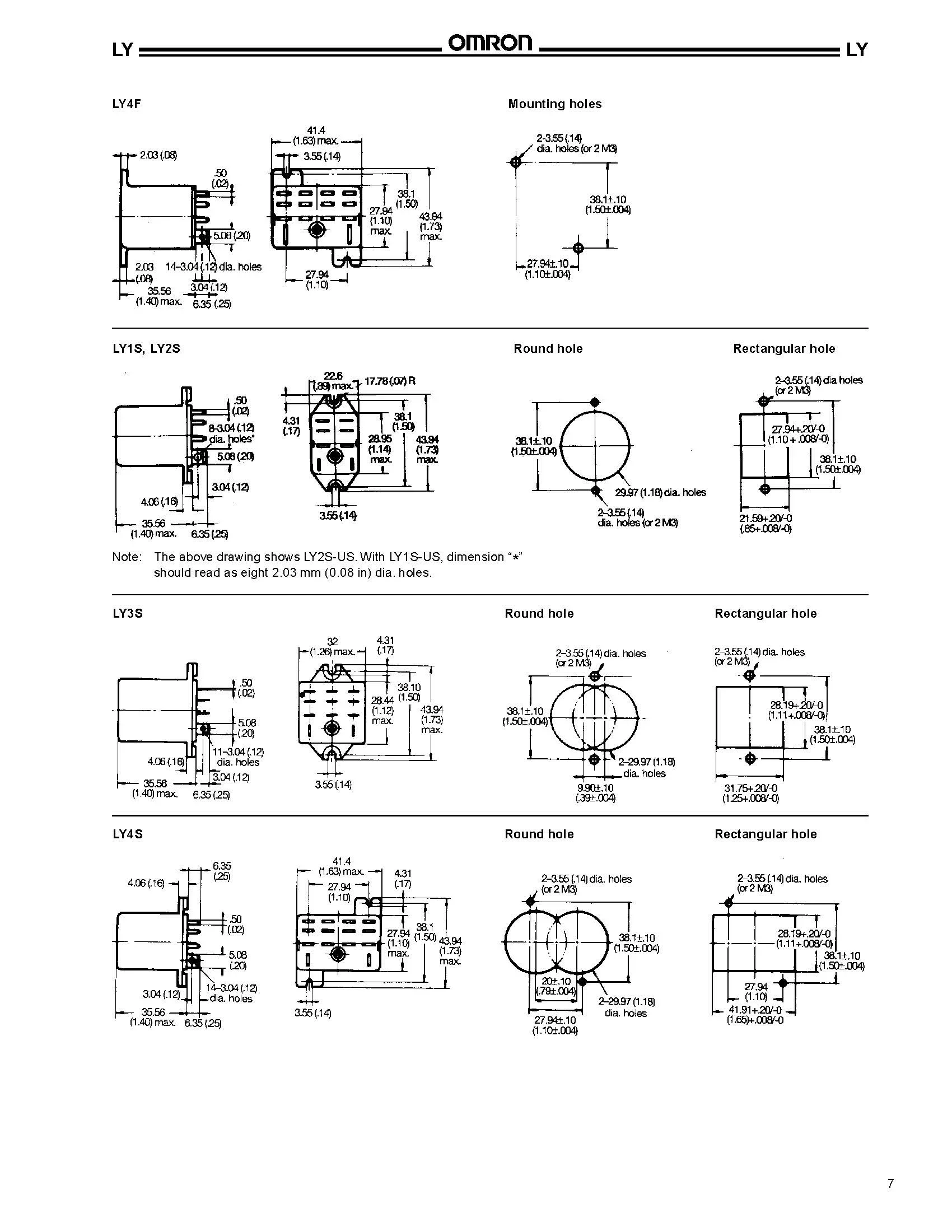
LY2NJ PDF

LY2NJ PDF

5pcs Ptf08a Relay Socket Base For Ly2nj - Relays - AliExpress

AC24V power coil 10A DPDT LY2NJ relay with PTF08A Socket base|ly2nj ...

1 Set Mini Relay LY2NJ 8 Pin 10A With LED + PTF08A Socket Base ...

High Quality PTF08A 8 Pin Mini Relay Socket Base For LY2NJ, HH62P, JQX ...

Omron Relay Ly2nj 24vdc

5PCS PTF08A intermediate relay base LY2NJ HH62P JQX 13F 8PIN 10A socket ...

Zfu 1pcs/lot Coil Power Relay Ly2nj Dc12v/dc24v/ac110v Miniature Relay ...

New 3Pcs DC24V Coil Power Relay LY2NJ JQX-13F DPDT 8 Pin PTF08A With ...

1Pcs Relay LY2NJ 24V DC/AC Small relay 10A 8PIN Coil DPDT With Socket ...

PLC Processors Business & Industrial 10PCS NEW Omron Relay LY2N-J LY2NJ ...

General Purpose Relays Business & Industrial Relay Base PTF08A YF08A ...

NEW LY2N-J LY2NJ 24VDC OMRON Electromechanical Relay 10A 24VDC 6 Pins x ...

NEW LY2N-J LY2NJ 24VDC OMRON Electromechanical Relay 10A 24VDC 6 Pins x ...

Order online Click now to browse 240V AC 8 Pin Relay And Socket Base ...

Tiamu LY2NJ HH62P-L JQX-13F 220V AC Coil DPDT Power Relay 8 Pin w ...

Tiamu LY2NJ HH62P-L JQX-13F 220V AC Coil DPDT Power Relay 8 Pin w ...

1PCS LY2NJ PTF08A Small Relay Base for LY2NJ HH62P JQX-13F/2Z | eBay

Amazon.com: 5Set 220V 10A Coil Power Relay DPDT LY2NJ HH62P HHC68A-2Z ...

Amazon.com: WEFITZ 220/240V AC 10A 8PIN Coil Power Relay DPDT LY2NJ ...

LY2N relay base 8 pins LY2NJ Relay socket PTF08A-in Relays from Home ...

New Omron Relay Relay G3pa-220b-vd-x Dc5-24 'omron' Dc12v Ly2n-j/ly2nj ...

LY2NJ 200/220VAC 12A 8 Pins Omron General Purpose Relay Best Price in ...

Original Japanomron Relay My2n-gs My4n-gs Ly2n-j Ly4n-j Ac Dc12 24v 48v ...

Original Japanomron Relay My2n-gs My4n-gs Ly2n-j Ly4n-j Ac Dc12 24v 48v ...

Electronic : LY2NJ (220V)

BMYUK LY2NJ HH62P-L JQX-13F 220V AC Coil DPDT Power Relay 8 Pin w ...

BMYUK LY2NJ HH62P-L JQX-13F 220V AC Coil DPDT Power Relay 8 Pin w ...

LY2NJ AC 220V 10A Power Relay-in Relays from Home Improvement on ...

New 12V DC Coil Power Relay LY2NJ DPDT 8 Pin HH62P JQX-13F With Socket ...

Aliexpress.com : Buy 5Pcs Relay LY2NJ 220/240V AC Small relay 10A 8PIN ...

[DIAGRAM] Omron Ly2nj Relay Wiring Diagram - MYDIAGRAM.ONLINE

  • Вперед Сказка свинка пеппа читать онлайн с картинками
  • Назад Спортсменки в юбках

Новые страницы

Алгебра 8 класс 2013

Aux подключение

Бытовая характеристика от соседей образец для мвд

Что такое страх сочинение огэ

Делители 72

Домашнее насилие рисунки

Фитнес магазин санкт петербург

Физкультурно оздоровительной и спортивной работы

Gresso очки

Изготовление рекламы световые буквы

Как создать в презентации игру своя игра

Каким спортом заниматься чтобы похудеть

Kia rio не заводится

Концентрированная серная кислота и цинк

Краткое содержание вельд

Крепление для шлейфа клавиатуры ноутбука

Милли английский язык 3 класс рабочая тетрадь

Образец приказа о назначении на должность

Отзывы владельцев ниссан микра

Параллельно конденсаторы

Перевоз онлайн

Перово шоколадница

Распиновка дроссельной заслонки газель

Распиновка предохранителей хендай гетц

Рисунки карандашами для начинающих

Русский язык 3 школа россии учебник 2 часть

Сварщик сантехник

В чем своеобразие азии

Вода для спортсменов

Замена аккумулятора в ipad в сергиевом посаде

cdn.zecar.ru