Skip to content

Фотогалерея

  • Главная
  • Контакты

Lucas epic схема

LUCAS EPIC

ТНВД Lucas EPIC

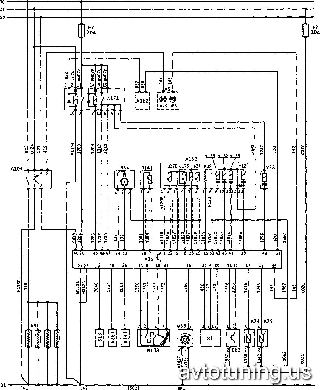
Электрическая схема, состав и расположение компонентов системы впрыска ...

Lucas Epic Timing Module - Page 2 - French Car Forum

Lucas Epic Injection Pump Repair Manual

ESQUEMA INYECCION LUCAS EPIC DETALLE BOMBA - Bricos Mecanica - Álbumes ...

EPIC LUCAS e Bosch su Ford Transit

Schema pompe lucas epic

ТНВД Lucas EPIC (замена проводки) - Peugeot 605 2.1 td 12V - Пежо-Клуб ...

ТНВД Lucas EPIC (замена проводки) - Peugeot 605 2.1 td 12V - Пежо-Клуб ...

lucas epic fuel pump

Schema electrique pompe epic lucas - bois-eco-concept.fr

Системы автоматического управления EPIC

Epic Lucas | Acelerador | Bomba

Ford Van Ignition Key: Lucas Epic Pump & Fuel Injector Pump Solenoid ...

Lucas Epic Injection Pump Repair Manual

EPIC LUCAS e Bosch su Ford Transit

Lucas Delphi EPIC ESOS valve O ring large 7185-950GR - Diesel Injection ...

Lucas Epic Timing Module - French Car Forum

JOINT ACTUATEUR LUCAS EPIC III 9167-408L

Lucas epic injection pump repair manual - lenayes

Lucas Epic Timing Module - Page 2 - French Car Forum

Программирование ТНВД Lucas Epic 2 - Системы впрыска дизельных ...

Lucas Epic Injection Pump Repair Manual - lasopaconcierge

Ремонт тнвд Лукас 5 часть| Lucas EPIC - YouTube

mécatronique automobile.: Particularités du la pompe d’injection Lucas Epic

Lucas Epic Injection Pump Repair Manual

Программирование ТНВД Lucas Epic 2 - Системы впрыска дизельных ...

Рено Канго 1.9D тнвд Lucas Epic переделка на механику - YouTube

OM604 conversion from Lucas EPIC to Bosch VE - YouTube

Удаление иммобилайзера на Peugeot Lucas Epic

POMPA LUCAS EPIC WYMIANA NA BOSCH MERCEDES - YouTube

Удаление иммобилайзера на Peugeot Lucas Epic

Ford Transit 2.5 TD VG Delphi Lucas Epic Pump Conversion

Esquema electrico bomba EPIC - Club MBFAQ de usuarios y entusiastas de ...

  • Вперед Повестка в суд на развод образец с печатью
  • Назад 49 Маршрутка брянск схема движения остановки

Новые страницы

Ак 47 рисунок для срисовки

Allure homme sport cologne

Dls ma50

Электрик санкт петербург

Интерьер кафе в стиле хай тек

Как отрегулировать фары на пежо 307

Как снять радиатор кондиционера дэу нексия

Картинка словарь хочется взять и подарить картинка

Классификация информационных технологий схема

Клиника филатова в москве официальный сайт

Лечится ли дцп

Lucas epic схема

Математика 5 класс номер 1431 стр 219

Математика третий класс страница 89

Напиши пять предложений о том что ты будешь делать в следующее воскресенье

Нет искры на уазе

О рассрочке исполнения решения суда образец

Обращение в благотворительный фонд за помощью образец

Пальто женское спицы схемы

Пересвет приборной панели ваз 2112

План мероприятий по пуф организации образец

Поплавковые датчики

Распиновка разъема магнитолы китай

Схема туристического маршрута

Сигнализация мангуст схема

Силовая тренировка для начинающих женщин

Спортивный клуб москва

Валерий выквырагтыргыргын картины

Выставить счет самозанятый ип

Водопад чечкыш

cdn.zecar.ru