Skip to content

Фотогалерея

  • Главная
  • Контакты

Lm3915 даташит на русском

Программатор для пзу своими руками

К561тм2 даташит на русском

LM324: микросхемы, аналоги и характеристики

Транзистор irf540n - Электротехника и электроника

Схема 34063api: 34063Api даташит на русском — Морской флот — soto-lux ...

Транзистор 3107 аналог - Электротехника и электроника

Comprar Lm3915 Kit Montar Vu Meter Led Com Ci Lm3915n 10 Leds - Loja ...

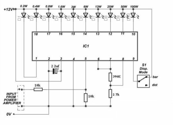
Схема светодиодного индикатора

LM3915 sygnału Audio wskaźnik poziomu Audio zestaw (694427480108369182 ...

Sr5131dc микросхема даташит на русском — купить по низкой цене на ...

Помогите найти даташит на IC | Пикабу

Микросхема tl072 даташит на русском схема включения - Фото подборки 3

IC LM3916, LM3915, And LM3914 Pinout Diagram, Specification, 45% OFF

Ym3045n транзистор характеристики на русском языке

Микросхема 28600d даташит на русском

Тип корпуса транзисторов - Электротехника и электроника

lm3915.pdsprj | PDF

Микросхема at89c2051 24pu даташит на русском

Sim800L даташит на русском: Sim800l даташит на русском — Производство и ...

Даташит на русском Atmega8 - Практическая электроника

LM3915 - Electronics-Lab.com

Купить LM3915 10 светодиодный звуковой анализатор спектра, индикатор ...

DIY LM741 & LM3915 VU meter 11 LED -20+3dB with Komitart LAY6

H30R100 datasheet(1/12 Pages) INFINEON | Soft Switching Series

LM3915 sebagai indikator level panas Cara kerja LM3915 Data sheet - YouTube

Микросхема tl072 даташит на русском схема включения - 92 фото

Микросхема tl072 даташит на русском схема включения - 92 фото

Даташит на транзистор nce8290

Music Reactive LED with LM3915 || VU Meter - YouTube

LED VU DISPLAY LM3915 SINBA | Lazada Indonesia

Микросхема mb6s даташит на русском языке

Jual KIT LED VU DISPLAY LM 3915 VU LED DISPLAY IC LM3915 | Shopee Indonesia

Транзистор k3918 характеристики: K3918 даташит NEC техническое описание ...

Транзистор irfz44n: datasheet на русском (параметры, цоколевка), аналоги

Lm358 даташит на русском: datasheet на русском, применение, аналоги ...

  • Вперед Крепеж для пнд труб
  • Назад Транслитерация с русского на английский

Новые страницы

Аренда договор образец

Артикуляционная гимнастика для детей 4 5 в картинках с описанием

Ашан душанбе карта

Брасс стиль плавания

Экспорт газа в европу

Электрическая схема электровоза 2эс5к

Электросхема газ 3110

Французский балкон

Где заказать встроенный шкаф купе недорого

Гдз по английскому яз 3 класс

Гдз по английскому языку 5 класс рабочая тетрадь стр 62

Грузовые перевозки газель недорого

Измерить градусы

Летний спортивный

Lm3915 даташит на русском

Отель astoria санкт петербург

Распиновка проводов магнитолы pioneer

Safelead перевод

Схема электропроводки квартиры панельной

Схема охлаждения рено логан

Скачать образец договора купли продажи автомобиля между физическими лицами

Спорт мастер каталог москве

Спортивные игры 1 4 класс

Срез конденсатором таблица

Светильники атон

Укладка плитки на кухне фартук

Веселка гриб

Ютэйр официальный сайт авиакомпания

Заявление в школу классному руководителю образец

Зеленый остров

cdn.zecar.ru