Skip to content

Фотогалерея

  • Главная
  • Контакты

Lm317 pdf

Lm317t Datasheet

LM317T Datasheet PDF , ON-Semiconductor : 1.5 A Adjustable Output, 1.5 ...

LM317 Datasheet PDF (185 KB) Motorola | Pobierz z Elenota.pl

LM317 voltage regulator configuration resistor select output

LM317T-DG Datasheet PDF - STMicroelectronics

Cálculo de un regulador de tensión con un LM317: R2 = (R1/1,2) (Vout - 1,2)

LM317 Datasheet PDF (1.04 MB) STMicroelectronics | Pobierz z Elenota.pl

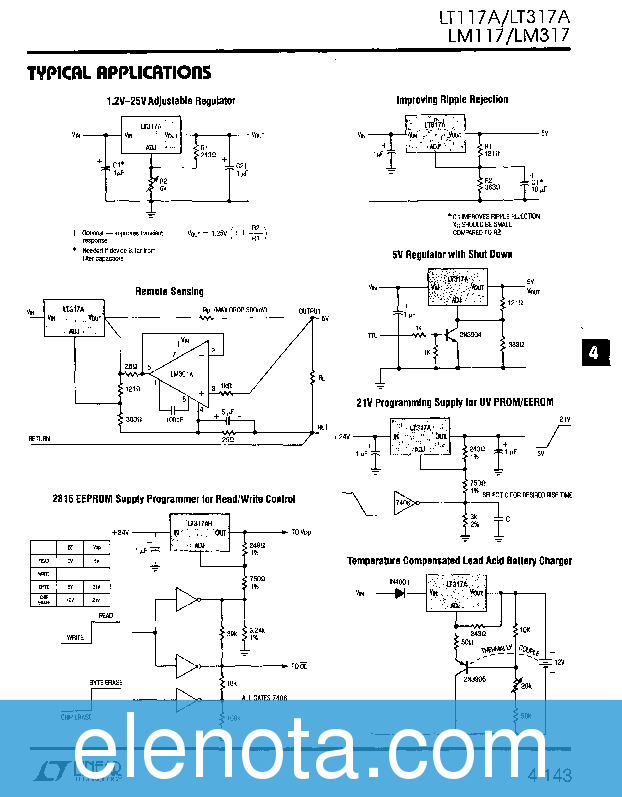
LM317 Datasheet PDF (547 KB) Linear Technology | Pobierz z Elenota.pl

lm317: datasheet. LM317: Характеристики, виды и схемы

LM317T Pinout

LM317 Datasheet PDF (134 KB) ON Semiconductor | Pobierz z Elenota.pl

LM317 Datasheet PDF (185 KB) Motorola | Pobierz z Elenota.pl

LM317BD2TG_4757959.PDF Datasheet Download --- IC-ON-LINE

LM317 Regulators CALCULATOR | ElecCircuit.com

LM317 Transistor

(PDF) LM317 Datasheet - 1.2V TO 37V VOLTAGE REGULATOR

Few LM317 Voltage regulator circuits that has a lot of applications

Voltage Regulator Rectifier Schematic

LM317 PDF文件_LM317 PDF文件在线浏览页面【3/5】-天天IC网

LM317 LM317A

LM317 IC: Pinout, Specifications, Circuits and Applications

How to Configure the LM317 Voltage Regulator | Doovi

My first variable power supply using LM317 - ElecCircuit

Buy LM317 Regulator Integration SOIC-8 SMD with affordable price ...

Lm317 Power Supply Design

LM317: схема включения. Стабилизатор тока на LM317 для светодиодов

LM317 и LM317T схемы включения, datasheet, характеристики

LM317 Pinout

LM317 Datasheet PDF (134 KB) ON Semiconductor | Pobierz z Elenota.pl

LM317T LM317 TO-220, IC, Semiconductor, Transistor, www.ic12.cm

LM317 Datasheet PDF (1.11 MB) National Semiconductor | Pobierz z Elenota.pl

LM317_4103489.PDF Datasheet Download --- IC-ON-LINE

  • Вперед Регулировка клапанов 402 двигателя
  • Назад Сероводород и бром реакция

Новые страницы

3Р ре n 32а 380в ip44

Алюминиевая карта от тинькофф

Это место карта менде ярославская область

Фитнес лайф нижний

Гидролиз ацетата калия

Как пишется автобиография при приеме на работу образец для мужчины

Как по словам рассказчика мальцев вел машину вспомните эти сравнения почему мальцеву было грустно

Как вывести изображение с компьютера на ноутбук через vga

Какие цвета у радуги по порядку картинки для детей

Карта орды пермского края

Kbu 606

Клуб бакс вязьма

Когда нужно заряжать аккумулятор автомобиля

Lm2903p

Lm317 pdf

Манжета для чугунной канализации

Маршрут 24 анапа схема движения

Пайка медных трубок кондиционера

Поздравить женю с днем рождения мужчину в картинках бесплатно

Приказ о возмещении ущерба работником образец

Распиновка разъема прицепа грузового автомобиля

Разболтовка колес на приоре

Различия филарета и никона

Размер канады

Резистор 47к

Шар вписан в конус

Схема блок питания dps

Сигнализация томагавк 434 mhz frequency инструкция

Танеко резюме образец

Влад пшеченко жизнь после проекта

cdn.zecar.ru