Skip to content

Фотогалерея

  • Главная
  • Контакты

Lm2594 datasheet

LM2594ASCBCKGEVB: 5V @ 500mA, 5 ~ 60V in, Buck

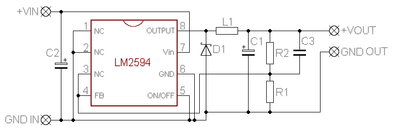
LM2594 datasheet(15/25 Pages) ONSEMI | 0.5 A, Step-Down Switching Regulator

LM2594 datasheet(18/25 Pages) ONSEMI | 0.5 A, Step-Down Switching Regulator

Fuentes de alimentación Step Up Boost Converters – Prometec

LM2594 Datasheet - SIMPLE SWITCHER Power Converter 150 kHz 0.5A Step ...

LM2594 Adjustable Step-Down Voltage Regulator - Datasheet

Typical Application Circuit for LM2594 Inverting -5V Regulator with ...

LM2594 National Semiconductor Regulator, Hoja de datos, Ficha técnica ...

LM2594: Output over-voltage when supply power applied - Power ...

LM2594ASCBCKGEVB: 5V @ 500mA, 5 ~ 60V in, Buck

LM2594M-ADJSLASHNOPB datasheet(6/41 Pages) TI1 | LM2594/LM2594HV SIMPLE ...

LM2594HVM-12 datasheet(28/41 Pages) TI1 | LM2594/LM2594HV SIMPLE ...

LM2594N-12 datasheet(22/41 Pages) TI1 | LM2594/LM2594HV SIMPLE SWITCHER ...

LM2594 Regulator Datasheet, Distribuidor, stock y mejor precio

LM2594 Adjustable High-Voltage Voltage Regulator - Datasheet

LM2594 Adjustable Step-Down Voltage Regulator - Datasheet

LM2594MX-12SLASHNOPB datasheet(2/41 Pages) TI1 | LM2594/LM2594HV SIMPLE ...

Биполярный транзистор увеличивает ток DC/DC преобразователя в 12 раз ...

LM2594M-ADJ datasheet(3/13 Pages) UMW | IC REG BUCK 12V 1.5A 8SOP

50pcs/lot LM2594HVMX 5.0 LM2594HVM 5.0 LM2594HVM LM2594 SOP8|new look ...

Electronic Components Silicon 8 Pin SMD LM2594-5.0., Size: 5mmX5mm at ...

LM2594 0.5 A, Step-Down Switching Regulator: Marking Diagrams | PDF ...

LM2594: Output over-voltage when supply power applied - Power ...

LM2594M-5.0 LM2594 LM2594M IC晶片 現貨供應好品質 積體電路 SOP-8 205-02378 | 露天市集 | 全 ...

LM2594全国供应商【维库电子市场网】LM2594资料|PDF Datasheet|价格_维库电子市场网

What is lm2594 arduino? - E-components

(5PCS) LM2594MX-ADJ IC REG BUCK ADJ 0.5A 8SOIC 2594 LM2594 | eBay

LM2594: Two issues on design a reverse regulator with LM2594 - Power ...

10 قطع LM2594 LM2594M-3.3 LM2594M-ADJ | ArabShoppy

IC nguồn LM2594M-ADJ 2594M-ADJ LM2594 2594 SOP-8 Mới 100% (con ...

LM2594 datasheet(8/28 Pages) NSC | SIMPLE SWITCHER Power Converter 150 ...

Página inicial da loja Produtos Avaliação

LM2594 datasheet(6/28 Pages) NSC | SIMPLE SWITCHER Power Converter 150 ...

LM2594: Output over-voltage when supply power applied - Power ...

lm2594芯片使用说明(lm2594中文资料)-基础电子-维库电子市场网

  • Вперед Dongfeng модельный ряд
  • Назад Различие целлюлозы и крахмала

Новые страницы

1С документооборот настройка

Ag13 lr44 батарейка

Атопическая экзема лечение

Чем занимается стоматолог хирург

Эскиз дизайна интерьера

Искрит аккумулятор

Камень облицовочный для фасада

Карта средиземья толкиена на русском в хорошем качестве

Кроссовер регулируемый

Lm2594 datasheet

Математика 4 класс 2 часть 97

На рисунке показан график зависимости пути пройденного телом от времени какое это движение

Нанять рабочих для дачи

Объявления о строительстве

Отремонтировать хлебопечку

Печать рекламных наклеек

Подключение прикуривателя ваз 2109

Подробная карта туркмении на русском языке с городами и поселками

Презентация история древнего китая 5 класс история

Приказ об отстранении от работы в связи с алкогольным опьянением образец

Ремонт стиральных машин aeg в видном

Схема подключения печки 2107

Схема слова яблоки 1

Снятие аккумулятора пежо 408

Составьте предложения по схемам 9 класс

Стартер визжит

Сжатое изложение старый пень 5 класс презентация

Toyota highlander расход

Тренировочные схватки за сколько

Viatti это кама

cdn.zecar.ru