Skip to content

Фотогалерея

  • Главная
  • Контакты

Lc7881

IC, LC7881 DAC chip - Syntaur

新年第二弹超廉价的16位PCM解码LC7881全平衡实战 - 〓发烧音响专区〓 - 矿石收音机论坛 - Powered by Discuz!

HIFIDIY论坛-O 兄哪收的先锋解码板(PD0037+LC7881)终于弄出声了,深夜给大家分享 - Powered by Discuz!

PIONEER PD-D700 ② - 羽田電器産業 ステレオ事業部

Finished TDA1543 X8 In Parallel Hi-end Audio DAC Coaxial + Fiber Input ...

HS2260 Datasheet PDF , Unspecified1 : HS2260A CMOS

LC7880 datasheet(6/6 Pages) SANYO | 16 bit D/A CONVERTER

Lc7881

ФНЧ для цап LC7881

HIFIDIY论坛-请问有兄弟知道CS8412可以和LC7881解码芯片配合使用吗? - Powered by Discuz!

HIFIDIY论坛-PD0050 PD0052 LC7881的一些资料 - Powered by Discuz!

Grundig CD 660 Compact Disc Player Manual | HiFi Engine

SANYO LC7881

LC7881 - YouTube

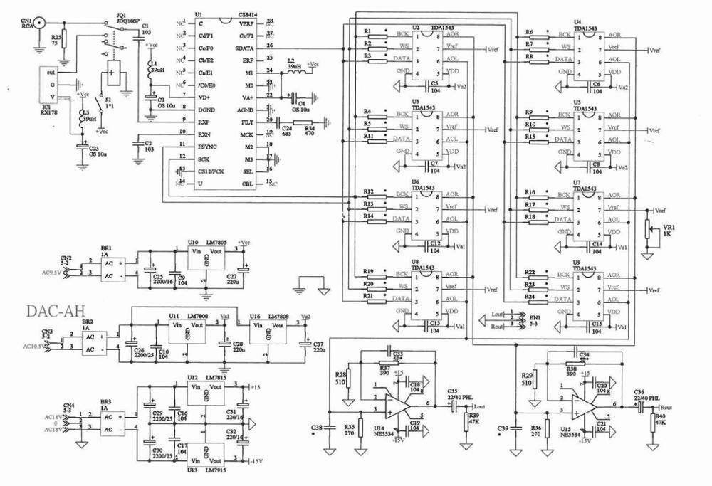
DAC Final

HIFIDIY论坛-O 兄哪收的先锋解码板(PD0037+LC7881)终于弄出声了,深夜给大家分享 - Powered by Discuz!

HIFIDIY论坛-请问有兄弟知道CS8412可以和LC7881解码芯片配合使用吗? - Powered by Discuz!

HIFIDIY论坛-关于接收(DIR)芯片和DAC芯片之间BLCK(SCLK)之间差异问题 - Powered by Discuz!

ブログ日記: SANYO LC7881 DAC その19

LC7881 B | PDF

NAD 5325 - Manual - Compact Disc Player - HiFi Engine

ADI公司的AD1862 - CD机的心脏--解码芯片大解析 - 音频技术 - 电子发烧友网

HIFIDIY论坛-LC7881声音还行,挺好的... - Powered by Discuz!

ブログ日記: SANYO LC7881 DAC その4 (PIC32MX編)

ブログ日記: SANYO LC7881 DAC その6 (CPLD編)

ADI公司的AD1862 - CD机的心脏--解码芯片大解析 - 音频技术 - 电子发烧友网

PIONEER PD-D700 ② - 羽田電器産業 ステレオ事業部

LC7881 Original New Sanyo Integrated Circuit | eBay

HIFIDIY论坛-LC7881声音还行,挺好的... - Powered by Discuz!

Inside Hi-Fi: Sony CDP-270

Schneider CDP 7102 Compact Disc Player Manual | HiFi Engine

[Rozwiązano] tranzystor K8132B - proszę o identyfikacje lub podanie ...

ブログ日記: SANYO LC7881 DAC その7 (CPLD編)

LA9200N Original supply, US $ 1.2-1.5 , [SANYO] Sanyo Semicon Device ...

HIFIDIY论坛-O 兄哪收的先锋解码板(PD0037+LC7881)终于弄出声了,深夜给大家分享 - Powered by Discuz!

  • Вперед Фитнесбар
  • Назад Балерина схемы

Новые страницы

Договор поставки по 44 фз образец у единственного поставщика

Гараж отделка

Гдз по алгебре 7 класс макарычев 1111

Гдз по английскому языку 5 класс options

Хвойная клумба с камнями схема

Как разобрать глагол по части речи

Картинки при пожаре звонить 01 или 112 для детей

Мисс бумажная тока бока схемы распечатать

Ноотропы современные

Обезжириватель тангит

Оцифровать vhs

Отъявленный отличник

Пословицы о спорте

Расценка стяжка

Распиновка проводов на магнитоле 2 дин

Разработка эскизного проекта

Ремонт ноутбуков ясенево

Rome is the capital of italy

Самые красивые места таджикистана

Сборник задач по алгебре 8

Сестрицын лисицын книжонка рожок

Seven days to die карта navezgane

Схема освещения уаз

Схема питания автомагнитолы

Шоколадка риттер спорт

Скай парк адлер

Техническое задание на рулонные шторы образец

Утверждение схемы избирательных округов

Я вернусь тальков

Замена датчика включения вентилятора ваз 2107

cdn.zecar.ru