Skip to content

Фотогалерея

  • Главная
  • Контакты

Лампа недостаточного давления масла

Загорается "давление масла" на холостых: бить тревогу или не обращать ...

Горит лампочка давления масла, но масло в норме

Контрольная лампа недостаточного давления масла ваз 2114

Контрольная лампа недостаточного давления масла ваз 2114

Контрольная лампа недостаточного давления масла ваз 2114

Контрольная лампа недостаточного давления масла ваз 2114

Немного писанины о том что понаделано — Volkswagen Lupo, 1,4 л, 1999 ...

Ваз 2109 почему горит лампочка масла принцип работы дум

Контрольная лампа недостаточного давления масла ваз 2114

Ленд Ровер Фрилендер 2, 2006-2014, код LR2, дизель: Контрольные лампы ...

Комбинация приборов на ВАЗ-1111 Ока. Описание автомобиля

замена блока цилиндров — Chevrolet Lanos, 1,5 л, 2008 года | своими ...

ВАЗ-2114 горит датчик уровня масла, что делать: фото и видео

горит лампа недостаточного давления масла - 65 ответов - Ремонт и ...

Масло, 5-я дверь… — Nissan AD (Y10), 1,3 л, 1997 года | плановое ТО ...

3.2.2 Щиток приборов ВАЗ 2105

Ауди 80, 90, Купе (Б3). Электрооборудование. Audi 80 / 90 / Coupe (B3 ...

Масло, 5-я дверь… — Nissan AD (Y10), 1,3 л, 1997 года | плановое ТО ...

Система смазки двигателя 421.10-10 (уаз-31601)

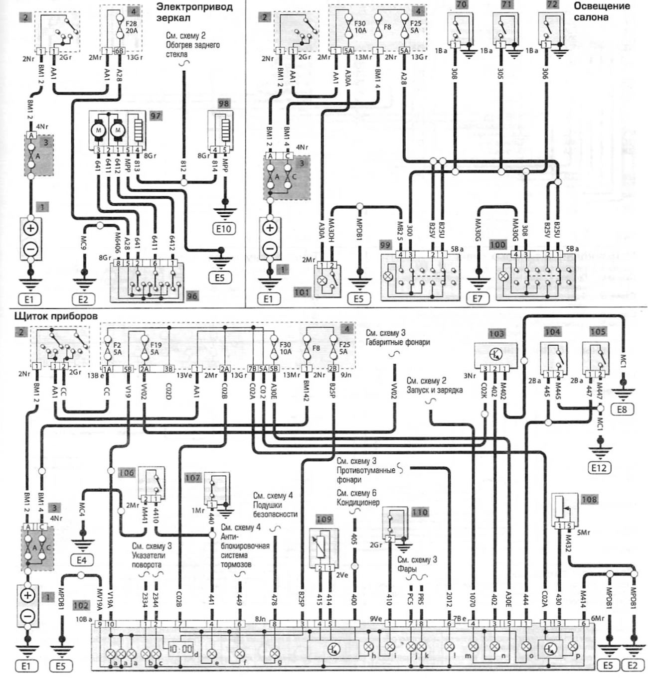
Peugeot Partner: Схема 7. Электропривод зеркал, освещение салона, щиток ...

Ауди 80, 90, Купе (Б3). Электрооборудование. Audi 80 / 90 / Coupe (B3 ...

замена блока цилиндров — Chevrolet Lanos, 1,5 л, 2008 года | своими ...

Ошибки пежо партнер на панели

Контрольная лампа недостаточного давления масла ваз 2114

Контрольная лампа недостаточного давления масла ваз 2114

Моторедуктор стеклоподъемника ваз: Мотор-редуктор стеклоподъемника ВАЗ ...

Ауди 80, 90, Купе (Б3). Электрооборудование. Audi 80 / 90 / Coupe (B3 ...

Система смазки двигателя (ВАЗ-2101 «Жигули» 1970-1983 / Общая ...

Ошибки пежо партнер на панели

НЕ ГОРИТ ЛАМПОЧКА ДАВЛЕНИЯ МАСЛА,ЛЕЙКА КАК НАЙТИ НЕИСПРАВНОСТЬ - YouTube

Почему загорается лампочка давления масла на ВАЗ 2107

S-Pb.Chipdiagnost.Диагностика двигателя, чип-тюнинг автомобилей и зап ...

Жигули ВАЗ-2104 1984-2012: Щиток приборов и клавишные выключатели ...

Загорается лампочка давления масла. Все причины. - YouTube

Органы управления ВАЗ-2103

  • Вперед Карта питания школьника проверить баланс пенза лоцман
  • Назад Схема освещения теплицы

Новые страницы

4Chip

Аэратор для септика своими руками схема

Аутсорсинговые услуги

Башня веселуха

Диагностика неисправностей опель

Дистанция спортивного плавания

Доработка уаз буханка

Электросхема уаз 469 старого образца цветная с описанием

Гараж для скутера своими руками

Гдз по алгебре дидактические 8 класс макарычев

Гдз по математике 3 класс страница 42 номер 5

Хамис с днем рождения картинки

Карта карелии со спутника в реальном времени с лесными дорогами

Кб1013вк1 2

Лампа недостаточного давления масла

Лаунчеры для магнитол на android

Москаленко евгения

Москва 80 х на

Образец справки о том что посещает ребенок детский сад

Определить по схеме где будет самый длинный день объясните свой ответ

Перенос генератора наверх в ниве

Письмо о смене телефона организации образец

Потухла панель приборов приора

Прага разрез

Прошивка газель некст эвотек

Скачать образец претензии о невыполнении условий договора

Снять квартиру посуточно в ростове великом

Удаление бордюрки с дисков

Забор из арматуры своими руками

Заявление о конфликте интересов образец

cdn.zecar.ru